Fórum témák

» Több friss téma
Fórum » Csöves erősítő készítése
 
Témaindító: seedz, idő: Márc 31, 2006
Témakörök:
Ne feledd betartani a fórum viselkedési szabályait, és a topik megmaradásának feltételeit. [link]
A téma átmenetileg fagyasztva lett, hozzászólni nem tudsz!
Lapozás: OK   1387 / 2208
(#) CIROKL válasza djhans hozzászólására (») Jún 17, 2012
Telefon vezetékből /az a lapos 4 eresből / az vált be nálam az ilyen módszerhez, abból egy két , három szál kitermelve.
(#) l48 válasza djhans hozzászólására (») Jún 17, 2012
Kiváncsi vagyok az eredményre.
Régebben én is igy csináltam néhány esetben. A legútobbi készülékemnél egy kb 1.5mm átmérőjű száloptikát használtam. Szinte láthatatlanul egybecsiszolva a forgatógombal. A gomb belső része úgy lett kialakitva, hogy 4menetet a száloptikából beletekertem (mint a mérőszalagnál) A száloptika másik vége a tápegység panelen lévő ledre van egy zsugorcsővel egybeépitve. A led nem 2 szinű, viszont a kérdéses időben villog.
(#) keszeg01 hozzászólása Jún 17, 2012
Jó napot.
Érdeklődnék, hogy 100v-os rendszerű hangszóróból származó trafó jó lenne-e kimenőtrafónak csöves erősítőbe .
Előre is köszönöm.
(#) varttina válasza keszeg01 hozzászólására (») Jún 17, 2012
Jó napot!
Mivel az ilyen trafó hangfrekvenciás impedanciaillesztésre lett kitalálva, így elvileg csöves erősítő kimenő trafójaként is helyt állna. Hagyományos SE-ben valószínű nem teljesítene jól, mivel nem légréses, PP-ben pedig azért nem, mert nincs primer oldali középkivezetése. Szerencsére van pár olyan kapcsolás, ahová jó lenne, pl. SRPP.
(#) Imi65 válasza l48 hozzászólására (») Jún 17, 2012
Szerintem jó lehet a vezeték is. Egy NDK rádióban a skálamutatóra is így vitték rá a LED-ek vezetékeit (3 szál), 29 éve működik így, pedig legalább 25 cm-t mozog. Persze az ötleted azért még nem rossz, sőt.....
(#) l48 válasza Imi65 hozzászólására (») Jún 17, 2012
Természetesen, hogy jó a vezeték is. Én csak egy más megoldást irtam mellé. Ami egy kicsivel sem egyszerübb vagy szebb. Viszont én nem alkalmazom kétszer ugyanazt a megoldást, szinte semmiben. Ez persze nem könnyiti meg a munkámat
(#) Imi65 válasza l48 hozzászólására (») Jún 17, 2012
Biztosan nem. Én az utóbbi időben - sajnos - alkalmaztam hasonló megoldásokat. Persze, ez sem akkora baj, ha valami beválik...........
(#) Orbán József hozzászólása Jún 17, 2012
Üdv! Régóta vívódom, más is hányódik a kérdések közt.
Az Ágoston álmoskönyv - álmomban volt ilyenem, amúgy csak szeretném megkapni az irodalmat - szóval SM85B-re van tekerési adat, a 102-re nincs. Az itt-ott összeszedegetett leírások mindig a ngyobb vasat javallják - nagy test-nagy élvezet - itt is bejöhet.
Viszont arra (102B) nincs konkrét adatunk, illetve nem igen vállalja fel senki, hogy mással kitoljon/segítsen, akarva/akaratlan.
Terhelés illesztésnél már jól beégtem sima egyenes arányossági elméletemmel - 8/6/4 Ohm, most feldobom a következő kérdést: Mekkora a hibalehetőségem, ha a menetszámokat a nagyobb vashoz aránypárral számolom át? Pl. 12cm2 -> 20cm2-re. Illetve esetleg maradjanak a menetszámok, de növeljem a huzalkeresztmetszetet és hozzá majdan megkeressem a megfelelő nyugalmit. Vagy jobb eredménnyel kecsegtet-e a 12cm2-es tekercselési adattal csavarintani a 20-ast, csak 1:1-ben? Teljesítményt nincs célom növelni, az a várhatő 7-10W már az egekbe röpít.
Mindenfajta tévedésem jogát fenntartom!
Megjegyzem, egy kedves kollégától már kaptam(tunk) kimerítő méretezési kiskátét, de már nem lesz időm azt a felsőfokú elektromérnöki szakot elvégezni, amivel hasznát is vehetném.
Olyan 30 cm hosszú képletek, minden mértékegységet további 6 oldalon lehet kiszámolni, aztán persze már gyerekjáték...
(#) Einstein válasza Orbán József hozzászólására (») Jún 17, 2012
Helló!
Azt a méretezési képletes cuccot fel tudod ide tenni, hátha hasznát látjuk.
Üdv: Einstein
(#) gkari válasza Einstein hozzászólására (») Jún 17, 2012
Ha az itteni képletek a 30cm.-t nem is érik el, lehet, hogy mégis hasznos(melléklet, és ).Bővebben: Link
(#) bakos13gab hozzászólása Jún 17, 2012
Hozzáértő emberek véleményét kérném. Építettünk a fórumtársakkal egy EL84 PP erősítőt. A tápja úgy van megoldva, hogy egy 782/a EAG erősítő hálózati trafója szolgáltatja a feszültségeket. Az egyenirányítást 2db PY82-es végzi, kétutas beállításban. Az egyencsöveken talán 350-400V körüli a delej.
Első meghallgatásra nagyon jól és szépen működött, azóta azonban tönkrementek a PY82-esek és ami furcsa - és biztos nem véletlen - a belerakott összes másik átüt. A kérdésem arra vonatkozik, hogy mi lehet ennek az oka? Bennem az merült fel, hogy túl magas nekik a feszültség. A szűrést CLC tag végzi, az első kondi egy 47µF-os. Esetleg a trafó belső ellenállása lenne kicsi? Utóbbit nem tudom, hogy lehet-e, ezek a csövek eredetileg közvetlen a hálózatot egyenirányították, nem?
(#) Imi65 válasza bakos13gab hozzászólására (») Jún 18, 2012
Ha figyelmesen megszemlélitek az adatlapot, abból azért sok minden kiderül.
Egyrészt az, hogy ezt a csövet tényleg a hálózati feszültség egyenirányítására találták ki. Azonban azt is meg kell jegyeznünk, hogy egy novál búrába nem sikerült akkora diódát létrehozni, ami egy TV vevő teljes áramigényét ki tudta volna szolgálni. Ezért ott 2 db párhuzamos járatása vált szükségesé, ennek minden hátrányával (ha én lettem volna a tervező, lehet, hogy inkább a terhelést osztottam volna ketté, több szűrőkör alkalmazásával, de - valószínű - a mérnökök erre kaptak utasítást - spóroltak a drága elkókon).
Sajnos, esetetekben is a határadatok túllépése okozza a problémát. A cső nem képes 250Veff-nél nagyobb feszültség egyenirányítására. A kapott görbék után az is következik, hogy 100mA terhelés mellett kb 250V DC a kinyerhető feszültség (ha kétutas a kapcsolás, akkor ettől némiképp magasabb), a trafó belső ellenállása ilyenkor 125 Ohm . Már ez is komoly feszültségeséseket okozott, vagy nem alkalmazhatták a párhuzamos üzemre engedélyezett 100 µF -ot, ahogy a mellékletben látható. Az egyencsöveknél az anód-katód távolságot a lehető-legkisebbre kellett választani, hogy a feszültségesés minimális legyen. Ez meghatározza az alkalmazási területét is.
(#) bakos13gab válasza Imi65 hozzászólására (») Jún 18, 2012
Értem, mondom én ezt Gábornak már hónapok óta, de nem hiszi el.
Akkor mi lehetne a megoldás? Én azt javasoltam, hogy tegynk bele PY88-ast, az lehet, hogy jobban bírná (a PY82 két dolog miatt került bele, Márk nem szeretett volna anódsapkát és Gábor úgy tudta bedrótozni a fűtést, hogy meglegyen a kellő 18V körüli feszültség). Tudom, hogy a PY88-is hasonló talán, de az Peak értékben elvisz sokkal többet, áramban is többet tud, sajnos többet is fogyaszt, de az a plusz 5-6W úgysem szempont. A doboz már sajnos adott ,amiben két novál egyencsőnek van hely (Az EZ80 és az EZ81 az áruk és beszerezhetőségük miatt estek ki). Kretén megoldás lehet, ha Si dióda kerül bele és a két PY82 csak fűt...
Esetleg javaslatok? _Ha kivennénk a folytó előtti elkót, az javíthat a helyzeten, vagy az inkább csak gáztöltésű és higany csövek esetében alkalmazott megoldás?
(#) djhans válasza bakos13gab hozzászólására (») Jún 18, 2012
Én egy csöves tv javításánál tapasztaltam hogy néha át-át ütögettek induláskor az egyencsövek.
(#) Imi65 válasza bakos13gab hozzászólására (») Jún 18, 2012
[OFF]Tény, hogy már nekem sincs túl sok tapasztalatom ezen egyencsövek üzemével kapcsolatban. Azt tudom, mindig párban cseréltük őket, miután meggyőződtünk róla, nem szakadt-e valamelyik kör (akkor egy-két nap alatt vége volt az üzemelő példánynak). Aztán már kötögettük a BY-t, csak azzal meg magas lett a feszültség (a szelénoszlop is nagyon "gatya" volt), el kellett belőle valamennyit fűteni. Meg - lassan - kikoptak az üzemből ezek a TV-k.
(#) bakos13gab válasza Imi65 hozzászólására (») Jún 18, 2012
Esetleg a hibrid táp nem megoldás? Ezek közvetett fűtésű csövek. Úgy gondolom, ha a PY82 már egy DC szintet lát, akkor az anód és katód között csak az eleső feszültség jelenik meg. Így ha beteszek elé egy BY...-t Si diódát és ezeket meghagyjuk áteresztőnek, akkor túlélheti a dolgot (a 'la müszi GU50SE)? Vagy a feszkülönbség az indításnál ott lenne és átütne ugyanúgy melegedés közben. Esetleg késleltetve?
(#) Gubán_Gábor válasza bakos13gab hozzászólására (») Jún 19, 2012
Én azért tartottam ki az álláspontom mellett, mert az első próbánál a PY-ok gyönyörűen beváltak, igaz én is tartottam a magasabb anódfeszültségtől. A jelenlegi anódfeszültség 360V ami a 250V effektív érték, amely a csőadatlapon szerepel gyök2 szerese, tehát éppen a határadat. Az is lehet, hogy az első 2 cső éppen 2 olyan példány volt, amely jobb állapotú volt mint az összes többi. Mert egy mérés alkalmával ütöttek át, előtte 1 hétig tökéletesen üzemeltek minden bekapcsolás alkalmával. Szóval, ha több időm lesz vele foglalkozni, akkor majd tervezek bele Márknak egy jobb megoldást mindenképpen, hogy üzembiztos legyen. Azért örültem a PY82-eseknek, mert így egyetlenegy a már megnevezett EAG AE782-es táptrafója van az erősítőben, és kicsit átvariálva az eredeti fűtőtekercsek bekötését, képes az összes csövet (4x6P14P, 2x6N8C, 2xPY82) fűteni megfelelő feszültségekkel, és a terhelhetősége is teljesen megfelelő. Na, majd kialakul, csak legyen egy kis időm rá
Márknak már javasoltam én is azt, hogy legyen egy anódfeszültség kapcsoló benne, hogy a már felfűtött PY-ok ra kapcsoljuk rá a trafó szekunder oldali váltófeszültséget. Majd meglátjuk, mi lesz a végerdemény, ha nem válik be, akkor rakunk bele nagyobb feszültségű egyencsövet. Mert szerintem a hidegen rákapcsolt 300V effektív szekunder váltófeszültség miatt üthet a cső át.
(#) Gubán_Gábor válasza Gubán_Gábor hozzászólására (») Jún 19, 2012
Mégegy lehetőség, hogy beteszünk egy 150-180 ohm körüli 5W-os védőellenállást az anódok elé, és úgy is kipróbáljuk.
(#) Gubán_Gábor válasza Orbán József hozzászólására (») Jún 19, 2012
Hello

Az SM85B-re megadott menetszámokat egyszerűen lineárisan át lehet számolni SM102B-re, gond és 6 soros képletek nélkül. Annyi az egész, hogy ahány %-kal nagyobb az SM102B vaskeresztmetszete, annyi %-kal kell a menetszámokat arányosan csökkenteni a csévén.
Például (most csak hasra ütés szerűen, csak az érzékeltetés kedvéért) legyen az SM85B keresztmetszete 10cm2 és az SM102B pedig 15cm2. Ha az SM85B 10cm2-es vasára van 3000 menet primer megadva, akkor az SM102B 15cm2-esére, ami 50%-kal nagyobb csak 2000 menetet kell feltekerni. Ha pedig 20cm2-es a vaskeresztmetszet, akkor csak 1500 menet fog kelleni és így tovább.
A szekunder tekercs menetszámát is ugyanilyen aránypárral kell átszámolni. A lényeg, hogy a gerjesztést állandó értéken, lehetőleg 0,5-0,6T környékén tartsuk a kis torzítás érdekében, amihez, vagy a vaskeresztmetszetet növelem, vagy a menetszámot csökkentem. Hiperszil trafóra amúgy kicsit nagyobb gerjesztést is megengedhetünk, kb 0,7-0,8T-t de a te esetedben a menetszámok már adottak, amik be is váltak, tehát neked csak azt át kell számolnod a saját vasaidra.
Remélem, tudtam segíteni
(#) Imi65 válasza bakos13gab hozzászólására (») Jún 19, 2012
Kipróbálhatjátok, egy dióda sorba vele - elviekben - megvédheti a hatalmas zárófeszültségtől (gondolom, nem akkor üt át, mikor pár 10V esik rajta, hanem akkor, mikor a trafó feszültsége záróirányba fordul, és még hozzáadódik a pufferbe töltött feszültség). A PY-ra én azért párhuzamosan kötnék egy több száz k Ohm -ot , hogy a diódára "kiszorítsam" az összes zárófeszültséget (gyanítom, hogy a PY kevésbé vezet visszafelé, mint Si társa).
(#) Gubán_Gábor válasza bakos13gab hozzászólására (») Jún 19, 2012
A hibrid táp jó megoldás lenne, de akkor elveszik a fullcsöves feeling. A hibridnél ugye lenne 2 dióda és 2 cső, ami egy Graetz hidat alkot, itt valóban a páronkénti soros kapcsolás miatt lényegesen kisebb feszültség jutna a csövekre. Ez a megoldás természetesen működne, gond nélkül. De nekem mégsem szimpatikus. Ez a megoldás ott használható elsősorban, ahol csak egy szekunder tekercs áll rendelkezésre, és az ember mégis szeretne egy kettős diódával, vagy ezesetben két külön diódával egyenirányítani, de ehhez kell az a 2 plusz szilícium dióda is öszvér módon:S. Persze lehet 4 sima dióda csővel is graetz hidat alkotni, ha az ember eleve belekalkulálja a 2 soros diódán eső kb 40-50V-ot és annyival magasabb feszültségre tekeri a trafót, és a fűtést is 4 külön tekercsről táplálja. Akinek ez megéri, az tehet 4 diódát is Graetzbe, lásd a GU81PP-met majd a nyáron, ha véglegesre elkészül. Ott is 4 db 5Q105-ös brutális higanygőz dióda van graetzben, 4 külön (egymástól nagyon alaposan elszigetelt ) fűtőtekercsről fűtve.
(#) Orbán József válasza Gubán_Gábor hozzászólására (») Jún 19, 2012
Kedves Gábor!
Köszönöm a tanácsot, alapból magam is erre hajlottam.
Meg ne kövezzenek a Társak, villanymotoroknál pl. az áttekerés más feszültségre feladatnál is a gerjesztés megtartása a cél.
Természetesen nyitott vagyok minden vélemény előtt és elismerten botfülű vagyok hajdú létemre a harangöntéshez, így begfogadókészségem végtelen.
Az angyal és a kisördög viaskodik rajtam, ha nem működik, felhagyok a csövessel - bennem lévén a hiba - ha (véletlenül) jól szól, azt isten se tart vissza a 300B-től... [OFF]Már intézkedtem, hogy a jobbikat nyilazzák be a síromba, mellém.
(#) Hakkee hozzászólása Jún 19, 2012
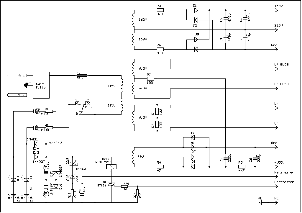
Sziasztok! Összedobtam a gu-50 pp-t, amiről már milliószor kérdeztem. Nos az első nekifutás teljes kudarc volt! Gerjedt, torzított, nem működött a hangerő szabályzás. A jobb oldali végcsövek elkezdtek villámlani!Ezt a jelenséget okozhatta a kimenőnek valamiféle hibája? Csak nem kell újratekerni? A villámos csövet kicseréltem egy régebbi darabra, azzal nem csinált semmit! Később kiderült, hogy a g2 ellenállás elégett! Kicserélve megint szikrázás. Tele van vele a tökéletességem. Rendelnem kell megint csöveket. Azóta újra építettem mindent, most a bal oldal működik, de torzít, főleg a mélyebb hangoknál! A nyugalmi áramot sajna nem tudom 58-nál lejjebb vinni(40 lenne az ideális), valszeg kevés a negatív előfeszültség. Majd megpróbálok a trafóra tekerni még pár menetet, hátha jobb lesz. Szerintetek okozhatja ez a torzítást? A másik észrevételem, hogy hangosabbnak kellene lennie, most szerintem a fél hangerőt ha hozza 25watthoz képest. Bocsi ha kicsit hosszúra sikerült, de ha tudtok segíteni valamiben szívesen fogadnám! Mellékelem a kapcsirajzot is!
(#) heinrik endre hozzászólása Jún 19, 2012
Sziasztok csak egy kérdésem lenne felétek én a hálotrafót{toroid }nem őntettem gyantába ...de azért hallani egy kicsit az 50 Hz-et mivel lehetne ezt a problémát kikűszőbőlni valahogy......Előre is kőszi a segitséget

023.jpg
    
(#) granpa válasza heinrik endre hozzászólására (») Jún 19, 2012
Szia! Honnan hallod az 50Hz-et, ha a trafó rezeg akkor utólag kell kiönteni (beitatni), de akkor nagyon lazára csinálták (hiba!). Ha a hangszórókból, akkor szűretlenség!
(#) heinrik endre válasza granpa hozzászólására (») Jún 19, 2012
Szia a hangszóróból..
(#) granpa válasza heinrik endre hozzászólására (») Jún 19, 2012
:gumicsirke:
(#) FordPrefect válasza Gubán_Gábor hozzászólására (») Jún 19, 2012
Van még egy megoldás, ami olcsó, beszerezhető, direkt tápegységbe kifejlesztett csövekkel működik. Néhány audiofil is használja. 4 x 6SZ19P diódának kötve, GRAETZ-be kapcsolva. Egyetlen hátránya a 24 W fűtőteljesítmény, de az sem sokkal nagyobb a fenti megoldásoktól.
(#) Imi65 válasza FordPrefect hozzászólására (») Jún 20, 2012
Egyes elvetemültek nem átallanak 300B-t egyenirányításra kárhoztatni. Persze, ahol a pénz nem számít.......
(#) mc-4 hozzászólása Jún 20, 2012
Sziasztok!

Megérkezett a voronyezsi csomagocska
Holnap neki is kezdek a paneloknak.
Remélem hozzák a formájukat.
Következő: »»   1387 / 2208
Bejelentkezés

Belépés

Hirdetés
XDT.hu
Az oldalon sütiket használunk a helyes működéshez. Bővebb információt az adatvédelmi szabályzatban olvashatsz. Megértettem