Fórum témák
» Több friss téma |
Fórum » Kapcsolóüzemű táp autóba Hi-Fi-hez
Komoly erőpróba az írásodat elolvasni egyszuszra.
Ráadásul nincs shift gomb a billentyűzetén...
Még konkretumom nincs csak szeretem volna egy invertert épiteni teszt-re és hozá valamilyen tranzistor-os végfokot meg subszürőt
Szerintem ne építs szabályozott tápot, mert az bonyolultabb. Építs egy sima szabadonfutó tápot. Az nem annyira érzékeny a kisebb problémákra.
Itt egy pár rajz. Innen a fórumról GeLee is kitalált egy jót. Beteszem a rajzát. Ez aztán tényleg egyszerű. UCC2808-2 ic-vel. A végére pedig egy nyákterv az SG3525-höz. Nem próbáltam, de ígéretesnek tűnik. Szerintem nézz utána ezeknek. Keresgélj a neten az ic típusával. Sok okosat lehet találni.
Valaki tudna infót adni hogy a fel nem használt Műv..erősítő lábait ha testre húzom megfelelő e?
inkább az egyiket testre másikat tápra, így határozott állapotot vesz fel a kimenet (+=gnd, - =Ut ,--> Uki=0)
(+ = - ,-->Uki=?)
Mindegy. Úgy se lesz bekötve a kimenete.
Sziasztok!
a SAL-os kapcsoláshoz készítenék trafót, ehhez kellene egy kis segítség. Van 2db E magom szögletes keresztmetszetű + csévetest. Hogyan tudnám úgy megtekerni hogy teljesen vagy közel szimmetrikus +/- feszültséget kapjak a táp kimenetén. Az eddig olvasottak sokat segítettek de mégsem jön össze mert 4 volt difi az már sok, gondolom a menetek hosszával van a gond (nem egyformák). tehát hogyan tekerjem, sodorjam-e a szálakat stb. Mindenemű segítséget előre is köszönök!
Főként a kapcsolást tervező kollégáktól kérdezem: Rezonáns, ZVS PWM vezérlőkön nem gondolkoztatok esetleg? Ezek használata több előnnyel is bír:
-Szinuszos: A zajtermelés töredéke a négyszögeseknek, ez a szűréssel szemben kisebb igényeket támaszt. -Nincsenek meredek, nagy csúcsot elérő impulzusok, ez egyszerűsíti a bemeneti és kimeneti szűrést, kisebb stressz a félvezetőknek és a kondenzátoroknak, a táp bemeneti oldalán sem szükséges annyira kisimpedanciás lezárás. -A szinuszos üzem miatt szélesebb az alkalmazható vasak köre. -A hatásfok annyira jó, hogy a kapcsolóeszközöknek akár a saját hűtőzászlójuk is elég lehet relatív nagy terhelésnél. -Lámpaballasztként régóta beszerezhető olcsón sokféle IC, és a rájuk épülő kapcsolás egyszerű, a TL494-es verziókkal vetekedő. Hátrány, hogy a rezonáns tank méretezése, elkészítése nem mindig egyszerű és sok vezérlő csak egy tól-ig tartományú terheléssel használható jól (bár ez már nem probléma újabb eszközöknél).
Gondoltam, hogy a kapcsolóüzem-doktornak lesz már kész megoldása
. Köszi!
Semmi köze a menetek hosszához. Kizárólag a menetszám határozza meg.
Szerintem a 4V-os különbséget a műszereid okozzák. Nagyobb frekvencián a tápodban lévő tüskék meghülyítik a műszert. Skóppal nézted a kimenetet? Terheletlen és terhelt állapotban is meg van a 4V különbség? Gondolom figyeltél arra, hogy egyformák legyenek a menetszámok.
Szia!
Köszönöm a választ! A feszültség különbség terhelt és terheletlen állapotban is fennáll, analóg műszerrel és multival mérve,szkópom az nincs. A menetszámokra figyeltem. Egy másik kissebb kör keresztmetszetű trafóval működött,ott csak 0,5 volt különbség volt csak eltörtem a magot. Ezért szeretném ezzel a másik maggal megoldani, de nem jön össze. Esetleg egy móricka rajzzal tudnál segíteni hogy tekerjem a primereket és a szekundereket. A segítséget előre is köszönöm!
Nem tudom miért tartod fontosnak a tekercselést.
Nézz meg egy pár gyári SAL trafót és rájössz, hogy teljesen mindegy. Olyan rendetlenül vannak tekerve mit állat. Az átvihető teljesítmény a szórási induktivitástól függ. Tehát ha úgy tekered meg a magot, hogy egy kis primer, egy réteg szekunder, stb. Akkor jobb lesz a szórási induktivitás(kisebb.) Az aszimmetrikus kimenetednek meg más oka van. Ez biztos. Lehet tüskés a kimenő fesz, és ha feszültség visszacsatolás van a tápban, akkor lehet az csak az egyik ágban van? Ezektől simán lehet ilyen baj. Tegyél föl kapcsolási rajzot és képeket a cuccról. Ne kelljen már mindent kitalálnom.
Tiszteletem !
Szeretnék tanácsot kérni. Egy 230 v-os frekiváltót szeretnék akkumulátorról működtetni. Az akku 24 v-os lúgos ezért a fesz elég tág határok 20-35 volt között ingadozhat, a kivehető áram tartósan 50 A lehet . A tápnak stabilizált kimenettel kellene rendelkezni mert ha nagyon alacsony , vagy magas a feszültség akkor a frekiváltó hibára leáll. A terhelés is igen tág határok között mozogna, szünetmentesként szeretném üzemeltetni egy családi házban , biztonsági kamera, vegyes tüzelésű kazán keringető szivattyúi stb. Az össz teljesítmény max 6-700 W, de ha többet tud az sem probléma. Nem cél a kis méret , hely van bőven Van : oszcilloszkóp, frekimérő, multiméter induktivitásmérővel , leválasztótrafó , toroidtrafó, bontott számítógéptápok . Milyen topológiát használjak, esetleg rajz ? Előre is köszönöm.
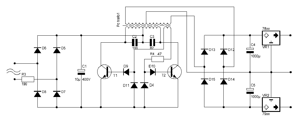
fentebb irtam néhány szot a tápkészitéssel kapcsolatban. azota eltelt egy kis idö és a használat közben felmerült problémákat leirom. egy probléma akadt. azaz kettö. az egyik, hogy a diodák utáni pre filter (aminek szerepe a diodák védelme) kondinak berakott 1 mikros elkok felrobbantak, pedig 100 voltosak voltak. na erre a megoldást szintén a pc tápokban találtam a primerkörben. szép barna kocka. nem elko. ez igy már rendben lett. a másik probléma a trafo melegedése padlogázon. nem volt kritikus de azért piszkálta a csörömet. erre radikális megoldást választottam. csináltam egy uj trafot. most már nem kettöböl hanem négyböl. azaz négy db. e vasbol. (nem ei, hanem ee) igy vastagabb drotbol tudtam tekerni mivel nagyobb lett a cséve. a frekit is lejjebb kellett vennem mert a pc trafo nem tolerálta a 160khz-t. elég neki a 100 is. igy a menetszámokon is változtattam. a primer 2x4 menet a szekunder 2x8 menet lett. a szekunderhez azért nyultam hozzá mert nem kellett +- 45 volt, csak +-35. na a végeredmény teljes siker. padlogázon hajtva (4x70w) épp hogy csak langyosodik.
Sziasztok!
Szeretnék segítséget kérni kapcsoló üzemü táphoz. Igaz én nem hi-it szeretnék rákötni, hanem vízbontót. Mégis azért hozzátok forulok, mert az eredeti kapcsolásamit szeretnék megépíteni, autó hi-fi-hez találták ki. Több napja olvasgatom a fórumot, hát nem mondom, hogy röviden átlátható a maga 121 oldalával. De már részben választ is kaptam az első nagy kérdésemre. A kapcsolással amivel küzdök, itt is találkoztam már. Én a következő oldalról indultam el: http://sound.westhost.com/project89.htm Igaz a SG3525 úgy lett kialakítva, hogy mind a PWM, mind a freki potival szabályozható, természetesen a kész példány már fixen fog működni. Nem is ezzel a résszel van gondom, hanem a trafó és a FET-ekkel. Ahogy olvastam már nem csak nekem melegszenek a fetek, hanem másnak is. Korábban ETD34-el kiérleteztem. Primer 2-3 menet 20szál 0,5-ös Cuz, szekunder 6-7menet 15szál 0,5-ös CuZ. A trfó nem is annyira, de a Fet-en nagyon melegednek. A kimeneten meg is van a 37-40V, de amikor megterhelem akkor leesik 13,3V-ra. A teher amit ráteszek az "brutális". Gondoltam kicsi vas, nem tud áttvinni annyit, hogy ne essen a fesz. ekkorát. Jelenleg ETD49 a vas, és máshogy van tekerve. A szorosabb csatolás érdekében, és a szkinhatást is figyelembe véve 2x2menet 30x0,2mm rézlemez a primer, és a szekunder 7menet 120szál 0,2mm CuZ. A melegedés továbbra is megmaradt. Viszont valamivel keményebb lett a táp, mert 14,5V-on nyomta ki a 30A-s bemeneti biztit. 2x3 IRL7833 FET-et raktam bele. Egyenlőre elhagytam a Subnereket (R-C tagok) belőle. Azért ezeket a feteket választottam, mert ezeknek kicsi a Rds ellenállása(3,8mOhm), Rise Time 50ns, Fall Time 6,9 ns. De korábban probálkoztam a kisebb vassnál az IRF3205 és a RFG50N06 valamit igbt-vel és azok is melegedtel. Még az igbt (HGTG20N60A) volt az, ami a legjobban bírta, persze ventillátorral hütve a bordát. Teszek fel oszcillogrammokat, mert abból biztosan sokminden kiderül. Nekem nem tetszik, hogy olyan hullámos a jelek teteje. lehet, hogy hiányoznak a subbnerek?A Feteknek kell az a DB meghajtó fokozat szerintetek? Köszönettel: gapati
A vízbontókhoz áramgenerátor kell. Építs rezonáns tápot hozzá.
Most nem tudom, hogy a szkópod korlátoz e be frekvenciában vagy valóban ilyen lankás a fel lefutási meredekség.
Ez nagyon kevéske nemcsoda, hogy melegszik. Mivel hajtod a feteket? Ha érdekel nekem van egy eladó DC-DC konverterem pont HHO-hoz készült 12V-ból 0-45V 0-7A.
Sziasztok!
30MHz-s gagyi szkópom van, de a 100KHz csak nem fog kirajta. Az SG3525 hajtja a Feteket egy 4,7 Omos ellenálláson keresztül. Korábbi verzióban próbáltam az IR2117 fetvezérlőt, de azzal még ennél is rosszabb lett a jelalak. BC komplementerekkel is próbáltam, azok első körben elégtek, aztán tettem bázisellenálást nekik, akkor melegedtek, de az sem volt jó. Most a BD240-BD239 párra gondoltam, mivel a fórumon több helyen is ajánlátok, de az a kérdésem, azok nem fognak melegedni?nem látok ott sem bázisellenállást meg semmi korlátozó ellenállást, persze értem én, épp az a lényeg hogy legyen bővek energia a gate kapacitás leküzdéséhez. Szeretnék megismerkedni a kapcsolóüzemü tápokkal, és talán ez a legjobb módja, ha megtapasztalom a buktatókat is. Nem szeretném megadni magam minjárt az elején. Mindenesetre átolvasom Skorinál a rezonáns tápok jellemzőit, bevallom azt sem ismerem.
Az SG belső meghajtója nagyon kevéske.
Vagy vegyél külön fetmegahajtót bele vagy építs diszkrét cuccokból. A szkópnál nem a 100kHz számít hanem a mintavétel. Ez nálad nem valami sűrű. Olyan 30ns lehet ami már sok.
Sziasztok!
Megcsinálom a BD-s fokozatot a gate és az SG közé. Azt szeretném kérdezni, hogy snubber (már helyesen írom, mindíg tanul az ember) hatását hogy tudnám szkóppal megfigyelni. Pontosabban hova kell csatlakozzak a szkóppal, ha a snubber "müködését" szeretném látni. Mivel méretezni nem tudom(és ráadásul frekvencia függő), csak látom a kapcsolásokban hogy milyen értékeket szoktak oda tenni(22 Ohm/4,7n, 27 Ohm/10n, 22 Ohm/22n, 56 Ohm/100n), ezért kéne látnom, mikor van a legjobb hatása lemágnesezésre. Köszönettel: gapati
ne foglalkozz pwm táppal. az nem neked valo. csinálj rezonáns tápot, akár ferritest sok khz-el, vagy hiperszilest néhány száz hz-el. neked valami ilyesmi kell.
Atyaég ez most gy felesleges hsz. Inkább töröltetném. :yes:
Mellesleg a csatolt kapcsolásod csak egy önrezgő hulladék, azzal nem kellene inkább senkinek sem foglalkoznia.
És mennyi lett a meghajtási idő a BD-k el?
Sajnos a jelenlegi szkópoddal nem fog jól látszódni. Próbáld meg kikapcsolni a CH2-t így CH1-en dupla mintavétel lesz jobban látszanak a belengések. A snubbernél az R-C tagnak van egy törési pontja ahol az impedancia elkezd csökkenni és elkezd az R tag ellenállása dominálni. R fogja elfűteni a felesleges energiát tehát azzal állítod be a nagyfrekis lengésekből elfűtendő energiát. C értékével pedig a törési frekvenciát ahol elkezd csillapítani. Ez valahol a kapcsolófrekvencia és a lengések frekvenciája közt kell legyen. f=1/(2*Pi*R*C)
miért vizbontásra nem elég egy ilyesmi? nem pont ez mert ez egy egyszerü minitáp.
Oké akkor most ne vegyük figyelembe a csatolt tápot. Rezonáns... a szabályozást hogy oldod meg?
Utánna köt egy stabkockát...
|
Bejelentkezés
Hirdetés |








. Köszi! 






