Fórum témák
» Több friss téma |
Mielőtt kérdezel, a következő két dolgot ellenőrizd!
I. A helyes tápfeszültségek megléte.
II. A kimeneten van-e egyenfeszültség.
Élesztés.
Szia!
TDA ic-k: 1010 - 10W - 4 ohm 1011 - 6W - 4ohm 1013 - 4W - 4 ohm 1015 - 4W - 4 ohm 1016 - 2W - 4ohm 1020 - 12W - 4ohm 1510 - 2 X 12W - 4ohm 1512 - 20W - 4ohm 1514 - 50W - 4 ohm 1515 - 2 X 12W - 4 ohm 1516 - 2 X 12W - 4 ohm 1517 - 6W - 4 ohm 1518 - 2 X 12W - 4 ohm 1519 - 2 X 6W - 4 ohm 1520 - 20W - 4 ohm 1521 - 2 X 12W - 4 ohm 1551 - 2 X 22W - 4 hom 1552 - 2 X 22W - 4 ohm 1553 - 2 X 22W - 4 ohm 1554 - 4 X 11W vagy 2 X 22W - 4 ohm 1555 - 4 X 11W vagy 2 X 22W - 4 ohm 1556 - 2 X 22W - 4 ohm 1557 - 2 X 22W - 4 ohm 1558 - 4 X 11W vagy 2 X 22W - 4 ohm 1560 - 40W - 4 ohm 1561 - 2 X 23W - 4 ohm 1562 - 70W - 4 ohm 1563 - 2 X 25W - 4 ohm 1564 - 2 X 25W - 4 ohm 1565 - 2 X 40W - 2 ohm 1904 - 4W - 4 ohm 1905 - 5W - 4 ohm 1908 - 8W - 4 ohm 1910 - 10W - 4 ohm 2002 - 8W - 4 ohm 2003 - 10W - 4 ohm 2004 - 10+10W - 4 ohm 2005 - 20W - 4 ohm 2006 - 12W - 4 ohm 2007 - 6+6W - 4 ohm 2008 - 12W - 4 ohm 2009 - 10+10W - 4 ohm 2020 - 20W - 4 ohm 2025 - 50W - 4 ohm 2030 - 14W - 4 ohm 2040 - 20W - 4 ohm 2050 - 32W - 4 ohm 2051 - 40W - 4 ohm 2052 - 60W - 4 ohm 2611 - 5W - 4 ohm 2613 - 6W - 4 ohm 2614 - 6W 4 ohm 2615 - 2 X 6W - 4 ohm 2616 - 2 X 12W - 4 ohm 7052 - 1W - 4 ohm 7053 - 2 X 1W - 4 ohm 7056 - 3W - 4 ohm 7057 - 2 X 8W - 4 ohm 7231 - 1,6W - 4 ohm 7233 - 1W - 4 ohm 7235 - 1,6W - 4ohm 7240 - 20W - 4 ohm 7241 - 20W - 4 ohm 7245 - 5W - 4 ohm 7250 - 60W - 4 ohm 7253 - 8W - 4 ohm 7255 - 22W - 4 ohm 7256 - 30W - 4 ohm 7261 - 25W - 4 ohm 7262 - 20 + 20W - 4 ohm 7263 - 12 + 12W - 4 ohm 7264 - 25 + 25W - 4 ohm 7265 - 25 + 25W - 4 ohm 7266 - 7 + 7W - 4 ohm 7267 - 2W - 4 ohm 7268 - 2 + 2W - 4 ohm 7269 - 10 + 10W - 4 ohm 7293 - 100W - 4 ohm 7294 - 100W - 4 ohm 7295 - 80W - 4 ohm 7296 - 60W - 4 ohm 7297 - 15 + 15W - 4 ohm 7298 - 28W - 4 ohm 7299 - 2W - 4 ohm 7350 - 22W - 4 ohm 7360 - 22W - 4 ohm 7365 - 2 X 6W - 4 ohm 7372 - 4 X 6W - 4 ohm 7374 - 2 X 25W - 4 ohm 7375 - 2 X 37W - 4 ohm 7376 - 2 X 35W - 4 ohm 7377 - 2 X 30W - 4 ohm 7381 - 4 X 25W - 4 ohm 7382 - 4 X 22W - 4 ohm 7383 - 4 X 30W - 4 ohm 7384 - 4 X 35W - 4 ohm 7385 - 4 X 30W - 4 ohm 7386 - 4 X 40W - 4 ohm 7391 - 35W - 4 ohm 7393 - 2 X 32W - 4 ohm 7394 - 2 X 30W - 4 ohm 7396 - 45W - 2 ohm 7480 - 10W - 4 ohm 7481 - 18W - 4 ohm 7482 - 25W - 4 ohm 7490 - 25 + 25W vagy 50W - 4 ohm 7494 - 10W - 4 ohm 7495 - 11 + 11W - 4 ohm 7496 - 5 + 5W - 4 ohm 7497 - 10 + 10 + 10W - 4 ohm 7499 - 6 + 6W - 4 ohm 8560 - 2 X 40W - 2 ohm 8562 - 4 X 12W - 2 ohm 8563 - 2 X 40W - 2 ohm 8564 - 4 X 12W - 4 ohm 8565 - 4 X 12W - 4 ohm 8566 - 2 X 40W - 2 ohm 8567 - 4 X 25W - 4 ohm 8671 - 4 X 40W - 4 ohm 8927 - 2 X 80W - 4 ohm hát kb ennyi.... lehet hogy valamit kihagytam közülük, és az is lehet, hoyg az ohm értékek néhány helyen nem megfelelőek, de a teljesítmény adatok 95%-osak. üdv.: Zoli
Azta
Leesett az állam!szép munka! Köszönöm szépen!
Szivesen.
Nincs mit, kb 1,5 óra munka volt, míg összeböngésztem őket. üdv.: Zoli
Ezért a munkáért megérdemelnél vmi jutalmat! Köszi
Hali!
Az elég jutalom, hogy megköszönted, és különben is, Te voltál az első aki megköszönt itt valamit nekem. (igaz eddig kb csak én kértem és kérdeztem... ) üdv.: Zoli
Üdv mindenkinek! Még nem volt idöm végigolvasni az egész forumot ezért itt kérdezném meg hogy régi erösitöhöz kapcsolási rajzot merre érdemes keresni?
Öreg AKAI erölködö AM-u7 , és neten csak fizetös manuálokat találok. Köszi a válaszokat elöre is
próbáld meg az oldshool hangcuccok..........topicot, ott vannak ilyen régebbi dolgok
Köszi Doncso. Ez gyors volt keresem máris!
Helló mindenkinek
Egyik ismerősöm meg akarja építeni ezt az erősítőt csak nem tud róla semmi adatot teljesítményen kívül. Nem nagyon értek hozzá, de nekem tul egyszerünek tünik ahhoz hogy jó minőségü legyen. Szerintetek milyen minőségü és mennyi lehet a torzítása? Kép mellékelve.
Szia!
Erről irtak már valamelyik topicban, lehet hogy pont ebben, de én ugy emlékszem eléggé dicsérték ezt a kapcsit, ja és attól még hogy egyszerű nem feltétlen rossz! Másrészt én is épitettem ezt a végfokot, ez sem bonyolult viszont a hangja..........csudaszépen szól! Szal szerintem a minőség nem feltétlen a bonyolult kapcsikban rejlik [#119327]
A minősége nem rossz, de alul vannak méretezve a végtranyók, és nincs benne semmi védelem, így nagyon rizikós.
Én nemtom de épísen inkább 2db st151-et, az biztos jó.
helló
én sem ajánlottam túl egyszerű. Szerintem. Kösz az infót!
Szia!
én dícsértem ezt a cuccot, pont azért mert egyszerű, olyat rúg mint egy ló, igénytelen az alkatrészeire. Igaz nem egy A-osztályú hangja van, de a Hi-Fi kategóriát maximálisan kielégíti. Bővebb infó: RÁDIÓTECHNIKA 1993/7 (oldalak: 326,327,328) üdv.: Zoli
kösz akkor megmondom hogy nyugodtan csinálja meg.
Emberek nagyon szépen megköszönöm de ha lesz még valami problémám akkor irok
Nyugodtan!!!
Persze azért 50 V az azért sok lenne neki, de tényleg nagyon jó kis darab. Ezt tényleg kibír mindent! És tényleg jó bele akármi. Üdv Peti. Idézet: „Ezt tényleg kibír mindent!” Már hogy bírna ki mindent (pl. rövidzárat), mikor semmi védelem nincs benne, és alul van méretezve? És mi az, hogy "jó bele akármi"?!?
helló
gondolom ugy értette hogy bármilyen gyártmányu BD lehet benne. Ha nemigy van majd kijavitanak
Úgy értettem, ahogy gr89 szaktárs javított!
Nem kell 1000 Ft-os tranyókat belevenni, mert kísérletezésnek és első tranyós végnek megfelel. És amúgy meg lehet bele építeni rövidzárvédelmet, de én nem érintgettem a kimenetet a GND-vel össze... Úgyhogy rövidzárvédelemre nem is volt szükségem.Na csak ennyi.... És köszi a helyreigazítást gr89 Peti.
És akkor mi az a "minden", amit kibír? Komplex terhelés max. kivezérlésen, 80 fokos hűtőbordák? Gondolod, hogy kibírná?
Bármilyen gyártmányú BD? Ne adjunk ilyen tanácsokat, mert ha valaki komolyan veszi, és beleteszi a hamisított "ST" gyártmányú BD249/250-eket, annak nem lesz jó vége, és a leégett hangfal nem egy jó poén!
Jól van. El kell vonatkoztatni itt a hamis, meg a nem hamis BD-ktől, mert nekem már úgy tűnik, hogy itt a fórumon nem is létezik normális tranyó, csak egy tok 3 lábbal...
Egyébként nekem "hamis" BD-van az ST151-ben is! És nem működik. A mindent - mert látom ez izgat a legjobban - természetesen nem a szó szoros értelmében írtam... De persze párszor lepotyogott az asztalról... Egyébként volt hogy véletlenül (!) leterheltem 2 ohm-mal és még úgy sem volt baja. Egyébként én a hamis BD-ket nem ajánlgatom, csak én nem fogok rendelni tranyókat egy akármilyen profinak mondott helyről... Ott van a bolt a közelbe: Oda bemegyek és kérek BD250-et. És az eladó ad! Beleteszem és működik... De azt már tisztáztuk régen veled is, hogy nem egy álomszépm megoldású erőlködő, és van ettől komolyabb szerekezet, más kategóriában!!! Peti.
Sziasztok!
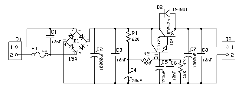
Egy kérdésem lenne. Szerintetek miért írták a rajza, hogy max. 1000uF? Köszi. üdv.: Zoli
Esetleg azert, mert a bekapcsolas pillanataban a kapacitasok (igy a C3 is) rovidzarkent viselkednek. Ha tul nagy a C3 erteke, akkor hosszabb ideig latszodik rovidzarnak a kondi es az atereszto tr. tonkremehet (nincs aramkorlat ebben a tapban!). Nekem hirtelen ez lenne a tippem.
Szia!
Lenne még egy kérdésem.. Van egy tápom, JLH 10W-oshoz használom, de érdekel, hogy miért eszik meg egy csomó feszültséget? kb 5V-ot megeszik csak úgy. Esetleg van-e ötleted ez a táp helyett egy másik valamilyen stab tápra, vagy egy bármilyen tápra ami jó lehet egy A-oszt végfokhoz. Jó lehet nem ebbe a topicba való ez, de itt kezdtem el a kérdezősködést, és idáig fajult a téma.. üdv.: Zoli
Szia!
Oldalanként 100VA-es toroid. Pont az amit láthatsz az apróhirdetések között. Elektris 2000 kft által gyártott. Azt gondolom a teljesítményének elégnek kell lenni a 10W leadása mellett, marad neki egy jó csomó eldisszipálni.... de annyit meg úgysem fűt el.üdv.: Zoli
A tapegyseg es igy a trafo merete (teljesitmenye) attol fugg mekkora az erosito tapfeszultsege es a felvett arama. Ha a standard 10W-os JLH-t nezzuk (pl. 27V tap es 1.2A nyugalmi aram), akkor kb. 32.5W-ot fogyaszt egy szimpla erosito (mono). Ehhez meg a tapegyseg vesztesegei is hozzajonnek, de egy 100VA-es trafonak elegnek kell lennie. Nem mondom, jobb lenne kicsit nagyobb, de elvileg ez is eleg. Sztereoban mar semmikepp nem eleg, tehat oda mindekepp kell a 2x100VA-es trafo.
A masik kerdesedre annyit tudnek javasolni, hogy ha tisztessegesen meg van epitve a JLH, akkor nem kell a stabil tap neki, sima pufferkondis tap is megfelelo, esetleg RC szurest lehet alkalmazni.
Furcsa, 5 V-nak azért nem kellene esnie. 1 V eshet a fölösleges 12 k-s ellenállás miatt, kb. 0,8 V a meghajtó B-E diódáján (BD179? nem BC?), kb. 1 V a BD243 B-E átmenetén. Mérd le, hogy valójában hol esik több!
Ez teljesen jó, csak kicsit máshogy kellene méretezni: http://www.hobbielektronika.hu/forum/files/6c/6cb8e44e7c4c221d0b2e5...d5.jpg Sokkal kisebb R, nagyobb C2 kellene, és jófajta (kis h11e) tranyó (pl. MJL21194, de ha ennyit nem szánsz rá, valószínűleg a BD437 is jó). |
Bejelentkezés
Hirdetés |




Leesett az állam!szép munka! Köszönöm szépen!
)







