Fórum témák
» Több friss téma |
Mielőtt kérdezel, a következő két dolgot ellenőrizd!
I. A helyes tápfeszültségek megléte.
II. A kimeneten van-e egyenfeszültség.
Élesztés.
Van pár kis kondi a bass és treble szabályzók mögött, majd ha lesz alkatrészem azokat cserélem... Szerintem a kis tekerővel nincs baj, biztossan elég lesz az a 24,5V az STK 463 IC -nek?(459 volt benne!)
A pirossal jelzett kondik alkatrészhiány miatt nem lettek cserélve.
amik a képen vannak színes szalagkábelek, azoknak a végén kell lenniük, csak le vannak vágva. De vissza tudom őket kötni ha kell, csal azt szerettem volna megtudni, hogy mekkora teljesítményű lehet, hogy megérné e foglalkozni az erősítővel.
A négy típus közül melyik volt rákötve? BD246, BD246A, BD246B vagy BD246C?
Sziasztok. A beag aet-453 trafója hány wattot tud leadni a végfok táp részén? Fel szeretném ennek az erősítőnek a tápját és részeit használni, de a végfokot ki szeretném cserélni. Csak tudni kéne hogy kb milyen teljesítmény körül keresgéljek erősítőt. Én egy TDA7294 hídban gondolkozok, de nem tudom elég-e hozzá a trafó. A feszültség pont jó lenne.
Szia!
Ez a trafó egy 1x50W-os erősítőt szolgált ki, tehát nem valami nagy teljesítményű. Ennek fényében tervezz.
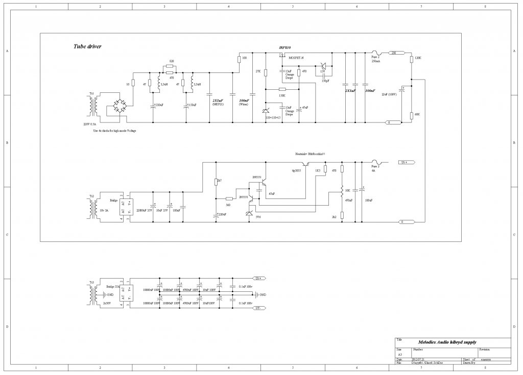
Elkészültem a hibrid végleges és immáron teljesen kiforrott tápjával.
Most már tudom továbbfolytatni a dobozolási munkákat.
Kíváncsian várom a továbbiakat. Nagyon jó már eddig is!!
Kár,hogy a táp kapcsolási rajza nem látható rendesen
Ha szerencséd van azok lesznek a ludasok.
A táp szűrő kondik nagyon aranyosak .
Remélem azok lesznek a probléma forrása, de mekkora szerencse kell már hozza...
![]() "A táp szűrő kondik nagyon aranyosak" Köszi!
Köszi,
Ha lemented akkor látszik azért. De ha érdekel a működési elve, akkor szívesen leírom a tápegység topikban vagy privátban. -Bár szerintem annyira egyszerű, hogy úgy is érted.
Szia mindig mondom hogy ha építgetünk nagyon sokat számít a külső,a tied tökéletes.Egy pici hibát azért felfedeztem,csak annyi hogy nem az én asztalomon van,a többi rendben.Gratula nagyon szép meló
Pontosan nem emlékszem de olyan 80-100W körül. Annak idején a 2x40W-os Quad-hoz elég volt, mondjuk sosem vettem ki belőle 2x30W-nál többet.
Hali! ez a trafó,kb 160w-os.
Sziasztok! Egy régi Fisher erősítőt javítok,végfok hibás (STK 465) kapható új, az adatlapján max. +-41 volt szerepel. A puffer kondikon +-40,6 volt mérhető.Beépíthetem biztonsággal az újat, ennyire határértéken?
No akkor mostmár sok féle megoldást halottam
Én örülnék a 160W-nak mert akkor a TDA-nak jó lenne majdnem, viszont az is igaz hogy 1x50W-os a végfok annak raktak volna ekkora trafót?... Mert jó lenne ezt a trafót felhasználni mert ami nekem trafóm van az nem férne bele a dobozba... Igaz az egy 600W körüli trafó de ezért nagy is...Magával ez erősítővel 2db egyenként 100W-os névleges teljesítményű hangsugárzót akarok hajtani egyenként 6 ohm-osak.
Sziasztok!
Van egy Sony str-6055 ös erősitőm bekapcsoláskor ki oldja a biztositékokat 3 biztositék van 200mA meg 2db 4 Amperes van benne a service manuálba nincs feltünteteve. Az én meglátásom szerint a biztik helye dióda hid után puffer kondi elé van bekötve. Mi lehet az erősitő hibálya? A vég tranyók azok jóknak tünnek.
Az A-s végűek miatt 60W-os körüli lehet az erősítő.
Próbáld ki. A terheléses próbától nem lesz baja a trafónak, csak bátran!
Ha már régen volt beüzemelve, akkor a puffer kondikkal lesz a gond. Forraszd le a + és - kábeleket róluk és egy 1k-s (5W) ellenálláson keresztül töltsd fel őket közel névleges feszültségre. Illetve merítsd vissza lassan. Ezt játszd el párszor, utána már nem lesz semmi gondja.
Üdv.: Miki
Nem bonyolult a rajz, de természetesen érdekel a dolog! Ha leírod nekem - akár privátban - megköszönöm!
Hali! Kimérted a végtranzisztorokat? mert ránézésre nem lehet mondani hogy jónak tűnnek.Különben erősítőt kimenettől visszafele kell javítani.Én még nem találkoztam olyannal hogy a tápkondi lett volna zárlatos,de elő fordulhat minden.Csak mérés után lehetsz biztos az alkatrészek működésében.Én végfokhibára gyanakszom.Üdv.
Köszönöm szépen a segítséget!
Körülbelül, akkor olyan 2X60W-ot tud, amivel szerintem érdemes foglalkozni. És ahogy számoltam, körülbelül 3200Ft-ból meg tudnám csinálni.
Szia!
Bírni fogja, ugyanez a trafó van az AET-250-ben is, az pedig 2*50W-os.
Szia! 8-as láb +12V, 4-es láb -12V. A szűrőt építed?
Szia! Nagyon tetszetős a géped! Ez milyen fajta erölködő???Tudom hogy Hibrid, de van róla doksid, leírásod, vagy ilyesmid??Érdekelne engem is a cucc!
![]() Nem akarok hülyének tűnni, de azt értem a képről, hogy kétoldalt az a két végfok modul, de középen a trafó előtt mi az a panel, meg tranyó?? ![]() Köszönöm előre is!
Hali! Három napja javítottam egy 5.1-es házimozi rendszert,TDA2030-as integrált áramkörrel van felépítve.Ma megkeresett a gazdája hogy ugyancsak leégett.Mind a 6db ic egybe lett cserélve.tudna valaki segíteni hogy mért fordulhat elő ilyen?A borda színe fekete,függőleges bordázata van,talán az a baj hogy festve van a borda,és így nincs meg a megfelelő hőátadás?Pedig le van pasztázva is.Segítségeteket köszönöm,üdv,Zsolt.
Talán nem kéne szikrákat csiholni a hangfalaknál. Mástól nem lehet, ha csak túl nem melegedett a kütyü. Cseréld ki, rakj rá egy ventinlátort és hajtsd meg jó erősen!
Én túlmelegedésre tippelek,mert én kötöttem vissza polaritás helyesen,és nem kötözgetős gazdája van.Megpróbálom ventivel,de ez már a gazdin múlik,azért köszi a segítséget.
|
Bejelentkezés
Hirdetés |














