Fórum témák
» Több friss téma |
Szerintetek ennek nem kellene külső ellenállás? Ezt a fényt hol tudom megnézni, le kell szedni a tetejét?
Szerintem meg nem infra tartomanyban dolgoik. (de errol nem kivanok vitat nyitni, mert nem ez a kerdes)
normal izzo van benne -az enyemben az volt. szedd le a tetejet, de tiszta kezzel, tiszta szobaban. tiszta=pormentes
Légyszíves menj bele, mert Én sem tudom mi az az infravörös izzó?
Kedves Ramiusz!
Kimondta neked, hogy Idézet: van benne?? :O„...infravörös izzó” ezt l48 allitotta, s nem en! igy tole kerj informaciot, koszonom. A mint emlitettem az elobb Idézet: „de errol nem kivanok vitat nyitni, mert nem ez a kerdes”
Szia! Ezek ipari eszközök, szóval rendesen össze vannak rakva, igen komoly elektronikával rendelkeznek. mint látod, négyszögjelet állít elő. Ettől még lehet problémás. Másrészt 24VDC-t kell rákötni és megy.
Szia!
Van egy shield nevű vezetéke, ezt össze kell kötni a 0V-os vezetékkel?
Ha helyesen van bekötve, akkor a kimenetén(kimenetein) a fordulatszámmal arányosan növekvő frekvenciájú négyszögjelet tudsz mérni.(Szkópold meg)
Ezek az encoderek a legritkább esetben mennek tönkre, eddig egy hibás darabbal találkoztam annak is mechanikus (csapágy )hibája volt. A preciziós üvegtárcsát, ami található benne piros led világitja meg. Ha nem tudsz mérni semmit a kimeneteken, akkor nagy valószinűséggel tönkrement.(Túlfesz,forditott polaritás.) A shield vezeték a fémház, összeköthető A 0 vezetékkel/GND-vel.De ha nincs bekötve, attól még műkönie kellene.
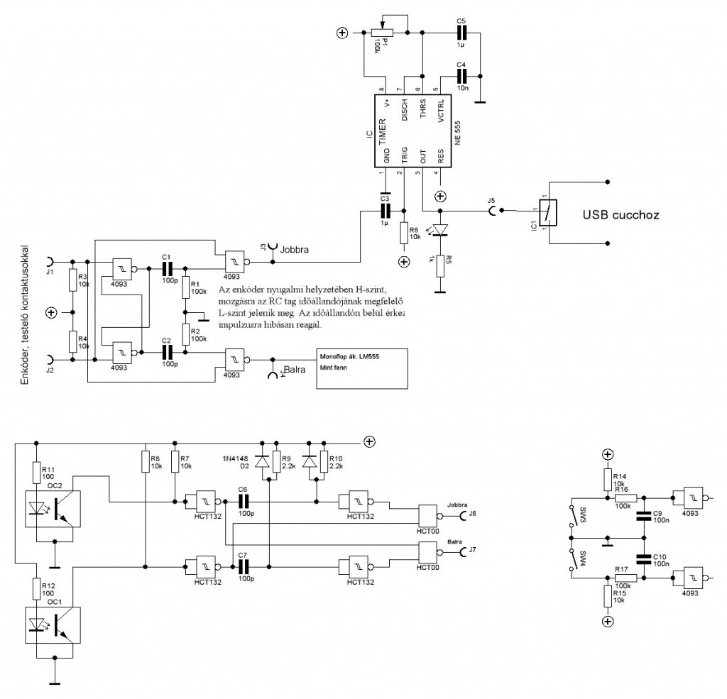
Ez az encodet nem ad ki feszültséget! Open collektoros NPN kimenetüek, azaz felhúzó ellenállást kell kötni a + tápfeszhez mely az adatlap szerint +5-24V lehet. Ezt nevezhetjük helyes bekötésnek. Ezenkívül ampermérővel meg kell mérni, hogy vesz-e föl áramot, sajnos az adatlapon ilyen paraméter nem található, hogy mennyi is a névleges áram ami külömböző feszültségen akár más is lehet. Továbbá az is tesztelési lehetőség, hogy mindenkor A illetve az A/ kimenet és ugyn így a B-k is ellentétes logikai szintüek. Ez fontos tulajdonságuk az encodereknek.
Az a baj, hogy 2 teljesen új darabról van szó és mind a 2-vel ugyanez a helyzet.:S
Az adatlap alapján egyértelmű a bekötése:
-Barna= +táp(5---24V) -kék: 0V/GND -Fekete/fehér/narancs:kimenetek Jól kötötted be?
Igazad van, a CWZ6C változat valóban open collectoros,
és kell a felhúzó ellenállás. A CWZ3E a feszültség kimenetű, figyelmetlen voltam.
Csak az nem hibázik aki nem csinál semmit. Sok sikert!
Esetleg az ellenállás méretében tudnál segíteni?
24V-ról, gondolom az 1k-s akkor jó neki?
Szerintem igen. Mivel ez a kábel árnyékolása, ezért mindenképpen földelni kell.
Ahogy Luki írta: "A shield vezeték a fémház, összeköthető A 0 vezetékkel/GND-vel.De ha nincs bekötve, attól még műkönie kellene. " Egy kiegészítés ehhez: ha nincsen leföldelve az árnyékolás, összeszedhet, ill. kiadhat mindenféle frekvenciás zavarokat. Üdv.: Yoe
Azért ez nem egészen így van. Ez a berendezés ipari környezetben kell hogy működjön, és ott sokkal magasabb zavarszint van megengedve, és ez ellen kell védeni az erre érzékeny (mint pl. ez is) berendezéseket. Tehát pont fordítva, nem az általa keltett zavarok kiszűrése az árnyékolás feladata, hanem a külső zavarok bejutásának megakadályozása. Laborban (asztalon) nincs jelentősége, ezért figyelmen kívül hagyható.
Szia! Látom nem olvastad el figyelmesen az írásom: " ...összeszedhet, ill. kiadhat...". Üdv.: Yoe
Nálunk egy frekiváltós motor simán megbolondított egy ph-mérőt. Földelés után minden rendbej ött.
Sziasztok!
Engem az érdekelne, hogy mivel lehetne ~0,1°-os pontossággal elfordulást mérni? A rotary encoder alkalmas erre?
Lehet, hogy túl vagytok már rajta, de íme: (a jobb alsó sarokban)
Hmm... próbáltam utánakeresni, hogy pontosan mennyibe kerülhet ez az alkatrész, de nem találtam semmit.
Egy amcsi cég oldalán viszont találtam egy másik márkájú, hasonló 3600 fokos enkódert, de azok 228$ (durván 50.000Ft) körül kezdődnek, úgyhogy ez felejtős. Hobbicélra ilyen ipari megoldás "nem igazán" éri meg. Valami más úton kell elindulnom. Kösz a választ, simpi!
Szia!
Inkrementális adó, vagy szögjeladó néven keresd, esetleg optikai enkoder. Én gyorsan kerestem egyet a google-vel, az alábbi inkrementális adó akár még meg is felelhet: Bővebben: Link 4-szeres kiértékeléssel 0,09° felbontást el lehet vele érni. Sajnos ezek a cuccok sosem voltak olcsóak.
"It is able to provide absolute angle detection upon power-up, with a resolution of 0.0879°(12 bits version) or 0.35° (10bits version), which is equivalent to 4096 and 1024 positions per revolution respectively. "
http://hu.rs-online.com/web/p/erzekelo-vegyes/7140234P/ A 10-bit-es: 5804 Ft+áfa+szállítás
Sziasztok!
Van két darab Heidenhain ROD 430 1024 01 típusú encoderem. Hogyan tudhatnám meg a legegyszerűbb módon, hogy üzemképesek-e, bontás nélkül? Előre is köszi!
A legegyszerűbb mód egy tárolós szkóp lenne, kérdés az, hogy van-e DSO-d. Ha nincs akkor sem kell lemondani róla, mert például egy számláló segítségével is meg lehet vizsgálni, hogy adja-e az impulzusokat. Arra kell figyelni, hogy az általad említett típus HTL jelszintekkel működik, ennek megfelelően a feldolgozó elektronikának is képesnek kell lennie elviselni a 10-30 V jelszinteket. Az alábbi linken megtalálod a katalógust, amiben a bekötés és a jelszintek is szerepelnek, sőt ajánlott kapcsolás is van a feldolgozó elektronikához.
Hali!
Arra a triviális megoldásra nem is gondoltál, hogy a vizsgált tengelyre 1:10 arányú fogaskerékkel egy másik tengelyt teszel, és arra a 360 fokosat? Ekkor csak az áttétel holtjátéka okoz némi pontatlanságot, ami szvsz nagyon kicsi. És olcsóbb.
Sziasztok!
Kaptam egy szétbarmolt encoder-ű Orion HT-550-es 5.1 "csodát" (TDA2030-as végfokok, igazi (rém)álom egy házimozi cuccba...). Rajzot sehol sem találok róla, az encoder-re egy betű nem sok, annyi sincs írva. Az lenne a kérdésem, hogy hogyan tudom beazonosítani, milyen típus is ez? 11 db álló érintkezőt számoltam össze benne, és 4 forgó érintkezőt. A kép talán segít. A bal oldali 5 "pálcika" a bal oldali lábhoz tartozik, a jobb oldali 5 a jobb oldali lábhoz, az alsó széles érintkező pedig a középső lábhoz. 12 és 24 "PPR"-eseket (PPR=Pulse Per Rotation ???) látok olcsón a HQ Videonál, remélem ez 12-es vagy 24-es lesz , nem szeretnék sokat költeni rá, mert borzasztó az egész, ráadásul az állapota is. Ha esetleg más PPR értékűt teszek be, gondolom működne vele, csak gyorsabban/lassabban kellene forgatni, vagy tévedek? Köszönöm előre is!
Ez egy sima mechanikai encoder.
Ránézésre a 24-esre hasonlít. Viszont az a nem mindegy, hogy a két 'bit' lábon az impulzusokat hogy kezeli. |
Bejelentkezés
Hirdetés |





, nem szeretnék sokat költeni rá, mert borzasztó az egész, ráadásul az állapota is. 





