Fórum témák
» Több friss téma |
Én annak idején találtam jót. Beteszem neked ide tömörítve.
Nézd meg. Nagyon jó.
Kérek egy kis segítséget: a KH56KM2 UO15 léptető motorról tudtok valamit? Az adatlapján 1,2 Volt 2,1 Amper szerepel.
Múltkor néztem én ezt. 1Nm-es lehet. A HobbiCNC-n árulták. Többet nem nagyon sikerült róla meg tudnom.
Ha 1 Nm körüli és ilyen kis feszültségű esetleg bipoláris kötésbe igaz az áram akkor az jó kis cucc.
Ne haragudj. Megkérhetnélek, hogy dobd átt a hozzászólásom a cnc-s topikba ?
Köszi, és még egyszer bocsánat.
Sziasztok. Napokban lessz nálam egy cnc maró és életet kéne lehelni bele. 100% ossan kész van már csak a programmal kéne foglalkozni. Es ez az a rész amihez én egyán talán nem értek.
Hát két nap alatt nem fogsz mindent megtanulni. Kéne egy felületmodelező cad, egy marópálya készítő cam, és némi ismeret a mach3-hoz. De állj neki, és menni fog.
Addig lessz nálam a cnc ameddig meg nem tanulok vele dolgozni rendessen. Tudnál ajánlani pár progit ?
Unipoláris, pont a nyomatéka hiányzik
Köszi, én is 1Nm-re saccoltam. Megveszem aztán meglátom.
EdgeCam, SolidEdge, SolidWorks, MasterCam, artcam
Ezek azért fizetős progik.
Van valakinek tapasztalata, hogy USB-párhuzamos átalakító kábelt mennyire szereti a mach3 és a kínai vezérlő kombó? Vagy inkább vegyek pcmcia-t?
Nem szereti. Spéci kártyát csinálnak hozzá a hobbycnc oldalon keress rá.
Úgy nézem a hobbycnc.hu oldal megszűnt.
Nem a fórumról beszélek, mert annak nem sok köze van a www.hobbycnc.hu oldalhoz, az viszont nem elérhető. Úgy látom Magi Istvánnak az RC repülők felé fordult a figyelme és lejárt adomain név regisztrációja.
Hát 25-öt nem ér az biztos.
Szeretnék összehozni egy főorsó motor fordulatszám stabilizátort.
Van egy DC motorom 21V-os. Mit javasoltok? Hogy kezdjek neki? A kicsi gépemhez szeretnék egy kicsi motort összehozni.
Két lehetőséged van: A motor "hátsó" végére tacho és analóg szabályozás, vagy külön tengelyként egy forgójeladóval, akár fázisszög szabályozással. Ezzel már azt is elérheted, hogy a szerszám mindig ugyanúgy álljon meg.
Kössz.
Hogy néz ki egy "tacho és analóg szabályozás"? Mit jelent az? Én erről még nem igen hallottam. Mondjuk ezt se tudom elképzelni milyen lehet. "külön tengelyként egy forgójeladóval, akár fázisszög szabályozással" Meg tennéd, hogy mesélsz róla? Esetleg rajz vagy leírás is jól jönne. Találtam a neten ilyeneket.: Bővebben: Link 1 Bővebben: Link 2 Bővebben: Link 3 Ilyesmikre gondolsz?
Ha tachogenerátorral kötöd össze, akkor mindig pontos fordulatszámjeled van, amit egy beállított alapjellel összehasonlítva lehetőség van egy nagyon pontos fordulatszám szabályozásra. A szabályozás keménységét, az erősítést természetesen a motorhoz és a terhelési viszonyokhoz kell megválasztani.
A forgójeladó esetén digitálisan értékelhető a motor forgómozgása, és ha van referenciapontja (általában van) akkor a pillanatnyi szöghelyzet is beállítható, vagy egyéb mozgásokkal szinkronizálható szervóhajtás hozható össze, mint például a menet esztergálás főorsóból, bár ez fél marék paraszthajszállal túl van a hobbykategórián
Még mindig nem lettem okosabb.
Azt már tudom, hogy a fázis szögessel nem kell foglalkozni.
Sziasztok. Tudja valaki ,hogy lehet perforált zártszelvényt kapni?
Szia, az analóg tacho generátoros szabályozás abban merül ki, hogy a motort, mint tachogenerátort is használod egyszerre. Működő állapotban a motort egy hídba kötve alkalmazod és a híd a működés fordulatszámára van kiegyenlítve. Ha megváltozik a fordulatszáma, akkor a híd egyensúlya megbomlik. És analóg módon beavatkozik. (Ezt a trükköt használják a CD motoroknál és magnómotoroknál is az egyenletes sebesség elérésére.) A forgó jeladós elég egyértelmű. A jelek másodpercenkénti száma alapján szabályozza a fordulatszámot.
Üdv.: Miki
Hello
Ez a tachogenerátoros megoldás nagyon jó lenne. Nincs esetleg valami rajzod amin el lehetne indulni? Esetleg egy jól működö cucc rajza? Kinéztem egy frankó mocit lehet meg kéne venni. 12-48V SPINDLE MOTOR az ebay-ről Ilyenhez akarok valamit össze dobni. És a hab a tortán az lenne, ha a Mach3 tudná a fordulatszámát automatikusan kezelni.
Tudja valaki, hogy 16 mm-es köszörült tengelyt hol lehet kapni kis tételben. Ramotainak van de a postaköltség többe van mint a tengely.
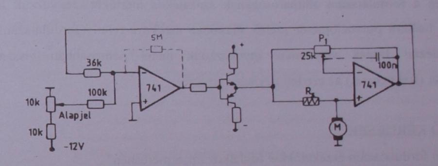
Szia csatolok egy kis elméletet és egy rajzot is. Bár ez kis teljesítményű mocihoz való. Ha megérted a lényeget, akkor nem nehéz megcsinálni nagyobb teljesítményre sem.
Üdv.: Miki |
Bejelentkezés
Hirdetés |










