Fórum témák
» Több friss téma |
Nem mész semmire azzal, ha 2V-nál vagy 2.55V-nál kapcsolod csak le. Addigra az akksidnak lőttek...
Nem piszkálsz, szívesen fogadom a véleményed.
![]() A lényeg a kis méret, a megbízhatóság, pontosság, és átláthatóság, csak közben ötletelek, hogy mi lehet vajon a megoldás.
Értettem, 2-1 ellen
, akkor már ezen is elkezdek agyalni.
Hogyan töltöd fel az akksit? Én akkor kapcsolnám vissza az RS-tárolót, amikor az akksira nagyobb feszültség kerül. Gondolom egy diódán keresztül menne a töltése, ha a dióda másik oldalán megjelenik a feszültség, akkor az állíthaná az RS-tárolót alaphelyzetbe.
Ezzel az IC-vel,(már fel is töltöttem vele, korábban), és a PDF első oldalán található kapcsolással.
Úgy működik, ahogy kell. 400mA-al tölt, majd a vége felé ez az áram lecsökken egészen 10 mA körülire.
Az IC fixen rajta lesz az áramkörön, és a megtáplálása jön kívülről, vagy az IC kimenetét kötöd rá töltéskor?
AZ IC fixen rajta lesz, az IC-nek a bemenő ága lesz megszakítva. azaz töltő csatlakozóval.Ha töltöm rádugom, ha nem töltöm leveszem, de az IC minvégig rajta lesz az akkun.
Akkor lehet oda kötni egy tranzisztoros kapcsolást: a betáp megy egy PNP tranzisztor emitterére, a bázis az akksira, a kollektorról meg lehet az RS-tároló állapotát visszaállítani. Amikor ráadod a töltést, az visszakapcsolja a kimenetet.
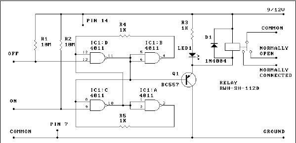
Gondolom akkor valami ilyesmire gondolsz/gondoltok, mint amit csatoltam.
Az OFFra megy a jel, ami 3V-nál bekapcsol, és mindaddig megkapja a shutdown a jelet, ezzel kikapcsolva a konverter, míg én jelet nem adok a töltés felcsatlakozással az ON lábra. Ezt ki is próbálom majd, a ki-be kapcsoló már korábbról kész van, kell egy 3V-os zener dióda, és akkor ugrik a majom a vízbe, ahogy szokták mondani. ![]() UI: Természetesen a relét, és lehet, hogy a tranyót is el lehet hagyni, de a relét biztosan.
Igen de a zeneres cucc akkor nem kell mert ha leáll biztonságosan akkor nem kell a 3.3V nál a figyelmeztető led.
De az a LED azért kell, hogy tudjam hamarosan lemerül.
Kínos lenne ha mindegyik telefon egyik pillanatról a másikra kikapcsolna, ezért még a legrégebbiekben van akku állapot visszajelző, hogy ki tudd számítani, meddig használhatod még. Ez is olyasmi lenne. A zeneres cucc, pedig nagyon kicsi helyet foglal, és kis költsége is van, szóval nem árt az oda. ![]() UI: esetleg nem tudtok egy olyan IC-t, amiben 2 db, 2 bemenetű kapu van? Kicsit meglepő, hogy én nem találtam, az még inkább, ha nincs is ilyen.
Nem tudom mire gondolsz , NAND kapura vagy rs tárolóra?
Neked cd4043/44 kelhet, igaz az 4db tároló, de nem láttam 2-est.
Szükségem lett volna olyan CMOS IC-re, amiben összesen 6 nand kapu található mindegyiknek 2 bemenettel, mert kell nekem 4 kapu a shutdown vezérléshez, és kell 2 a lámpa érintéssel való vezérléséhez, de akkor bepréselek 2 IC-t az én kis dobozkámba.
A shutdownhoz szerintem kettő is elég lesz... Kettő darab NAND kapu tökéletes RS-tárolót ad ki.
Olvasd el ezt.
![]() Ez a kapcsolás egyszerűen brilliáns. ![]() Ehhez 4 kaput kell felhasználni, + kettőt a lámpának. Viszont egy ic ben csak 4 kapu van.. :/
Max jövőhét szerdára kiderül, hogy működik-e a dolog.
Tehát az eredeti LBO kimenetet a LED-del meghagyom, ez 3,3V-nál kigyullad, hogy egyre merül az akku. Beépítem a zeneres cuccot, ami remélhetőleg 2,7Vnál(mivel 2,7V-os zenert találtam) a csatolt kapcsoláson lévő OFF pontra ad jelet. Ez mindvégig rákapcsol a shutdownra egy negatív jelet, amig az ON lábra nem adok egy pozitív jelet a töltéstől. Tehát OFFnál bekapcsolva kell maradni-a a kapcsolásnak, de ha nem, akkor kicserélem a tranyót PNP-ről NPN-re, vagy fordítva. Hirtelen nem tudom milyen az a BC557-es. Remélem siker lesz a végén. ![]() A töltés közvetlen az akkura kapcsolódik rá, és az kikapcsol magától.
Hello!
Ebben a kapcsolásban a visszacsatolás hiszterézist készít, ami a 4093-ban eleve benne van. Akkor a négy kapuból két RS tárat készíthetsz. A 4013-ban meg eleve benne van a két RS tár.. üdv! proli007
Annyira brilliáns, hogy pont kétszer annyi NAND kaput használ, mint amennyit kellene
![]() A Zenert továbbra sem értem, mikor az MCP1651 tartalmaz egy baromi jó komparátoros szintérzékelőt, csak két ellenállás kell hozzá, és oda állítod, ahova akarod, ráadásul aktív alacsony kimenettel rendelkezik, ami ideális a két NAND-kapus tároló aktív alacsony bemeneteihez.
Tessék: 2 NAND kapuval is megy az.
A két MCP IC környékét csak úgy kb. rajzoltam be, azt gondolom már kitaláltad, hogy pontosan hogy szeretnéd.
Köszönöm szépen a segítséged.
![]() ..de nekem elég, ha már 2 nand kapuval is működik az elmélet, így egy IC is elegendő lesz a kivitelezéshez. Zéneres cuccot pedig azért szeretnék, mert ahogy már írtam, mert szeretnék bele: 1. ami figyelmeztet, hogy a töltő akkuja hamarosan lemerül, 2. ami vezérli a mélykisülés elleni védelmet. Egyik az LBO kimenet, a másik pedig a zéneres cucc. A T4-es fet pedig fölösleges oda, mert mint írtam a mellékelt kapcsoláson, ha a TP5-öt összezárom a negatívval, akkor úgy kikapcsol, mint ha lekapcsoltam volna a LI-ion cellát, vagy mint ha egy toló kapcsolóval szétkapcsoltam volna az egészet. Tehát nem kell, hogy megszakítsa egy 2. fet a kimenetet, akkor is le lehet lőni a kimenetet úgy ahogy van, ha van rajta telefon stb.. A másik, hogy félek, a T2-n, és az R1-en elfog veszni az energia xy%-a. ..de a nand kapus bekötést kilopnál belőle, ha nem baj.
A töltő IC elé szerintem pedig nem is kell tranyó, mert ha annak a kimenetén állandóan rajta van a cella, az szerintem nem fog megjelenni a töltő IC bemenetén. Így a töltő IC bemenetével lehet vezérelni simán az RS tárolót. Tényleg, a lényeg a 2 nand kapus megoldás, és a shutdown vezérlése alacsony feszültségnél, majd úgy ahogy kitaláltad, a shutdown hatástalanítása töltéskor.
Ennél több nem kell. ![]() Összedobom az én elképzelésem is.
Nem kell mindig feltölteni ugyanazt a képet. Ha már egyszer fent van a szerveren, be tudod linkelni onnan is. Bővebben: Link Kettőt kattintasz a hsz. fejlécére, akkor az egész hozzászólást linkeled. Így nem foglalod feleslegesen a tárhelyet
"A T4-es fet pedig fölösleges oda, mert mint írtam a mellékelt kapcsoláson, ha a TP5-öt összezárom a negatívval, akkor úgy kikapcsol, mint ha lekapcsoltam volna a LI-ion cellát, vagy mint ha egy toló kapcsolóval szétkapcsoltam volna az egészet."
Nem, nem olyan! Csak a konverter áll meg. A liion cella rákötve marad a telefonra a tekercsen és a diódán keresztül.
Ez így igaz. De amikor a shutdown aktív, azaz összezárom a negatívval, mikor rajta van a kapcsoláson a telefon, és az akku is, akkor nem vesz fel áramot a cellából, így gondolom feszültséget sem.(csak az áramot néztem)
A T4 azért kell, mert nélküle lekapcsolás után 5V helyett nem 0V lesz a kimeneten, hanem ~2.5V. Amiből ha tovább fogyaszt bármi, akkor idővel elpusztul az akksid. Pár mA fogyasztás is sok lehet, ha sokáig úgy marad.
Nem látom akadályát, hogy berakjál egy Zeneres lámpát is, a figyelmeztetésre (a leállításra mindenképpen az LBO-t használnám, mivel az komparátoros, tehát sokkal pontosabb). Úgy kéne csinálni, hogy a SHUTDOWN jel aktív állapotában ne kapjon áramot a LED, hogy ne egye meg az akksit. A T2-n és az R1-en csak akkor folyik áram, ha töltőn van az áramköröd. Akkor is csak pár tíz uA...
Kezdem "kapisgálni".
![]() A nand kapu kimenete eredetileg pozitív jelet ad, ami nem hozza működésbe a shutdownt, de elkezdi vezetni a fet-et, ami zárja a kimeneti pont-ot, így energiához jut az arra rákapcsolt fogyasztó. Viszont ha az LBO kimenete beindítja a tárolót, az negatív kimenetet ad, ami működésbe hozza a shutdown-t, és nyitja a fetet, ami nyitja a kimeneti áramkört, így nem merülhet tovább az akku. Hát remélem, hogy a T4-es feten sem fog energia elveszni. Még egy kérdés: Mi célt szolgál a kapcsoláson a T1-T2 tranyó páros? Az úgy nem megfelelő, ha kihagyom őket, és csak a töltés tápjával "resetelem" a tárolót? Így amikor a töltés tápja eltűnik, a tároló addig lesz aktív, ameddig azt az LBO ki nem kapcsolja. A T4-es fetet beépítem az biztos, a nand kapukat is, de csak pókhálóban. Tranyók is vannak itthon. Hát erre kíváncsi leszek. A töltő IC-t pedig sikerült elfüstölnöm egy "kis" rövidzárban, a Li-ion lemerült, így a cellát 3db nimh-el fogom helyettesíteni. Idézet: „Mi célt szolgál a kapcsoláson a T1-T2 tranyó páros? Az úgy nem megfelelő, ha kihagyom őket, és csak a töltés tápjával "resetelem" a tárolót?” Amikor a bemeneten nagyobb feszültség van, mint az akksin (= töltünk), akkor alacsonyra húzza az egyik NAND bemenetet (ez állítja vissza a SHUTDOWN kimenetet magasra). Az NPN tranzisztor gyakorlatilag egy inverterként funkcionál (amikor van töltés, akkor lehúzzuk a bemenetet), ez kell, mivel a két NAND-kapus RS-tároló aktív alacsony bemenettel rendelkezik. A másik tranzisztor azt oldja meg, ha a töltő IC-n keresztül visszafelé is tud menni valamennyi áram (ez nekem nem nyilvánvaló a blokk sémából, ha belül egy sima P FET van, akkor az pl. alapból visszafelé diódaként viselkedik), akkor csak úgy nyisson az NPN tranzisztor, ha a töltőfeszültség magasabb, mint az akkufeszültség. A közvetlen rákötés azért sem menne, mivel az IC-t az akksiról kell táplálni, viszont egyik bemenetére sem szabad a tápnál magasabb feszültséget kötni. Persze egy ellenállásosztóval ez még megoldható lenne, de az invertálás nem. Lehet pl. egy Schottky-diódát rakni a bemenetre, és akkor tuti nem tud visszafelé folyni ott az áram, akkor a PNP tranzisztor elhagyható. Az IRLML2502 2A-nál max. 0.1V feszültségesést okoz (= max. 0.2W).
Alkatrészek beszerzése folyamatban.
![]() Kicsit kell játszadoznom az LBI feszosztójával, mert azokkal az ellenállás értékekkel, amik most vannak 3,3V-nál fog kikapcsolni, de én beállítom majd ezt az értéket 2,7-2,8V-ra. Szerencse, hogy erre felfigyeltem.. :$ ![]() UI: Megtudjátok nekem mondani mellesleg, hogy mi az a hőfok, amit még el tud viselni egy Li-ion cella? Jelenleg egy 10A-es, 73fokos hőbiztit rögzítettem a cellára, mert kisebb értékűt celsius fokban nem találtam.. Jó lenne 40-50 fokos is szerintem.. és 1-2 amperes. Keresek én, csak hogy mégis milyen fokosra szűkítsem a kört. Nem lenne jó, ha a táskámban szétolvadna az egész, de mindenképp lesz egy kb. 3 A-es bizti közvetlen a li-ion cella után. Köszi Tomi Idézet: „ha a táskámban szétolvadna az egész,” Ez sosem fog tudni megtörténni. Hogy megnyugtassalak, a lítium tartalmú akksik spontán öngyulladni vagy felrobbanni szoktak ![]() Szerintem én rajzoltam be ellenállás értékeket mind az LBI-hez (valami 2.95V körüli értékkel), mind a kimenethez (oda 5.04V-et számoltam, a kimeneten levő FET-tel együtt ez kb. 4.95-5V lesz), és azok az értékek meglehetősen standard értékek lettek. |
Bejelentkezés
Hirdetés |
















