Fórum témák
» Több friss téma |
Fórum » Inverteres hegesztőtrafó
Hello
Az első kérdésre a válasz engem is gondolkodóba ejtett.Mint utólag kiderült az áramszabályzó poti fordítva volt bekötve,így max állásban volt a gép.Csak nem tudom ez jelent-e valamit,mivel nem heggesztettem még,rögtön a bekapcsoláskor pukk volt.A másik kérdésre megint érdekes a válasz Az első nekifutáskor külön panelra építettem meg a kiegészítő áramkört.Akkor azt javasoltátok ,hogy először e nélkül teszteljem(jük) a gépet.Ha kész a vezérlés meg taljasítmény panel igbt-k és hfa diódák nélkül feszültséget mérnék a zénereken
Üdv!
Van-e valakinek 3 fázisra invertere, olyan macis? Helytelen-e az az ötlet, miszerint egy vezérlés két végfok, de külön fázisról és ez párhuzamosítva? Egyik ismerősön állt elő ezzel kérdéssel, hogy valami 200 A-s gépre lenne szüksége (ill. szeretné huzamosabban használni- sokat lakatoskodik), vagy 3 fázisra vagy a fenti ötletem szerint- ,mert hogy csak 16 A-os (3x) biztije van.
Nem kell kis méretűnek lennie a hegesztőnek. 2-2 IGBT-vel gondoltam. Vagy tegyek 3-3db-ot? A maci igbt meghajtóáramkörével mennyi igbt-t lehetne meghajtani?
Lehet akár négyet is belerakni.
Nem kell ezt bonyolítani.A három fázist egyenírányitani,kijön a + -,és onnantól ugyan az a többi része,csak nagyobb teljesítmény kell a végére.
3 fázisú inverter
Azért azt tegyétek hozzá,hogy nem 310V DC hanem 560V DC lesz.Ehhez már kellenek az 1200V IGBT és a főtrafót is át kell méretezni,szerintem,de javítsatok ki,ha tévedek.
Igen ahogy írtad.De ez csak számolás kérdése.Szerintem elég a 900V IGBt is bele.
A hozzászólás módosítva: Szept 25, 2012
"Szerintem elég a 900V IGBt is bele." Nem elég. A tápfesz csúcsértékének a kétszerese kell minimum. Tehát az 1200V-os kell bele.
Köszönöm a válaszokat!
![]() ,de ezek szerint akkor lehet bőven matekolni, (és persze kísérletezni!) ![]() - bivalyabb főtrafó kell... - a "bonyolítást" félretéve, az ötletem járható-e avagy sem? - tulajdonképpen 3 db macit (fázisonként 1-1) párhuzamosíthatok-e? (nos... vagy "hármas potira" vagy egy vezérlésre gondoltam)
Hogy Te miket ki nem gondolsz?!
Miért ne lehetne,mondjuk 3x230V AC betáp,tehát 3 Maci egy vezérléssel,3 áramváltó közös kimenettel,a teljesítmény kimenetek (szekunder oldal) diódákkal közösítve,de ez már nem Maci hanem Medve lenne. ![]() Igen az lenne a cél nagy-nagy medve! -csak hát a korlát 16A!, de van 3x16A... - ja és már dicsértem, de nekem a maci egyszerűségében van a nagyszerűsége... -,ha jól gondolom, akkor a kiegészítő/extra funkciók is megtarhatóak?
Van egy energi130 hegesztőm ami oldalára dőlt és a burkolat vélhetően bevezette a 300v-ot a relé lábán! Már java részét kicseréltem,de sajnos LDC1002 hibriden a TDA1060 is úgynézki meg halt! Esetleg volna értelme PIC-t programozni a vezérlés megoldására, mert az van itthon, és a programot meg tudnám írni, + szeretném awi-ra is meg barkácsolni! Tehát segítene valaki ebben a dologban?
Amiben segítség kellene hogyan oldjam meg az áram figyelést, hogy van awinál az ívgyujtás meg oldva?
Megtarthatók az extra funkciók,mért is ne.Nekem is 3x16A van.
Az AWI gyújtás létezik "koppintós" (persze elavult) és nagy frekvenciás (hamarabb átüt/áthúz mielőtt az elektróda az anyaghoz érhetne)
Szerintem nem csak program írás- kell működési elv ismeret stb... - volt már fórum téma.
Nos, akkor a témán agyalok tovább... - kaptam bátorító hozzászólást.
Nem igazán illik ilyesmit csinálni. A háromfázisú fesz.rendszert nem szabad terhelni úgy, hogy a nullavezetőn folyik áram. Márpedig, itt folyna, hiszen három Maci menne róla, egy-egy fázisonként.
Jó az, hogy mondjuk egy háromfázisú graetz-cel egyenirányítjuk a betápot, akkor lesz 600 V körüli fesz, aztán mehet róla egy Maci, csak nagyfesz IGBT-k kellenek bele, meg másmilyen trafó. A frekivel gondok lesznek, mert az 1200 V-os IGBT-k azért nem olyan gyorsak. De ha menne 25 kHz-en, az is nagyon jó lehetne. Persze, ez már egy sokkal nagyobb teljesítményű, meg hát nagyobb méretű gép lenne. Működésre nagyjából ugyanaz, csak némi védelem kell bele, ha kiesik egy fázis, akkor kapcsoljon le, meg ilyesmik. Kiválóan lehetne vele vasúti sínt hegeszteni... A hozzászólás módosítva: Szept 25, 2012
Csak egy kis pontosítás:
Háztartásokban is van három fázis, mégsem törekednek arra a lakók, hogy fázisonként egyenlő terhelés legyen. Erre van a nullavezető, kiegyenlítő szerepet játszik. Viszont, ha a három "Maci" azonos módon terheli a fázisokat, akkor a nullavezető elhagyható. Ebben csak az a buktató, hogy egy Maci kiesésekor a másik kettőre több feszültség jut, tehát a nulla használata ajánlott. Villanymotoroknál nem szokás nullavezetőt használni, mert ott a tekercselés némi közelítéssel szimmetrikus, de ennek ellenére van védelmi eszköz előttük.
Üdv!
Ha jól értem, akkor köthetem a három végfokot akár csillagba -akár deltába, de leginkább csillagba és a csillagpont pedig a nullavezető. A három maci is mondható közel azonos terhelésnek, hiszen teljesen egyforma a felépítés, a vezérlés pedig egy. A legfontosabb kérdés az volt, hogy járható út-e az ötlet? , de ha valaki tudna 3 fázisú gép rajzát(rajzait) feltenni abból sokmindent ki lehetne silabizálni.
Azért mindjárt az elején van megoldandó probléma a közös kimenetű áramváltó miatt. Bár lehet natúr is életképes a dolog, de ez esetben az egyik áramszabályozás (a nagyobb jelű) határozza meg a többit is. Valahogy a szinkront kellene létrehozni. Na, ilyenkor kiváltképp szükséges a jóval tapasztaltabbak tudása, hogy ez csak elméleti síkon nagy probléma vagy a gyakorlatban el hanyagolható lévén, hogy a három végfok szinte 100%-ban egyforma is lehet akár.
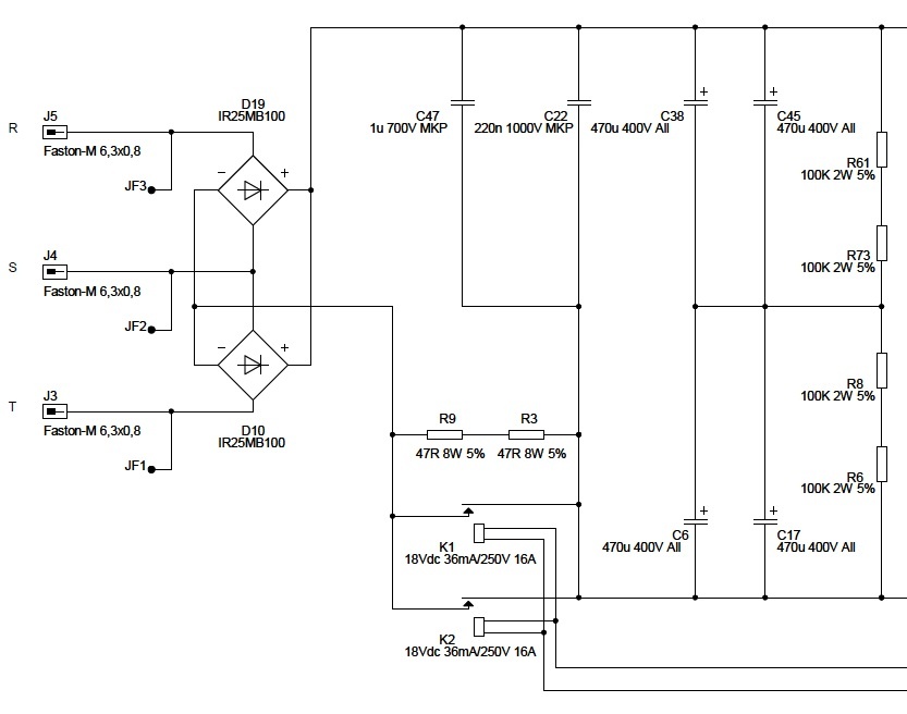
![]() ![]() Egy gyári 3 fázisú inverter rajza talán adhatna választ a problémára és a megvalósíthatóságra is.
Ne keverjétek a három fázist az egyenárammal! Az hegesztőinverterek előtt és után is egyenfeszültséggel dolgozunk, bármiből is egyenirányítottuk. A csillag-delta innentől kezdve értelmezhetetlen. A kimeneteket lehet sorba és párhuzamosan is kötni. Soros kötésnél megnő az egyenirányítás vesztesége, de az áramfigyelés egységes lesz. Párhuzamos kötésnél az együttfutás nehezen biztosítható. Ha nem is kell éppen szinkronizálni, de a feszültségesést össze kell hangolni.
A fentiekhez:
- egyáltalán az áram figyelést a főtrafó előtt kell vagy lehet utánna is, azaz ez esetben a közösített kimenetet. Amennyiben a közösített kimenet figyelése elegendő, akkor egyszerűvé válik a helyzet (persze tudom, hogy más lesz a visszacsatolás)!
Mondjuk lehet jobb lenne 3*400V-os betáp, hogy nulla ne kelljen. Sok esetben nem találni 5 vezetős 3 fázisú csatlakozási lehetőséget, inkább csak 4 pólusút (3f+föld). Ebben az esetben megint 1200V-os igbt-k kellenénk. Kicsit későn csatlakoztam be.
A hozzászólás módosítva: Szept 26, 2012
Helló
Én csak halkan jegyzem meg,mivel nem vagyok jártas a dologban.Ha 3x 240 voltban gondolkodsz akkor jó bika nulla kábel kell a betápra is.A fázisokon befolyó áram a nullán folyik vissza mind a 3.Meg amúgy is ha a 400 voltot használod akkor durván 1 harmaddal kisebb áram folyik a betápon,ergó ennyivel nagyobb gépben gondolkozhatsz.Mondjuk egy hajógyár részére
Ha egyenlő a terhelés fázisonként, akkor a nullavezetőn éppen nulla amper fog folyni. Nézz meg bármilyen háromfázisú kábelt, minden ér egyenlő keresztmetszetű. Sőt, a nagyobb motorokhoz eleve nem is kell a nullát elvezetni.
Én is erre gondoltam.
|
Bejelentkezés
Hirdetés |




Az első nekifutáskor külön panelra építettem meg a kiegészítő áramkört.Akkor azt javasoltátok ,hogy először e nélkül teszteljem(jük) a gépet.Ha kész a vezérlés meg taljasítmény panel igbt-k és hfa diódák nélkül feszültséget mérnék a zénereken




Miért ne lehetne,mondjuk 3x230V AC betáp,tehát 3 Maci egy vezérléssel,3 áramváltó közös kimenettel,a teljesítmény kimenetek (szekunder oldal) diódákkal közösítve,de ez már nem Maci hanem Medve lenne.

