Fórum témák
» Több friss téma |
Gyújtótrafó nem oda való, az max a villanyparaszt elvűhöz jó.
Sorkimenővel nem próbálkoztam, de szerintem az sem lesz az igazi ide. Valami olyan kell, amire vihetsz 230V/50Hz-et, a kimenetén meg van olyan 900V körül. Teljesítményben is jó lenne eltalálni, ezért nem egyszerű. Nekem sikerült venni régebben elektronika hibás Nieleline rovarölőket piacon, azokban jó volt a trafó rész, csak a világítást kellett megoldani. 1-2e Ft-ért meg lehet boltolni. Akkor megoldott a ház korrekt kivitele is, amúgy csak a mókolás van. (rács, szigetelt ház,érintésvédelem, stb) Esetleg ionizátor trafóját tudom még elképzelni, az bírja az ilyen üzemódot.
Mikró sütő trafója esetleg jó lehet ? Az van itthon .
Megnéztem a gyári trafóját: 3,5kV/5mA
Ilyen kell bele.
Sziasztok, én megépítettem a csatolt képen látható kapcsolást de túl hangos. A cikk szerint halk morgó hangot ad a vasmag. Ez inkább hangos kattogó. Fesz az van rendesen, kb.másfél cm-ig átüt. Többféle TV sorkimenővel is kipróbálva működik de hangos. A vasmagot összehúztam rendesen. Jah az (a) képen látható kapcsolás lett megépítve. Hasonlít az elve a CDI gyújtások elvéhez.
Nah mindjárt készítek én nektek olyan KV-ot használó megoldást, hogy csak na.
![]() Egyszerű, és nagyszerű, csak elkészítem a kapcs. rajzot.
Egyébként már jó párszor kitakarítottuk a "spejzet", mindent kidobáltunk, és külön-külön tisztogatás után raktunk vissza mindent, de a molylepkéktől nem tudunk szabadulni, ezért én is gondoltam erre a rovarölőre.
Elég 4 db SMD led, szuperfényes, fehér, 100 valahány fokba bevilágító, és az úgy jó is lesz, (esetleg egy piciny 230-as "varrógépizzó" is megteszi)mert a kültéri fénycsöveknél, bármilyen reklámtábla világításnál, az összes bogár ott szokott repkedni, és ott nincs semmilyen csili-vili rovarölő, meg mittudomén milyen fénycső.. -.- .Nem is tudtam, hogy ezek a kínai csodák 230-al működnek, nagyon meglepődtem. Pár kV-ra gondoltam, persze elenyésző áramerősséggel. ...de lássuk csak az elképzelésem is. A trafó lehet pár VA-es, ide nem kellenek amperok, és így már kijöhet a projekt pár ezresből, de elméleti szinten működhet.Vélemény? A hozzászólás módosítva: Szept 11, 2012
Az is igaz, hogy nem kell nekik egyenáram, ne válogassanak..
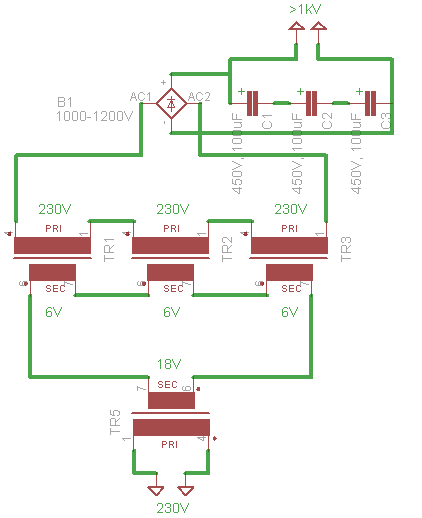
![]() Lehet még 4 trafó is, és az már több, mint 900V. ![]() Lomexnél kb 500Ft/trafó, azaz 2 ezerből megvan, és tudja az ember, hogy nem az első napokban működik csak. Ha bontott trafókról van szó, az úgy még olcsóbb is lehet, mint maga a gyári rovarölő. A hozzászólás módosítva: Szept 11, 2012
Először én is valami fénycsőgyújtós megoldásra gondoltam fojtótrafóval, de az "csak" 500-600V-tal működik..
Idézet: „Lehet még 4 trafó is, és az már több, mint 900V. Lomexnél kb 500Ft/trafó, azaz 2 ezerből megvan,” Na meg az ötödik még, ami így egy 24V-os. Nagy csövesekben kV-ok vannak, nem sokszorozós. Működik is rendesen. Üdv Inhouse Idézet: „Jó ez úgy ahogy van, pár W os legyen a kistrafók, de az egyen nem kell a végére, csak úgy póriasan a ~ fesz .” Építettem én is egyet TV sortrafóval, valahol itt van a rajz. Húzta is az ívet, akár 1cm-t is, ha 2 vezetékvég volt közel rakva. Viszont a rácsra rákötve gyenge volt. Arra jutottunk, hogy a kondi a végén sokat dob rajta, ahhoz meg kell az egyenirányítás. Na ez az ami nem egyszerű kV-oknál.... Üdv Inhouse
Nem próbáltam még, de greatzeket nem lehet sorba kötni, így megnövelni a feszültséget?
Én kukáztam egy gyári rovarcsapdát. Sima diódás feszültségsokszorozó van benne, csak 3 db dióda, és semmi trafó. 1 kondi volt benne zárlatos, ezért tették ki. Miután megjavítottam, kipróbáltam, egyből megöli a legyeket, de a szúnyogokat nem érdekli a fénye. A lámpája természetesen hibátlan volt. Azután itt porosodott évekig, mert nálunk mindenhol szúnyogháló van, most vett a fiam egy családi házat, elvitte oda, remélem ő hasznát veszi. Ti miféle trafókról meg graetzekről írogattok? Még sosem hallottatok diódás feszültség sokszorozókról? A gyári rovarölő nem tartalmaz transzformátort.
Mondjuk ennek a hátránya az hogy rajta van a fázis, de van kívül egy műanyag rács a fém hálókon kívül, hogy ne lehessen hozzáérni.
Idézet: „A gyári rovarölő nem tartalmaz transzformátort” Ez nem igaz. Azok a kerek alap cuccok nem. Az "aktatáska" alakúak igen. Sokkal hatékonyabbak... Üdv Inhouse
Az összes nagyobb méretű, komolyabb rovarölő lámpa nagyfesz trafóval csinálja a rácsra a nagyfeszt. Csak kicsit kellett volna visszaolvasni, ha nem fájna annyira, mielőtt kioktatod a társaságot. Én egy ilyen rovarcsapda trafót meg is néztem az adatai miatt. (3,5kV)
Ebben tuti trafó van, nem sokszorozó. A sokszorozós kevés a molylepkékhez, az csak szúnyog/légy fronton jó. Az általad említett nem kék izzóval világít? Arra nem mennek a szúnyogok, nem ér semmit. Olyat kell venni/csinálni, amiben UVA fénycső van. (a belinkeltben 2db 8w-os UVA cső figyel) A kicsi kör alakúakban (sokszorozósok) is van UVA csöves, azok 4W csővel vannak szerelve. A hozzászólás módosítva: Szept 17, 2012
Sziasztok.
Remélem jó topikba írok: Van egy "Pest Reject" nevü "csodabigyóm" ami beadta az unalmast, és nem akar működni. Szétkaptam és a biztosítékot kicseréltem benne, mert megszakadt, de semmi javulás és látszatra nem ment gajra semmi. A diódák is jók, kimértem őket. Képeket teszek föl, hátha jobban átlátjátok. Az IC-re nincs semmi írva. A NYÁK-on látható javítást én forrasztottam, egy biztosíték foglalatot tettem bel. Köszönöm.
A biztosíték valószínűleg zárlat miatt égett ki. A képen megjelöltem két ellenállást. Úgy tűnik valamelyik tönkrement, kövesd vissza, hova vezet.
Az ilyen elektronikákban általában valamelyik Tranzisztor szokott zárlatos lenni, ezeket is megjelöltem. Egyszerű műszerrel is kimérhető a tranzisztor (fet) zárlata. Továbbá, az sincs kizárva, hogy a zárlat vitte magával az IC-t is.
Az igazi rovar ölő letakarítja a rácsot. 2x20W fénycső A nagy fesz 2x5Kv. Az ipari olaj vagy pakurás kazánok gyújtására szolgál. A védelem módja elkerítés (vasháló) védőföldelés. A fénycső ha világit este már vonzza a bogarakat. A nagyobb testű bogarak hosszabb hanghatás és büdösség kíséretében száradnak égnek és le esnek a rácsról. hátránya a magas energia számla. Zárt helyre nem ajánlott a szag miatt se.
Az ellenállásokat néztem, de ami látszik rajta az a ragasztó, talán azért más színű mint a többi mert megégett?
Megpróbálom kicserélni és megírom az eredményt. Köszi.
Ha ragasztó van rajta, akkor nem biztos, hogy megégett, a képről úgy tűnt. A tranzisztorokat nézegesd elsősorban.
Az említett ellenállásokat kicseréltem a nagyobbik 680 Ohmosat egy 470 Ohmos 1 Wattosra és amikor bekapcsoltam el is füstölt.
Berajzoltam, hogy hova megy, és a 230v-os kondiról jön ( a nagy sárga).
Sziasztok. Van egy 1N4733a zéner dióda a panelon, kiszedtem és mindkét irányba zárlatot mutat/sípol a műszer, dióda állásban. Ez nem jó ugye?
Esetleg mivel lehetne kiváltani? Köszönöm előre is.
Szia. Lecseréltem egy ZPD 5,1 zénerrel, de ugyan az a hiba, elfüstöl a képen jelölt 470 Ohmos ellenállás.
a nagyobbik. Ja, és miért nem kapok egy ideje értesítéseket, pedig be van jelölve az "értesítést kérek..." opció. Eddig jöttek rendesen, pedig semmit nem állítottam el, csak az email címemet változtattam meg, gondoltam hátha akkor jó lesz. A hozzászólás módosítva: Okt 4, 2012
A többi diódát megvizsgáltam, (kiforrasztva) azok jók, a LEDek is, kondik is legalábbis nem púposak.
Egy hasonlót javítottam (volna) abban a tekercs is megadta magát.Az IC speciális volt,így hagytam az egészet.
Valószínű én is feladom, nem kísérletezek vele tovább.
Köszönöm a segítségeteket.
A régebbi kerek cuccok közt is volt olyan, ami trafós volt. A képen látható trafó egy ilyenből lett bontva. 380V a szekundere. Átalakítva fesz duplázóval 1 kV egyenre tölt fel. A csőre pedig kompakt lámpa elektronikát teszek. *
A hozzászólás módosítva: Aug 16, 2013
Hát trafónak trafó, de ez inkább életvédelmi szempontból került beépítésre, hiszen igen csekély az áttétele. A komolyakban nagyfeszültségű transzformátor van, több (tíz) kV jön ki belőle.
1 éven belül volt! Idézet: „1 éven belül volt!” És ha valaki most olvassa? - Én legalábbis, ha rátalálok egy engem érdeklő fórumra, akkor igyekszem elejétől elolvasni és több nézőpontból is megvizsgálni a dolgokat. Végül is, ez a fórum lényege és ereje. Amúgy a kilovoltokat illetően igazad van. Kisérleteztem vele, 600V egyenfesz a lecsapott és rádobott legyet (magától nem ment) már szikrázás közepette megsütötte, viszont a darázs ha rárepült, akkor csak lelassult, megmerevedett, de nem döglött meg, esetleg leszédült a rácsról és ott vergődött. |
Bejelentkezés
Hirdetés |






ezresből, de elméleti szinten működhet.






