Fórum témák
» Több friss téma |
Fórum » Inverteres hegesztőtrafó
Sok féle oka lehet a problémádnak! Pl. ha a drosselt nem jó helyre kötötted! Ilyenkor csak szikrázik de nem tudsz ívet fogni!
Ezért is jó lenne látni melyik áramkör alapján építetted meg a géped!
A maci van megcsinálva, és később lett hozzárakva a kiegészítő nyák. A kiegészítés át lett picit alakítva, mert nekem a fojtó a negatív ágban van, így a két optós részt függetlenné tettem. Már régóta üzemelt, csak valami okból kiment az egyik dióda a vezérlésnél, amit írtam is. Ha már szét volt szedve, akkor megnéztem, hogy miért nem megy a leragadásvédelem.
Összerakás után jött elő ez a jelenség, majd el is szállt az összes IGBT, amit nem értek miért.
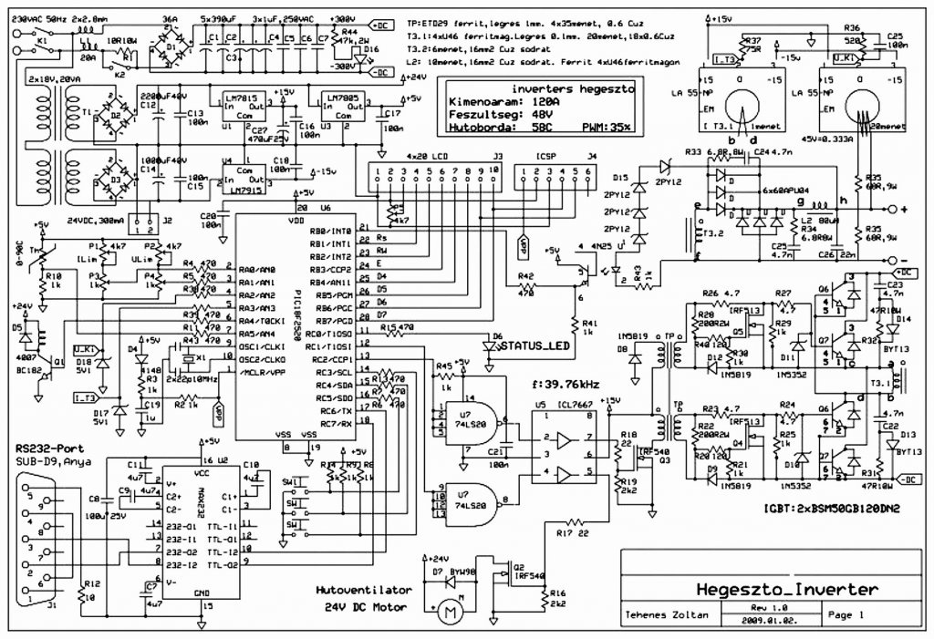
Szia! Megkérdezhetem, hogy a Tehenes Zoltán féle pic-es gépnek álltál neki, ami szerepelt anno itt a fórumon?
Igen annak.De már jönnek a gondok.Úgy emlékeztem hogy van itthon 4x20 kijelzőm,de 4x16 van,na mindegy ráraktam,de csak egy karakternél villog egy vizszintes vonal.Szerintem valaminek lenni kéne ha nem is férne ki a szöveg.A potikat még berakom,hátha kell neki a bemenet.
A leragadás védelmed az amit gábor tett közzé? külön áramkör! Vagy az amiben benne van a hotstart, arcforce, antisticking? Nagyon nem mindegy! Ennél az áramkörnél a drossel a pozitív ágban kell, hogy legyen különben nem is működhet a leragadásvédelmed!
A hozzászólás módosítva: Szept 30, 2012
Ha jól emlékezem, anno nem is a tervező/készítő tette itt közzé a fórumon, hanem valaki linkelte a "Ki mit építettből" . Nem tudom, hogy valamiféle segítséget lehet-e a készítőtől szerezni, vagy mindent önerőből kell megoldani. (Ami nem rossz sport, de sajnos a pic-ekhez ilyen szinten én még hü.e vagyok.)
Na úgy néz ki hogy a 4x16 kijelző megzavarja a pic et.Levettem róla,megy a lágy indítás,és a fet meghajtás.A kitöltés,Kb 2-5% lék,szóppal nézve.Most már csak a kijelző tipusát kéne kitalálni.Sajnos a szerző nem ad támogatást,már próbáltuk.Így marad az önerő,ami kezdödik a kijelző tipusával.Valakinek ötlete?
A PIC-hez én sem nagyon értek, de akkor vagy kell venned 4x20-as kijelzőt, vagy megkérni egy hozzáértőt hogy írja át a programot a 4x16-oshoz.
Azt hiszem maradok a vételnél,nincs ismerősöm aki átírná.
Az LCD-től nem hülyülhet csak úgy meg... Két variáció jut az eszembe:
1.: Rosszul van bekötve az LCD, bár azt nem tudom, hogy saját panelen van-e, vagy volt a kapcsoláshoz mellékelve. Így valahol zárlatot eredményezhet. 2.: Az LCD háttérvilágítása nagyon megrángatja a PIC tápját. Mindkét esetre igaz lehet (megjegyezném, nem vagyok benne a PIC-ekben, csak r kitka olvasás szinten, így majd kijavítást kérek, ha tévednék ), hogy az alacsony feszültségre bekapcsoló reset aktív, nem tudom hirtelen, ezt hogy nevezik mikrocsipék. Mintha ezt egyes példányoknál lehetne külön kapcsolni, míg valamelyiknél már a beégetett kód tartalmazza ennek állapotát. Részemről ennyi, simpi majd kiigazít, Ő jobban ismeri nálam a PIC-eket...
Nem volt a háttérvilágítás bekötve,és semmi nem rángatja a tápfeszt ezt mértem.Az MCLR lábon ott van az alacsony fesz reset.A panelt én terveztem,nincs hozzá csak egy kapcsolási rajz,de az teljes.Átnézem az lcd adatlapját hátha benéztem valamit,vagy rossz az lcd.
Idézet: „Az MCLR lábon ott van az alacsony fesz reset.” Ez mit takar? Egy kapcsolást tudsz nekem linkelni?
Itt a rajz.Közben megnéztem,a 4y16-4x20 bekötése ugyan az,csak a vezérlő ic je más tipus.A16 nak,KSo070,a 20 as KSo063.
Bár nem dara vagyok, de azt hiszem én is tudok neked rajzot linkelni.
Amúgy igen alap C tudásommal nézve a programban a BOR be van kapcsolva, és 2.0V a kapcsolási érték. Remélem a PIC-es inverteres alkotója nem orrol meg ránk a gyártmánya itteni szereplésén.. mod. dara beelőzött... A hozzászólás módosítva: Okt 1, 2012
Passzolom a MCLR lábon lévő alkatrészek funkcióját. R3 és C19 egy késleltetett indítást ad az IC-nek, eddig oké. Viszont, hogy D4-re és R2-re miért van szükség, azt nem tudnám megmondani. Számomra feleslegesnek tűnnek oda, bár biztos volt valami oka a tervezőnek, hogy odatette azokat az alkatrészeket.
dara: Ezek az LCD-k már eléggé szabványosan készülnek, noha a vezérlők eltérőek, általános felhasználás céljából nagyjából egy kaptafára készülnek, mint bekötés, parancsok. A karakterek címe szokott eltérni hébe-hóba, de például simán előfordulhat az a szituáció, hogy egy pl 4x20-as kijelzőre írt program "gond nélkül" megy egy 4x16-oson, csak nem látszik az utolsó négy oszlop, ha használatban volt, de lehet, össze- vissza látszódnak a karakterek.
Igen én is erre gondoltam mikor azt mondtam hogy valamit azért látnom kellene a kijelzőn.Akkor marad az hogy rossz.
Ráraktam egy 2x16 azzal sem csinál semmit.Mondtam hogy ha rajta van az lcd nem indul el a program?Ha lehuzom akkor megy.
Egy feszültségmérés az LCD csatlakozóján LCD nélkül jól jönne majd. Ilyet akkor csinált nekem áramkör, mikor az LCD-nek fordítva adtam a tápot a próbapanelon...
Az lcd + - jo,kontrasztot tudom állítani.Lehuztam az lcd és rámértem a kimenetekre.Rs,Rw,E,2.2V,D4,D5,D7,0V,D6tápon.D4 is volt 2.2Volt,de Rs re rámérve elindult a program,és O volt lett.Nem lehet hogy a sorrend fel van cserélve?Nem nálam hanem a rajzon.D4 is rajta a 2.2V.
A hozzászólás módosítva: Okt 1, 2012
Akimenetek sürün változnak.Most a D6-D7 is tápfesz van,a D4 megint OV.
Az 1-es láb körüli alkatrészekre az ICSP csatlakozó miatt van szükség, ezzel valósítják meg az áramkörben való programozás lehetőségét. Nem kell kivenni (kiforrasztani) a PIC-et a programozáshoz.
Simpi ötlete nyerő lehet, bár azt sem tudom, milyen megfontolásból van használva az R/W láb... Talán a program a busy flag figyelésével időzít, nem pedig meghatározott időzítésekkel, arra alapozva, hogy több LCD-hez használható legyen?! Ha R/W magas, akkor az LCD lábai elvileg kimenetek lesznek, ezek összeakadhatnak a PIC-kel, ha nem helyes a program működése. Bár ezt kihagynám, elvileg egy működőképes gépről van szó.
Írtam privit fet meghajtó trafó ügyben.
Üdv!
Csak laikus kérdést tennék fel: mivel tud tud többet ez a pic-es gép a macitól? ,- ha valaki összehúzná a szemöldökét, akkor csak költöi volt a kérdés... (én úgy látom..., hogy az uc3845 helyett van csak a pic:crazy
Lényegében egy IC-vel kiváltható a gyengeáramú rész logikája. Itt nem pusztán a csupasz meghajtást értem, hanem a kiegészítő extrákat, védelmeket.
Ez rendben is lenne ha a PIC valóban ki lenne használva. De azért megvenni meg programozgatni hogy kiváltsunk vele egy 90Ft os pwm vezérlőt meg egy-két 25Ft-os 555-öt, hát nem tudom...
De ha pic van benne, akkor a későbbiekben esetleg át lehet programozni, mondjuk kenyérfényesítőnek... ( meg ha elkóvályog benne a program, akkor lehessen vele szívni...ugye nem feljetjük el, hogy szép nagy áramok folynak, meg jó nagy mágneses terek is vannak a kütyüben... )
A pic tekintetében arra gondoltam, mint a samopol.su oldalon lévő kombigép esetében már látom a jelentőségét. Abban gépbe, ha még a tolómotor vezérlést is beletenné valaki (,mert én nem igazán fedeztem fel), akkor az lene a tuti. Igaz az nem pic, hanem avr, de számomra ez 111. A tolómotor vezérlésen kívül (hamár kombi) akár két gázszelepet is vezérelhetne pl.
Hát ez a véleményem a kontrollerekről, persze nem értek hozzá és könnyen beszél az, aki nem dadog vagy ma még nem ivott eleget ,- de iyen sok funkció esetében belátom a szükségét. |
Bejelentkezés
Hirdetés |




), hogy az alacsony feszültségre bekapcsoló reset aktív, nem tudom hirtelen, ezt hogy nevezik mikrocsipék. Mintha ezt egyes példányoknál lehetne külön kapcsolni, míg valamelyiknél már a beégetett kód tartalmazza ennek állapotát. Részemről ennyi, simpi majd kiigazít, Ő jobban ismeri nálam a PIC-eket...







