Fórum témák

» Több friss téma
Fórum » Inverteres hegesztőtrafó
 
Témaindító: Gabi, idő: Aug 12, 2005
Lapozás: OK   310 / 566
(#) berobbantam válasza erdgab hozzászólására (») Okt 13, 2012 /
 
Helló
Akkor a táp így marad.És az áramváltónak jó a 80 menet?Meg milyen a szkóp?Gondolom ismerkedsz már vele.
(#) erdgab válasza berobbantam hozzászólására (») Okt 13, 2012 /
 
Szia!
Ha maradsz az eredeti "Maci" rajzánál,akkor az áramváltó 80 menetes.
A szkóp,mint készülék,nekem a világ,rettentő boldog vagyok.Egyenlőre ismerkedem a kezelőszerveivel,próbálom megtanulni a "minimális" alapokat,hogy bekapcsolhassam egy mérésre.Sajna,picit hátráltatva vagyok a vesekövem miatt.Már megvan a könyve,kapcsolási rajza és olvasgatom az Oszcilloszkóp,avagy hogyan kell használni fórumot s amit még fellelek.
(#) kissadam válasza erdgab hozzászólására (») Okt 13, 2012 /
 
Vesekő ellen sok sör! Tisztítja a vesét. Egyébként örülök neki, hogy sikerükt egy szkópra szert tenned. Jobbulást!
(#) berobbantam válasza erdgab hozzászólására (») Okt 13, 2012 /
 
Helló
A vesekövedet tényleg "sörözd" ki mihamarabb.Az nem egy kellemes dolog és a megválás még kellemetlenebbA rajzot alapvetően már nem is tudom melyiket kéne néznem. A maci szerint kezdtem építeni és megvolt a kiegészítő panelom is külön.Gondolom ez a panel van egybeépítve tubi kolléga nyáktervén a vezérléssel.Csak mikor megküldte a másik rajzot akkor bizonytalanodtam el az áramváltóval kapcsolatban.Meg mintha a fórumon is lett volna téma korábban az áramváltó menetszámának csökkentése.Meg ugye a rajzon 1.2 ohm van Tubi kolléga paneltervén pedig 1.6 ohm mint a maci rajzon.Ezért is nem tudom,hogy mi is a tuti tulajdonképpen.De majdcsak benéz ő is és megmondja a tutitAddig sem unatkozom van mit csinálnom még a dobozoláson.Mégegyszer mielőbbi jobbulást.
A hozzászólás módosítva: Okt 13, 2012
(#) erdgab válasza berobbantam hozzászólására (») Okt 14, 2012 /
 
Igyekszem rendbe jönni,köszönöm mindenkinek.
Az biztos,hogy a "Maci" rajzon az áramváltó 80 menet és ehhez 1,6 ohm ellenállás tartozik.Biztosan ki lehet számolni (mérni),hogy az 1,2 ohm ellenálláshoz mekkora menetszám kell,ebben nem tudok értéket mondani.Esetleg a rajzot láthatnám?Nincs azzal az 1,2 ohm ellenállással még valami sorba kötve?Megnéztem újra a vezérlést,amit linkelltél,azt mondod,ezt küldte Tubi,ezen a kérdéses ellenállás 1,6 ohm s ehhez 80 menetes áramváltó dukál.Azt hiszem megtaláltam,mi okozza a félreértést,amit említesz.Van egy olyan rajz ami dupla végfokozatot mutat egy vezérléssel,ezen van rajt az eredeti kiegészítő áramkör is,amit mi módosítva,hozzá aplikáltunk a "Macihoz",kivettük azokat a részeket amik feleslegesek,ezen a rajzon van az 1,2 ohm ellenállás az áramváltó áramkörében.Nos,ezt hagyd figyelmen kívül és a "Maci" rajza alapján építs.Bármi van,ami nem tiszta vagy nem érthető,kérlek tedd szóvá,megbeszéljük.
(#) berobbantam válasza erdgab hozzászólására (») Okt 14, 2012 /
 
Helló
Igen én is hasonlóképpen gondolkodtam mint Te.Csak nem voltam biztos a dolgomban ezért is kérdeztem.Tubi kolléga paneltervén is 1.6 ohm van ezért gondoltam hogy 80 menetes áramváltó kell.Mondjuk örülök ha így van,ugyanis abból is újat tekertem 80 menet 0.35-ös huzal.Ezt szebben el tudtam osztani a ferritgyűrűn.Alapvetően én úgy gondolom,hogy tubi kolléga a maci vezérlést használta csak 1 db 556-al és rátette a panelra a kiegészítő áramkört is.Bízok benne,hogy jó lesz a masina.Végül is elsőre is sikerült csak az a fránya cin ne lett volna
A hozzászólás módosítva: Okt 14, 2012
(#) erdgab válasza berobbantam hozzászólására (») Okt 14, 2012 /
 
Igen,erre a rajzra gondoltam.Tubi valóban kiváltotta a 2 db. 555 ict egy 556-tal,semmi gond,ez így jó megoldás,ráadásul egy kipróbált tervet kaptál tőle,mert Ő már többször megépítette és működik,tehát,hagyatkozz nyugodtan az Ő terveire.Szeretem,hogy sokat kérdezel,így egyre több apró információhoz jutsz,ráadásul még azoknak is segítesz akaratlanul,kik csendben építenek vagy ezen gondolkodnak.Többek között ezért is érdemes az építőknek átolvasni a fórumot.
(#) berobbantam válasza erdgab hozzászólására (») Okt 14, 2012 /
 
Ezzel a "szeretem,hogy sokat kérdezel"nem mindenki ért egyetDe én tényleg nem csak megépíteni szeretném a gépet,hanem valamilyen szinten a múködését is szeretném megérteni.Ezért a sok kérdés.Sok dolog van amit egyszerűen megoldhatnék egy panelterv alapján,de engem érdekel,hogy egyes apró eltérések a rajzhoz képest mi okból születtek.Lehet kicsit gyogyi vagyok de én mindent így szeretek csinálni.Talán egyszer eljutok arra a szintre(no nem a tietekére),hogy pár kezdőnek tudjak hasznos tanácsot adni.
(#) erdgab válasza berobbantam hozzászólására (») Okt 14, 2012 /
 
Idézet:
„"szeretem,hogy sokat kérdezel"”

Én komolyan gondoltam amit leírtam ,aki meg máshogy gondolja,az az Ő baja.
Ha véletlen valaha gond lesz a gépeddel,hogyan fogod tudni megkeresni a hibát és megjavítani,ha nem vagy tisztában minden részletével,továbbra is azt mondom, én komolyan gondoltam ..........
(#) frank tibor válasza frank tibor hozzászólására (») Okt 14, 2012 /
 
Üdv.
Hozzáfogtam a "Bocs" építéséhez a rendelkezésre álló anyagokból. Két ETD59-et tervezek beépíteni ajánlásod alapján. Beleszaladtam az első problémába. A primer 248*0,1mm litze huzallal tekertem amiből kettő sorban csak 29menet fért el. A szekunder 0,3*29mm rétszalag lett 9 menettel, így megmaradt a trafó általad tervezett áttétele (3,1). Meghagyhatom azt a tekercselést megnövelt frekvencián? Kb40-45Khz??
Elkészült a meghajtó trafó, ez is csak harmadik nekifutásra sikerült a 7*4mm helyre betekercselni a 0,35mm huzalt az EE25 csévén.
(#) erdgab válasza frank tibor hozzászólására (») Okt 15, 2012 /
 
Szia!
Nem egészen értem a 2 db. ETD59 mag beépítést,illetve a "Bocs" kapcsolása alapján akarsz 2 komplett végfokot 1 vezérlésről meghajtani (?),majd a kimeneteket párhuzamosan kötöd,gondolom.Meg kell mondanom,szépen kivitelezettek azok a trafók.A számítások szerint,maradhat a főtrafó azokkal a menetszámokkal,de a frekvenciát meg kell emelni,mint ahogy Te is írod,legalább 45kHz -re,alatta nem javaslom semmiképpen sem.Ezekkel a menetszámokkal nem jön ki a "Bocs" főtrafójának áttétele,mert az eredetileg 35/10=3,5 (a "mcié" volt 3,1),de attól még jó lehet.A primer huzal keresztmetszet jó a szekunderé viszont bőven jó.Felhívnám a figyelmedet az IGBT típusának megválasztására,ide már,erre a frekvenciára nem javaslom az eredeti rajzon megadott típust.Ha a végfok egy lenne,de a főtrafót akarod csak megduplázni,akkor számolnod kell azzal a ténnyel,hogy megnövekszik a lemágnesező áram és azok az alkatrészek amik az eredeti rajzon szerepelnek (snubber,diódák) már nem lesznek jók,nem fogják bírni.
(#) frank tibor válasza erdgab hozzászólására (») Okt 16, 2012 /
 
Köszönöm a segítséget, csak a trafót szeretném megduplázni és a szekunder egyenirányítót. Snubbernek HFA50PA60 diódákat terveztem. Az igbt 4db IRGP50B60PD lenne. Ez diódás, nem tudom gondot okoz-e a belső diódája. Vagy HGTG20N60A ebből viszont lehet hogy több darab kellene?? Az áttételt egy a fórumon talált rajzból számoltam, itt az ETD59 re 35/11 menet szerepelt.
(#) berobbantam hozzászólása Okt 20, 2012 /
 
Helló Mindenkinek.
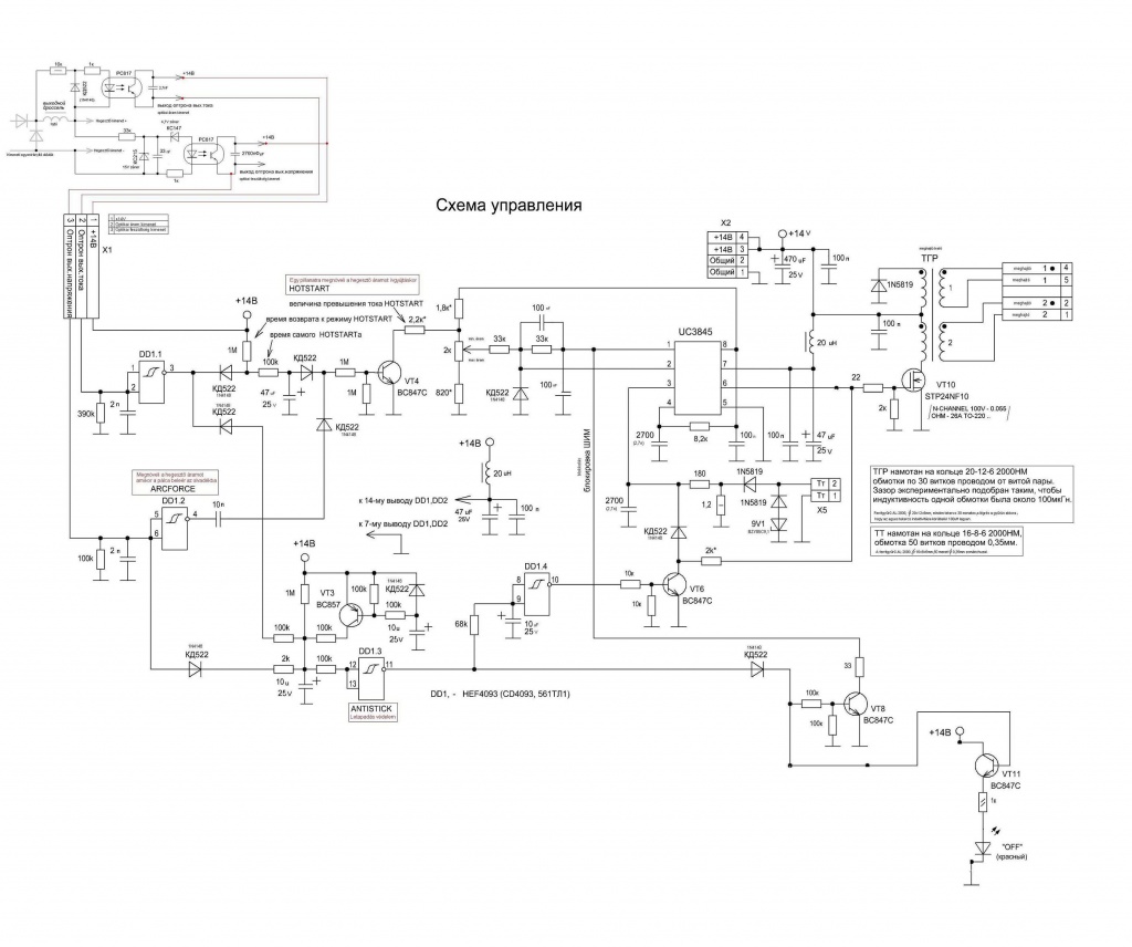
Nos újra itt vagyokMásodjára is elkészült nagyjából a macikám.Tubi kolléga terveit használtam alapnak.A potira 1 kilós ellenállást tettem alapból a frekibeállító kondi pedig 3.3 nanó.A 300 voltos tápon a vezetősávok 8 mili szélesek.Ez elég vagy forasszak még rá réz huzalt?Megvolt az első bekapcsolás is.Pukk nem volt eddig happy.A 300 volt nálam 320 körül mocorog.A lágyindítás jó a feszfigyelő működik.A 300 volt nincs bekötve az igbt panelra,és a hfa diódák és az igbt-k sincsenek beforrasztva.Van azonban egy kis bibi.Az igbt panelon jelölt zéneren 8.4 voltot mértem multival.Mindkét oldalon ennyi és a potit kopptól koppig végigtekerve sehol nem szűnik meg.Ez a magas fesz lehet a kisegítő paneltől vagy valamin még módosítanom kell.Tubi kolléga 200 amperre tervezte ezeket a nyákokat,de az ő gépe 45 khz-en megy.Az áramváltóm 80 menetes ez egy kérdéses pont volt számomra.De én eszem szerint ez most még nem befolyásolhat semmit.Akiben felmerült valami okosság az ne kíméljen
(#) erdgab válasza berobbantam hozzászólására (») Okt 20, 2012 /
 
Tudtommal,megemelted a segédtáp feszültségét,nem?Mekkora zénerek vannak beépítve a meghajtásba?Azonos menetszámú mind a 4 tekercs a meghajtótrafón?A 200 ohm ellenállások mennyire melegszenek,nem szakadtak?Ha mégis van stabkocka a segédtápon,annak kimenetén mekkora fesz van?Jó az elem a műszeredben?
A hozzászólás módosítva: Okt 20, 2012
(#) berobbantam válasza erdgab hozzászólására (») Okt 20, 2012 /
 
Helló
A segédtáp nálam 12 volt.A rezgőtáp aminek a kapcsolását adtad 16 voltot ad le azon van egy 12 voltos stab ic.Az áramváltónál lévő zéner 9.1 voltos az igbt panelon 4 db bzx85 c13 van a paneltervnek megfelelően.A menetszámok stimmelnek.mind a 4 tekercs 35 menet 1 irányba tekerve.A 200 ohmok elvileg jók,új mind a kettő,és nem melegszenek.Kb 1 percet ment a gép és tök hideg mindkettő.Az elem elvileg jó.Nem jelzi a műszer,hogy merülne.Meghát mást jól mér.A feszt a zéner két lábán mértem amit a nyákrajzon bejelöltem.Lehet rossz helyen mérek?
A hozzászólás módosítva: Okt 20, 2012
(#) erdgab válasza berobbantam hozzászólására (») Okt 20, 2012 /
 
Mind a két helyen 2-2 db. zéner van beépítve,egymással szembefordítva.Te csak az egyik zéneren mértél,vagyis a 2 zéner közös pontján és az egyiknek az anódján.Mérj a két szembefordított zéner két végpontján! Vagyis a két szembefordított zéner egy zénert alkot,ez alapján mérj.
A hozzászólás módosítva: Okt 20, 2012
(#) berobbantam válasza erdgab hozzászólására (») Okt 20, 2012 /
 
TudtamEgyik oldalon 5.59 másik oldalon 5.58-5.59.Most akkor be kéne forrasztanom a hfa diódákat és az igbt-ket?
(#) erdgab válasza berobbantam hozzászólására (») Okt 20, 2012 /
 
Elvileg,most a meghajtófokozatra (ahova az IGBT-k G és E lába kapcsolódik) kellene tenni 1-1 20nF kondit és mérni,nézni kellene szkóppal Az E és G lábakon a kapcsolójelet.Ha ez nem megoldható,mint anno nekem sem volt szkópom,nincs más hátra,mint amit írtál.
(#) berobbantam válasza erdgab hozzászólására (») Okt 20, 2012 /
 
Hát akkor nincs más hátra mint előreCsak kicsit félek.Egyszer már tartottam itt és sokba került.Most viszont tuti nincs cingombóc.A 300 voltos tápon a 8 milis vezetősáv elég?Vagy forrasszak még rá huzalt.Az igbt panelra gondolom nem kell.Ha tubi kollégánál bírja a 200-at akkor nekem is majd csak elég lesz.Én a kimenő diódákra is csináltam most egy panelt.2 centi széles a vezetősáv és van rajta minden diódátol még 2 szál1.5-ős rézhuzal.Így egyszerűbb volt a diódák összekötése.
(#) erdgab válasza berobbantam hozzászólására (») Okt 21, 2012 /
 
A félelmed nem alaptalan,mindenki így van vele,ha (sajnos) nincs megfelelő műszerezettség,de hajtja az embert a csinálni akarás.A nagy áramú sávokra forraszthatsz huzalt,semmit nem vesztesz vele,sőt..Mindent nézz át tüzetesen,alaposan,akár többször is,mielőtt tovább lépnél.Sajnos ennél jobbat,többet,okosabbat nem tudok javasolni,de ne hajszold magad,csak nagyon figyelmesen és meggondoltan járj el.Bízom benne,hogy sikerülni fog.
A hozzászólás módosítva: Okt 21, 2012
(#) Ge Lee válasza berobbantam hozzászólására (») Okt 21, 2012 /
 
Ha nem megfontoltan jársz el, akkor a következő indítás is sokba kerülhet. Semeddig sem tart csinálni egy primitív 50-200V DC körüli tápot amiben van áramkorlát. Azon már szépen tudod ellenőrizni a működést, de nem tudod tönkretenni vele napok, hetek munkáját.
(#) emmzolee válasza Ge Lee hozzászólására (») Okt 21, 2012 /
 
Nálam az ilyen indító, próbáló trafó egy 230/24V 25W-os trafó, aztán egy másik 230/24V 25W-os trafó. Az egyik 230-ból 24V-ot csinál, a másik meg 2abból a 24-ből csinál 230V-ot.
Ez nagyon egyszerű és biztonságos is.

Azoknak mondom akik leválasztott 230-at szeretnének, és áramkorlátot is.
(#) Tubi56 válasza berobbantam hozzászólására (») Okt 21, 2012 /
 
pedig annaka 200 Ohm nak kéne melegedni! Dobhatnál fel egy-két fotót
(#) berobbantam válasza Tubi56 hozzászólására (») Okt 21, 2012 /
 
Helló
Most nem huzal ellenállást építettem be,hanem metaloxidot.De gondolom ez nem változtat a dolgon.Forrasztás előtt mindkettőt kimértem,mivel 5 %-ost kaptam és kerestem 2 db viszonylag egyformát.A gép nem sokat ment,max 1 perc.Épp míg megmértem a zéneren a feszt.Ráadásul a ventim egy mikróé és ráfúj a panelra is.Lehet ezért nem éreztem melegnekÁtnéztem mégegyszer mindent.Beforrasztottam a diódákat és igbt-ket és összepakoltam a gépet.A két oldala nincs felrakva csak.Képeket fogok csinálni és publikálom.Már ha minden happy lesz
(#) csacsi89 hozzászólása Okt 22, 2012 /
 
Üdv érdeklődnék h van 1 Domtool Welder 4 típusú hegesztőm és leesett sajna a ventilátor megy csak hegeszteni nem lehet vele és nem tudom h mi baja lehet aki tudna segíteni annak örülnék előre is köszönöm
(#) emmzolee hozzászólása Okt 22, 2012 /
 
Volt időm ma megcsinálni a Power trafómat.
Képek alul.

Úgy alakult a dolog, hogy az eredeti primer menetszámot meghagytam. 2X15 menet 2-2 szál 0,64-es huzal volt tekerve kétszer. Eredetileg 54.8KHz-en pörgött a táp.
A szekundert meg réz szalagból tekertem. 0,22X29mm Ez is kétszer.

Remélem bírni fogja, mert a primer tekercs 4 szál 0,64-es huzala 2000W körül tud majd ha 5A/mm2-el számolok.
A szekunder 80V köröl lesz, az elvileg bírná az 5000W-ot.

Vélemény?
(#) erdgab válasza csacsi89 hozzászólására (») Okt 22, 2012 /
 
Nem tudhatjuk,mennyire vagy otthon az ilyen készülékek javításában,működésében,de ha nem értesz hozzá,inkább ne szedd szét.Ha mégis kibontod akkor keress esetleg lévő belső biztosítékot,nem szakadt e.Keress forrasztási hibát.lehet,hogy az eséstől valahol kilazult a forrasztás,főleg a főtrafó,fojtó és egyéb nagy áramú részeken,nagyító ajánlatos.Keress leszakadt vezetékeket,kicsúszott sarukat érintkezőket.
(#) erdgab válasza emmzolee hozzászólására (») Okt 22, 2012 /
 
Ez a trafó így volt megtekerve eredetileg is?Hát nem tudom,annyira nem értek hozzá,de én egyik tekercspárost sem kötném párhuzamosan,se a két szekundert,se a két primert,sorba annál inkább,de akkor meg a huzalok száma nem jó,legalábbis a primeré,szerintem.
(#) berobbantam válasza Ge Lee hozzászólására (») Okt 22, 2012 /
 
Hát nem akar ez nekem összejönniMa lett volna a főpróba.És megint pukk.Lassan tényleg feladom.Bekapcsoltam az összerakott gépet.Lágyindítás oké volt.Az antistick led kigyulladt majd elaludt.Úgy tudom ennek így kell működni.A heggesztő kimeneten viszont nem volt mérhető fesz.Épp meg akartam mérni a 300 voltot meg a főtrafó primerén a feszt az igbt panelnél mikor pukk.3 igbt és 1 hfa az áldozat.Az irfd 120 lehet rossz ha a fet teszterrel nézve jó?Nem tudtam újat venni belőle.A mostaniakat viszont most is megnéztem és a tesztelővel nézve jók.Még a nyitófeszük is egész egyforma.Ami érdekes a 200 ohm viszont most is hideg volt.A panelon még a vezetősáv is elégett az egyik fetnél meg az egyik hfa diódánál.
(#) jati hozzászólása Okt 22, 2012 /
 
Nos nekem is megvolt a főpróba, de egy 220V 100W izzóval sorba kötve a hegesztő. Még nem szált el semmi. Guliver83 javaslatára. Holnap bekapcsolom megint, de most már hagyom több időt járni. Az lenne a kérdésem, hogy kell viselkednie a lámpának, mert az enyém először felvillant és aztán már csak halvány sárgán világított folyamatosan, füst nem volt sehol. Még kimenő feszt nem mértem de holnap fogok, ha normális, hogy a lámpa halványan világít. Ja és megnézem azt is, hogy melegszik e valami.
Majd rakok fel képeket. Lassan kezd alakulni 3 év után.
Következő: »»   310 / 566
Bejelentkezés

Belépés

Hirdetés
XDT.hu
Az oldalon sütiket használunk a helyes működéshez. Bővebb információt az adatvédelmi szabályzatban olvashatsz. Megértettem