Fórum témák
» Több friss téma |
Fórum » Csöves erősítő készítése
Ne feledd betartani a fórum viselkedési szabályait, és a topik megmaradásának feltételeit. [link]
A téma átmenetileg fagyasztva lett, hozzászólni nem tudsz!
Szia de a kimenője jó lesz e?
köszönöm szépen de ahogy olvashatod el bírja e?
Szólni lehet, hogy fog, de egyértelműen nem jó. Csak áttekerve. Annak a kimenője 8K:15ohm push-pull vagy valami ilyesmi illesztés és biztos, hogy van rajta egy kis telejsítményű (talán 5W-os) "monitor" kimenet. Ehhez légréses trafó kellene a kívánt 3K körüli illesztéssel. Mivel az AE782 M magos, ezért nem vagy csak hihetetlen macerával lehetne légrésesre megoldani, szóval ehhez áttekerni sem igazán jó.
A hozzászólás módosítva: Okt 29, 2012
Nos, van valakinek valami ötlete, hogy hol kezdhetném el a hibakeresést?
Szia !
Ellenőrizd le a tápokat, nézd meg megfelelően vannak -e szűrve.(szkóp) Feltételezve, hogy mindent megfelelően kötöttél be műkönie kellene, tehát ellenőrizd le a csövek bekötését, valamint a kimenőtrafó fázishelyes bekötését.(Primer, "anód" oldal) Esetleg jelgenerátor a bemenetre, és szkóppal végigmenni a fokozatokon. Ha tennél fel fotókat a kész áramkörről, hogy miként épitetted meg, akkor könnyebb lenne tanácsot adni. Üdv, justice A hozzászólás módosítva: Okt 30, 2012
Légszerelt egyenlőre, a NyÁK lapot egy kartonpapír helyettesíti. Lehet puritán, de már nem tudtam várni péntekig.
Ugyanis akkor lesz NyÁK-om. A táp megfelelően szűrt, először két 470µF 200V sorosan kapcsolva, hogy elbírja a feszkót, aztán még két 330µF 200V szintén sorosan. Kimenőtrafó jól van bekötve. Van esetleg valami gyors mérési módszer, amiről meg lehet állapítani, hogy hol lehet a hiba? A hozzászólás módosítva: Okt 30, 2012
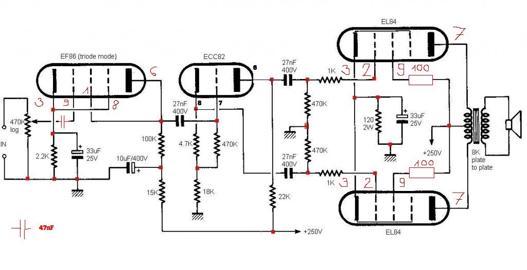
Ahogy Justice írta, mindenek előtt ellenőrizd a kapcsolást, elég érdekesen sikerült valakinek papírra vetnie. Kicsit félreérthető is annak aki nem funkcionálisan nézi az összeköttetéseket.
Pl. az első 27 nF úgy látszik a rajzon, mintha az első és második cső rácsait kötné össze, pedig az EF86 anódjából csatol ki a második csőre - ott nincs a kereszteződésen az ezt jelző pont. Erre figyelj oda. Én a helyedben (ha nem ez okozta a gondot) , először a két végcsőre menő kondik meghajtás felőli végét leforrasztanám és testre téve meghallgatnám , változott-e a helyzet. Aztán ha így ok, akkor a visszafelé ugyanezt az előző fokozat csatolókondijával. Így kiderülhet, melyik fokozatban van gond - vagy esetleg táp szűrés hiány van-e. Megjegyzem ahhoz a 27 nF-hoz nem kéne annyira ragaszkodni, ha sikerül styro vagy poliésztert szerezni 33 nF-ost, ugyanúgy jó. Én a kerámiát ilyen helyen elkerülném erőst.
Van itthon MKP 0.1µF 630V kondi, akkor azt belepróbálom.
Ó, én meg összekötöttem ott kondinál, gondolván hogy trióda üzemmód. Küldök egy pdf-et, hogy eagle-ben hogy néz ki az egész, az átláthatóbb.
A hozzászólás módosítva: Okt 30, 2012
Össze is kell, képzelj a kondi bal oldali kivezetéséhez egy csomópontot...
Igen, az ott össze van kötve. TRIóda = 3 kivezetés, katód, rács, anód. Közben látom hogy rossz a pdf. Itt a jó.
A hozzászólás módosítva: Okt 30, 2012
A két EL84 középső rácsát nem kell 250V-ra kötni, csak egymással össze, és a trafó középkivezetésére a 250V-ot?
A hozzászólás módosítva: Okt 30, 2012
Ja, már látom, össze van kötve. EAGLE-ben is így terveztem meg.
Az pont van, 5W-os kiszerelésben.
Akkor ezt csináljam meg, és még mi egyebet?
OK, most bekötöm a 100Ohmot, és írom a tapasztalatokat.
Ugyanaz a helyzet, csak szörnyű búgás. Esetleg van valami mérés, amit ha elvégzek, tudunk pontosítani, hogy mégis mi lehet rossz?
Szia.
Köszönöm szépen .
A tápegységről egy rajzot ha feltennél, amiről próbálod járatni ?
Feszültségértékekkel a trafón, elkókon, diódahíd vagy egyenirányítás rajzzal, terhelve és anélkül.
Azonnal csinálom.
Csak ismeret szerzési szándékkal; minek (miért) a pentóda, ha van dupla trióda?
Illetve leírom: 2x190V, 2 utas egyenirányítással, rendesen megszűrve egy CRC szűrővel. 6.6V váltófesz fűtés az EF86-nak, és a két EL84-nek, illetve 13V az ECC82-nek. Kicsit elcsúsznak a feszültségek, ez lehet gond? Ja, és egy angol oldalon a srácok azt írták, hogy a fűtőfeszültség "must be referenced to the ground". Ezt nem igazán értem mit takar.
A hozzászólás módosítva: Okt 30, 2012
Köszi, én is így gondoltam.De nem vagyok csöves, bár kacérkodom a témával, mivel megint rám ragadt néhány cső
"must be referenced to the ground" valamilyen kapcsolatban kell lenni a földeléssel... Azaz nem lebeghet akárhol, hanem testpotenciálon kell lennie.
Ezt vagy fűtésközepelő potival, vagy két 100 Ohmmal szokták megoldani. A 220 (esetleg 500) Ohmos poti két vége a fűtéstekercs két kivezetésén (azok meg a csőfűtésre), a poti közepe a testpontra. Vagy ugyanez ha a fűtés két kivezetését 100-100 Ohmmal a kötöd a testre. A test alatt itt most a szűrőelkók és egyenirányító negatív pontját kell érteni, ha egyenlőre fémház nélküli pókhálóról van szó. Azt viszont nem egészen értem, mit jelent az hogy "kicsit elcsúsznak a feszültségek". A kétféle fűtőfeszültség milyen kapcsolatban van egymással a trafón ?
Csak a tisztánlátás kedvéért. Nincs CRC szűrés, csak RC szűrés van. A CRC -ből az első C az nem szűrés, hanem az egyenirányítás része, az a puffer kondi.
Már régebben rátaláltam egy kapcsolásra , ami piszkálja a fantáziámat.
Valami őskori zenegép kapcsolás a csövek típusából kiindulva (ráadásul el is írták a rajzon). Egy 2.1-es sztereo rendszer mély hangszóróval kiegészítve. Érdekes lenne egy ilyent kipróbálni, kérdés milyen lenne az eredmény. Ez a rajz 2x1,5W körüli teljesítményt szolgáltathat az alkatrészekből kiindulva. Ha egy kicsit izmosabb verzió létezne, kipróbálnám. Valakinek volt már "szerencséje " hasonló megoldáshoz? A hozzászólás módosítva: Okt 30, 2012
Az ECC82-t is fűtheted 6,3V-ról. Így nem kell neki külön tekercs.
Azt a 6,6V-os fűtőfeszt terhelve nézted? 2x190V kétutas egyenirányítással csak 0.9x190V=171V. Elég alacsony a 250V-hoz képest. A lábak bekötését ellenőrizted?
Bejelöltem a lábakat.
Rajzoltam bele egy kondit, én kipróbálnám azzal is.
Igen, igazad van. Lemaradt, javítottam.
Köszönöm szépen a segítséget mindenkinek...
Na itt vagyok.
Ajánlották, hogy próbáljam ki úgy is, hogy csak a 2 EL84 van benne. Így is zúg, nem is kicsit sajnos. Szóval a hiba a végfokozatban keresendő nem? Megcsináltam a 2 100Ohmot a trafó és a rács közé, semmit nem változtat. Lerajzoltam hogyan van a trafóm, és hogyan megy a fűtés meg minden egyéb. Bocsi az angol szövegért, egy másik fórumon is próbálok szakérteni valamit ezzel kapcsolatban. A hozzászólás módosítva: Okt 30, 2012
|
Bejelentkezés
Hirdetés |


Ugyanis akkor lesz NyÁK-om. A táp megfelelően szűrt, először két 470µF 200V sorosan kapcsolva, hogy elbírja a feszkót, aztán még két 330µF 200V szintén sorosan. Kimenőtrafó jól van bekötve. Van esetleg valami gyors mérési módszer, amiről meg lehet állapítani, hogy hol lehet a hiba?



Ajánlották, hogy próbáljam ki úgy is, hogy csak a 2 EL84 van benne. Így is zúg, nem is kicsit sajnos. Szóval a hiba a végfokozatban keresendő nem? Megcsináltam a 2 100Ohmot a trafó és a rács közé, semmit nem változtat. Lerajzoltam hogyan van a trafóm, és hogyan megy a fűtés meg minden egyéb. 
