Fórum témák
» Több friss téma |
Kedves Forumtársak!
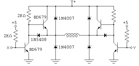
Bipoláris léptetőmotor vezérlő készítésével szenvedek már egy jó ideje. Meg is építettem a Jones-féle léptető motor vezérléssel foglalkozó honlapon látható H-hid áramkört. Ebben az áramkörben 4 db N típusu bipoláris tranzisztor van. Természetesen előtte is meg azóta is máshol is keresgélek ebben a témakörben, és voltak olyan mintaáramkörök, ahol a H-híd táp oldali tranzisztorai p típusúak voltak. És azóta is azon filozofálok, hogy a belinkelt ábrán látható, 4 db N típusú tranzisztort tartalmazó áramkör esetén a táp felőli tranzisztorok hogy fognak nyitni (nyitás alatt értem, hogy zárják az áramkört, engedik az áramot a tekercsen keresztülmenni), ha voltaképp mikor ki vannak nyitva, akkor az emitter feszültsége majdnem a tápfeszültség lesz, ahhoz meg hogy kinyisson, az kell, hogy a bázison nagyobb feszültség legyen mint az emitteren, de ebben az esetben majdnem ugyanakkor lesz, voltaképp csak annyival lesz kisebb az emitteren, amennyi a collektor-emitter közti feszültségesés, ami talán kb. 1V. Ez elég, hogy teljesen kinyisson a tranzisztor?
Az EB dióda 0,7V feszültségen teljesen kinyit, ha a bázisáramot nem korlátozza semmi a telítési alá, akkor nincs gond.
Az 1N5408 diódák csak védelmi célt szolgálnak, nem a rajtuk eső feszültség miatt nyit a felső tranyó,ami egyébként darlington, tehát eleve nem elég az a 0.7-08V feszültségkülönbség a bázis emitter között.
Viszont hatásos, mert éppenhogy erre a feszültségesésre van szükség mikor az "alatta" levő tranzisztor nyit. A dióda nélkül nyitna a felső is, és a kialakuló áramot csak a táp védelme határolhatná...
Kedves Mex!
Én még mindig nem értem. Hogy van ez?
Mostmár én sem!
Elválasztási céllal van a dióda. A felső darlington nem tudna nyitni, ha a bázis és az emitter egyszerűen össze lenne kötve, és így csatlakozna az alsó darlington kollektorára, ami egyben a terhelés egyik pontja.
Igen, ezt már értem. De ha az X bemenetre ráteszek 5V-ot, aminek hatására a bal alsó tranzisztor kinyit, akkor elvileg a jobb felső is kinyit, mivel így fog a tekercsen átfolyni az áram. De a bal alsó tranzisztor nyitásával miért nem fog a bal feslő is kinyitni, miért csak a jobb felső fog?
Csak azért mert a bal felső bázisáramát az alsó tranyó "elszívja"-testeli. Lényegébe a felső bázisa 0.7V-al alacsonyabb szintre kerül mint az emittere a dióda miatt, így aztán csontra lezár.
Üdv! Egy kis együtt gondolkodás, segítség lenne jó...
A feladat egy kisfeszültségű (max.10V) kefés motor működtetése két véghelyzetig, végállás kapcsoló nélkül, áramnövekedés figyelésével. Az üzemi áram 1A alatt van. Ehhez vagy lassú feszültségű-áramú indítás-felfutás lenne jó, hogy az indulási áramfelvétel ne csapja be az áramfigyelést, vagy az indításkor pl. 0.2mp-ig nem figyelni az áramfelvételt, ezalatt beáll a normál üzemi áramfelvétel... A motor a mechanikai határolást elérve elkezdi az áramát növelni, ekkor kéne elvenni a feszültséget tőle. Ezután csak a másik irányba lenne indítva. Az indítás, irányváltás vezérelt, tehát a motor megáll a két véghelyzetnél és csak indító parancsra indul a másik irányba. Az irányváltás lehet akár relés is, vagy mezei H-híd. A két véghelyzet elérésének ideje mp nagyságrendekbe esik. Minél egyszerűbb, annál jobb jeligére... ![]() Köszönöm, ha segít valaki.
Sziasztok!
Olyan H-hidat keresek, amit 4 vezetékkel tudok vezérelni, MOSFET-es legyen, PWM-el hajtanám. MC vezérelné, de a hídnak 20V-tól és 50V-ig működnie kell. Fontos, hogy tudjon szabadon futni a motor(lásd 4 vezetékes vezérlés). A motor induláskor eléggé megrántja a tápot, de működés közben is megvan a 2-3A áramfelvétel(néha még több is) ezért lenne jó IRF540 és IRF9540-el felépíteni. Tud valaki valami frankót ajánlani? Egy kérdés még: miért melegszik a FET (IRF540), amikor PWM-el vezérlem? Alig bírom megfogni, de csak az idő alatt melegszik, amikor változik a PWM jel, 0% ill 100%-nál meg tud hűlni. Üdv Kiborg
Sziasztok
Szeretnék segítséget kérni! Egy 12V-os 1A-es léptető motor szeretnék meg vezérelni PLC-ről(24V kimenete van) Az általam talált megoldás LM298-al történne ami képes 2 A leadására, viszont a problémám az hogy 5V-os bemenetet igényel, szerintetek mivel lehetne a legegyszerűbben megoldani??? Előre is köszönöm a választ! Jani
Egy olyan kérdésem lenne, hogy h-hidat akarok p és n csatornás fetekből, a teljesítménye 3-4A kell legyen, de max 10A.
Az n csatornás feteket vezérelném pwm-el, a p csatornás feteknek csak irányváltáskor, terheletlen állapotban kellene kapcsolniuk. Egyik fórumtárs pár oldallal viszább linkelt egy képet : Bővebben: Link, ezen a p csatornás fetnek 2 tranzisztorból álló vezérlése van, a kérdésem az lenne, mivel nekem nem számít a kapcsolási időtartalom, nem lenne-e elég egy 10k-s felhúzó elenállás ás egy BD139-el megoldott testre kapcsolás? A képen mindkét megoldást berajzoltam. A h-híd alsó része nem látszik, de szerintem így is értelmezhető a dolog.
Ilyen lett a teljes rajz. Biztosan van benne hiba, átnézné nekem valaki?
Most, hogy jobban belegondolok, fel kell cserélni a felső két fet vezérlését, mert így összenyitnak a fetek, jól gondolom?
Szia.
hasonlítsd össze ezzel a rajzzal. Ez jól működik. Üdv
A logikai rész tudom, hogy jól működik, de az analóg résszel vannak gondjaim. Nem tudom, hogy nem nyitnak-e össze a fetek. Valaki megnézné nekem, hogy jól működne-e a rajz? Mert ha igen, akkor panelgyártás.
Ez a végleges verzió, hacsak valami nagyon nagy hülyeséget nem követtem el rajta.
Még alakítottam rajta, a szimulációk szerint működőképes a logika is.
Bár nem hiszen, de ha valaki rajtam kívül erre jár, akkor ha lát rajta hibát kérem szóljon.
Ismeritek az L9903 IC-t?
Bővebben: Link
Még nem volt hozzá szerencsém. Az adatlapja szerint egy h-híd vezérlő a lelkem plusz van kenne a k-line, aiterfész is, ezt autóknál használják ha jól tudom. Ilyen lehet autókban pl ablakemelőnél.
Az adatlapban van hozzá jó kapcsolási rajz is.
Ablaktörlőben használják az újabbakban a motor már oda vissza forog az egyszerübb mechaniks miatt.
Sziasztok, az lenne a kérdésem hogy egy l293d-vel lehet e 4 motort vezérelni, azaz 2-2 párban. Mire kell figyelnem ha egy oldalra 2 motor szeretnék párhuzamosan kötni, ha lehet? Előre is köszönöm.
A két motor ugyanazt a terhelést hajtja? A tengelyek vannak közösítve, vagy van közöttük valami kényszerkapcsolat, vagy hajtómű?
Tiszteletem!
Napok óta tanulmányozom a H-hídakat de csak bonyolultabb / drágább alkatrészekből épült megoldásokat találtam, PIC-hez vagy FET-ekből épültet nagy motorokhoz stb... A probléma: adott egy 12V - os (max 2,5A) DC táp és egy 12V-os maximum 250mAh-es kis villanymotor ami egy fogaslécen át gyakorlatilag mint primitív szervó működik. (polaritástól függően vagy ide, vagy oda "csapja" a fogaslécet) Olyan egyszerű, olcsó alkatrészekből (kis tranzisztor) összeépíthető kapcsolásra lenne szükségem aminek van egy táp bemenete, két kivezetés a motorhoz és két nyomógomb (+ közös és a két vezérlő bemenet) Amíg az egyik nyomógombot nyomva tartom a motor az egyik, a másik gombnál a másik irányba forogjon, tehát fordított polaritást adjon a kimenetre... (egyszerre nem lehet a két gombot lenyomni-ezt nem kell kezelni) Ezekből többet (10-12db) szeretnék egymás mellé tenni (minden motorhoz egyet) és a bemeneteket diódákon keresztül kombinációkba összefűzni (ezért fontos, hogy csak + tápot várjon a két bemenet, ráadásul később a nyomógombok lecserélődnének opto kapukra amiket egy külön áramkör vezérelne) Nem szeretnék motorvezérlő IC-t használni, inkább csak tranzisztorokból építkeznék. Köszönöm a segítőkész válaszokat!
Érdekes, hogy egy egyszerű H hidat sem találtál
![]() Bővebben: Link Csak egyet linkelek mert másfél méter hosszú lenne a HSZ. Üdv! A hozzászólás módosítva: Okt 18, 2013
Szia.
Van már ilyen topic... Itt egy bevált kapcsolás.
Apa, egyet linkeltem be mert te napok óta nem találtál egyszerűt. Ennyi.
Egyébként honnan tudod mi stabil, mi nem, ha eddig azt sem tudtad magadtól hogy néz ki egy H hid ? A hozzászólás módosítva: Okt 18, 2013
Köszönöm a belinkelt egy megoldást és a jószándékú segítséget. Találtam többet is de olyan egyszerűt ami a megadott 250mAh-s motorhoz elég (és nincs feleslegesen túlméretezve) olyat nem... A stabilitásról pedig olvastam, hogy megbízhatóbbak azok amik +2 tranzisztort tartalmaznak. Nem kísérletezni akarok, depláne nem összemérni, hogy kinek milyen szerve nagyobb - csak egy bevált kapcsolást szerettem volna..
"Apa"
Igen, jó. Vagy adatlapban nézd meg a nálad elérhető tranzisztor határértékeit, úgy könnyebben tudsz választani.
|
Bejelentkezés
Hirdetés |















