Fórum témák
» Több friss téma |
Fórum » Inverteres hegesztőtrafó
Tudtommal a kiegészítő áramkör 3 funkciót tartalmaz.Az egyik a leragadás védelem.A másik a hotstart ívgyujtáskor egy pillanatra megemeli a kimenő feszt,a 3. az arc force ívstabilizátor.Ha nő az ív hossza kicsit visszaveszi az áramot ha túl rövid ad rá egy kicsit.Persze csak bizonyos keretek közt.Vagy nem jól tudom?
Hát ha csak bizonyos amper esetén csinálja akkor biztosan jól van bekötve! Ha mégis kipróbálod akkor csak kicsi árammal! Nem kell hegeszteni vele, mert egyből hallani már az ív kezdetén is azt a furcsa sercegő sípoló hangot! Így ezek szerint jól van kötve akkor pedig hagyd!
Sercegés nincs.Szépen is heggeszt.A 2.5-es elektródát 70 amperrel viszi szépen.80 ampernél már átmelegszik teljesen a 3-as lemez.Nem is annyira sípol mint inkább olyan süvítő hang szerű de nem hangos.Ha jobban belenyomom az elektródát a varratba akkor pedig el is halkul.Főleg ha adok neki egy kis erőt is.Az amperokat a potim állása szerint mondom,mérni nincs mivel.De tapasztalataim alapján eléggé stimmel a beosztás.Legalábbis ebben a tartományban.
Bocsi,hogy belekotyogok,de az ARC FORCE jelentése íverő, és szerintem a MACI ilyen funkciót nem tartalmaz. Ez a funkció potival állítható kellene hogy legyen, -ha benne lenne a gépben. De szerintem nincs benne. így csupán az ív dinamikáját tudtad tesztelni az adott elektródatípusnál. Ha másik elektródát választasz(cell,bázikus) teljesen mást fogsz tapasztalni ugyanazon beállításnál.
Igaz, hogy a Macit építette, de a kiegészítő áramkörökkel együtt, úgy mint Hot Sart-Arc Force-Anti Sticking
Igen benne vannak a kiegészítő funkciók.Ha már új verziót kezdtem mielőtt a régi egyáltalán elkészült volna akkor már éltem a lehetőséggel
Amúgy van talonba még egy teljesen kész panelom ami csak a kiegészítő áramköröket tartalmazza.Egyenlőre eltettem.Lehet egyszer építek hozzá egy gépet
Úgy legyen
Még a végén kedvet kapsz, mint mi egy páran
Már szaporodnak a jelentkezők akiknek kéne ilyen gép.De egyenlőre ellenállok a kisértésnek.A nejem is örül jelenleg.Végre eltünt a pokolgép a nappaliból.Mióta hallott eldurranni egy igbt-t azóta csak így hívja a művemet.A képen látható állapotra pedig csak annyit mondott.Ha most kijönnének a TEK től téged gondolkodás nélkül lelőnének
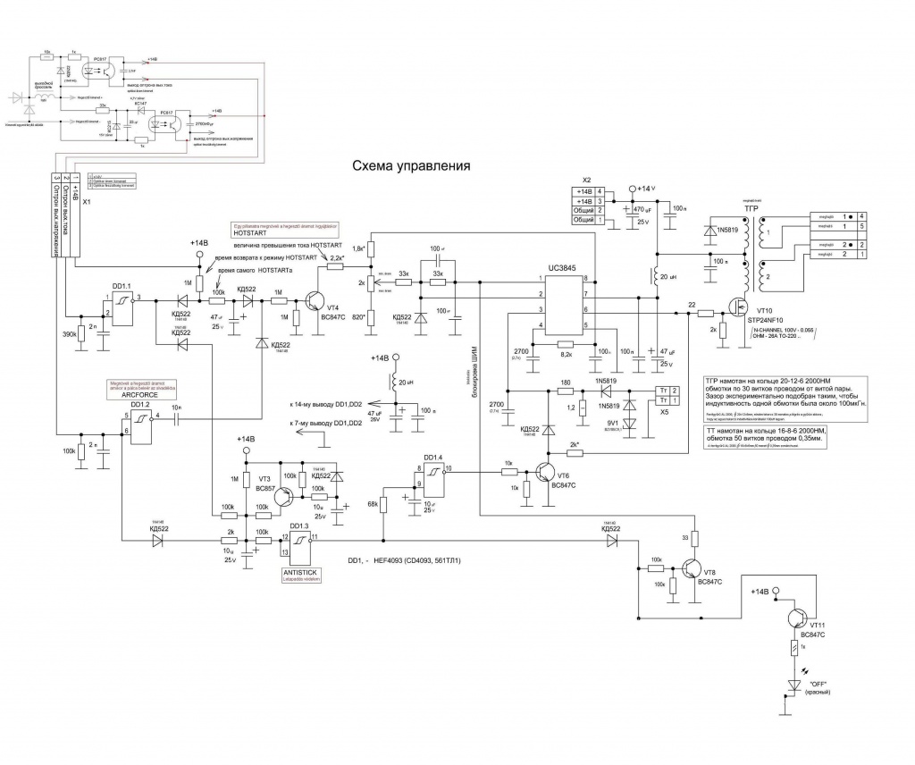
Sanyikám én hiszek neked,csak kérlek mutasd meg nekem a rajzon,hogy melyik az az áramköri rész, amelyik az ARC FORCE funkciót végzi. Mert én valahogy nem látom, vagy lehet hogy rossz rajzot néztem?Bővebben: Link
Azon valóban csak az antistick áramkör van kiegészítésként. Ezt a kiegészítő áramkört építette meg szerintem: Bővebben: Link . Régebben összerajzolva is felkerült ide, de most nem találom, gépemen megvan csak nagy a mérete, így nem tudom feltölteni.
Helo
Nézegettem ezeket a szerkezeteket nagyon ügyes megoldások. Nekem is volna egy gyári Awelco és sajnos tönkrement és szeretném a segítségeteket kérni. Elég kegyetlen körülmények közt volt használva de szerintem még lehet vele mit kezdeni. Minden fontosabb adatot tudok a gépről mellékelem is. Tipus: Awelco Micro 164 Panelon Awelco Base 5680 a vezérlő részen Liv.01 a másikon ami egy hűtőbordán van Liv.03 Ezidáig működött csak ránézésre is elszállt 1-2 alkatrész. Kezdeném az IGBT-nél R9-től R29-ig az összes ellenállás elszállt. Több párhuzamosított SMD 10 ohm-os Hogyan tudom kimérni az IGBT-ket, lehetséges hogy működik még? Aztán a védelemnél igencsak megbomlott 2 Db ellenállás 2W-os 470 Ohmos Rs1-Rs2 A legkritikusabbat a végére hagytam ami a lényegébe a vezérlés. L6386-os Ic ebbe csak egy kocka hiányzik a tetejéből ![]() Elég összetett tápja van és nem tudom miért szált el a vezérlő. Meglehet hogy idegen anyag jutott a szerkezetbe ami összezárt valamit de nyom nincs rá. a Tápot szeretném még kimérni de bekapcsolhatom e hogy szét van szedve külön a felső panel vajon mi lenne a reakció. Mekkora esélye van annak hogyha kicserélem ezen alkatrészeket működni a fog a szerkezet? A mellékleten szereplő méréseket nem én végeztem csak összegöngyölgetem a neten keringő képeket róla és kapcsolási rajzot. Elnézést hogy ilyen hosszúra sikeredett. L6386
Azok az SMD ellenállások nem 10 ohmok hanem 0,1 ohmok (az IGBT-k source ellenállásai), és így ránézésre nincsenek elégve sem. Azért az nem gyenge húzás a gyártótól, hogy egy normális TO tokos IGBT helyett belerak 4db D-PAK tokot (számítógép alaplapba még oké de hegesztőbe
), amit ráadásul a nyák hűt mert hűtőbordája sincs. Ezzel így ránézésre max. 40A-el mertem volna hegeszteni, azzal is csak szakaszosan.Mérd végig az IGBT-ket, ha rosszak akkor jobban jársz egy teljesen új teljesítményfokozattal, amit el lehet normálisan készíteni nem úgy ahogy ez volt. A hozzászólás módosítva: Dec 4, 2012
Az IGBt nem nyákon vannak,hanem egy alu nyák lemezen,ami mögött ott a hűttőborda.Nagyon sok gyártó alkalmaz ilyet.
Végigmértem az IGBT-ket.
Azt hiszem a felső sor végig kivan. Multiméterrel végig rövid-zárt mértem minden lábán igaz nem vettem ki. Az alsó sorba csak egy volt rossz. A jóknak a az E-C 0 ohm de a G-hez képest 67 Ohmot mutatott a műszer így hát gondolom azok jók. A HQ-e. láttam rendelhető alkatrészt ezt hozza fel helytesitőként: SGB15N60HS Jó lenne ? A képeket nem én készítettem, az internetről szedrem össze kiindulásként. Az SMD ellenállásra R100-van írva a kalkulátor nekem 10 Ohmot dobott ki. Persze párhuzamosan kötve 5 már csak 2-ohmot tesz ki. Viszont most nézem a másik képen R10-van írva viszont azon csak 4 van párhuzamosan kapcsolva.És megvan tuningolva egy nem gyári kondival. Az ennyimen már nem látszanak az értékeke de az biztos hogy az első az R-volt és még 3 karakter volt utána. Onnan gondolom hogy 10 Ohm. Érdemes e betenni azt a plusz kondenzátort? Helyettesíthető e az SMD ellenállás úgymond normál méretű ellenállással villamos szempontból ?
Ha az E-C között 0 ohmot mérsz, akkor az zárlatos. Kéziműszerrel egyébként sem lehet eldönteni hogy jó vagy sem mert becsaphat, de ha zárlatos az egyértelmű. Ha az érték R-el kezdődik, akkor az a nullát jelenti, azaz 0,1 ohm. Ha a source-okban 2 ohmok lennének, akkor azok rögtön az első ívhúzáskor megszakadnának. Mivel áramváltót sem látok, gondolom ezek egyben a sönt, ahonnan az áramjelet veszik. Az SMD természetesen helyettesíthető, csak meg kell nézni hogy milyen áramköri környezetben van, mert a lábasnak jóval nagyobb induktivitása lesz. A vezérlést és a nyákot elnézve itt nagyon nem mindegy.
"Nagyon sok gyártó alkalmaz ilyet."
Nem nagyon sok. Csak azok, akik a szervíz tevékenységből akarnak megélni. A normálisabb gyártók nem teszik a teljesítmény félvezetőket egy 0,05mm vastag szigetelőlappal bevont alulapra úgy,hogy még a nyomtatott áramkör rézfóliája is rajta van a szigetelőlemezen. Így csak blokkot lehet cserélni, egy-egy alkatrészt nem,vagy csak körülményesen. Én már több ilyen gépet is javítottam, ha a szigetelőréteg nem lyukad ki a meghibásodáskor, akkor javítható, de nem egyszerű eset.
A B15N60HS nem helyettesítője a G15N60HS-nek, mert sokkal kisebb a névleges áramához tartozó működési frekvenciája. A G15N60HS helyett csak a "G" kezdetű jó.
Helló
Ez a rajz lett összedolgozva a maci vezérlésével.A 2 db 555 helyett pedig 1 darab 556 van.De ez nem az én érdemem és munkám hanem Tubi kollégáé.Én csak a nyáktervet kaptam meg tőle és az alapján építettem meg a vezérlést.Annyi módosítás történt,hogy a potinál a 820 ohm helyett 1 kiló van,a frekibeállító kondi 3.3 nano meg az uc ic 6-os lábán a 2 kiló helyett 2.2 kiló van
Itt van a kiegészítés! Amit én terveztem nyákot azon már rajta van!+ nyák terv!
A hozzászólás módosítva: Dec 4, 2012
Köszi! Igyekszem majd
Szuper hobbi ez nekünk
Sziasztok. A Tubi56 kollégátol szeretném megkérdezni a legutobbi nyák terven mekkora a gate trafó mérete. Eldöntöttem én is bele vágok. Elöre is köszi.
Hát igen.
A probléma hogy ilyet nem leltem amit megtudnék rendelni. Nincs egy olyan oldal (magyar) Ahol megtudnám rendelni egyszerre a vezérló L6386-ot és az IGBT,csak a hq .de ott is bajos mert csak helytesitőt hoz fel. :S Érdemes megkérdezni hogy lesz e még G15N60HS??? Mert benne van a listába csak nem rendelhető de még nem kifutott termék. Végül is elviekbe működne a B-el is nem? Mire számíthatok? Úgy döntöttem lábassal helyettesítem az ellenállásokat is. Ha hegesztő nem is de egy jó vízbontó lesz belőle ![]() De nagyon szeretnék még inkább hegeszteni vele. Esetleg tudtok egy jó oldalt ajánlani ahol megtalálhatóak a szükséges alkatrészek?
Amint az előző hsz-ban írtam, lényegesen kisebb a névleges áramához tartozó működési frekvencia. Tehát ha a gyártó a drágább "G" jelölésűt rakta bele, hidd el, nem ok nélkül tette. A gyártóknál inkább az a jellemző,hogy a határesetes félvezetőket építik be, mintsem azt, amelyik drágább a még éppen megfelelőnél.Tehát ha nem akarod kétszer kifizetni az IGBT és a posta díját, akkor az eredetivel azonosat,vagy jobbat tegyél bele.
Az ajánlott helyettesítő a HGT1S7N60A4S és az SGB15N60HS.
Valószínűleg félreértettük egymást, mert én is az SGB15N60HS gondoltam helytesitőnek.
Igaz az előző hozzászólásomba nem iram ki teljesen de az elsőnél még adatlappal együtt linkeltem. Idézet: „Az ajánlott helyettesítő a HGT1S7N60A4S és az SGB15N60HS.” Elnézést én vagyok a hibás.
Helló
Nem tudom megvan-e neked ez a rajz.ez a maci rajza a kiegészítő áramkörök nélkül.Én ez alapján és Tubi kolléga nyáktervére építettem a gépet.A gate trafó nálam ee-25-ös ferritmagon van légrés nélkül.Használhatsz ei 30-ast is abba kell légrés.A folytóm 2 pár u-57-es asszem 12 menet fért rá.A főtrafó 4 pár u-57-es.Van benne mindkét oldalon kb 0.1 mili légrés és toroid formában tekertem meg.Eddig 3 szál elektróda volt a próba,de nagyon jól szuperál.A freki beállító kondira figyelj oda.Tubi kolléga nyáktervén 2.2 nanos van mert az ő gépe 50 khz fölött jár.Én 3.3-asat tettem mert az igbt-im és a főtrafóm se nagyon tud többet 35 khz-nél.Ha az utolsó 10-15 oldalt átnyálazod akkor kb minden kérdésre választ kapsz.Nálam kevésbé nem érthetsz Te sem a dologhoz,és én rengeteget kérdeztem az utolsó pukkot követően.És lám a gép szuperál ![]() Jó építést
Akkor elbeszéltünk egymás mellett, és én sem figyeltem eléggé. A lényeg,hogy megtaláltad amit kerestél.
Szeva.Köszi a választ én is honapok óta olvasom a forumot csak nem voltam benne biztos igy hát inkább kérdezek.Nem akarok füstgépet.
Sziasztok,
Végre tudtam foglalkozni a hétvégén a "hidas"gépem összerakásával. A jövő hétvégén indítani is szeretném csak még egy fojtót kell csinálnom.Van ETD-39-es magom,az elég fojtónak? Pár kép a mostani állapotról.
Hello
A kapcsolási rajzodat és a nyákterveidet meg osztod velünk? Én is hidas hegesztőt szeretnék építeni. Egyelőre félbeszakadt. Jól jönnének ötletek a tiéd alapján. |
Bejelentkezés
Hirdetés |




Amúgy van talonba még egy teljesen kész panelom ami csak a kiegészítő áramköröket tartalmazza.Egyenlőre eltettem.Lehet egyszer építek hozzá egy gépet

), amit ráadásul a nyák hűt mert hűtőbordája sincs. Ezzel így ránézésre max. 40A-el mertem volna hegeszteni, azzal is csak szakaszosan.










