Fórum témák
» Több friss téma |
Fórum » Csöves erősítő készítése
Ne feledd betartani a fórum viselkedési szabályait, és a topik megmaradásának feltételeit. [link]
A téma átmenetileg fagyasztva lett, hozzászólni nem tudsz!
Ha kell, akkor nekem is van 3db eladó....
2 db nekem is van, valami terv kéne hozzá.
Ez mind attól is függ, mihez szeretnél előfokot készíteni.
Akkor abban itt tudnak Neked igazán segíteni.
Sziasztok!
Egy fénycsőfojtó megfelel szűrésnek? (Az elkók mellé.)
Szia!
Próbáld ki az áramkörben! Ellenőrizd az egyen-, és a brummfeszültséget! Az előbbinek nem szabad eltérnie, az utóbbinak meg minél kisebbnek kell lennie. Ezen kívül ne legyen forró, hogy ne süss rajta tojást! Idézet: „Köszönöm mindenkinek a segítséget. PP Kimenőtrafó készítéshez kell az információ. Egy régi AV760 erősítőben szeretnénk kicserélni a gyári 100 voltos kimenőt egy 8 Ωosra.” Ellenütemű AB1 osztályú illesztést a 11-14. oldal diagramjai alapján lehet méretezni. A hozzászólás módosítva: Dec 6, 2013
Mi már készítettünk ilyet. 60W és 10K-s illesztéssel. A 80W csak rácsáramban megoldható, a minőség és csövek kímélése érdekében (határadatok feletti anódfeszültséggel jár) érdemes lejjebb adni a teljesítményből.
APX100 kimenőre 3000 menet 0,3-as huzalból a primer, a szekunderekre hirtelen nem emlékszem, olyan 70-80 menet, de kiszámolható. A hozzászólás módosítva: Dec 6, 2013
Sziasztok!
Mivel nem szeretnék minden buta kérdést feltenni a csöves erősítőkkel kapcsolatban, inkább azt kérdezném, hogy tudtok-e olyan olvasmányt ajánlani, ami jó alapot adna a csöves erősítők építésének elkezdéséhez. Olyan kéne, ami a mai kereskedelemben is kapható csövekhez ad útmutatást. Szeretnék a jövőben építeni 1-2 erősítőt, eleinte előerősítőt, aztán egy kis teljesítményű végfokot is. Köszönöm előre is a segítséget!
Ezt lapozgasd és hangra derülsz...
Sziasztok!
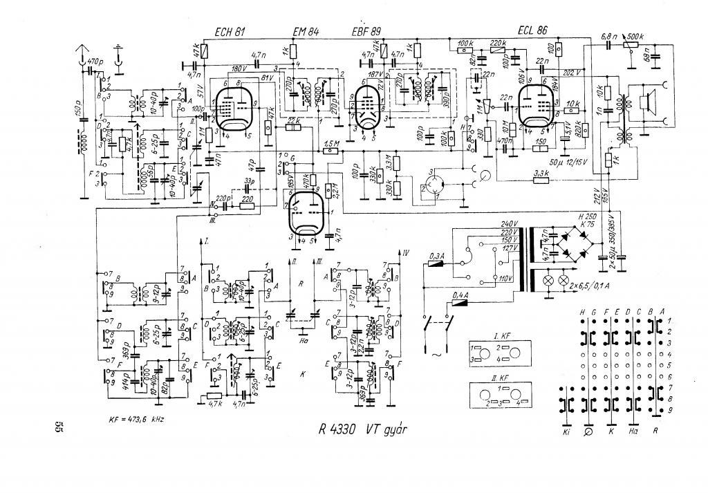
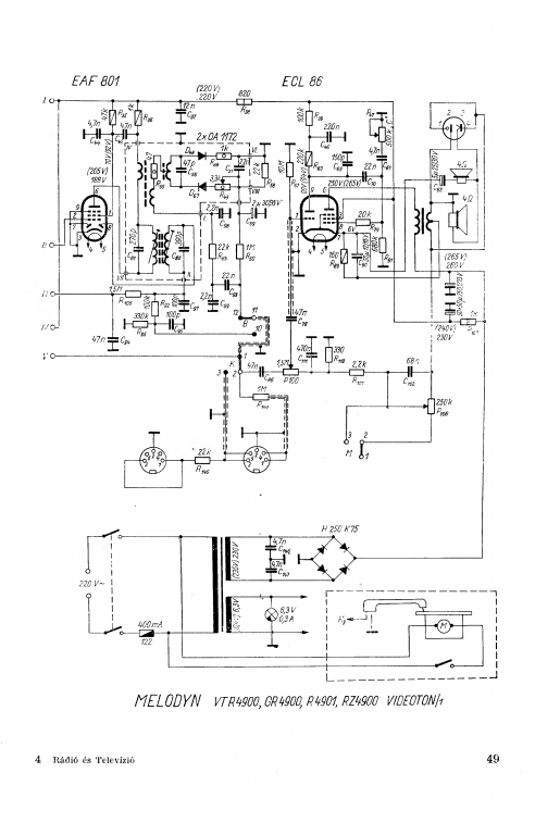
Szeretnék építeni egy sztereó erősítőt ECL 86-al. Van 3 donor VT rádióm. R4330, R4430, R4901. A problémám hogy mindegyikben más a kimenő trafó, illetve a kapcsolási rajz is. Van valakinek információja arról hogy melyiket érdemes használni? Abból a típusból megpróbálok beszerezni még egyet. Jó megoldás lehetne a hallás utáni döntés(gondolom), de jelenleg 2000 km választ el a rádióktól. Az ünnepek alatt csak néhány napom lesz építkezni, ezért megpróbálok felkészülni időben. Köszönöm a válaszokat.
Én a helyedben azt a kimenőtrafót választanám, amelyik a legnagyobb méretű, mert annak várható a legjobb átvitele. A két oldalnak nagyon tanácsos egyformának lennie. Régi TV-kből PCL86 hangkimenői is használhatók.
Meg a PCL85 képkimenői is, persze áttekerve.
A varázsszemek is felkerültek. És egy kép a belsejéről is.
A varázsszemeket néha jó lenne kikapcsolni. Ilyenkor ha a fűtést kapcsolom le az elég, vagy vele együtt az anód feszültséget is kapcsoljam le? A hozzászólás módosítva: Dec 6, 2013
A Melodynban hatalmas mélyhangszóró van és külön magassugárzó. Hátha a kimenője is picit jobb a másik kettőnél.
Az anódfeszt kell kikapcsolni, a fűtést nem szokták, legalábbis a gyári készülékekben, pl. a Grundig/Unitra orsós magnóknál csak felvételkor megy a varázsszem, lejátszáskor nem. Illetve a rádiókban, ha külső bemenetre kapcsolsz, akkor szintén kikapcsolják a hangolásjelzőt.
szerk: milyen szépek a paneljaid! Hol készíttetted őket? Vagy saját munka? A hozzászólás módosítva: Dec 6, 2013
Tévés/Rádiós kapcsolásokat nem építenék újra.. Próbáltam, de egyik sem az "igazi". Itt a fórumon djhans által prezentált kapcsolás tekintjük a legjobbnak.. megcsináltuk már páran és én is ehhez csatlakoznék.
Kimenőből lehetőleg szerint két egyformát keress, és ahogy gkari mondja a csöves televíziók gyári kimenői is megfelelhetnek a célnak ,ha nem szeretnél tekertetni. Neked ECL van, de PCL is jó bármely kapcsolásba, csak a fűtés más. ECL86 6,3V-al fűt, míg tévés társa 13,3V-14,5V között vesz fel 300mA-et fűtésre, és itt ez a lényegesebb. A 300mA Bővebben: Link A hozzászólás módosítva: Dec 6, 2013
Köszönöm! A fűtőfesz ami jobban bánt, mert vettem 3db használt EM84-et, és az egyik fűtése nálam halt be, kb 2 perc alatt.... Szóval lehet inkább kapcsolom mindkettőt.
A NYÁK saját tervezés és készítés. Alkotótól vettem pár ötletet, és azt hasznosítottam tervezéskor. Csak sajnos nagyon sok idő rámegy.
Én is a Melodyn-ra szavaznék, nekem egy EL84 SE-ben van innen származó kimenő, és meg vagyok elégedve vele.
De nem írta, hogy SE vagy PP lesz belőle. A rádióból származó trafó vaskeresztmetszetek egy PP-be már kevesek, nem? Nekem a kis 2*3W-os SE-ben is EI86-os mag van.
Szia! Ennél a ( djhans féle ) rajznál jó az 5,2K -s kimenő ?
A hozzászólás módosítva: Dec 6, 2013
SE lesz. 2x3Watt szobába elég. Ha több kell van 3 átépített APX-em. Melodynban csak egy hangszóró van. Ez az alacsony dobozú verzió. Mivel működnek a rádiók, a hálózati trafók adottak. Abból csak egy kell. Így a kimenővel van csak gond. Vagy kipróbálom mindet, és a fülem dönt. Bár van némi eltérés a kapcsolásokban. Az érdekelne hogy az egyik kimenőn a visszacsatolás a hangszóróról megy, a másikon külön tekercsről.
-1 primer 1 szekunder -1 primer 2 szekunder -2 primer 2 szekunder Biztos van oka hogy így csinálták. A vasmagkeresztmetszeten kívül gondolom ez is befolyásolja a hangot. Szerzek még egy rádiót.
Igen.. szerintem jó lesz oda.
Idézet: „a hálózati trafók adottak. Abból csak egy kell.” Hát ez nem olyan biztos.. Lehet hogy oldalanként kell egy abból is. Mert a rádiók mono kivitelűek voltak és a trafókat is ily módon gyártották, méretezték. Nagyobb rádiók trafói pl: Pacsirta, Budapest biztosan elbírnak egy ilyen kisebb sztereo SE rendszert, azaz 2db végfokozatot. Az egyik szekunder lehetett akár a fejhallgatóhoz is. Illetve a visszacsatolásnak. Az osztott primeres pedig jó.. minél kimunkáltabb annál jobb.
Osztott primer rádióba? Emlékeim szerint a hazai rádiókban aligha volt ilyen. Az inkább hálózati fojtó akar lenni, három kivezetésből kettőn ott van a pufferkondi, a harmadikon a cső anódja.
Nem tudom mekkora a feszültség igénye az ECL86-nak, de az R4430-ban 5 cső van. ECC85, ECH81, EBF89, EM84, ECL86. Csak elbír két ECL86-al? Bocs nem értek hozzá.
|
Bejelentkezés
Hirdetés |











