Fórum témák

» Több friss téma
Fórum » Transzformátor készítés, méretezés
Ha kérdésed van, az alábbiak segítenek a hatékony választ megadni: Mag típusa: M, EI, UU/LL esetleg I-kből összerakott, tekercselt, toroid. Lehetőség szerint képpel. Méretek: magkeresztmetszet a*b (amit a tekercs körbeölel) ablakméret, lánc és toroidnál, belső-külső méretek. Primer-szekunder feszültség(ek), teljesítmény igény.
Lapozás: OK   185 / 399
(#) granpa válasza xHuslax hozzászólására (») Dec 28, 2012 /
 
Ennyi már jó is lehet, szakaszos üzemben bírni fogja.(Megvan a +100.) Ha úgy vezérled, hogy csak szükség esetén kapjon áramot (7-10% fesz.esésnél), akkor nem is lesz szinte veszteséged.
(#) xHuslax válasza granpa hozzászólására (») Dec 28, 2012 /
 
Hát azon gondolkodok hogy tudom megoldani hogy a trafo ne is dolgozzon ha nincs szükség rá.Valahogy összehozom.

Meg van tekerve,össze nem csavaroztam de kipróbáltam.
Az ellenálláson 0.26V,azaz 0.26/1.5=173mA.Kb 40W-ot melegit.
Annyit talán még el bir,ha folyamatosan is fesz alatt van....
(#) granpa válasza xHuslax hozzászólására (») Dec 28, 2012 / 1
 
Ez már baráti áram, ha jól összeszorítod (a csavarokra szigetelés, pl. (sütő)papír-cső), fog még javulni (a szorító vasak alá prespán(papír). Valami fesz.figyelő+relé, a mágneskapcsoló behúzótekercséhez (kis áram), és takarékos.
A hozzászólás módosítva: Dec 28, 2012
(#) xHuslax válasza granpa hozzászólására (») Dec 28, 2012 /
 
Igen,most próbáltam a csak kézzel összeszoritani,és azonnal esik az áram 50mA-el.A végén még valóban lesz belőle valami Majd még jól elszigetelem.

A fesz figyelés megvan a vezérlésben.Ott a mikrokontroler,de mégsem lesz olyan egyszerű a dolog.Holnap kiagyalok valamit.

Köszönöm a segitséget

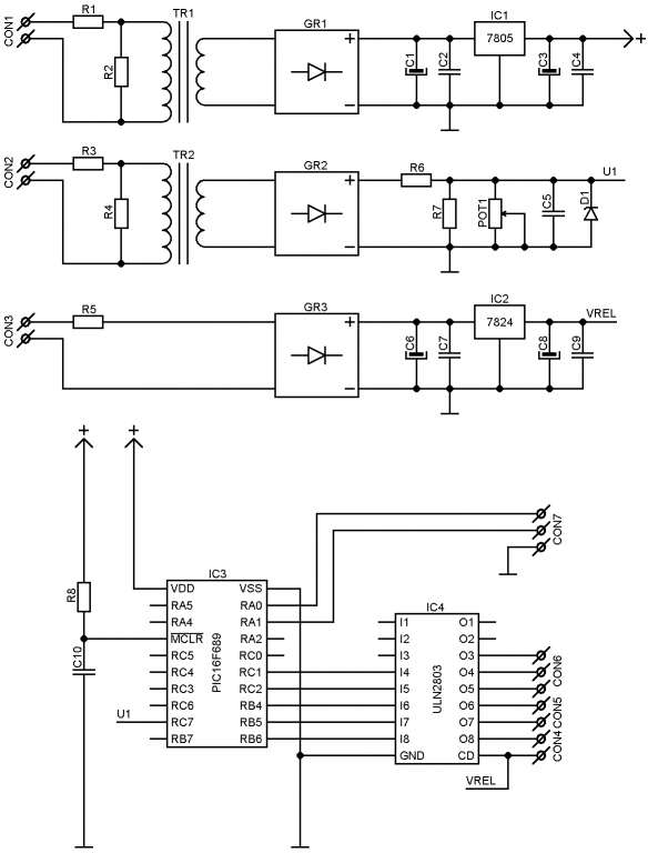
Egyébként itt a vezérlési rajzom,csak a trafó már igencsak eltér a feltüntetett értékektől.
A hozzászólás módosítva: Dec 28, 2012
(#) Mályi László válasza xHuslax hozzászólására (») Dec 29, 2012 /
 
Végig olvastam a trafó miatti problémádat, csak azt nem értettem miért fontos az Autó trafó a szivattyúhoz. A Pedroló nevű szivattyú 180V feszültséggel is működik nem ég le el is indul. Az igaz hogy csökken a Max nyomás a kisebb fordulat (nagyobb szlip) miatt.
(#) gordonfreemN hozzászólása Dec 30, 2012 /
 
Üdv!

Jól meg lett kavarva a transzformátor teljesítmény dolog az biztos.
Nálam jelenleg az a helyzet, hogy most már nem tudom mi számít.
Eddig én is úgy tudtam, ha a vas telítődésbe megy, nagyobb feszültséget már nem képes indukálni a szekunder oldalon. Gondolom, ennek egyenes következménye az átvinni kívánt teljesítmény korlátja is?

Elgondolkodtató az is, hogy azt írjátok, a tekercshuzal keresztmetszet a meghatározó a levehető teljesítményben (áram)
(figyelmen kívül hagyva most olyan tényezőket melyek az Alkotó által lentebb említett gazdaságosságra térnek ki)
(A vas területe ugye nem is kell, hogy változzon ahhoz, hogy a mag "magasabb" legyen, így több menet ráfér).
Hiszen egy 1mm2-es huzalról is lejöhet akár 16A, igaz nem túl sokáig, kérdés, hogy milyen hosszú a rézvezeték, mennyire tud hűlni.


Á, nekem ez mostmár káosz...

Amúgy ha van egy szép nagy toroidom, ami még 220-ra lett tervezve, azaz mostmár 235V-nál túl van gerjesztve, akkor csupán elég a primer menetszámot megemelni?
A hozzászólás módosítva: Dec 30, 2012
(#) gordonfreemN válasza (Felhasználó 13571) hozzászólására (») Dec 30, 2012 /
 
Na pont erre gondoltam én is, tulajdonképpen a másik tábor azt mondja, hogy nem számít a mag elektromágneses tulajdonsága (ami a keresztmetszetével egyértelműen változik).


(#) Ge Lee válasza (Felhasználó 13571) hozzászólására (») Dec 30, 2012 /
 
Komolyan mondom, ha kijön a jó idő és esetleg nem fogom sajnálni rá a pénzt és az időmet, akkor tekerek majd egy trafót. Persze csak azért, hogy összhangban legyen az elmélet a gyakorlattal...
(#) _vl_ válasza gordonfreemN hozzászólására (») Dec 30, 2012 / 1
 
Nincs másik tábor.

Adott fizikai magra adott keresztmetszetű vezetékből adott mennyiségű menetszám fér fel, ebből pedig kiszámolható/megmérhető, hogy adott feszültségszintnél adott teljesítménnyel terhelve mekkora lesz a vesztesége a vezetéknek és a magnak. Ha elkezded csökkenteni a vezeték keresztmetszetét, akkor hiába tudsz több menetet feltekerni (és ezzel csökkenteni a magveszteséget), ha emiatt megnő a vezeték DC ellenállása, emiatt pedig a vezeték vesztesége. És fordítva: ha elkezded a vezeték DC ellenállását csökkenteni (vastagabb vezeték/kevesebb menetszám), akkor pedig a mag vesztesége fog megnőni (amikor telítésbe megy, akkor elég durván).

Ha a feszültségszintet és a frekvenciát fixnek vesszük, akkor maximált veszteség mellett minden fizikailag létező trafónál létezik az a teljesítmény, amit max. ki lehet hozni belőle. De hogy ez egy egyszerű képlettel pontosan kiszámítható lenne pusztán a vasmag keresztmetszetéből, na az így ebben a formában már nem lesz igaz. Egész egyszerűen már azt se lehet egykönnyen kiszámolni képlettel, hogy adott fizikai méretű és alakú trafó hány Watt veszteségnél nem fog még éppen tönkremenni.
A hozzászólás módosítva: Dec 30, 2012
(#) pingvin23 hozzászólása Dec 30, 2012 /
 
Sziasztok!Lenne egy olyan kérdésem lehet hogy ez nem ide illik.Van egy trafóm amin sok kivezetés van.Van két forgó kapcsolóm és evvel szeretném változtatni a feszültséget.Hogy kezdjek neki ??Valaki tudna írni erről valamit?
(#) granpa válasza pingvin23 hozzászólására (») Dec 30, 2012 /
 
Szia! Ha a kapcsolóid elbírják a szükséges áramot, akkor a tekercs kezdete a fix pont, ehhez képest lépteted a kapcsolóval a feszültséget (a többi tekercsvéget). Tehát a következő érintkező, a köv. fesz. lépcső, ami kimegy a kapcsolóból. A két kapcsolót egymás után kötve, sorban jönnek a fokozati feszültségek. Ahányszor kapcsolsz, annyiszor szakad meg az áramkör, különben rövidzárt okoznál a tekercsen. A fogyasztó (pl. tápegység) a 'fix' vég, és a kapcsoló kimenete közé kötendő.
A hozzászólás módosítva: Dec 30, 2012
(#) pingvin23 hozzászólása Dec 30, 2012 /
 
A trafó fix pontját hogy tudom megállapítani?Megvizsgálni?Kikeresni a 19 szál kanócból?
(#) pingvin23 hozzászólása Dec 30, 2012 /
 
Leegyszerűsítem a dolgot.Ezek az alkatrészek vannak nekem a táphoz:
1Db Trafó amin van 19 kivezetés,
1db Diódahíd
1db váltókapcsoló aminek az lenne a szerepe hogy tudnám váltakoztani a kimeneti feszültségen hogy egyen illetve váltakozó legyen.
2Db fokozatkapcsoló
A trafó legkissebb feszültsége 0.3V a legnagyobb 51V
Tudnátok nekem ehez az ötlethez egy rajzot készíteni hogy hogyan állítsam össze?
(#) granpa válasza pingvin23 hozzászólására (») Dec 30, 2012 /
 
Van a 19(szekunder) szál közül olyan, amelyhez képest a többi feszültséget mutat (valószínűleg az a vég amely és egy másik közt a legnagyobb feszt. méred). Logikusan bármely más végek közt kisebb a fesz. Innen már csak lépcsőzni kell (mérve, és megjelölve). Azt a véget vedd kezdetnek(fix), amelyhez képest a legkisebb feszültséget méred(az összes többihez képest). Pl. 0-12-17-24-....48-51V. A 0.3V-ot hol mérted, arra biztos nem lesz szükséged a lépcsőzéshez. Mérj(írj) egy feszültség-sort. Azonos keresztmetszetűek a kivezetések (szekunderek)?
A hozzászólás módosítva: Dec 30, 2012
(#) pingvin23 hozzászólása Dec 30, 2012 /
 
Megvan a fix pont azonos keresztmetszetűek a vezetékek. 7.4/12.3/14/15.9/16.4V
Köszönöm a tervet a tervhez egy kérdésem van még amugy mindent értek:az egyen és váltó kimenetet hogyan lehetne megoldani egy kapcsolóval egy kimenetre alakítani?
(#) Gafly válasza pingvin23 hozzászólására (») Dec 30, 2012 /
 
Terhelhetőség azért kérdéses.

Ezek a kapcsolók nem komoly terhelésre keszültek.
(Ettől még jók, sőt nagyon jók, csak tudni kell, hogy műszerbe valók, nem hegesztőbe...).

Fénykép sokat segítene a trafóról, mellé téve egy centi, gyufásdoboz, vagy hasonló hiteles tárgy, csak úgy a méretarány végett...
(#) Gafly válasza pingvin23 hozzászólására (») Dec 30, 2012 /
 
Elég érdekesek az osztások...
Minden kivezetés külön ki van vezetve és le van szigetelve?

Csak nem egy fűtőtrafó???
Na jó, ha nem is az, de annak biztosan jó
(#) granpa válasza pingvin23 hozzászólására (») Dec 30, 2012 /
 
Ennek így a vége ~66V, nem 51V. Hogy is van ez? Milyen vastag a szek. tek. drótja? Mekkora a trafó?
(#) pingvin23 hozzászólása Dec 30, 2012 /
 
Na várjatok nem jó az előbbi csak hamarabb reagáltál
31/27/22/17/13/8.3/3.7/3.6/2.2/5.1/4.2/3.1/2.7/2.2/1.6/1.7/1.3/0.3
Ezek a valós adatok
(#) Gafly válasza pingvin23 hozzászólására (») Dec 30, 2012 /
 
Ennek így már kezd értelme lenni...
(#) granpa válasza pingvin23 hozzászólására (») Dec 30, 2012 /
 
Ez meg így ~150V (a két vége közt). Trafó,-huzal méret?
A hozzászólás módosítva: Dec 30, 2012
(#) pingvin23 hozzászólása Dec 30, 2012 /
 
huhh most hirtelen már nem tudom kint van mühelyben holnapra megírom az adatait le is mérem
(#) pingvin23 válasza Gafly hozzászólására (») Dec 30, 2012 /
 
persze minden vége kivan vezetve és szigetelve. képet holnap tudok felrakni
(#) pingvin23 hozzászólása Dec 30, 2012 /
 
amugy a kivezetések elég vékonykák 0.5 lehet de ez a táp így működött csak szétszedték és ugyanúgy mint én nem tudták összerakni.úgy kaptam se rajz róla se semmi a kapcsoló is fura mert gondoljatok el egy nagyobb kört meg egy kissebet benne,és és tele vannak pontokkal ehez lapul 2 lábacska ha egyenáramról beszélnénk akkor az egyik a negatív láb és pontozat a másik a pozitív ág és pontozat.Esetleg akkor mi lenne ha a két kapcsolót kihagynám és valami más módon szabályoznám a feszültséget?ez ennyi kivezetésnél kivitelezhető?
A hozzászólás módosítva: Dec 30, 2012
(#) xHuslax válasza Mályi László hozzászólására (») Dec 31, 2012 /
 
A szivattyú eddig is működott,de 180 volt a fesz nem egyszer működés közben.Induláskor annál is lejjebb esik,de azt már pontosan nem tudtam kimérni.
A másik hogy a szivattyú oldalán fel voltak tüntetve az adatai.Szerepelt a feszültség is: 230+-5%.Itt pedig gyakran 20 25% eltérés is jelentkezik.

En csak felhivtam erre a figyelmét az illető személynek,magam érdekében is,és úgy volt vele hogy inkább rákölt még,minthogy a szivattyú égjen le.

Végülis most biztosan nem lesz gond,bekötöttem,tökéletesen dolgozik

Egyébként 4sr 6/13as szaivattyúról van szó.Nem a legolcsóbb a ettől a gyátótól.
A hozzászólás módosítva: Dec 31, 2012
(#) Gafly válasza xHuslax hozzászólására (») Dec 31, 2012 /
 
Örülök hogy kerek lett a történet

Mondjuk, ha az elején elmondod tényszerűen (két mondatban) a kérdést, akkor nem túráztunk volna rajta ennyit, valamint te is gyorsabban kapsz segítséget...

Pár okosság azért megszívlelendő lehet a sok bla-bla között bárkinek, aki olvassa a fórumot...
(#) xHuslax válasza Gafly hozzászólására (») Dec 31, 2012 /
 
A problémát azt hiszem egyszerűen megfogalmaztam.
(#) Gafly válasza xHuslax hozzászólására (») Dec 31, 2012 /
 
Idézet:
„A problémát azt hiszem egyszerűen megfogalmaztam.”


Ez így van és legyél büszke rá

Idézet:
„A napokban tekercseltettem egy EI trafót.(45*45mm a középső oszlop keresztmetszete)
Az a gond vele hogy nagy az üresjárati árama,kb 0.45 A.Terhelés nélkül este bekapcsoltam és reggelre nagyon meleg volt a vasmag.3-4 s után muszály volt levennem a róla a kezem.
Primernek 345 menet lett tekerve (220V).Ma letekertem a sekundert és a primerhez hozzátettem még 40 menetet,de az üresjárási áram még mindig 0.33A.

Ez sok?Létezik hogy még mindig túl van gerjesztve a trafó?

A lemezeken azt vettem észre hogy nem teljesen egy szinű mindkét oldaluk.Arra is gondoltam már,hogy nem mindegy hogyan forditom őket.

Esetleg az általam gyártott aluminium zárólemezek befolyásolhatják?”


És akkor itt a tökéletes megoldás:

Idézet:
„A szivattyú eddig is működott,de 180 volt a fesz nem egyszer működés közben.Induláskor annál is lejjebb esik,de azt már pontosan nem tudtam kimérni.
A másik hogy a szivattyú oldalán fel voltak tüntetve az adatai.Szerepelt a feszültség is: 230+-5%.Itt pedig gyakran 20 25% eltérés is jelentkezik.

En csak felhivtam erre a figyelmét az illető személynek,magam érdekében is,és úgy volt vele hogy inkább rákölt még,minthogy a szivattyú égjen le.

Végülis most biztosan nem lesz gond,bekötöttem,tökéletesen dolgozik”

(#) SZISZI86 válasza Gafly hozzászólására (») Jan 2, 2013 /
 
Sziastok!

Ismét segítséget kérnék.Van egy szünetmentes tápegységből bontott lemezes trafóm.Át szeretném tekerni 230V/ 2x28V-ra kb 300VA-ra,erősítőhöz (ST151) kellene.A tápegység a miből van ez a trafó 450W-os volt, nem tudom tudna e a trafó 300VA-t.A vasmagot egyben mértem le
(nem szedtem még szét) kép mellékelve.A menetszámokhoz és a huzalátmérőkhöz kérek segítséget.

Előre is köszönöm.

Vasmag.png
    
(#) fleta válasza SZISZI86 hozzászólására (») Jan 2, 2013 /
 
Szia!
Sajnos ebből a trafóból nem tudsz kivenne 300 VA-ert.
1T-vel számolva 71 VA, még 1,2 vel ami már majdnem sok, is csak 91,2 VA.
A menetszámok :230V 606menet 0,45
Szek 2x 28 V 2x73menet 2x1,6 A 0,9-es huzal
2,5V/cm2
Következő: »»   185 / 399
Bejelentkezés

Belépés

Hirdetés
XDT.hu
Az oldalon sütiket használunk a helyes működéshez. Bővebb információt az adatvédelmi szabályzatban olvashatsz. Megértettem