Fórum témák
» Több friss téma |
- Ez a felület kizárólag, az elektronikában kezdők kérdéseinek van fenntartva és nem elfelejtve, hogy hobbielektronika a fórumunk!
- Ami tehát azt jelenti, hogy a nagymama bevásárlását nem itt beszéljük meg, ill. ez nem üzenőfal! - Kerülendő az olyan kérdés, amit egy másik meglévő (több mint 17000 van), témában kellene kitárgyalni! - És végül büntetés terhe mellett kerülendő az MSN és egyéb szleng, a magyar helyesírás mellőzése, beleértve a mondateleji nagybetűket is!
Szerintem Arduino
Egyszerű programot írni erre (van benne analóg-digitális átalakító, pont 5V-ig mér, azzal sem lenne gond), de az már nem biztos, hogy olyan egyszerű az órára bekötni.
Hello!
A tárolóban elvileg nincs semmi belső áramkör beépítve, ami bekapcsoláskor valamelyik helyzetbe billentené a tárolót. (Még akkor is így van, ha több bekapcsoláskor ugyan abban a helyzetben indulna el. Az alapállapot a beépített tranyók sebesség különbségéből adódhat.) Vagy is Reset áramkörrel kell az ilyent biztosítani, ha ez fontos számunkra. Mivel Te a Set és Reset bemenetet egy-egy kondival húztad a tápra, bekapcsoláskor mind kettő hatni fog, míg a kondi fel nem töltődik. A végállapot attól fog függni, hogy a két RC tag közül melyiknek lesz hosszabb az R*C ideje. (Persze ha egyforma a két oldalon az alkatrészek) üdv! proli007
Hello!
A táp bekapcsolásakor nincs gond, megjelenik a feszültség, "fel lehet szabályozni" a szalagot. De kikapcsoláskor van gond. Hiszen megszüntetted azt az energiát, amiből a Led-ek égnének. Ezt az energiát kikapcsoláskor (ahogy Jani is javasolta másik fórumon) egy kondiban lehetne tárolni. De.. Számold ki mekkora kondi kell. 10W-os Led 3sec tovább égéséhez 10Ws energia kell. Egy kondiban tárolt energia, C*U^2/2. 12V tápfesz mellett, számold ki, hogy mekkora kondi igénye van ennek. (A kondi értékét Farádban, a feszültséget Voltban kell megadni, az eredmény pedig Wattszekundum kapod.) A Led-ek csökkenő fényereje miatt, elvileg nem lenne szükség a 3Wsec energiára, csak sajnos a kondi 12V feszültségét sem tudod kihasználni nulláig, mert a Ledek nyitófeszültségük alatt, már nem égnek. üdv!proli007
Hello! Pontosabban 30Ws energiáról van szó.. üdv! proli007
Sziasztok! Nem találtam megfelelő topikot így ide írom: Van itt olyan aki használta már a Corel programcsaládot? Az lenne a kérdésem hogy a CorelDRAWban lehet e egyáltalán és ha lehet hogy lehet képből vagy be tud olvasni pdf-et is vektorost csinálni? Az X6-ban amit letöltöttem nincs benne a TRACE pedig azzal csinálnám. Ti melyik verziót ajánljátok ilyenre amiben benne van a TRACE vagy van esetleg olyan program amivel kiválthatom? A Corel programcsaládban van valami a TRACEn kivül ami ellátná ezt a kérést? Én úgy hallottam hogy a DRAW is tud ilyet de nem tudok rájönni hogy hogy.
Előre is köszönöm. Üdv!
Sziasztok!
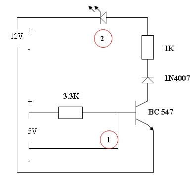
Előre is elnézéseteket kérem, ha nagyon bugyuták a kérdéseim, de még kezdő vagyok az elektronikában! A mellékelt kapcsolásról szeretnék kérdezni. Lényege az volna, hogy 5V-os hálózatról kapcsolok 12V-osat, majd ahol most egy led van, oda egy relé fog kerülni, ami 12V-on kapcsol egy 230V-os hálózatot. Jelenleg egy számítógép tápegységéről kapja az 5 és 12V-ot is. Lehet, hogy több baj is van vele, szívesen fogadom az észrevételeket! Az 1. megjelölt pontnál egy olyan problémám van, hogy ha ezt a negatív ágat visszakötöm a tápegység földjére, akkor nem nyit a tranzisztor. Ha nem kötöm vissza, akkor rendben van. A levegőben nem lógattam azért a kábelt, hanem becsíptettem egy ollóba! Másrészt egy hasonló kapcsolási rajzon azt láttam, hogy egy 10K ellenállás is van ezen az ágon a föld előtt. Kell az ide vajon? A kettes pontnál a tranzisztor zárt állapotában azt látom, hogy a led egy kicsit világít (kb 2V feszültséget mértem a két lába között, áram elméletileg nem folyik, vagy nem jól mértem). Világíthat így a led? Párhuzamos portról szeretném majd vezérelni az egészet, de annak a föld részével ugyancsak bajban vagyok. Ötletem, hogy valamelyik adatlábat bekötöm a mostani +5 helyére (esetleg kisebb ellenállást tesztek be és lehet, h. egy dióda sem árt), a párhuzamos port valamelyik GRD lábára pedig rákötöm a negatív ágat. Vagy külön földre kötöm a párhuzamos port GRD lábát, és külön földelem a pozitív ágat? A földelésről alapból nem sok fogalmam van sajnos… Ez a kiinduló áramköröm: http://elektron.uw.hu/elektro/egyeb/Relay/kapcsi.jpg Valaki meg tudja mondani nekem, hogy itt melyik föld pont hová mehetne a valóságban? Vannak amik mehetnek közös pontra is? Másrészt azon gondolkodtam, de nem tudom hogyan mérjem meg, vagy miből derítsem ki(lehet, hogy a katalógusadatokból számítható), hogy a tranzisztor E-K nyitott állapotában (tehát amikor nyitja a 12V-os áramkört) mekkora ellenállást képvisel azon? (működő állapotában nem mérhetek ellenállást, zárt állapotban meg felesleges) Köszönöm előre is a választ!
Ez itt tényleg nagyon off, de tessék: Bővebben: Link
- A negativ agakat mindenkeppen ossze kell kotni, ez legyen az elso lepes. Az lesz a kozos 'nulla', fold pont. Ahhoz kepest lesz az 5V 5, a 12V meg 12.
- A diodakat forditsd meg. - Az 5V negativjanak NEM kell odamenni a tranzisztor bazisara. Csak kozositsd a 12V folddel, sehova mashova nem kell. - A negativok itt a 'foldek'. - a relehez szoktak kotni egy diodat parhuzamosan, vissziranyba. - ha az 5V bemenet nem 0 vagy 5V mindig, hanem lebeghet (nincs bekotve), akkor a tranzisztor bazisa es a fold koze koss egy ellenallast, mondjuk 22K-t, hogy a tranzisztor biztosan lezarjon ilyen esetekben. Egyelore nezd meg LEDdel, aztan ha megy, akkor jojjon a rele. A hozzászólás módosítva: Jan 2, 2013
Helo!
Először is nem tisztáztad pontosan, hogy az áramkör amit építesz, pontosan miről fogja kapni a tápot, és hogy mit fog kapcsolni. A kiinduló áramkörödben az 1n4007-es dióda az a relé miatt van ott /hogy ne tegye tönkre a tranzisztort, ha lekapcsoláskor a tekercsben tárolódott energia meg akarna indulni a tranzisztor felé/, ebbe a csatolt képbe, pedig nem kell. Ahogy nézem a LED is fordítva van bekötve. Ezt a kapcsolást én is megcsináltam, mikor a tranzisztorral ismerkedtem, és én csak a LED-et és a bázis, és kollektor ellenállást alkalmaztam, és működött. Szóval ha pontosabb választ akarsz, akkor egy móricka ábrát tehetnél fel a végleges kapcsolásról, ötletről.
Sziasztok!
Szeretném megkérdezni, hogy ahhoz a kapcsoláshoz, ami a cikkekben van labortápegység Edison14, ahhoz mekkora a minimum trafó feszültség? Azt is írja, hogy max 3A lehet, de ha több az sem baj nem? A hozzászólás módosítva: Jan 2, 2013
Ha végigolvastad a cikket, az alkatrész lista végén ott van: 75VA (minimum, hogy tudja a leírtakat). Nagyobb lehet, lesz tartalékod. Bár ahogy írja, olyan mintha a szekunder teljesítményhez írta volna, ekkor +10% kb. Tehát egy 80-100VA-es elég.
A hozzászólás módosítva: Jan 2, 2013
Köszönöm a választ!
"Az lesz a kozos 'nulla', fold pont. " - ezeket a földpontokat akkor is összeköthetem, ha a számítógépem tápegységének az egyik vezetékéből veszem a 12V-ot, a másikból az 5V-ot? És ha külön tápokról menne akkor is? "A diodakat forditsd meg. " - ezt elrajzoltam "ha az 5V bemenet nem 0 vagy 5V mindig, hanem lebeghet (nincs bekotve), akkor a tranzisztor bazisa es a fold koze koss egy ellenallast, mondjuk 22K-t, hogy a tranzisztor biztosan lezarjon ilyen esetekben." Ezt sajna nem értem. Ha beteszek egy nagyobb ellenállást még ebbe a körbe (egy 3,3-as már van), akkor nagyon lecsökken az áramerősség. Másrészt, akkor nem jobb, ha a 3,3-as helyett beteszek egy nagyobbat, és akkor nem kell külön a 22K-s? Valamit biztosan nem jól értek, de nem jövök rá, miért lenne jó pontosan egy ilyen külön 22K-s ellenállás.
PErsze végigolvastam, csak számomra úgy jött le a dolog, hogy 25V se több se kevesebb és 3A se több se kevesebb ezért kérdeztem rá, mert furcsállom, hogy ennyire kivan centizve a dolog és lehetetlennek tartottam
A feszültség mekkora lehet minimum? Ja igen és a pótméterekből gondolom logaritmikus kell. Jól gondolom?
De nekem ez az X6-ban nincsen benne. El kellett volna olvasni a kérdést.
Mivel az alkatrész-jegyzékben nem jelöli; így A, tehát lineáris (amúgy is az a szokásos, néha előfordul, hogy jobb a "helix" a finomabb állíthatóságért, de ez itt nem kell). Ha kisebb feszültségű/áramú a trafó, akkor kisebb tudású lesz a táp, és néhány alkatrészt esetleg át kell méretezni (főleg feszültségnél).
Hello
Kis méretű forrasztó ónt (lehetőleg ólom mentest) Budapesten hol lehet olcsón venni? 0,2-0,6mm átmérőjűt keresek.
Sziasztok!
Az lenne a kérdésem ,hogy szerintetek ,hogyan lehet felfogatni egy TO220-as tranzisztort úgy ,hogy 4-es csavar megy benne át. Pontosan az a gondom ,hogy szigetelőlapot tudok tenni de szigetelőgyűrűt már nem ,mert abba csak a 3-as csavar megy át. Hogyan szigetelhetném el teljesen a tranyómat a háztól???
Elég drasztikus megoldás, de én áterőszakoltam a csillámon a csavart. A nagyobb gond a szigetelő gyűrű beszerzése...
Miért nem jó neked a 3-as sróf, az a gyári méret. (De fel is lehet fúrni, finoman, jó rögzítve, ha van akkora szigetelő-gyűrűd.)
Egy stroboszkópot szeretnék felfogatni egy reflektorházba.
A panel annyira zsúfolt ,hogy csak a Tranyón keresztül tudom felfogatni a ház aljába. ott pedig 4-es menet van vágva az aluházba. A gyűrű helyett arra gondoltam ,hogy húzok rá zsugorcsövet. A tranyót fel tudnám fúrni 4,5-es fúróval?
Fel, ha nem ér bele a műanyagba (tokozásba).
Sziasztok! A DM311 IC-vel lehet tranzisztorokat meghajtani? Természetesen kapcsolóüzemű táphoz csak nagyobb teljesítmény kéne mint amit bír az IC. Adatlap
A hozzászólás módosítva: Jan 2, 2013
Üdv Mindenkinek!!
Olyan kérdéssel fordulok hozzátok, hogy hogyan tudnék egy Thomson VTCD760-ba valahogyan Egy mikrofon csatlakozót tenni. Mert sajnos gyárilag se mikrofon, sem pedig RCA bemenetet nem tettek bele, és arra gondoltam, hogy az erősítő elé kellene valahogy bekötni a 3 szálat! Ezt szerintem csak a kazetta funkciónál használnám, tehát arra mennék, rá hogy tape, és amikor lenyomom a play billentyűt (a mechanikust) akkor bekapcsolja az erősítőt és akkor ugye már csak a hang hiányzik amit telefonról, vagy számítógépről adnék az erősítőnek. A villanymotorra már tettem kapcsolót, az adapterkazetta miatt, hogy nem tekerje, mert kicsit zajos volt, de az adapterkazetta az valahogy nem biztosít olyan hangzást, mintha CD-ről játszanám, ezért szeretnék valami direkt megoldást csinálni!! Segítségeteket, Tanácsaitokat előre is köszönöm!
Szia! Ha fixen bekötnéd sem lenne jobb hangja, mert a szalagos rész tartalmaz egy szalagzaj szűrőt, ami megöli a magasokat (szalag sistergés). Ráadásul a szalag már nem is tartalmaz ilyen magas zenei hangokat. A végfok bemenetét kell megtalálnod és ott feléleszteni a dolgot. Természetesen ez a funkcióktól független lesz.
Találtam egy értelmesebb IC-t: AZ7500EP. Ezzel már meg tudom valósítani amit szeretnék, megrajzoltam a kapcsolást. Megtennén nekem valaki hogy ránéz, hogy működni fog-e ez így? Esetleg a tranzisztorok elé lehet hogy kéne valami leválasztás azt meg tudom oldani trafóval ha kell. Adatlap
A hozzászólás módosítva: Jan 2, 2013
Szia!
Talán akkor jársz a legjobban, ha a cd-re (P401 a pozíciószáma) menő csatlakozást bontod meg és egy váltókapcsolóval átkapcsolgatod, hogy a bemenet, vagy a belső eszköz menjen a hangerőszabályzóra.
A foldeket mindig ossze lehet - es kell - kotni, ha ket aramkort kozositesz.
Ahol a korabbi rajzodon az 1-es szam szerepelt, az a bazisa a tranyonak. Oda kell tenni az ugynevezett 'lehuzo' ellenallast. Ha jon az 5V, az egesz megjelenik a bazison, kinyitja a tranzisztort. Elenyeszoen kis resze folyik at a 22K-s ellenallason. De lehet meg nagyobb is, akar 1M, csak az szab hatart neki, hogy mennyire 'kemenynek' szeretned azt a lehuzast. Pl. ha hosszu drot van elotte, aminek a vegen nincs semmi, akkor osszeszedhet mindenfele zavart es ha nem elegge KICSI a lehuzo ellenallas, akkor veletlenszeruen kinyithat. Szoval minel tobb zavarforras van a kornyeken, annal kisebbre kell venni (annal konnyebben 'vezeti le' a zavart). Amire te gondoltal, az a kollektor-emitter kor (egyenes vonal/nyil), valoban oda nem erdemes tul sok ellenallast pakolni, mert tul kicsi aramnal nem huz be a rele. Ott folyk majd a 12V arama. A bazis es az emitter (fuggoleges vastag vonal/nyil) vonalon meg az 5V arama. Erdemes ugy gondolni rajuk, mint kis patakokra. Az emitteren egyesul itt most a ket (viz)aram.
na ezt meg is fogom vizsgálni!!
köszönöm neked és az előtted szólónak is a felvilágosítást!
Üdv! egy Upeak-peak=20V-os kétutasan egyenirányított feszültséget pufferelve mekkora értéket kellene mutatnia a multiméternek és milyen üzemmódban (DC/AC)?
|
Bejelentkezés
Hirdetés |




Egyszerű programot írni erre (van benne analóg-digitális átalakító, pont 5V-ig mér, azzal sem lenne gond), de az már nem biztos, hogy olyan egyszerű az órára bekötni. 


köszönöm neked és az előtted szólónak is a felvilágosítást! 





