Fórum témák
» Több friss téma |
Fórum » Ki mit épített?
Ez a téma ha úgy tetszik a mi "kiállítótermünk", nem pedig a ki mit csinált volna másképpen, mások helyett, és legfőképpen nem javítós téma.
Minden készüléknek van saját témája, ott kell kitárgyalni a részleteket!
FONTOS! A kapcsolási rajzok keresésére is van saját téma, ott keressetek rajzokat!
Szia!
Pl.: Bővebben: Link
Köszönöm. Ma elvittem az ismerősömhöz. Meghallgattuk sonido bácsi fa kúpos szélessávú TL dobozain. Hát hiába is próbálnám leírni. Döbbenet.
Idézet: „Hát hiába is próbálnám leírni. Döbbenet.” Annyira rossz. Nagyon szép lett ez a példányod is látom valami M magos kimenőid vannak , gondolom a menetszámok átméretezve. A hozzászólás módosítva: Jan 21, 2013
Hát, ha hallottad volt ezt Lacikám. Tudod, próbálok objektív maradni mindig, kerülve az ömlengést, de ilyet nagyon régen hallottam már. Azért sonidó bácsi tudja mitől fuldoklik a csiga.
Érdemes volt picit küzdened vele. Nagyon szép lett!
Gondoltam én is megosztom mit is készítettem mint kezdő.
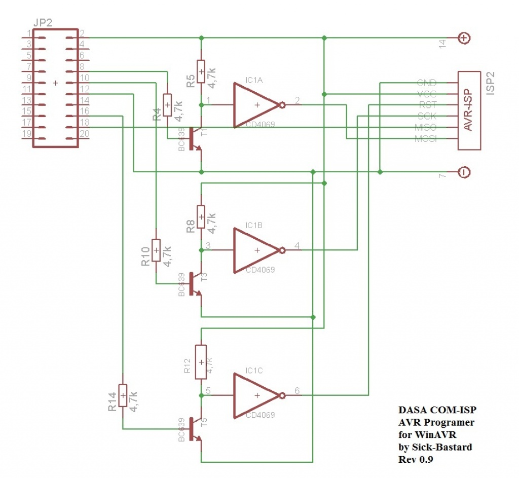
Egy AVR programozót készítettem a DASA programozó alapjára. Eredetileg az eredeti rajz szerint akartam megépíteni zénerekből, de olyanok nem voltak itthon ezért tranzisztorokból és egy CD4069-es inverter IC-ből hoztam össze. A mod.jpg-en látni hogyan is módosítottam. És végül ilyen lett készen... Picit csúnya, picit torz, de akkor is az enyém! És persze működik is ![]() Egy hátránya van, mégpedig, hogy nem lehet vele a céláramkört táplálni... Kezdőknek, akik AVR-ekkel szeretnének ismerkedni, mint én is, csak ajánlani tudom. Eddig csak WinAVR-rel használtam, szóval nem tudom, hogy pl.: AVR Studio-val megy e. Azóta tervezgetem pár könnyebben megépíthető darabot is, csak lusta voltam megépíteni őket. SB
Ezt még valamikor építettem , csak gondoltam felrakom érdekességnek .Egy soros portról működő AVR programozó.Ha valaki most kezd AVR rel foglalkozni annak kezdésnek jól jöhet.Persze ha van soros port csatlakozási lehetőség .Olcsó szinte a fiókból megépíthető.
Sziasztok! Nekem az LPT-portos mind megadta magát egy hosszabb pihentetés után
. találtam helyette COM-portosat meg hozzá ressettert igaz nincs befejezve de a ATTiny45 helyrehozta nem bírtam megvárni hogy ne próbáljam ki ![]()
Nagyon szívesen. Végül mi került az áramgenerátor helyére, FET, tranyó, ellenállás?
Hát, benn maradt az ellenállás, olyan tökéletesen szólt, hogy nem volt kedvem szétszedni.
Egy Pici munka Délután...Rc modelltársam kért egy led szallag (nagyteljesítményű) villogtató drivert.
Bővebben: Link A hozzászólás módosítva: Jan 23, 2013
Aranyos kis projekt
! Idézet: „Azért ilyen domaint nem lehetett könnyű beszerezni !” Kérsz egyet? Persze ez már foglalt, de hasonlót? Ja és ingyen van.
Sose értettem, hogy mire jók a rettentő hosszú domainnevek... ha be lehetne jegyeztetni, már rég az enyém lenne az x.hu...
Üdv mindenkinek! Azt hiszem itt az ideje hogy én is előálljak valamivel,valami hasznossal,valami pontossal
Egy olyan kapcsolást készítettem el ami sok munkát igényel meg sok időt. Viszont mindezt kárpótolja a praktikussága. Egy 7 szegmenses digitális hőmérőt barkácsoltam. A kapcsolási rajzot loptam a nyák már az én tulajdonom ICL 7107 vezérli a ledeket. Még egy annyit talán h ezek régebbi felvételek mert a sima trimmereket lecseréltem helitrimmerre. -50 től +150 Celsius fok mérésére ajánlott a pontosság érdekében.Beszeljenek a képek ![]() Üdv:Levente A hozzászólás módosítva: Jan 23, 2013
Nagyon szép munka,látom és becsülöm a munkádat,csak így tovább,gratulálok!
Köszönöm a megtisztelő válaszod
Ezután is igyekszem!Üdv:Levente A hozzászólás módosítva: Jan 23, 2013
Nekem is nagyon tetszik. Látszik rajta az alaposság, és , hogy sok időt, energiát fektettél bele. Gratuláció és elismerés.
Szia.
Szép kivitelezés, gratulálok. Egyetlen apró kritika; A fúrószárad eléggé sorjázza a nyákot. Vagy élesebb fúrószár, vagy magasabb fordulatszám, vagy kisebb előtolást kellene alkalmazni. A fúrás után megcsiszoltad a nyákot? Mert akkor szépen eltűnik a sorja.
Jó lett, gratulálok. Bár látom a NYÁK kicsit megtréfált.
Jól néz ki.gratulálok!!!
![]()
Ok Ok , de azért itt valami nem fedi a valóságot .Ha már furat szerelt nyákot választottál , akkor miért a forrasztási oldalra tetted fel az ic , és a kijelző alkatrészeket.Vagy talán kis malőr lett a dologban ?
Annak a stabilizátornak szerintem elég lenne kisebb hűtő felület is , és ha már az is beültetni való alkatrész nem értem ,miért kell külön vezetékkel máshová tenni .Sok kis apró dologgal esztétikusabbá lehetne tenni , de egyébiránt a többi része jó lett .
Nos, 1) A tápom 12V os 5 V ra való csökkentés igen csak terheli a kis stabilizátort ráadásul az a sok led kéri az áramot is
2) Valójában felül szerettem volna az IC t helyezni csak akkor ha jobban megfigyeled tükörkép lesz vagyis a vezetékek keresztben kell haladjanak nagyobb a valószínűsége annak hogy kell alkalmazzak átkötéseket már pedig azt nagyon rühellem, irtózok tőle így is sajnos 2 pici t kellett alkalmazzak. Ezért úgy döntöttem hogy nem fog ott az zavarni senkit ha az aljára helyezem az ICL-t. Üdvözlettel:J.Levente
Ahogy mondod ezzel magam is tisztában vagyok
Nekem itt a fordulattal lesz a gondom![]() Üdv:Levente |
Bejelentkezés
Hirdetés |




Nagyon szép lett ez a példányod is látom valami M magos kimenőid vannak , gondolom a menetszámok átméretezve. 






. 













