Fórum témák
» Több friss téma |
Fórum » Autórádió (fejegység) problémák, kérdések, válaszok
Témaindító: angel83zs, idő: Máj 14, 2006
Témakörök:
Valószínűleg nem jól van bekötve...
Bővebben: Link
Arra gondoltam, hogyha egy 1,5A-es dugasztápról akarsz járatni egy 4*40W-os fejegységet, akkor nem vágod igazán a témát és nagyobb bajt is okozhatsz.
Szerintem, ahhoz, hogy épkézláb módon, legalább értelmes hangerőn hallgathasd egy 4-5A-s táp elkelne hozzá. Na ilyen nem terem minden fa alatt...
Szia.
Amúgy ez milyen rádió? Valószinüleg valami kontakt hiba van, de ezt így eléggé nehéz megállapítani. Ez lehet egy mikrokapcsoló hibája, forrasztási hiba, stb... Lehet, hogy a cd-re menő szalagkábeled nem érintkezik rendesen (már ha azzal van összekötve..), és mikor megmozdul a rádió, elmegy a kapcsolat, ezért érzi úgy, hogy nincs benne lemez.
OK! Köszönöm a választ, de ha felcserélem a kábeleket akkor nem lehet baja a lejátszónak? nekem egy 93 kiadású ford fiestam van lehet hogy abba is forditva vannak a kábelek?
Rendeltem hozzá egy 5A-st.
Most már kitisztult a dolog a fejemben ![]() Köszönöm a segítséget!
Üdvözletem!
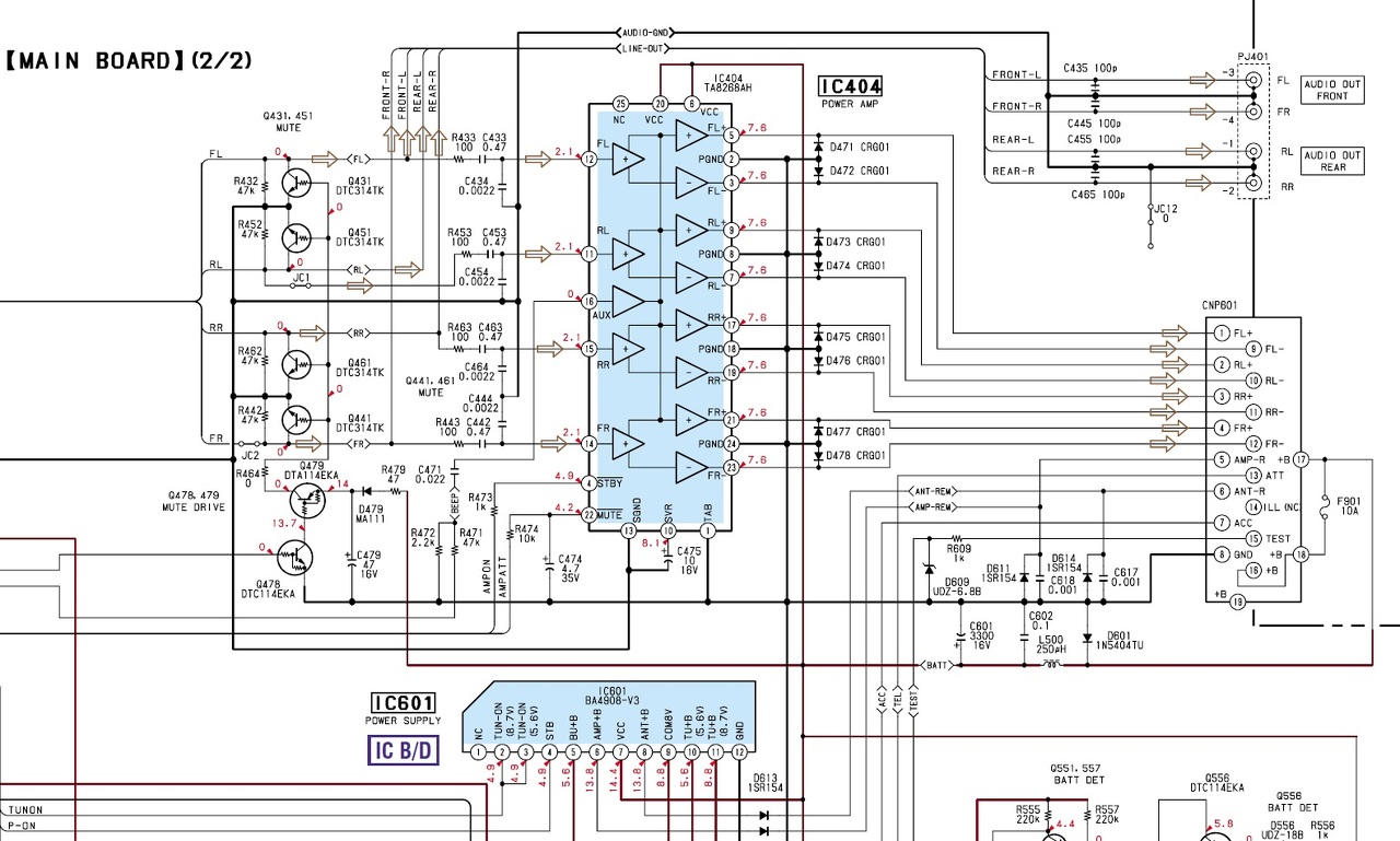
Adott egy Sony CDX-L550V típusú CD-s rádió. A hibát nem írom le, inkább csináltam róla egy videót. ![]() Szétszedés után semmi különösebb szemmel látható dolgot nem vettem észre rajta, a hibajelenség alapján a végfokra tippelek ami egy TA8268AH típus. Ezt durván 2.500Ft-ért tudnék szerezni hozzá. Valaki esetleg meg tudna-e erősíteni a gyanúmban vagy segítséget adni, hogy merre induljak el vele? Mellékletként feltettem a bekötést amit alkalmaztam. Előre is köszönöm a segítséget!
Mielőtt kárt tennél benne próbáld ki valami rendes áramforrásról is, ami 3 ampernél többre képes.
Mindkét szálon +12V kell legyen, csak nem mindegy, hogy melyik az állandó.
De ha nem vagy biztos a bekötésben, akkor inkább nézesd meg egy szakértővel.
A táp 5A-t tud csak a műszer kisebb rajta. Egyébként autóban is ugyanezt csinálta.
Annyit vettem még észre, hogy ha 16Ohm-os hangszóró van rákötve, akkor is ugyanígy csinál viszont "csak" 2A-t vesz fel mikor letilt.
Ha valóban a végfok okozza, akkor arról úgy meg tudsz győződni, hogy megszakítod a végfok tápellátását. Ha akkor rendben megy, akkor valószínű az IC a hibás.
Igaz
![]() Viszont nem találtam az IC-hez adattáblát. Megpróbálok tovább keresni, hátha találok valamit, hogy melyik a táp. Mod.: Közben találtam rajzot, 6-os és 20-as láb. A hozzászólás módosítva: Jan 27, 2013
Ha minden igaz, akkor a 6 és 20-as láb...
Bővebben: Link Most látom a módosítást. A hozzászólás módosítva: Jan 27, 2013
Minden esetre köszönöm!
![]() A jövő héten megnézem.
Köszi szépen a válaszokat ma megmértem multiméterrel a szálakat és eppen forditva volt kötve mivel az autóba a sárga kapcsolt 12V és a piros az állandó és én szint szinnel kötöttem és ezért volt feledékeny a a rádióm. megfordítottam a szálakat és már minden ok.
Sziasztok!
A segítségeteket kérném, mégpedig abban, hogy van egy panasonik cq-c 1465n autórádióm, aminek a jobb hátsó csatornája már rég óta halkabban szolt mint a többi. Szkoppal, sikerült azonosítanom a hibát, a q321-es tranzisztor, ami az erősítő kimenetet hajtja, párhuzamosan a végfokkal(tda7386), zárlatos volt. Ez egy dtc143-as tranzisztor, aminek 4,7KOhm van a bázisába integrálva. Mármost! Kerestem egy tranzisztort, ami hasonlít a dtc-re, valami bss, az elejére raktam egy 4,7K-s ellenállást, láss csodát működik, szkoppal az átvitel tökéletes, és azonos a többi kimenettel.(szinusszal hajtottam meg az aux bemenetről). Csakhogy!! Azóta iszonyatosan melegszik a végfok, 10 perc után az jobb első csatorna elkezd elhalkulni, és le is kapcsol. A hűtőbordát nem lehet megfogni. Gerjedne? Sajnos a rajza nagyobb mint az ide feltölthető méret.
Azt nem tudom mi lehet a hiba, de a gerjedést a szkóppal látnod kéne, tehát az nem valószínű.
Lehet nagyfrekis gerjedés, nem néztem végig, csak 1KHz-en.
Leveszem a tranyot, hátha. Úgyse használom az erősítő kimenetet.
Pedig mennyivel egyszerűbb lett volna. A hangszórókkal nincs baj?
A kocsiban gyári hangszórók (astra f) vannak, de most a lakásban is megmelegedett, próbáltam 4 db tv hangszóróval is, meg orion hs500/280 as hangfalakkal. Most tesztelődik tranyó nélkül.
A végfok bemenetein megmérném egyenfeszültségben mennyi van...lehet csak egy CE cserét követtél el. ( mellékesen a rajz szerint a tranzisztor a végfok bemenetét némítja,semmi köze a kimenethez.bár DC ben eltolhatja ,de nem a kimenetre van kötve.)
A hozzászólás módosítva: Jan 30, 2013
És valóban! Elnéztem a rajzot, illetve elgondoltam. Nem néztem a tranzisztor vezérlését, csak azt, hogy a kimenet közelében van. Úgy néz ki, most jó. Nem fűt.
Na most délután volt időm megnézni.
Ha a 20-as lábat kiforrasztom, akkor már nem tilt le (az áramfelvétel sem ugrik meg). Csak a 6-ost beforrasztva szépen működik minden. Kérdésem: Miért van az, hogy két helyre kell neki táp? Esetleg a jobb és bal oldal kapná külön-külön a tápot? Sajnos hangszórót most nem tettem rá, (mert siettem) hogy kipróbáltam volna szól-e valamelyik csatorna. Csatolmányba odatettem a végfokot és környékét. Innen pedig leszedhetitek a teljes rajzot. Köszi!
Nem a bal és jobb oldalnak van külön táp, hanem az elő és végfokozatnak.
Sajnos részletes adatlap hiányában nem tudom megmondani, hogy melyik melyik, de csatolom egy másik IC adatlapját, annak az első oldal alján lévő képen látni fogod az elvet.
Üdv , van egy ilyen "fejegységem"
, és szeretnék róla minden infót megtudni / W . ohm stb/ Car Technic 34455 , ez van rajta. Nem találtam róla semmit :S így idefordulok tanácsért.
Szedd le a burkolatát,és nézd meg,milyen végfok IC van benne.Innen meg lehet tudni,hogy mik a kimeneti paraméterei.De mivel autós cucc,szerintem 4 Ohmmal nyugodtan terhelheted.
István
Rákötöttem egy auto töltőre meg 2 kondit /nemnagyokat/ halkan szól de van háttérzaj , hangosnál meg elszál , furcsán zúg , orzít és vége. a töltőre 12 V 4 A van írva. 4 Ohm os kis hangszorokat kötöttem rá , de az egyik oldala elég rendesen felmelegedett , és inkább kikapcsoltam . ATX táppal nem csinálta ezt , de ott nem is lehetett hangosan hallgatni a zenét. Mit alakítsak hogy jó legyen ?
|
Bejelentkezés
Hirdetés |







, és szeretnék róla minden infót megtudni / W . ohm stb/ Car Technic 34455 , ez van rajta. Nem találtam róla semmit :S így idefordulok tanácsért. 







