Fórum témák
» Több friss téma |
Nos megállapítom, hogy undokok vagytok!
Ha azt kérdeztem volna, hogy miként lehet egy 7400 -át 230 Voltról járatni, akkor tíz segítő hozzászólás lett volna, de hogy hol érdemes trafót tekertetni azt titkoljátok. ![]() Nem egyből kérdeztem, de a Google rengeteg már nem élő hivatkozást dob ki. Baracskán már nem foglalkoznak toroiddal, a Nagytétényi úton lévő Trakis bár azt hirdeti, de nem foglalkozik javítással, a mi utcánkban lévő ABC meg nem tart Hostaphan fóliát. Ellenben a Bp. XIII. ker Béke út 137, alatt Faragó András, telefonos időegyeztetéssel, megvárhatóan leszigetelte a kedvenc trafómat. Ezúton is köszönet érte. Az áttekeréssel nem volt gondom, azt én is meg tudtam oldani.
Mi már csak ilyenek vagyunk; ha megnézed a többi trafós topicot, láthatod, hogy idült problémát feszegetsz, és sokaknak gond trafó építés. Sajnos a régi műhelyek megszűntek, a régi szakik bedobták a törülközőt.
Örülünk a megosztott infónak, sokaknak segítettél bizonyára (akik nem tudtak utána nézni/ vagy azt sem tudják hogyan kellett volna, mert nem értenek a NET kezeléséhez). Köszönjük!
Üdv
Kérdésem lenne! Remélem mást is érdekel a kérdésem, inkább csak technikai információk érdekelnek semmi egyéb. Előre is köszönöm. Adott a képen látható toroid transzformátor. Ez egy tranzisztoros erősítőben volt ami 220V-ról ment. A vezetékek közti induktivitásokat lemértem a mellékelt fotón látszik ami egy mű . Ugyan olyan szögben van az ábra is, mint a trafó vezetékeinek sorrendje. De el is magyarázom barna/sárga közt 840mH-it mértem sárga/B2 (barna2)közt 740mH, barna/B2 közt 3H. Gondolom ez a primer, mert vékonyabb vezetékkel van. kék/K2(kék2)=1mH, S2(sárga2)/fekete; fekete/S3 = 50mH, S2/S3=170mH. A fekete ketté van ágazva gondolom ez a szekunderek 0-ja egyik az S2-höz másik az S3-hoz tartozik. kék/K2 egy külön szekunder valami számára.1.kérdés: A következő kérdéseim lennénnek, miért van a primernél, ha az a primer amit annak vélek a középső sárga vezeték ha 220-ról ment. Ez valami kompenzálás vagy, hogyan, hova kell ezt bekötni? Mert nem hinném, hogy az 1mH lenne a primer, mert akkor csak csettentenék egyet a szekrényben kint .2.kérdés Mi az az ellenállás ami a kék vezetékről indul, a másik lába egy vezeték ami fel van tekerve a vasmagra, de miért? Az ellenálláson 11ohm-ot mértem, és 14uH-it. Ezek remélem olyan részletek amiket még nem értek és érdekesek más számára is, mert biztos vannak ilyen kis titkok, hogy még hatásosabb legyen egy transzformátor. Valaki tudja a válaszokat? A hozzászólás módosítva: Jan 31, 2013
Hali!
Van egy ilyen toroid trafóm. Arra lennék kíváncsi,hogy a megadott áramerősség értékek abszolút maximumok-e,vagy ha én a 36,5V-os kivezetést egyáltalán nem használom,ki tudok-e venni a másik két kivezetésből nagyobb teljesítményt is? Egyébként konkrétan a 20-0-20V kivezetésen kb. 2,5A folyna,a 24-0-24V-oson pedig kb. 2 A. (itt a bökkenő,ugye a trafóra itt csak 1,4 A van írva) El fogja bírni? Előre is köszi
Tartósan nem. A 24 V-os tekercset 1,4 A-re méretezték. Ha a többit egyáltalán nem terhelnéd, akkor kibírná, mert alatta a primer sem fűt annyira, mellette-felette a többi szekunder elvinné a hőt. Jobban járnál, ha a két 36,5-ösből step-down stabilizátorral vennéd le a stabil 24 V-ot. Arról akár 3 A is lejönne. De sokat számít, mire akarod használni. Ha erősítőhöz, akkor mehet, mert az nem egyenletesen terhel. Ha fűtésre, folyamatos, egyenletes ellenállásterhelésre, akkor nem bírja.
A hozzászólás módosítva: Jan 31, 2013
Nem értem ezt a címkét a trafó oldalán. Olvasatomban a TE330 típus jelzés 330VA-re utal.
Az egy sorban kötőjelesen felsorolt feszültségekből arra következtetek, egyetlen szekunder van (2x36,5) közép és másik két szimmetrikus megcsapolással. Ezen logikából 7 drót következik, viszont az alsó sorban 8 színt jelöl.
Én sem értem. A jelöléseket nem is nézegettem. Ha eltérő áramokat írnak, az elvben független tekercseket követelne. De ha ennyire értesz hozzá, megmagyarázhatnád, mit jelöl a "BA" és a "BU" rövidítés. Vagy mindkettő kék lenne? Blue-Blau?
Viszont ha egyetlen tekercs van megcsapolásokkal, akkor nyugodtan mehet a 24 V 2,5 A terheléssel. A hozzászólás módosítva: Jan 31, 2013
Most nincs a kezemben a trafó,de arra emlékszem,hogy a primeren mindkét vezeték fekete,ebből következik,hogy a BA a black,kizárásos alapon a BU a blue. Az számomra is kérdéses,hogy mit csinál a nyolcadik fehér kivezetés,pár napja vettem a trafót,még nem mértem rá. Én is úgy gondolom,hogy egy szekunder van több helyen kivezetve (nagyobb méretet feltételeznék három szekunder esetén). Egyébként erősítőben lesz,20V-ról menne két lm4870,a 24V-osról pedig egy ST-151.
A BA egyértelműen baba-rózsaszín, a BU bugyi-kék lenne?
Mint már írtam, erősítőhöz bátran használhatod.
Szerintem BU - kék, BA - fekete. Hollandusok másképp betűznek.
A hozzászólás módosítva: Jan 31, 2013
Azt még elfogadom, a blauw náluk BU, de a zwart miként lesz BA?
Szia.Én épp most érdeklődök a Quad topicban,hogy használható lenne-e ez a trafó 2X100w-os quadhoz.Ilyenem van nekem is.
8 kivezetése van és azaz két független szekunder több megcsapolásokkal a képeden látható módon.Én már kimértem. Szek 1: BA: fekete 0V BR: barna 20V RE: piros 24V OR: narancs 36.5V Szek 2: YE: sárga 0V GR: zöld 20V BU: kék 24V WH: fehér 36.5V Üresben persze kb 2V-al többet mértem mindegyik ágon mint ami rá van írva. Értelem szerűen ha szimmetrikus tápnak akarod használni, akkor a fekete és sárga kábeleket össze kell kötni, és a szélektől vissza fele haladva a kívánt feszt leveheted. Engem is aggaszt az 1.4A-rel terhelhető tekercs szakasz.Lehet még is csak ezt fogom használni az erősítőmbe, mert úgy sem tudom kihasználni a 2x100W-ot városi környezetben.
Gondolom nem minden tekercs szakasz van ugyanolyan átmérőjű huzallal tekerve és ebből adódnak az áram eltérések. Tehát 2x36,5V-ra bekötve nem lehet levenni a 330VA-t.
Azt én sem tudom, de van egy dán (storno) gépkönyvem, annak a hátuljában volt.
Igen én is ezt sejtem, mert 20-24V közti szakasz a hunyó biztos,hogy vékonyabb vezetékkel van megtekerve.
Tudna javasolni valaki Budapesten olyan céget ill. személyt aki foglalkozik toroid tekercseléssel?
Lehet még is csak át tekertetném ezt a Wijdewen trafót.Anno a labortápomhoz csináltattam Fletával egyet ,de nem tudom elvállalná-e és hát oda/vissza meg kellene járatni a trafót a postával.
Az a baj hogy körülbelül annyiért tekernék át mint amennyit ér a trafó. Fleta biztos olcsóbban tekerné de a 2x postaköltség miatt ugyanott lennél. Nem tudom mi lenne itt a jó megoldás.
Sziasztok!
Van egy gyárilag elkészített 400W 2x30V-os toroidom. Az lenne a kérdésem, hogy a 2 szekundert össze lehet-e kötni úgy, hogy 1x30V legyen 400W terhelhetőséggel? Az lenne a lényeg hogy egyenirányítás, puffer után ki tudjak venni belőle kb. 1x42V DC-t 400W mellett. Köszönöm. A hozzászólás módosítva: Feb 16, 2013
Ha független a két szekunder, akkor igen. Ha nem független, akkor valószínűleg már most is így vannak összekötve.
Eldönteni nagyon egyszerű: bekötöd a trafót, és multiméterrel AC állásban feszültséget mérsz a két szekunder 1-1 vezetéke között. A 2x2 vezeték között négyféleképpen tudsz mérni. Ha kettő esetben kb. 0V jön ki, kettő esetben pedig kb. 60V (terheletlenül ugye valamivel több lesz az), akkor már össze vannak kötve, és örülsz a kb. 60V-ot adó kimeneteknek. Ha nem mérsz semmit, vagy össze-vissza mér valamit a multiméter, akkor nincsenek összekötve - ez a valószínűbb. Összekötni úgy lehet, hogy a két szekunder 1-1 végét összekötöd, a szabadon maradt végükön pedig feszültséget mérsz. Ha nem jó végeket kötöttél össze, akkor kb. 0V-ot fogsz mérni, ha jó végeket, akkor pedig kb. 60V-ot. Ha 42V DC-t szeretnél, akkor ebből a trafóból az jó hatásfokkal csak úgy lehetséges, ha egy DC-DC konvertert raksz mögé. A sorbakötött 60V AC-ból legalább 75-80V DC lesz, tehát sima áteresztős táp esetén a 400 Watt bemenő teljesítményből legalább 40%-ot (>160 Watt) el kell fűtened, hogy 42V DC-d lehessen.
Ha 4 kivezetésed van /gondolom annyi/ mert úgy írtad hogy 2x30 V akkor minden további nélkül párhuzamosan össze tudod kötni a két szekundert. A két tekercs terhelhetősége így egy tekercse összpontosul, tehát meglesz 1x30 Vés a 400 Wattod. Egyenirányítás után kb 42 Voltod lesz.
Ha sorba kötöd a két tekercset akkor 60 Voltot kapsz, mint ahogy vl kollega írta.
Vagy használsz klasszikus kétutas egyenirányítást, és akkor még diódát is spóroltál kettőt (és a veszteséged/melegedés is kevesebb...).
Értem. 4 kivezetés van, most 2 diódahidam van, mindegyiken puffer kondik. A kondenzátorok + és - végződése középen össze van kötve, az a GND, a maradék a + és - 42V.
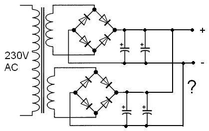
És ha teszem fel, a legegyszerűbb módon szeretném átalakítani a jelenlegi állapotról, akkor megoldható úgy, ahogy a képen? Vagyis mi történik, ha az azonos polaritásokat kötöm össze?
Fleta mondjuk szerintem nem így gondolta, de így is jó (még előnyei is vannak).
De miért akarsz teljesen feleslegesen sokkal több alkatrészt beletenni, mint amennyi szükséges? Ez miért nem jó neked? Bővebben: Link
Ahogy Gafly írta egyszerűbb a tekercseket párhuzamosítani, és 1 greatcel egyenirányítani. De ha már így van, nem akarsz bontani jó így is, az azonos polaritásokat összekötöd.
Gafly megoldása biztosabb/olcsóbb/, mert lehet eltérés a két sec.fesz./és alkatrészak/ között.
Üdv!
Segítséget szeretnék kérni toroid ügyben. Benyögte az unalmast a 12V spot lámpa trafója Azt hittem,hogy leéget de nem. Letekertem a szekundert és nem találtam rajta égést csak egy ilyet s4 aupo 2a 250v ami megadta magát. Az lenne a kérdésem,hogy muszáj ezt pótolni vagy mehet nélküle is?Még 1 kérdés ,mért van 7db toldás rajta? Előre is köszönöm a segítséget!
Az egy hőbiztosíték. Azért van, hogy ha melege lesz a trafónak, ne olvadjon le a szigetelés, és ne változzék tüzijátékká. Egyfelől nem kéne nélküle használni, másfelől el kéne gondolkodni azon, hogy miért is lett melege a trafónak (pl. nem szellőző és nem is hűtött helyre sikerült bezsúfolni).
Köszi a választ! Ha rám céloztál,hogy nem hűtött helyre zsúfoltam be akkor tévedsz!
Csak rendeltetés szerint használtam! A hozzászólás módosítva: Márc 6, 2013
|
Bejelentkezés
Hirdetés |





. Ugyan olyan szögben van az ábra is, mint a trafó vezetékeinek sorrendje. De el is magyarázom barna/sárga közt 840mH-it mértem sárga/B2 (barna2)közt 740mH, barna/B2 közt 3H. Gondolom ez a primer, mert vékonyabb vezetékkel van. kék/K2(kék2)=1mH, S2(sárga2)/fekete; fekete/S3 = 50mH, S2/S3=170mH. A fekete ketté van ágazva gondolom ez a szekunderek 0-ja egyik az S2-höz másik az S3-hoz tartozik. kék/K2 egy külön szekunder valami számára.











