Fórum témák

» Több friss téma
Fórum » Ez milyen alkatrész-készülék?
 
Témaindító: csaby, idő: Dec 25, 2005
Témakörök:
Lapozás: OK   453 / 1202
(#) baloghvl hozzászólása Feb 11, 2013 /
 
Sziasztok!

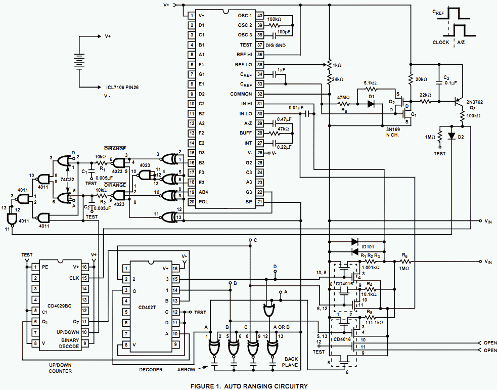
Helyettesítő alkatrészeket keresnék az alábbiak helyett: ID101, 3N169, és 2N3702.

Az ID101 2db dióda lenne 1 tokban. Ez helyett jobb lenne két külön tokban lévő is, a nyáktervet is így készítettem már el. Feladatuk antiparalell diódapárként az ICL7107 bemenetének védelme ami max +/-200mV lehet.

A másik két alkatrészhez csatolom a kapcsolási rajzot. Órajel-előállítást végeznek.

A PNP tranzisztor alatti diódáról nem írnak semmit. Jó lenne ide mondjuk 1N4148?

Köszönöm a válaszokat!
(#) kadarist válasza baloghvl hozzászólására (») Feb 11, 2013 /
 
Szia!
A két MOSFET helyett használhatsz dual-gate MOSFET-et is, ahol a két gate összekötésével kapsz egy, az eredetihez nagyon hasonló eszközt. Például a BF960 és társai jók lesznek.
(#) baloghvl válasza kadarist hozzászólására (») Feb 11, 2013 /
 
Szia!

http://www.hestore.hu/prod_10029404.html

Hát ez elég érdekesen néz ki. Én inkább két TO92 tokozású valamire gondoltam. A nyákterv is ennek megfelelően készült.
(#) kadarist válasza baloghvl hozzászólására (») Feb 11, 2013 /
 
Ez nem néz ki nagyon érdekesen, mert mindig is ilyen volt. De a nyákterv elkészítése előtt érdemes lett volna megismerkedni az alkatrészekkel és akkor nem lett volna meglepetés egy négylábú FET .
(#) baloghvl válasza kadarist hozzászólására (») Feb 11, 2013 /
 
Én nem látom miben lenne ugyanaz mint ami a kapcsolási rajzon van.

http://www.hestore.hu/files/BF961.pdf

A BF691-ben a Drain-Source van összekötve, a rajzon pedig a Gate-Drain.
(#) kadarist válasza baloghvl hozzászólására (») Feb 11, 2013 /
 
Az előbb azt írtam le, hogy úgy helyettesítheted a két darab egy gate-el rendelkező MOSFET-jeidet, hogy fogsz két darab két gate-es FET-et (BF...) és összekötöd a két gate-es FET gatejeit. Így kapsz két darab egy gate-el rendelkező FET-et, amit már fel tudsz használni az eredetiek helyett.
(#) baloghvl válasza kadarist hozzászólására (») Feb 11, 2013 /
 
Ez azért kissé túl komplikált lenne. Amellett hogy az alkatrészek számát is megdupláztuk.
Sokkal jobban érdekelne egy sima helyettesítés. 1db3N169 helyett 1db XXXX. Ahol XXXX a kérdés, viszont hazai terepen beszerezhető.
(#) _vl_ válasza kadarist hozzászólására (») Feb 11, 2013 /
 
Az lesz a probléma, hogy ez a 3N169 nevű csoda nem depletion MOSFET, hanem enhancement (az adatlapja szerint, ellentétben a rajzon szereplő szimbólummal). Szóval a BF961 nemigen fogja helyettesíteni, hacsak valaki át nem rajzolja a kapcsolást (én sokadik ránézésre sem értem a tervezője gondolatmenetét, hogy mit is akart építeni).
A hozzászólás módosítva: Feb 11, 2013
(#) kadarist válasza baloghvl hozzászólására (») Feb 11, 2013 /
 
A rajzodon két darab 3N169 van, ezeket egyszerű helyettesíteni két olcsó dual-gate-es MOSFET-el. De ha nem, hát nem erőltetem.
(#) kadarist válasza _vl_ hozzászólására (») Feb 11, 2013 /
 
Na, akkor itt a jó kis alkatrészkereső feladat, mert ráadásul még növekményes is a típus.
(#) baloghvl válasza _vl_ hozzászólására (») Feb 11, 2013 /
 
A két N-csatornás fet és a PNP tranzisztor órajelet állít elő a számlálónak. De csak addig amíg kapcsolás nem érte el a megfelelő mérési tartományt. A dekóder, számláló és fölöttük lévő kapuhalmaz állítja elő a 4 mérési tartomány vezérlőjelét. Ezekkel van vezérelve a 7 db CD4016, ezek kapcsolják a megfelelő ellenállásosztót a méréshez.
(#) _vl_ válasza baloghvl hozzászólására (») Feb 11, 2013 / 1
 
Hát, zseniális megoldás... Nyilván akkoriban nem voltak még elterjedt, filléres mikrokontrollerek, amikor ezt rajzolták.
Szerintem a következő lehetőségeid vannak:
- a világvégéről is megpróbálsz ilyen ezeréves alkatrészeket felhajtani - mivel a 3N169-hez csak szkennelt adatlap van, tippem szerint vagy 15-20 éve gyárthatták utoljára, szóval elég esélytelenül hangzik,
- megpróbálsz adatlap szerint hasonló paraméterű cuccokat keresni és beszerezni - ez komoly kihívás lesz, pl. az ID101 reverse árama pA nagyságrendű, a 3N169 gate kapacitása 5pF, ezek akár fontos paraméterek is lehetnek elnézve mondjuk a kapcsolásban levő 47Mohm ellenállást,
- jelentősen átrajzolod a kapcsolást, hogy beszerezhető alkatrészekkel működjön - egy oszcillátorhoz azért nem kell speciális tranzisztor vagy FET,
- koncepciót váltasz, és alapvetően más megoldást keresel - pl. mikrokontroller.
(#) Mengyán hozzászólása Feb 12, 2013 /
 
Sziasztok! Olyan csatlakozót keresek, mint a számítógép tápokon szokott lenni a proci számára a külön 4 pólusú tápcsatlakozó. Pontosabban csak hasonlót, mert olyannal oldottam meg, de nem az igazi, viszont igazi kényszermegoldás lett. Azért ide írok, és nem a "Hol kapható"-ba, mert fogalmam sincs, mit akarok venni, de azt tudom, hogy hol.
(#) ttindian válasza (Felhasználó 13571) hozzászólására (») Feb 12, 2013 /
 
Megtalaltam koszi
(#) dobanandras hozzászólása Feb 13, 2013 /
 
Sziasztok,valaki tudja ezt az orosz integralt aramkort mivel lehet direkt helyetesiteni? КР140УД1b egy H3013-as oszciloszkopnak kell.14 labacskaja van(7+7) elore is koszonom!!
(#) kadarist válasza dobanandras hozzászólására (») Feb 13, 2013 /
 
Erről a típusról van szó: КР140УД1Б ?
(#) dobanandras válasza kadarist hozzászólására (») Feb 13, 2013 /
 
Pontosan,en az utolso betut nem tudtam maskep leirni,errol van szo......
(#) kadarist válasza dobanandras hozzászólására (») Feb 13, 2013 /
 
Szia!
Valamilyen bipoláris bemenetű műveleti erősítő jó lesz helyette, például LM321. Ha ezt használod, akkor nem kell kompenzáló kapacitást kötni az IC-re.
A hozzászólás módosítva: Feb 13, 2013
(#) Szpisti válasza dobanandras hozzászólására (») Feb 13, 2013 /
 
A dologról volt már szó a HE-n, olasgass róla ITT
Valószínű buherálni kell, mert a helyettesítő LM702-t már nem valószínű hogy találsz.
De megmondom őszintén én sokat nem bajlódnék az N313 szkóppal, mert azzal csak a bosszúság lesz ennyi idős korában. Meg volt vele ezelőtt 15 évvel is.
Egy pc szkóp progival többre mennél.
A hozzászólás módosítva: Feb 13, 2013
(#) dobanandras hozzászólása Feb 13, 2013 /
 
Koszonom mindenkinek a hozaszolast!!!
(#) szucsip hozzászólása Feb 13, 2013 /
 
Sziasztok!

Egyszer régen vettem egy valamilyen LCD kijelzős cuccot, de azt sem tudom biztosan, hogy hol. Arra emlékszem, hogy dokumentációja volt a kereskedőnek, de pont nem volt jó a fénymásoló... A barátom lefotózta azt a lapot, viszont neki is eltűnt már a kép a fényképezőjéből (évek során), és a gépemről is.
Valami olyasmit mondtak hogy frekvenciamérő... De kezdek benne kételkedni. A típusszáma (nyákra írva): GE 4194HB

Ennyi van rajta. Itt egy link egy ugyan ilyen példányról. Sajnos katalógus oldalt nem találtam hozzá. Mi lehet ez az eszköz, és hogyan kell bekötni?

2 kép róla

Segítségeteket előre is köszönöm!
(#) kulcsaba hozzászólása Feb 13, 2013 /
 
Segítséget kérnék!
A GANZUNIV-2 műszer milyen típusú IC-t tartalmaz?
A segítséget előre is köszönöm.
A hozzászólás módosítva: Feb 13, 2013
(#) zolika60 válasza kulcsaba hozzászólására (») Feb 13, 2013 / 1
 
(#) blackdog válasza kulcsaba hozzászólására (») Feb 13, 2013 /
 
Ez itt már "részben" megválaszoltam. Bővebben: Link
Ha reagáltál volna és kulturáltan kérsz még rajzot is linkeltem volna. Volna...
(#) dobanandras hozzászólása Feb 14, 2013 /
 
Sziasztok,szeretnem tudni hogy,egy ilyen tipusu orosz kondenzatort milyen massal lahat helyetesiteni: MBM 0.1MF/1500V ,(papir es aluminium folias),koszontem szepen!!!
(#) kulcsaba válasza blackdog hozzászólására (») Feb 14, 2013 /
 
Elnézést de most regisztráltam és véletlenül rossz helyre írtam. De szerintem ezért még nem dőlt össze a világ,hogy véletlenül valaki rossz helyre ír valamit és szerintem elég kulturáltan kérdeztem...
A hozzászólás módosítva: Feb 14, 2013
(#) kulcsaba válasza zolika60 hozzászólására (») Feb 14, 2013 /
 
Köszönöm szépen!
(#) Moderátor hozzászólása dobanandras hozzászólására (») Feb 14, 2013
 
Hidd el, hogy ha naponta kétszer felteszed ugyan azt a kérdést, attól még nem fogsz hamarabb választ kapni rá. Légy egy kicsit türelemmel, légy szíves, ha valaki tudja rá a választ, akkor meg fogja írni!
Köszönöm.
(#) kadarist válasza dobanandras hozzászólására (») Feb 14, 2013 /
 
Szia!
Egy 100nF (0,1 uF) kapacitású és legalább 1500V feszültségtűrésű kondenzátorral helyettesítheted.
A hozzászólás módosítva: Feb 14, 2013
(#) dobanandras válasza kadarist hozzászólására (») Feb 14, 2013 /
 
Koszonom,ezt megertettem,de lehet MKP vagy mas?
Következő: »»   453 / 1202
Bejelentkezés

Belépés

Hirdetés
XDT.hu
Az oldalon sütiket használunk a helyes működéshez. Bővebb információt az adatvédelmi szabályzatban olvashatsz. Megértettem