Fórum témák

» Több friss téma
Fórum » Csöves erősítő készítése
 
Témaindító: seedz, idő: Márc 31, 2006
Témakörök:
Ne feledd betartani a fórum viselkedési szabályait, és a topik megmaradásának feltételeit. [link]
A téma átmenetileg fagyasztva lett, hozzászólni nem tudsz!
Lapozás: OK   1498 / 2208
(#) bakos13gab válasza lorant hozzászólására (») Feb 17, 2013
A szivacs nekem sem jön be. Tesztelted, hogy nem vezetőképes-e? Én ilyesmit tálcában láttam, igaz alufóliaszerü bevonattal.
(#) pucuka válasza mc-4 hozzászólására (») Feb 17, 2013
Nem tudom, de nagyobb feszültségű, nagyobb kapacitású olajpapír kondenzátoroknál a tárolás alatt szokás volt rövidzárat alkalmazni a statikus feltöltődés, és az ebből eredő kellemetlen meglepetések megelőzésére.
Lehet, hogy a szivacs egy gyengén, de vezető anyagból van, mint az ESD védő szivacs. Ha így van, akkor ez nem jó jel.
(#) lorant válasza bakos13gab hozzászólására (») Feb 17, 2013
Nincs vezetőképessége. Régi jó minőségű kondenzátoroknál láttam hogy valamilyen szivacsos anyag volt az alján gyárilag. Gondoltam ártani nemfog. DE ha azt mondjátok akkor kiveszem onnan
A hozzászólás módosítva: Feb 17, 2013
(#) lorant hozzászólása Feb 17, 2013
Kivettema szivacsokat. Mi a véleményetek a STTH806TTI diódákról? Eredetileg a bekötésben 1N4007 van, de van otthon és ezeket tettem a tápba. Megfelelnek ? Vagy különösebben nem fontos, hogy milyenek?
(#) pucuka válasza lorant hozzászólására (») Feb 17, 2013
Jónak jó lesz, csak kár érte, túl jó, jobb sorsra érdemes.
(#) mayky válasza lorant hozzászólására (») Feb 17, 2013
Amint látom a lóvé nem számít ebben a projektben ha több mint 900 Ft-os diódák lesznek az egyenirányításban.
STTH806TTI
Én ebben az esetben jobb végcsöveket választanák.
TAD 6550 vagy KT88.

http://stageshop.hu/tad-6550a-premium-valogatott-kvartet-4db-p-535.html

http://stageshop.hu/tad-kt88-str-premium-valogatott-kvartet-4db-p-531.html
A hozzászólás módosítva: Feb 17, 2013
(#) Orbán József válasza mayky hozzászólására (») Feb 17, 2013
Idézet:
„Amint látom a lóvé nem számít”

Ha majd meglátod az erősítőm alatt a herendi porcelán abroszt, esel hasra...... és igen egzotikus fából faragott kimenőtrafókkal, az mi péz lesz!
(#) mayky válasza mayky hozzászólására (») Feb 17, 2013
Meghajtócsőnek valami régi gyártású csövet keresnék. Akár Tungsram ECC83, ECC81, ezek valószínűleg jobbak mint a mai gyártásúak. Persze el lehet csípni Siemenseket, meg Philips-eket meg Valvo-kat is néha.
A hozzászólás módosítva: Feb 17, 2013
(#) Robid hozzászólása Feb 17, 2013
Sziasztok! Pcl86 PP építéséhez felhasználhatok Remix C2412 tipusú 100nF 400v-os styroflex kondenzátorokat? Nem használtam drága alkatrészeket, de azt sem szeretném, hogy ez a négy kondi legyen a legszűkebb keresztmetszet,inkább veszek jobbakat.
(#) granpa válasza Robid hozzászólására (») Feb 17, 2013
Jobbat?
(#) Szpisti válasza Robid hozzászólására (») Feb 17, 2013
Azokat a 400V-os kondikat 1000V-al "feszültségeztük" anno a Remixben... Ha fél percig bírta akkor ment a piacra. Megvolt, mennyi szivárgó árama lehetett ekkora fesznél (már nem emlékszem) - elég jó paramétereik voltak ezeknek.
A C210-ekből meg készültek csökkentett induktivitásúak , azok is nagyon finomak audioba.
(#) Robid válasza Szpisti hozzászólására (») Feb 17, 2013
Köszönöm a válaszokat, már megyek és forrasztom is.
(#) mayky válasza Szpisti hozzászólására (») Feb 17, 2013
Mit tudsz a C248-as kondikról?
A hozzászólás módosítva: Feb 17, 2013
(#) Szpisti válasza mayky hozzászólására (») Feb 17, 2013
Ha jól emlékszem ezek a fekete kis téglákban sárga műgyantával kiöntöttek.
Ezek készültek polipropylen fémgőzölt fegyverzettel, de alufóliát tekertek mellé.
Nekem egyből a tekercselő csajok jutnak eszembe, meg hogy csak 20 éves voltam Akkor csak ipari tanulóként vettem részt a "coclista" termelésben
Hogy csövesben miként befolyásolja a kinyert hangzást, ne kérdezd - én még a maradékból építkezek, és nincs gond velük.
(#) mayky válasza Szpisti hozzászólására (») Feb 17, 2013
Azért kérdeztem, mert csatolóként nekem ez az egyik kedvencem. A vaterán aki árulta azzal a hangzatos szöveggel hirdette, hogy direkt impulzusüzemre van tervezve.
(#) Doncso hozzászólása Feb 17, 2013
Na, úgy látom meg fogok ismételten szenvedni ezzel a 807SE-vel, aki nem ismerné a sztorit, sok évvel ezelőtt nagyon régen ezzel próbálkoztam mint első csöves erősítő, nagy kudarc lett a vége, aztán most gondoltam már néhány sikeresen megépített csövi után ismét nekilátok, hogy elkészítsem. Kezdtem a táp trafóval. Szépen megtekertem, ahogy kell, szigeteltem, ahogy kell, pontosan úgy csináltam, ahogy az összes többit szoktam, semmi baj nem szokott lenni, de ez persze menetzárlatos lett, csakúgy mint évekkel ezelőtt, na de most nem adtam fel ilyen könnyen, letekertem a 650 menetet, és újra feltekertem másik huzallal, na most már mindjárt jó lett a dolog. Szépen jön a 2*6,3v fűtésnek, és anódnak a 300V. Úgy látszik ez a 807 az én unikornisom.
(#) bta válasza lorant hozzászólására (») Feb 17, 2013
Idézet:
„Mi a véleményetek a STTH806TTI diódákról? Eredetileg a bekötésben 1N4007 van, de van otthon és ezeket tettem a tápba. Megfelelnek ?”


Próba-szerencse (vagy nem szerencse). Nem mindegyik UF vagy Schottky szól jól tápan, pl. a drága CREE SiC csalódás. Inkább a FRED diódák szoktak beválni, mondjuk 4db IXYS DSEI 12-06A
(#) Orbán József válasza Doncso hozzászólására (») Feb 17, 2013
Lecsúszott valamelyik szélső menet? A hálótrafónál egyébként istenkáromlás a szigetelő lakkozás, vagy ez csak a kimenőnél vonja maga után a fatvát?
(#) bta válasza Robid hozzászólására (») Feb 17, 2013
A C2412 PETP (talán közismertebb nevén "mylar") + alu fóliás. Jó tulajdonságai és stabilitása miatt nem jár messze az igazságtól, aki stirónak mondja. Átlag feletti hang, szerintem a legjobb Remix műanyagok közé sorolható. Nem mindenhová illik és nem mindenki kedveli a "száraz" tónusa miatt. Emiatt biztos nem fog kriminálisan szólni a kütyüd.
(#) küzmös Gergely hozzászólása Feb 17, 2013
Valaki védelme alá vehetné a lomizott alkatrészeket is. Tavasszal-ősszel lehet ám aratni.. Van itthon egy pár kartondoboznyi.. Már ha csak arra gondol az ember hogy mennyibe kerül egy pár 220µF/100µF/50µF stb.. /400V.. Eddig csináltam egy PCL86SE-t ,és egy PP-t,de van még bőven anyag.
A hozzászólás módosítva: Feb 17, 2013

P1090744.JPG
    
(#) granpa válasza küzmös Gergely hozzászólására (») Feb 17, 2013
Már ahol lehet; a 'nemzeti (őr)ség' már napokkal előbb elfoglalja az adott területet. Ha jól hallottam meg is akarják szüntetni, pedig tényleg jó volt.
A hozzászólás módosítva: Feb 17, 2013
(#) mofesa válasza küzmös Gergely hozzászólására (») Feb 17, 2013
Már elnézést,de a bontott szivacsot nem látom.Pedig akkor lenne teljes a kép!
(#) küzmös Gergely válasza granpa hozzászólására (») Feb 17, 2013
No igen.. egyre kevesebb.. mostanság már tényleg megszünt ez a "rendszer".. itt is csak "rendelni" lehet körzetenként a nyári időszakban. Volt rá példa tavaly hogy a réznyüvővel "gyüjtögettem".. Kérdezte hogy mi a gránátnak nekem egy ilyen régi tévéből való panel.. mondtam hogy ne foglalkozzon vele,kell és kész,már hoztam is.. persze a csőkészlettel együtt. Nem réz,így nem kellett neki.
De volt hogy az orrom elől vittek el csöves rádiókat..
(#) küzmös Gergely válasza mofesa hozzászólására (») Feb 17, 2013
(#) bta válasza mayky hozzászólására (») Feb 17, 2013
A Tungi ECC83-as nem éppen semleges hangú. A Siemens ECC83 klasszissal jobb, különösen azok a sorozatok, amit a Telefunkennel gyártattak le. Az első fokozatban nem kritikusak a csőparaméterek, használható ECC83 helyett a 70x erősítési tényezőjű 7025 vagy 5751. Szerintem érdemesebb egyből közepes műjű, lineárisabb csövekkel próbálkozni. A kisebb nyílthurkú erősités miatt a visszacsatoláson talán állítani kell, de az is lehet, hogy nem, mert éppen úgy lesz optimális. E80CC, 7062, E180CC, 6829, CC86E, 12AY7, 6072, ... Csak nehogy aztán a kimenőtrafón kelljen megspórolni a drága alkatrészeket... ha választani kell, akkor sokkal inkább fordítva!
(#) Doncso válasza Orbán József hozzászólására (») Feb 18, 2013
Sajnos nem tudom, ez olyan 807-átok nálam, lakkozni nem lakkoztam, csak szigeteltem, de újra tekerve már működik, szóval megyek tovább vele .
(#) Orbán József hozzászólása Feb 18, 2013
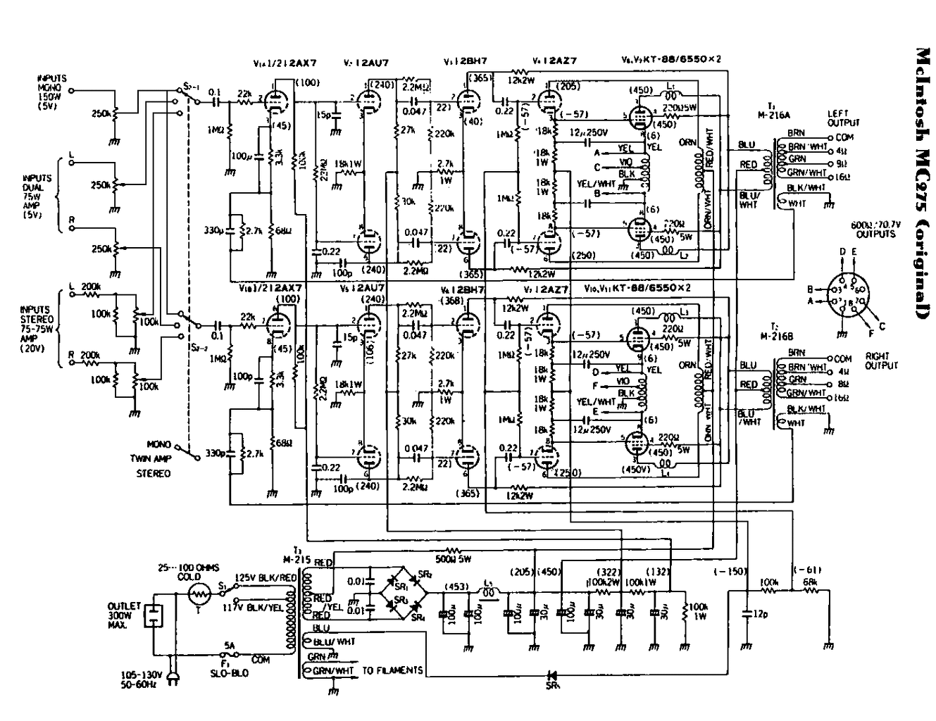
Üdv. Egy barátommal beszélgettem és egy MC275 erősítő meghallgatási élményeiről számolt be.
Többek közt említé, hogy az erősítő szimmetrikus bemenettel is rendelkezik és ennek kapcsán személyes véleménye, hogy szebben szól, nem csak ez, de általában a szimmetrikus bemenetről hajtott erősítők.
Kérem, akinek tapasztalata, véleménye van, adja át.
Bővebben: Link
A hozzászólás módosítva: Feb 18, 2013
(#) Orbán József válasza Orbán József hozzászólására (») Feb 18, 2013
Na igen. Az elvileg eredeti kapcsolási sémán én nem látok szimmetrikus bemenetet, én ez alatt a földfüggetlen meghajtást értem. Azt hiszem, így a felvetésem tárgytalan.

mc275.gif
    
(#) Szpisti válasza Orbán József hozzászólására (») Feb 18, 2013
Nem biztos hogy tárgytalan, mert ennek van "balanced input" változata is - gondolom ezt hallgatta a barátod.
(#) bakos13gab válasza Szpisti hozzászólására (») Feb 18, 2013
Jól megszúrkálták a tetejét csövekkel, nem mondom.
Következő: »»   1498 / 2208
Bejelentkezés

Belépés

Hirdetés
XDT.hu
Az oldalon sütiket használunk a helyes működéshez. Bővebb információt az adatvédelmi szabályzatban olvashatsz. Megértettem