Fórum témák

» Több friss téma
Fórum » 25 W-os Texas erősítő
 
Témaindító: punkkazy, idő: Okt 11, 2007
Témakörök:
Lapozás: OK   35 / 50
(#) djhans hozzászólása Dec 8, 2012 /
 
Igazából a teljesítmény nem kritikus. Ez a számítógép erősítő. Köszönöm az ötletet. Jó a megoldásod.
(#) djhans válasza reloop hozzászólására (») Dec 23, 2012 /
 
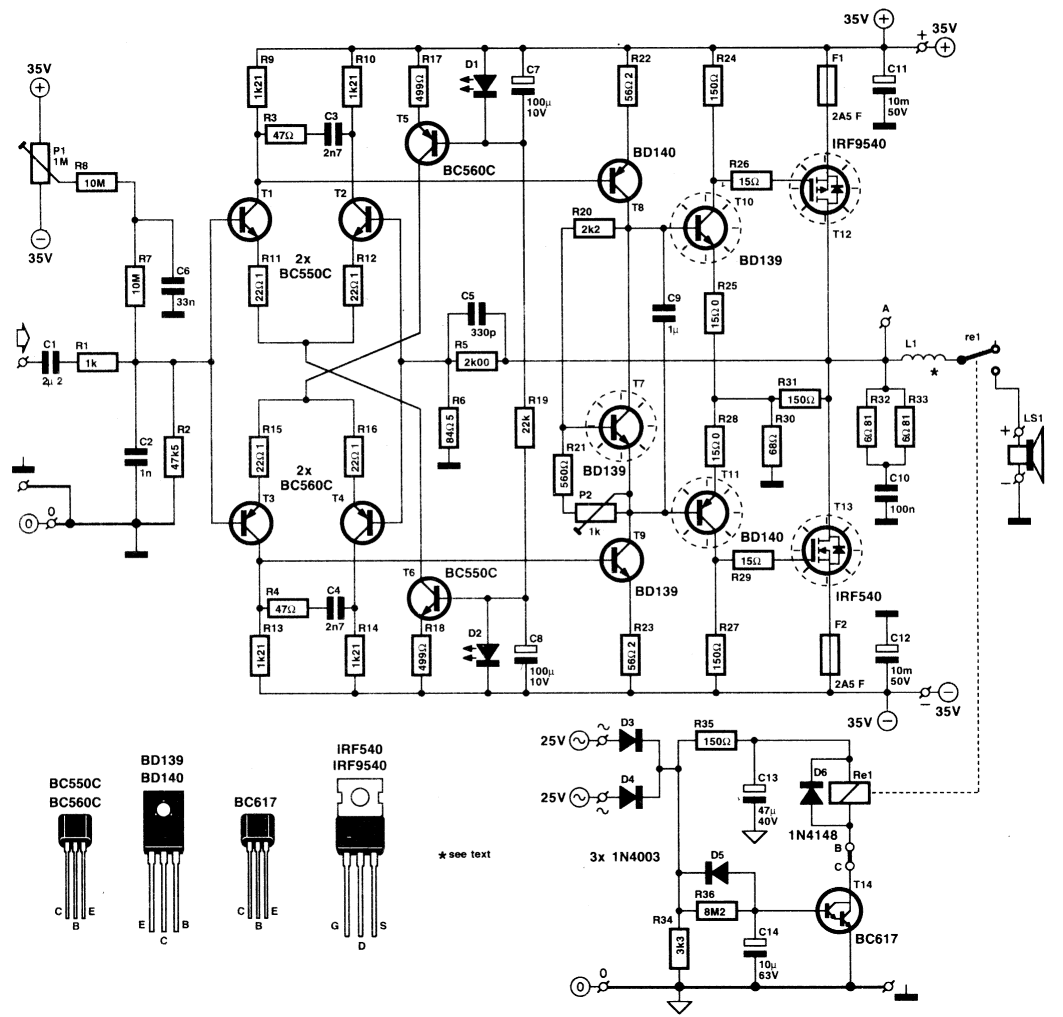
A mérésben volt a hiba. Tudja csatornánként a 30 wattot szinuszban. Ha mindkét csatornát terhelem akkor csak 25-öt mert akkor már eléggé meghúzza a tápot. (100VA toroid 2x3900uF) Nagyon jól szól egyébként.
(#) djhans hozzászólása Márc 16, 2013 /
 
Ez lett most a számítógép erősítője két Videoton DC 2050E hangfallal. Azért ha kell lehet vele dübörögni is. Full gázon épp, hogy langyosak a bordák.
(#) czibulak hozzászólása Márc 16, 2013 /
 
Üdv szakik!

Én is megépítgetem a skory-féle tranyós végfokot.
Elég csúnya történet,
Kezdésképpen megvettem a BD249c BD250c tranyókat aztán a bc182-t bc547-essl hejetteswítettem, mivel csak ez kapható Nagyváradon, bc301-303 hejett bc161-141 kerult bele.
Mivel teljesen kezdő vagyok így gondoltam megscinálom forrszemes próbanyákon és ha jó valamire akkor marok nyákot neki. A passzív alkatrészek zömét kénytelen voltam bontott cuccokból megoldani, mivel gyatra a vélaszték errefelé, 6,8µF az két párhuzamos elkóból készült, 150ohmos ellenállás pedig 3 soros darabból készült.

Nagy nehezen összejött, kapott egy számítógéptápból bontott méretes bordát, két 12v-os ólomakksiról szimmetrikus tápot, tesztelni egy 4ohmos 0,25W-os hangszóró, bemenetnek MP4 lejátszó. A végfok őrülten melegedett, és semmi hang nem jött ki belőle.

Itt kezdődott a második forduló, kimartam életem első nyákját. Kézzel rajzolt, vaskloriddal maratott. Reméltem ez megoldja a problémát amit egy rövidzárnak tulajdonítottam a próbanyákon. Itt megint nem tudtam hangot elővarázsolni belőle, de most a meghajtó fokozat melegedett és a 150 ohmos ellenállások, most ott tartok hogy át lesz nézve minden, IC lábkiosztás, stb.

Ha valakinek van valami tippje hogy mit rontottam el akkor szívesen venném ha megosztaná, jó lenne megspórolni némi időt...
(#) reloop válasza czibulak hozzászólására (») Márc 16, 2013 /
 
Szia! Zárlat, szakadás, hibás-, hibás értékű alkatrész, helytelen beültetés - bármi előfordulhat.
Fotó alapján lehetne áttekinteni.
Ajánlom a +/-tápágakba tégy 10-20 ohm körüli ellenállást, vagy 5-10W izzókat. Bármi hiba adódik azokon fog feszültség esni és nem károsodnak a félvezetőid olyan könnyen.
Ellenőrizd a táp polaritás-helyes bekötését!
Addig ne is köss rá hangszórót, míg jel nélkül a kimeneti egyenfeszültséget meg nem mérted. Ez nem lehet pár tized voltnál több.
A trimmer segítségével még a védőellenállások (izzó) bentlétekor be kell állítsd a nyugalmi áramot, melyet a végtranzisztorok emitter-ellenállásán eső feszültségből tudsz visszaszámolni.
Ha 12V akkumulátorokról táplálod, akkor az IC tápágában lévő ellenállás értékét csökkenteni kell, a Zener diódákat el is hagyhatod. (Magasabb tápnál ne felejtsd el visszatenni, és az említett ellenállást úgy méretezni, hogy azon megközelítőleg 10mA folyjon!)
(#) peterpan válasza czibulak hozzászólására (») Márc 16, 2013 / 1
 
Szia!
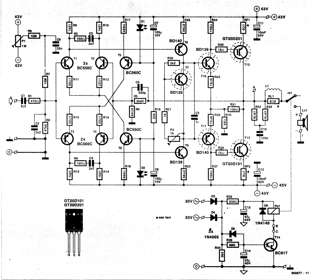
Először nézd meg ezt a rajzot, Skorynál egy 68k ellenállás hiányzik! Ez fontos. Ebben a fórumban már volt szó erről, de .... idő. Szóval ha az eredeti szerint csinálod fél siker.
itt van szó a bemérésről gifre jobb gombbal, megnyitás új lapon.
A hozzászólás módosítva: Márc 16, 2013
(#) FordPrefect válasza czibulak hozzászólására (») Márc 17, 2013 / 1
 
1. Felejtsd el ezt a kapcsolást, kuka.
2. Vagy szerezz be a BD249/250-től is lassabb!! végtranyót, meg tegyél bele 709!!! IC- kompenzálva. Ennek az erősítőnek túl nagy a nyílhurkú erősítése. Van aki imádja, (mert "jó" félvezetőkkel építette meg), van aki utálja (jómagam és páran a hozzászólók közül). Esetleges a végeredmény, a legváratlanabb helyzetekben gerjed be, ég le. Valószínűleg az ŐS kapcsolás stabil lehetett, mert még régi, lomha félvezetőkkel épült vagy 40 éve. Ne légy mazohista! Mai eszemmel inkább 10 óra csajozás és 1 óra TEXAS, sajnos fordítva csináltam.
A hozzászólás módosítva: Márc 17, 2013
(#) fordkapcs válasza czibulak hozzászólására (») Márc 17, 2013 / 1
 
Ez egy elég egyszerű kapcsolás, tapasztalatom szerint nem gerjedékeny, és egész jól szól. Sokan sikeresen megépítették, itt a fórumban is, de persze van olyan is akinek "beletört a bicskája" Erre azt szoktam omndani, hogy a Texas mérnökei, akik ezt tervezték annak idején, valószínűleg jobban értettek a dologhoz, mint itt néhány siránkozó aki képtelen volt rendesen megépíteni. Persze mai szemmel elléggé kőbalta egyszerűségű, nincs benne túláram-védelem, ami korlátozza a használhatóságát. Szerintem (esetleg pár apró módosítással) de ma is megállja a helyét. Sőt a neten sok olyan kapcsolást található, aminek ez az erősítő az alapja, már ha valakinek van szeme hozzá hogy felismerje az elvet: a kimeneti komplementer-darlington visszacsatolásának lazításával növeli az erősítést és a kivezérelhetőséget.
Az eredeti Texas erősítőből pl. hiányzik a végtranyók lezárását segítő B-E ellenállás, de ez egy pillanat alat berakható. Ugyanakkor az enyém már nagyon régóta megvan, TL071-es IC, és BD249-BD250 végtranyó van benne, és ma is jól működik.
A hozzászólás módosítva: Márc 17, 2013
(#) FordPrefect válasza fordkapcs hozzászólására (») Márc 17, 2013 /
 
Vagy nem érted a hozzászólást, vagy nem akarod érteni. Nem a kompozit végfokkal van a baj, valóban vagy 1000 kapcsolásban alkalmazzák. Hanem az IC+végfok iszonyúan nagy nyílhurkú erősítésével. Már TESCO-s erősítőbe se tennének ilyen kapcsolást... A fenti rajzoknak meg SEMMI köze az eredeti TEXAS végfokhoz.
(#) czibulak válasza peterpan hozzászólására (») Márc 17, 2013 /
 
Nos ez kicsit teljesebbnek kinéző rajz, nagyon köszi.
Ha majd nagyon magam alatt leszek alőveszem az eagle-t és kipróbálom magam bene...
élesztésnél 12v 2w-os égőket használtam, mert abbol volt két egyforma.
(#) czibulak válasza fordkapcs hozzászólására (») Márc 17, 2013 /
 
Nekes is kösz a HSZ-t, már csak időm kell akadjon valamennyi és ki kell találjam mejik kapcsolást épitem meg.
(#) lamalas válasza czibulak hozzászólására (») Márc 17, 2013 /
 
Udv,

Ezt a kapcsolast ajanlom megepitesre. Tobb ilyen erositot epitettem mar, a legutobbit par eve (csak probakepp, a hitetlenkedok es sajat magam megnyugtatasa miatt) aminek a kepet a linkelt hozzaszolasomban lathatod. A legutobbi peldanyt en is csak forrpontos proba NYAKra epitettem meg es tokeletesen mukodott. Szoval megfelelo szerelessel/epitessel, jo alkatreszekkel nem fog gerjedni az erosito.
(#) djhans válasza lamalas hozzászólására (») Márc 17, 2013 /
 
Nekem mindegyik az eredeti kapcsolás szerint lett megépítve csak TL071-el és BD245-246 végtranyókkal és BC327-337 meghajtókkal. Akkor volt egy kis gerjedés amikor nem kötöttem testre a hűtőbordát. Egyébként semmi probléma. Járattam műterhelésen vágásig kivezérelve. Bírta a strapát.
(#) fordkapcs válasza lamalas hozzászólására (») Márc 17, 2013 /
 
Nekem jelenleg nincs lehetőségem kipróbálni, de ha van energiád egy kísérletre: építs be egy-egy 220ohmos ellenállást a végtranzisztorok B-E lábára. Ettől a nagyobb frekvenciák átvitelének javulnia kellene, illetve a modulációs torzításnak csökkennie. Arra lennék kíváncsi, hogy füllel hallható-e a változás amit okoz!
(#) fordkapcs válasza FordPrefect hozzászólására (») Márc 17, 2013 /
 
Ha jobban megnézed nem neked címeztem a hozzászólást, hanem a kérdezőnek írtam le a véleményemet. Tudod akinek nem inge nem veszi magára, ha mégis magadra vetted az nem az én bajom.
(#) peterpan válasza fordkapcs hozzászólására (») Márc 17, 2013 /
 
Most hogy mondod az "archivum"omban találtam: itt 2K2van, ez mit változtat?

texan1.gif
    
(#) fordkapcs válasza peterpan hozzászólására (») Márc 17, 2013 /
 
A bipoláris tranzisztor általában sokkal lassabban tud lezárni, mint kinyitni, a B-E diódában tárolt töltés miatt. Ez sokféle hátránnyal jár a végfok szempontjából, pl. nagyobb frekvenciájú meghajtás esetén növekszik a keresztvezetés a végtranyók között, ami nagyobb torzítást és melegedést jelent (nem vezérlehető elég gyorsan a végtranyó). A nagy nyilthurkú erősítés miatt ez TIM (tranziens intermodulációs torzítás) forrása is.
Ennek B-E töltésnek a kiürítését segíti az említett elenállás, továbbá a meghajtó tranzisztorok munkapontja egy hangyányival kedvezőbb irányba változik (az AB osztály felé). Tehát ettől az apró módosítástól javulnia kell az erősítő hangminőségének, és a stabilitásának is. De a 2,2k-t még elég nagynak érzem (bár a semminél ez is jobb), valószínúleg 220ohm-al többet javulna.
(#) fordkapcs válasza peterpan hozzászólására (») Márc 17, 2013 /
 
Még annyit hogy a nyugalmi áramot beállító tranyónál az "alul elhelyezett" trimmer a jobb megoldás, tehát ahol a B-E közötti részen szabályoz. Tehát a két-három kapcsolásból lenne érdemes összegyúrni egy jó megoldást. Meg is próbálnám, ha lenne rá módom, de most egyszerűen nem fér bele az időmbe. (Pedig vannak sokkal komolyabb módosítási ötleteim is ehez a végfokhoz, amit jó lenne egyszer majd kipróbálni)
A hozzászólás módosítva: Márc 17, 2013
(#) czibulak hozzászólása Márc 26, 2013 /
 
Megépítettem a Skory féle verziótBővebben: Link

Volt egy pár igencsak kezdő hibám amiért csak magamt okolhatom, (két hiba is a nyákon,)
évfolyamtársam javaslatára a bemeneten lévő kondenzátort 680nF-ról 2,2µF-ra növeltem,
az OP-AMP tápágaiban a 6,8µF tantál helyett 4,7µF elektrolit van, a Nyugalmiáram tekerő melletti pedik azonos értékű elektrolitos.
2 db 12v-os akkuról táplálom szimmetrikusan, a bemenet a hangkártyám, a kimeneten egy 4ohmos 13centis hangszóró van, a cimke szerint 50W-os( kétlem) és 50-15kHz közötti a sávszélesége (szintén kétlem).
A hangszórót még 9.-es koromban dobozoltam, így elég gagyi de semmi jobbat nem találtam, a dobozba hejtakarékosság végett beraktam az eröslködőt ( így aktiv lett), viszont ebben a pillanatban folyik a tesztüzem, és zavaró visszhangot észlelek.

A kérdésem az lenne, hogy ez az erősítőből adódhet-e vagy csak a hangfal meg-nem-tervezéséből, és béna kivitelezéséből?
Esetleg segíthet-e rajta ha kitömöm vattával? (persze miután kiemeltem az erölködőt)
A torzitás alacsony, persze minimális jelet kap, mivel kézőre jár, ami van az is valószínűleg a kábelek rázkódásából adódik.
Sajnos kiméricskélni még nem volt alkalmam, meg nem is tartózkodtam szlóközelben.

A multiméter szerint kb. 15 perc után elétem a 30 fokot a végfokon, aszem indítom is a ventillátort.

Hangszínszabályzó vagy egyéb periféria nincs.
Te jó ég, Guns and Roses számnál már torzít kicsit.
Adatok majd mlg jönnek ha van rá igény...

Az esetleges megoldásokért előre is köszi,
üdvözlettel: Lőrinc
(#) Beringer 600 válasza czibulak hozzászólására (») Márc 26, 2013 /
 
Szia! Én is meg építettem a te általad közölt erősítőt,és nekem nincsen vele semmi gondom.Szerintem kövesd a cikkben használt alkatrészek használatát.
(#) czibulak válasza Beringer 600 hozzászólására (») Márc 26, 2013 /
 
Köszi a tippet,
Amint lehet beszerzem ami kell...
Sajnos rossz aq választék a városban.
(#) djjohnnyb válasza FordPrefect hozzászólására (») Ápr 4, 2013 /
 
Én az első Texas-omat még anno 1985-ben építettem és még a mai napig is működik. Nemrég került vissza hozzám egy kis takarításra.
(#) djhans válasza reloop hozzászólására (») Ápr 10, 2013 /
 
Szia!

Megépítem a sztereó texast a Te nyákoddal. Kicsit módosítottam rajta. Ezekkel az alkatrészekkel jó lesz +-26 voltra? A műveleti minőségileg megfelel? Vegül ebbe kerül az Aida trafója 2x6800u 35V pufferekkel. Lesz hangszóróvédelem és Cleopatra analóg műszerei. A Cleo trafója meg az új kis Quadban lesz majd.
(#) reloop válasza djhans hozzászólására (») Ápr 10, 2013 /
 
Remek a végtranzisztor választás, pont ilyet rendeltem a minap. A választott IC gondolom megfelelő lesz, nem építettem még vele.
A visszacsatolás 100µF kondenzátora mellől elspóroltam egy ellenállást, úgy érzem helytelenül. Ha véletlen kifekszik a kimenet a tápra, túl magas feszültség érkezne az IC invertáló bemenetére, jobb azt leosztani.
(#) djhans válasza reloop hozzászólására (») Ápr 11, 2013 /
 
Igen, láttam az ellenállás hiányát. Akkor beépítem az a biztos.
(#) djhans válasza reloop hozzászólására (») Ápr 17, 2013 /
 
Lehet hogy mégsem jó választás ez az IC a nagy sávszélessége miatt?
(#) reloop válasza djhans hozzászólására (») Ápr 17, 2013 /
 
Az LF353 4MHz sávszélessége nem rendhagyó érték, működnie kell.
(#) djhans válasza reloop hozzászólására (») Ápr 17, 2013 /
 
Van itthon NJM4558, CA3240, TL082, NE532. Te melyiket tennéd bele?
(#) reloop válasza djhans hozzászólására (») Ápr 17, 2013 /
 
Nálam NE5532 van benne. Szerintem jól szól.
(#) djhans válasza reloop hozzászólására (») Ápr 17, 2013 /
 
Nekem viszont NE532 van. Ez valami régebbi típus?
Következő: »»   35 / 50
Bejelentkezés

Belépés

Hirdetés
XDT.hu
Az oldalon sütiket használunk a helyes működéshez. Bővebb információt az adatvédelmi szabályzatban olvashatsz. Megértettem