Fórum témák
» Több friss téma |
Fórum » Csöves erősítő készítése
Ne feledd betartani a fórum viselkedési szabályait, és a topik megmaradásának feltételeit. [link]
A téma átmenetileg fagyasztva lett, hozzászólni nem tudsz!
Írta tegnap gkari, hogy hogyan kellene, nekem az ködös egy kicsit. Én arra gondoltam még, hogy az egyik biztosíték helyére berakom a multiméter, a másik helyére pedig egy lomha olvadód 1,25A-st de közben elolvastam a kézikönyvet és írta, hogy 10mpnél nem lehet több ideig mérni vele.
C9= 23V, 96V C8=23v, -290V
Ezek az értékek jók... Vedd le az erősítő alsó borító lemezét. A végcsövek alatt látnod kell 2db olyan ellenállást amire ellenálláshuzal van tekerve. Ezeken kell mérj feszültséget mV os állásban. Mutatok egy képet, ahogy én is mérem... nyilván a két műszerrel egyszerre tudom mérni mind 2 végcsövet. 3-5 perc kell míg bemelegszenek a végcsövek.... amit figyelned kell, hogy kb mind két végcsőnél 50mA-nél ne legyen több a nyugalmi áram
A hozzászólás módosítva: Júl 20, 2014
a bal oldalin, 120mV, a jobboldalin 70mV körül ingadozik.
Nos akkor a hiba meglett, beállítás után működik..
Örvendés van..
Igen! Nagyon szépen köszönöm a segítséget, mindenkitől
Örülök, hogy működik és remélem, hogy sokáig fog!
Nincs mit... Örültem, és szerintem mindenkinek jól esik ha segíthet..
Remélem megerősített ez kis hibakeresés, beállítás abban, hogy szerethető a csöves technika legyen az bármilyen kapcsolástechnikájú is..
Igen, egyszerűen össze nem lehet hasonlítani a tranzisztoros erősítőkkel. Teljesen más világ
)
Valamelyik nap raktam össze egy PL508 PP 6N6P - E88CC meghajtással, és nem kis meglepetésre a PL509 nincs olyan jó mint az 508...
![]() Jelenleg 450V anód, 5KOhm Ra-a, 150V G2, 2X 30mA nyugalmi (bár szkóppal nem néztem, lehet sok az a 30mA . .... ezek mennyire reális értékek?ui.: a GU50 PP kimenőjével tesztelem, mivel lövésem nincs katalógusi Ra-a értékre... A hozzászólás módosítva: Júl 20, 2014
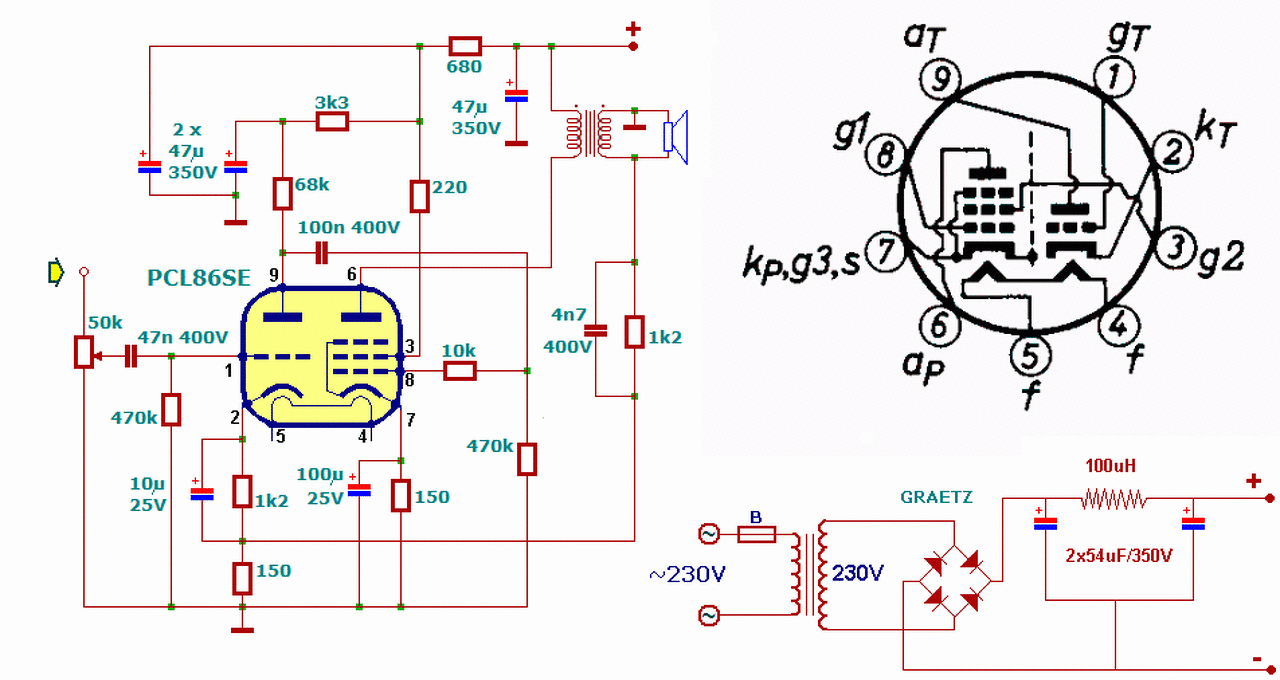
Üdv. Szerintetek az ezen az oldalon lévő kapcsolás működhet? Érdemes-e megépíteni,illetve meghalgatni? A válaszokat előre is köszönöm.
Amúgy megéri majd egyszer ha oda jutok, inkább pl 519-et venni? Azt írják, hogy az tovább szokta bírni, mint az 509.
ECL/PCL 86-ra van rengeteg kapcsolás, bármelyik jó lehet.
Még az orosz 6P45SZ is jó, csak nagyobb a szórás, sokat kell válogatni paraméterekre. Az 519 meg kb. ugyanaz. Szerintem az 509 is jó, csak érdemes alig használtakat választani.
Oké! Köszi!
Összeraktam eggyet az oldalon található kapcsolásokból tesztképpen,viszont nem csinál semmitsem. Nem zúg,fűteni fűt a cső,ráadásul az anódfesz is megvan rendesen. Ilyenkor mi lehet a probléma? Amikor felfőt a cső egy cseppet sem ingazdozik meg azanódfesz marad annyi amennyit ad a táp.
Szerk.: Mellékeltem a kicsit kiegészített kapcsolási rajzom. A hozzászólás módosítva: Júl 21, 2014
Segédrácson, katódellenálláson van feszültség? Nem kötötted el? Érintkezési hiba?
Átmozgattam,érintkezési hibára nyomot nem találtam,a bekötést töbször is átvizsgáltam. Kimenőt ellenőriztem,csövet cseréltem. Nemtudom hol lehet a probléma.
Ahol felsoroltam, mérted is? Szkóp mit mutat ?
Sajnos szkóp jelenleg nem akad a háznál. Azokat a feszültségeket hol tudom mérni amiket mondtál? Meik lábán mérjek a csőnek?
3 és 7 -es lába, és a 7 és gnd között. Nem árt a 6 és 7 között is megmérni.
3-asra:40V, 7-esre:404V. A 6-os és 7-es láb között szintén 404V-ot mértem.
Érdekesek a mérési eredményeid. Ha a 7 és gnd között ennyit mértél, akkor vélhetően valami nincs rendben. Lehet, elkötötted a csövet?.
Akkor marad a szétszedés,amjd ujra összerakás. Azután elválik hogy elrontottam-e valamit.
Amugy ilyem magas feszültség értéknek kell lennie a 7-es lábon?
5 - 6V általában.
Akkor itt valami tényleg nincsen rendben. Nemsokára visszatérek az új fejleményekkel. Csak működjön.
"Amikor felfűt a cső egy cseppet sem ingadozik meg az anódfesz marad annyi amennyit ad a táp." Lehet föld hiánya van..
Mondjuk innen. A videóból nem volt nehéz kitalálni a forgalmazót...
Nem erre gondoltam. Hanem ha másik típust szeretne valaki építeni.
Üdv. Olyan kérdésem volna hogy EBL21-hez jó a PCL86-hoz való kimenő? Láttam 1-2 helyen itt hobbielektronikán aki azzal használta. Sajnos a saját bontott kimenője nem jó.
|
Bejelentkezés
Hirdetés |



Örvendés van..
Amúgy megéri majd egyszer ha oda jutok, inkább pl 519-et venni? Azt írják, hogy az tovább szokta bírni, mint az 509. 
