Fórum témák
» Több friss téma |
Fórum » Csöves erősítő készítése
Ne feledd betartani a fórum viselkedési szabályait, és a topik megmaradásának feltételeit. [link]
A téma átmenetileg fagyasztva lett, hozzászólni nem tudsz!
Van. Parafeed SE, ahogy bta itt korábban leleplezte a kapcsolás rövid nevét. Fojtótrafós munkaellenállás és kondenzátorral csatolt kimenőtrafó jellemezte. Egyszer meg kellene jó körülmények között sokáig hallgatni. Lehet egyszer elkérem és talán egy időre meg is kapnám.
Ez működne PL500-al, 145V-al, és 100V-os vonaltrafóval?
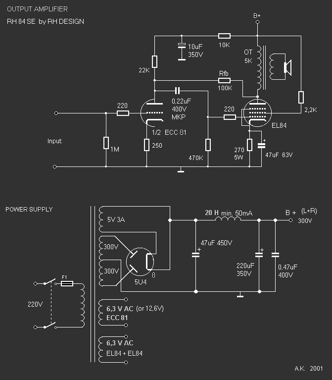
Szerintem kérdező fórumtársunk a kapcsolási rajzára (is) kíváncsi lenne.Persze,ha nem titkos.
Sziasztok. Ma megépítettem ezt a kapcsit és nagyon jó.Kiprópáltam tobb kapcsit is EL84 el de ez viszi a pálmát a legszebb han g és teljesítmeny.... Az ECC81 et ECC85 tel helyettesítettem. Aki EL84 esen töri a fejét annak ajánlom figyelmébe.
Sziasztok!! Mindenkitől elnézést kérek ezért a hozzászólásért, de ha esetleg van valakinek eladó PL508 as csöve, az legyen szíves írjon nekem privátba. Még egyszer bocsánat, és előre is köszönöm!
Sokkal olcsóbban JÓT nemigen kapsz, legfeljebb hobbitárstól vagy vaterán. Szerintem. http://csobarlang.hu/csovek/egyeb.html
A hozzászólás módosítva: Ápr 18, 2013
Szia! A tápot ugyanilyenre csináltad? Én 2 db fojtóval szeretném a 2 csatornára külön. Egyébként ugyanezt a kapcsolást néztem ki már régen és meg is van minden hozzá.
Ui.: Sőt, a hálótrafója múltkor már meg is rázott... A hozzászólás módosítva: Ápr 18, 2013
Nem tudom,de nem nagy az a puffer kondi egy kicsit,persze,ha ezzel irányítod elő.Meg egy kicsit hiányos a tápegysége is,nem kéne azt a diódát megvédeni?UL -ben nem lenne jobb az EL84 -nek?Attól a nagy segédrács ellenállástól nem fog átcsapni triódába,vagy ez a cél?
Szia! Köszi a linket, igazad lehet, de azért még várok egy kicsit hátha valakinek van olcsóban aki megválna tőle... Ha mást nem akkor majd veszek innen. Mégegyszer köszi!
Igen az adatlap max. 32µF ír és sokkal kisebb váltót (2x150V)
A diódát megvédeni, azt hogyan érted? Melyiket, mert én nem is látok benne. A kapcsolásról olvastam, hogy jó tapasztalatai voltak a szerzőnek. Mondjuk azt én se értem, hogyan látja el korrekten 1 db 50mA-es fojtó mindkét oldalt, én ezért eleve 2 fojtóval terveztem, no meg nem ezzel a típusú egyencsővel... Egy más vcs. megoldású, de hasonló kapcsolást is készített már el fórumtárs:
A tápegység elején van egy dióda,csak alá kell "gyújtani".Az a 2-2db ellenállás meg kondi nem jelenthet gondot,legalábbis szerintem.
Ok, csak fura, nekem az egyenirányító elektroncső, értem én...
![]() A trafó belső ellenállását gondoltam, mint sorosm (2 db) ellenállást, a későbbi, nagyobb elkó előtt meg ott a fojtó. Nem jól gondolom?
Van annak a csőnek,mint minden diódának,csúcsárama.Lehet,hogy az én heppem,de én még szoktam oda tenni párhuzamosan a gnd-vel 1-1db 10nF -s kondit is.Ha nem is kell,ártani biztos nem árt.Fojtóhoz nehezebb hozzájutnom,mint kondihoz.
Az csak az én sekélyes tudásom, hogy nem találkoztam rajzon ezzel a megoldással. A diódahidaknál viszont szoktak 10nF-ot párhuzamosítani minden diódával.
Csöves egyenesításnál nem szokott lenni, vagy diódás, kétutasnál ilyesmi? A hozzászólás módosítva: Ápr 18, 2013
Én ahány rádióval találkoztam,mindben volt.Az EZ80 foglalatán ott fityegett a két 4N7.A diódahidaknál meg olyan 330nF körüli kondit rakok.
Köszönöm, jó tudnom a gyakorlati fogásokról.
A 330nF-ot minden diódával a hídnál? Vagy csak a váltó oldalhoz 1-et?
A két váltóra.
Igen, én is úgy gondoltam...Erősítő kapcsolásnál én is raktam, hasraütve értékű (100-220nF) az igaz, de van egy, impulzusszűrő célzattal. Kinézetre olyan, mintha csokival lenne leöntve és pc tápokban is a tüskéket szedik össze, ha jól tudom.
A hozzászólás módosítva: Ápr 18, 2013
Udv. A tápon alakítottam EZ80 egyencso 50 mikros kondi folytó és megint 50 mikros kondi.
Akkor csak azt tudom mondani hogy fogj neki mert durva hangja van és erőtljes. Sok sikert esetleg majd teszek fel vidit A hozzászólás módosítva: Ápr 18, 2013
Szia! Az eredeti leírásban is jókat írt róla a német, a rajz alapján egyszerűnek is tűnik, így ez az egyik kiválasztottam.
Ennek a kapcsolásnak a különössége a visszacsatolásban rejlik ha jól megfigyeled.
Igen, segítettek nekem ebben, így tudom, hogy az egyikben a vcs.-be bevonták a kimenőtrafót a másikban meg nem csinálták...
Valamint az általam linkelten a 2.rács nyugodtabb pontra van kötve - meghajtócső táp. Könnyen ki lehet próbálni mindkét megoldást.
A kapcsolást megépítettem.. +250V-ról jár,és szépen szól. Habár a Jani-féle kapcsolás "erősebbnek" tűnik... a +250V-ról. Ennek ha jól látom 300V kellene,
Üdv. Próbáld 300 ról nekem nincs problémám az erejével de lehet amaz erősebb nemtudom még nempróbáltam.
Sziasztok!
Most már nagyjából tudom, hogy hogyan építem meg a PL500 erősítőt, már csak a meghajtás a kérdés. A legegyszerűbb az lenne, ha egy tv képcsőpaneljén található RGB végfokozat két csatornáját használnám fel. A képcsőpanel három videojelbemenetének kettőjére kötném a hangfrekvenciás csatornákat, majd ami eredetileg a képcső katódjára ment, az kerülne a PL vezérlőrácsára. A kérdés csak az, hogy megfelelően átvinné-e a hangfrekvenciás jelet a mélyekkel, és a magasakkal együtt. Elvileg a TV-ben elég nagy sávszélességet kell erősítenie. Ha nem jó az eredeti klépcső panel, akkor milyen kapcsolást javasoltok a PL meghajtására? Van itthon pár BF458, MEV gyártmányúak. A meghajtótranzisztorok számára rendelkezésre áll 220V egyenfesz. Egyébként kapcsolóüzemű tápról fog menni. A másik kérdés: a hangerőszabályozót a meghatás és a cső közé, vagy a meghajtás elé célszerű tenni? A hozzászólás módosítva: Ápr 20, 2013
Sziasztok, a napokban találtam egy régi supraphon ge-080-as lemezlejátszót, aminek ecl80-as csöve és a trafói rendben vannak, építettem is egy kis mono erősítőt belőle, szép hangja lett, kérdésem az lenne hogy ennek a táptrafója elviselne fűtés illetve táp szempontjából mégegy ugyanilyen ecl80-as csövet meg egy ez80-ast (egyenirányítónak) ?
Sziasztok. Ha valakinek akadna othon ien foglalat AZ11 es egyencsőhöz való kérem jelezzen. Köszönöm
bocsánat roszul írtam ecl82-es cső volt benne
Nem egy nagy trafóról beszélünk.. A rajza 40mA-t ír, 25mA-es nyugalmi árammal 50-55mA lenne az áram.. Ez még egy EZ80-ról is elmegy, így azt a plusz egyet nem kéne fűteni. Reméljük elbírja a fűtése is a másik ECL-t.. Meg kell próbálni. Ha nem esik nagyon a feszültség, és nem melegszik számottevően a trafó, akkor jó lesz.
Akkor inkább csak a 2db ecl82-es legyen és inkább Graetz-híddal egyenirányítsam? mert akkor nem kellene még az ez80-ast is fűteni.
|
Bejelentkezés
Hirdetés |





