Fórum témák
» Több friss téma |
Fórum » Inverteres hegesztőtrafó
Helló
Hát nagyjából ezt.Rajtam kívül 1 valakiről tudok aki így tekert de ő 3 pár magra.én viszont négyre.Nem a legjobb képek de azt hiszem a lényeg látszik.Viszonyítási alapom nincs de az biztos,hogy meglepően nagy áramok jönnek.
Pedig majdnem biztos, hogy a segédtáp fogy el hamarabb, mint kellene. Ha a főkörben éppen folyik áram, akkor megsülnek az IGBT-k, hiszen kicsi gatejelet kapnak...átmennek analóg üzembe és kilowattok melegítik őket, nem csoda...
Persze, ennek ellentmond, hogy egy adott tápfesz alatt a UC ic kikapcsolja a kimeneteket. Legyen ez a feszültség mondjuk 10 V. Vagyis, ha 10 V alá csökken a a segédtápfesz, akkor megszűnik a gatevezérlés. De biztos, hogy mondjuk, ha eléri a segédtáofesz mondjuk az 5...7 V-ot, akkor nem jön ki mégis valami az ic kimenetén? mert ha igen, akkor nagy baj van... Ezt úgy lehetne megnézni, hogy a főkör ne kapjon feszültséget, csak a vezérlés. Bedugom, kihúzom a hálózatot, közben szkóppal nézni kellene a gatejelet, valamelyiket. Ezt persze többször megismételve. Ez a tápfeszvédelem és, ha ez jól működik, akkor nem mehet tönkre a főkör, függetlenül attól, hogy milyen hosszabbítón keresztül kapja az áramot. ( ha a hálózaton esetleg vannak túlfesz tüskék, az más helyzet, de azoknak akkora energiájúaknak kell lenniük, amit egy sikító, vagy ilyesmi nem tud generálni. Ugyanis a gép bemeneti pufferkondijai ezt simán megeszik, alig lehet valami feszültségemelkedés rajtuk. A segédtápfesz bemenetén ezek az esetleges túlfeszek persze szintén megjelennek, de ha a segédtáp ettől nem megy tönkre, akkor nem is juthat ki belőle, tehát nem hiszem, hogy ez gondot okozna.) Vagyis, hiába csökken le a hálózati fesz, nem mehet tönkre semmi, legfeljebb nem lehet vele hegeszteni. Én az ilyen tápfeszvédelmet úgy szoktam megnézni, hogy fogok egy rossz ráspolyt, megszakítom egyik pontján a betápot és közékötöm. A készülékbe menő drótot pedig huzogatom a ráspolyon. Hol érintkezik, hol nem. Aztán vagy elindul, vagy nem, de nem mehet tönkre semmi. Sajnos, ez itt nem járható út, mert egy relé van a betápon, ami a lágyindítást végzi. Nem biztos, hogy örülne egy ilyen dolognak... A frekiváltoztatásnak nem sok értelme van, az, hogy 32, vagy 34, teljesen mindegy. A főtrafó sem telíthet be, akkor az már terhelés nélkül is éreztette volna a hatását. Amire én gondolok, az talán a gatemeghajtó trafó lehet. Próbálj egy olyat tekerni, ahol a szekunderek egymástól és a primertől is távolabb vannak. ( Tehát annyi szigetelést kellene betenni a tekercsek közé, hogy még éppen beférj az ablakba. ) Lehetséges, hogy nagyon nagyok a tekercsek között a kapacitások és azokon keresztül folyik annyi áram, hogy megbolondítja a vezérlést. Hogy van most megtekerve a gatemeghajtó trafó? Persze, az is lehet, hogy egyszerűen túl sok áram folyik az IGBT-ken. Ezt meg kellene mérni, mondjuk hegesztés közben, meg rövidzárban.
Szerintem a főtrafód rendben van,nem az a gond.A segédtápba lehet tenni nagyobb kondikat a stabilizátor elé és után is,biztosan segít valamennyit.A tápod negatívja össze van kötve a gép fémházával ez ok (nálam nincsenek ilyen összekötések egyik gépemben sem) és azt mondod,eddig minden rendben volt,a géped jól működött.Hajlok azon gondolat felé,hogy a flex tett be a gépednek,főleg,ha nagy flex volt.Azt kellene megnézned,hogy a segédtápodnál mekkora az a minimális bemenő váltófeszültség a 230V AC oldalon,aminél még biztosan tudja a kimenetén a +12V DC-t legalább 1A terhelésen.Anno én írtam,hogy az én gépemben 20% feszültségesésnél is biztosan megvan a +12V 1A terhelésen a kimeneten,néhányan lekaszáltatok a túlméretezésért.Még régen bemutattam egy gépet amivel igaz agregátról hegesztettek s nem is volt gond mindaddig amíg a gép bekapcsolt állapotában (nem hegesztés közben) egy nagy flexet be nem kapcsoltak,akkor meghalt a hegesztő azonnal,ez egy MIKRO164 tip. gép volt.Ezek a sarokköszörűk nagyon meg tudják rántani a hálózatot,ha nincs lágy indítás a gépben s lehet,hogy még egy 20% túlméretezés sem segít,csak a lekapcsolt álapot.Forszíroztam,de nem született eredmény,a gép védelmének kialakítását még régebben,hogy legyen alkalmas agregátorról való használatra is,nem véletlen.Tudom,ez nem kis feladat lett volna,de sajnos az én kicsike tudásomat meghaladja ezen feladat,így maradt a gép lekapcsol-flex indul szindróma.Továbbra is állítom,nem a gépedben van a hiba a flex tett be neki.
Jó, jó, hogy meglepően nagy áramok, de számszerüleg mekkorák?
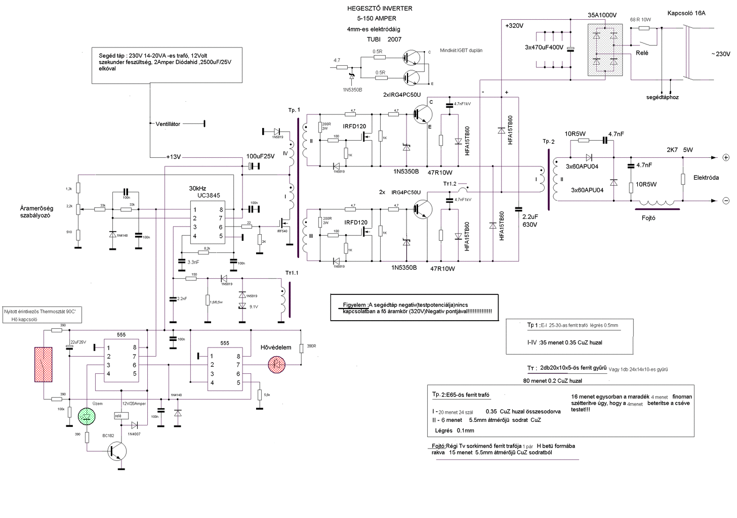
Pontos mérési eredményeim nincsenek műszerezettség miatt.De a poti pont középen szokott lenni hegesztés közben.A fróniust 85-90 amper közt szoktam használni.Ehez tudom csak hasonlítani.Nagyjából itt egyforma a 2 gép.De a poti elé 1 kilós ellenálást tettem Tubi kolléga tanácsára.És így tudja ezeket a paramétereket.Tubi szerint némi számolgatás után akár 160 amper körül is lehet a max.Tényleg kerítek legalább egy lakatfogót valahonnan.A főtrafórol mi a véleményetek?Áttekerjem 20/6-ra?Akkor én eszem szerint valamelyest csökken a primer áram evvel kímélném az igbt-ket valamelyest.Mondjuk nem számottevő a különbség.Vagy marad a drágább igbt mivel csak 4 hely van a panelon meg a hűtőbordán is.Amúgy én is csak a flexre tudok gyanakodni.Eddig is így használtam a gépet és tényleg probléma mentes volt.Volt már egy keményebb napja is és még csak a hőkapcsoló sem oldott le sose.A vezérlést is leellenőriztem az uc ic-t is végigméregettem.A gate trafó ee25-ös mag légrés nélkül.A tekercsek egymás fölött vannak szigeteléssel egymás közt,de több már nem nagyon fér rá.Épp össze tudtam bűvészkedni a magot.
A nagyflex-hez...
Azt mindenki tudja, hogy önmagában is képes leverni a biztosítékokat! Azért a 2kw-os flexek már komoly terhelések az indulásról nem is szólva. Egyetértve a fent elhangzottakkal. Na, meg két hegesztő + egy bivaly flex mégis csak "túl a csúcson" terhelés 16 A-os hálózaton. MInt kiderül a segédtáp - -ja és a föld összelett kötve. Elég régen olvastam itt ennek a tilalmát! Nilyván nem szereti a vezérlés a "refluxot" - visszaböföghet- lőhet neki a hálózat, akár valamiféle földhurok formájában is. Aztán különben is van ott kanóerdő bőven - mind -mind trafó is egyben. Szerintem.
Egy tipp: rakjatok az UC tápfeszébe szinteltolást egy 4.7V-os zénerrel, de a gate trafó a rendes tápról menjen, így nem 7.5V körül kapcsol ki majd. Pár napja láttam egy rajzon a javítós topicban.
Most akkor össze kell kötni vagy sem.Én már teljesen elvesztettem a fonalat
CSak az a kérdés ez megvédi-e a gépet egy fenti szituban.Mint fentebb írtam ma beszélgettem egy sráccal aki legnagyobb meglepetésemre valamelyest benne van a témában.Nálam 100%,hogy sokkal többet tud.A lényeg mindíg oda jukadtunk ki,hogy a puffereket lehet növelni de minden más ami felvetődött bonyolítja a kapcsolást és nem biztos,hogy kiküszöböli az ilyen meghibásodást.esetleg még más hibát is generálhat.Most az jutott eszembe mi lenne,ha a betáp lenne figyelve.Ha mondjuk 200 volt alá esik a fesz lekapcsolná a főkört.
Szerintem 12v-os táp-hoz kapcsoló üzeműt kell használni , az még 100v- nál is jó. Egy értelmü
az agrágátoros példából ,hogy a hálózati fesz csökkenés okoza a gondot. Az orosz kapcsolásokon mind kapcsló üzemü.
Örülök, hogy egyet értünk a flex-el kapcsolatban.
Egy motor, a felfutásidő alatt többszörösét veszi fel a névleges áramfelvételének, nem véletlen alkalmaznak motorindításhoz lomha kismegszakítót. Plusz még lehet, hogy önmagában a flex nem csinál túl nagy tüskéket, de mi van akkor, ha pár menet nincs letekerve a hosszabbítóról?
A betápot nincs értelme figyelni (csak úgy ahogy leírtam a félperiódusok meglétét), hanem a segédtápot kell. Közvetlenül az IC táplábán kell figyelni a feszt, ami ha mondjuk 12V alá csökken akkor leállítja a vezérlést. A másik megoldás, hogy nem 1-1-es áttételű gate trafót kell tekerni, hanem olyat, ami az IC lekapcsolásáig biztosítani tudja a kellő gate feszt. Az adatlap alapján az IC tipikusan 8,4V-nál kapcsol be, és bekapcsolás után egészen 7,6V-ig működik. Tehát alacsonyabb tápfeszről kell járatni az IC-t, és olyan gate trafó áttétellel, amiből 7,6V tápfesz esetén még lesz 11-12V a szekunderen.
Mondok egy példát: gate trafó primer mondjuk 24 menet, szekunderek 36 menet (áttétel 1,5). Ekkor ha 10V a tápfesz akkor lesz 15V a gate-eken, ha 7,6V akkor pedig 11,4V. Elviekben így már nem mehetne tönkre akkor sem, ha gond van a segédtáppal.
Helló
Elméletben értem amit írtok,de mivel én tényleg csak ugatom a témát így nem fogok ilyen szinten belenyúlni a dologba.Viszont van még egy teóriám a hibával kapcsolatban.Csóval a hosszabító ki volt tekerve teljesen.Én mindíg így használom még hagyományos hegesztővel is.De kb 40-50 méterre voltunk a kismegszakítótol.Az elképzelhető,hogy már eleve eléggé meghúztuk a hálozati feszt.Ha ugye csökken a fesz nőni fog az áram a főtrafóban.És mint Tubi kolléga rámutatott az igbt-im eléégé határon vannak.Lehetséges hogy e miatt haláloztak el?A flex ugye rántott mégegyet a hálózaton és azt már nem bírta cuflával.Mert ha így volt akkor szerintem van értelme figyelni a tápfeszt.Ha mondjuk 200 volt alá esik egyszerűen kapcsolja le a gépet.A segédtápom szerintem bírta a kiképzést.Mint Gábor tanácsolta 15 voltra van tekerve a trafó.Ez egyenirányítva pufferelve,és úgy van rajta a 12 voltos stab.Szerintem az nem fogyott el,de a puffert azért megduplázom.A kimeneten most 1000 mikro van teszek 2200-est oda is.Egy pár tized másodpercet gondolom ez is jelent ha baj van.Lenne mégegy kérdésem.Szóval a főtrafóm 4 pár u-57-es mag.Van benne mindkét oldalon 1-2 tized mili légrés és toroid formába van tekerve.A menetszám 19/6.Mi történik ha áttekerem 20/6-ra és kiveszem a légrést.Az érdekelne hogy alakul az indukció a vasban,ennek milyen hatása van a melegedésre hogy alakul a primer és szekunder áram.Mi lesz az üresjárati fesszel.Milyen változásokat hoz ez az igbt-kel kapcsolatban.Nagyjából képben vagyok,de nem szeretnék vakvágányra futni.Valószínű ujratekerem a főtrafót légrés nélkül a nagyobb menetszámmal.
Nem igazán értem Tubi irg4pc50u igbt-röl amit ir ,hogy frekvecia kollektor áram függvény katalógus adata
szerint 34khz-en 13A tud . Több kapcsolásba 40- 50khz irg4pc50w használnak, a frekvencia kollektor áram függvénye teljesen ugyan az mint a irg4pc50u. Szeritem Berobbantam kolléga igbt-je elöbb szállt volna el ha frekvencia határ közelébe lenne.
Helló
Én is megnéztem a grafikont.Ha nem is pont 13 amper de 20 alatt van ahogy én néztem.Mondjuk ha 15 amper és 4 van a gépembe akkor az 60 amper.A főtrafó áttétele 3/1 ez 180 amper.Viszont vannak veszteségek is,meg az sem biztos,hogy jól saccolok.El kéne vigye mindenesetre.Meghát másoknál is ez szolgál.Ezért is gondoltam,hogy 1-2 khz-el lejebb cserkészem a frekit.Minden amper számít De azt írták ennyi nem jelent semmit.
A panelterv Tubi kolléga műve.Az ő gépe 50 khz körül megy és 200 ampert tud.Így tényleg kevés lenne az irg4.
Hát,nekem nem tűnik egyformának a két IGBT tipus freki-áram karakterisztikája.Az IRG4PC50W jobb szerintem.
50 méter hosszabbító/2 gép+flex s mondjuk 2,5mm2 vezeték,ne csodálkozz azon ami történt.Mi az,hogy 1-2 tized milliméter légrés,világosan leírtam,hogy maximum CIGARETTAPAPÍR vastagság,a szó szoros értelmében.Ha mindenáron ragaszkodsz a 20/6 áttételhez akkor tekerj a mostani trafódra 1 menet primert pluszban és kész is a mű.Őszintén sajnálom a géped halálát,ennek nem szabadott volna bekövetkezni,hiszen akkor egy esetleges áramszünet esetén is elhalálozhat ha éppen hegesztesz.Te megérdemelnéd,hogy a géped jó legyen,keményen megdolgoztál érte.
Az áram nem lehet több a trafóban, azért van az áramszabályozás. Az a beállított áramot igyekszik tartani, függetlenül attól hogy a betáp 230V vagy éppen csak 200V.
A stab. IC valamit javít a segédtáp dolgon, mert annak azonnal megszűnik a feszültsége ha kezd elfogyni a betápja, tehát nem lép fel olyan probléma hogy folyamatosan tűnik el a fesz. A trafó dolga meg már többször le lett írva. A primeren 306V körüli feszültség van (mivel az IGBT-ken is esik valamennyi), a szekunderen pedig az áttételnek megfelelően kevesebb (19/6->306/96,6V). Ha 20 menetes lesz a primer, akkor 20/6->91,8V lesz a szekunderen. Adott mag esetén az a legjobb ha mérsz. Csinálsz egy egyszerű tápegységet, amit tudsz szabályozni mondjuk 100V-tól lefele (fogsz egy 75V-os trafót ami tud legalább 0,5A-t, graetz, kondi, FET, poti és kész). A főtrafót bekötöd fordítva, tehát a szekundert rákötöd az IGBT-kre, és erről a tápról járatod a gépet. Ha nincs szkópod, akkor méred a primer áramfelvételt és hozzá a trafó hőmérsékletét, miközben 5-10V-onként tekered felfele a feszt mondjuk 50V-tól 95V-ig. Látni fogod hogy mekkora az a feszültség (illetve optimális gerjesztés), ahol még az áramfelvétel sem sok (mondjuk 100mA alatt van), és a vas sem melegszik 40-50 fok fölé. Ebből már tudni fogod hogy pontosan mekkora menetszámra érdemes megtekerni a primert. Az egészhez persze kell némi idő, mert a vasat legalább 15-20 percig kell járatni üresen egy-egy tartományban, mert ennyi idő legalább kell neki hogy átmelegedjen. Az U57-eket is érdemes külön megnézni, mert nem biztos hogy ugyanolyan anyagból vannak. Nálam ahány volt annyiféle, még a ferritek színe sem volt egyforma (a sötét feketétől a világos szürkéig volt minden). Idézet: „mi van akkor, ha pár menet nincs letekerve a hosszabbítóról?” Ne feledjük, hogy mindkét vezeték párhuzamosan megy a hosszabbítóban, a bifiláris tekercs induktivitása pedig 0. Egy szálnál már komoly problémákat okozhat, pl. ha a hegesztőkábel van akkurátusan feltekerve és ráfektetve a vaslemezre. (váltakozóáramnál !) A hozzászólás módosítva: Máj 4, 2013
A betáp nem két hosszabítórol volt.Egy 25m-es hoszabbító a dugaljba,de onnan is volt még 20-25 méter a kismegszakítóig.Dolgoztunk már máskor is így arrol a dugaljról,csak akkor nem volt flex.Meg mégegyszer nem is lesz.Az igbt-vel most kicsit elbizonytalanodtam.A kontelnél van mindkét tipus de a w jobb áron van.Nekem az áramkarakterisztikája ugyan olyannak tunik mint az u-é.Vetnétek egy pillantást az adatlapjára,hogy megfelelő-e.A trafót nem egyszerű áttekernem mert alul van a primer és lelakkoztam.De lehet szétszedem.Légrésnek szigetelő papírt tettem.Finoman tolómérővel mérve 2 tized a vastagsága.De a vasakat egyesével összehúzattam csavarral.Kiveszem belőle.Az áramot pedig úgy értettem,hogy a trafó ugye teljesítményt visz át.Ha a kimeneten van 80 amperem és a bemeneten esik a fesz akkor egyre nagyobb áramot fog felvenni a primer körből,hogy az adott teljesítmény meg legyen.De lehet ezt sem tudom jól.Viszont a macinál ha jól tudom üresjáratban a legnagyobb a kitöltés.tehát ha ott nem melegszik a vas akkor hegesztés közben sem melegedhet.Valamennyit fog a rézveszteség miatt,de a tekercseim jó agyasak.Viszont ha a légrés miatt szétszedem akkor érdemes-e egyel több menetet tennem a primérre.Ez saccolva 5 %.Ha jól gondolom durván ennyit csökken a primer áram azonos gerjesztés melett.Ez nem egy nagy érték.Lehet nem háborgatom.Ha lesz igbt-m alaposan letesztelem megint üresjáratban és ha nem melegszik így marad
Szerintem a feltekert hosszabbító csak úgy néz k,i minhta bifiláris lenne, de nem az. (ha rosszult gondolom, bocs...)
Túl gyorsan kellene lekapcsolni a főkört, amire az igbt-k képesek! Egyé eszközzel hogyan - mire az reagál az igbt- k a "túlodalról" köszönnek vissza.
A Jó Isten áldjon meg, hagyd már békén azt a trafót! Az pont jó, ahogy van! A légrés sem komoly , azt is hagyhatod, egy kicsit nagyobb az árama a trafónak, de ez sem számít semmit.
Ha üresjárásban mondjuk 35...45 fok a trafó, akkor pont jó!
A bifilláris csak annyit jelent, hogy két- vagy több szál egymás mellett van tekerve. Egy hosszabbító esetén a két szál ( most hagyjuk a földelést, elvileg nem vezet áramot, tehát, mintha ott sem lenne. ) egymás mellett fut, az egyikben előre, a másikban visszafelé folyik az áram. Mindegyik kelt egy mágneses teret, de ezek a fordított áramirány miatt lerontják egymás mágneses terét, tehát a hosszabbítónak ( elvileg ) nem lesz mágneses tere, ebből eredően nem lesz induktvitása sem. Azért csak elvileg, mert egymás mágneses terét csak akkor tudnák ténylegesen kioltani, ha egy térben lennének. Az meg ugye nem megy, csak két különböző időpillanatban, mivel egy térben nem lehet egyszerre két különböző dolog, tehát, lesz valamennyi szórási induktivitása a hosszabbítónak, ami a töredéke annak,, mintha egy szál lenne csak feltekerve. ( mondjuk a fázis ) tehát, ebből a szempontból tök mindegy, hogy feltekered a hosszabbítót, vagy nem.
Más szempontból viszont lényeges, hogy kihúzd, ugyanis összetekerve kisebb a felülete, tehát jobban melegszik. De ettől még ugyanannyi fesz. fog esni a drótokon, ami jelen esetben szinte kizárólag az áramtól és a drót ohmos ellenállásától függ!
Nem. Egy IGBT elképesztően sokat kibír. Egy lekapcsolási védelem 1...5 us, akkor már nagyon lassú Ahhoz, hogy egy IGBT tönkremenjen, ennek legalább a 3...5-szöröse kell, mondjuk 600V-on és 100 A-en. Tehát, mondjuk 60 kW és moindjuk ez 10...50 us-ig álljon fenn, vagyis ennyi ideig kap az IGBT ekkora energiát.( Ezek csak hasraütési számok, de nagyjából a nagyságrend stimmel.) Többnyire akkor megy tönkre egy IGBT, ha nem kapcsolóüzemben megy, vagyis, nem kell csak mondjuk 15...20 A, de rajta van mondjuk 200 V és ez eltart néhány 100 us-ig. Akkor már annyi hő keletkezett a kristályszerkezetben, hogy túlmelegszik és valahol átég, aztán kuka.
Jólvan na.Nem fogm piszkutálni.
Da a hőmérsékletét megméram majd azért. |
Bejelentkezés
Hirdetés |












De azt írták ennyi nem jelent semmit.
(váltakozóáramnál !) 



