Fórum témák
» Több friss téma |
Akkor mind a 2 tápégba tegyek egy ilyen izzót?
"Tápáganként 1-1". Szóval igen, tegyél mindkettőbe.
Ok köszönöm mindenkinek a segítséget és remélem már holnap sikerről számolhatok be
sasasas válasza keszeg01 kérdésére A bemeneti fetek igen, eredetiek. A Váci úton lehetett vásárolni (3éve kb 50ft/db) és lassan fogyott. Lehet hogy van még vagy 2000db belőle. A helyét maratás után snitzerrel alakítottam ki(fólia átvágás).
Köszi a választ .
Van-e esetleg összehasonlításod vf2-vel vagy JLH-val? Ja és a pontos cím ahol veted a fetet abátyám szokot járni BP-n és megpróbálok vele hozatni. Előre is kösz.
sasasas válasza keszeg01 hozzászólására Nem hallottam szólni egyik erősítőt sem. Budapest 1134 Lehel út 17 T:3202610, 9495906 NDC 7001c fet raktárkészlet 3000db ára kb 38ft nettó. Az előbbi téves Váci útért pedig elnézést.
Kattints a Válasz gombra jobbra a fejlécén, annak a hozzászólására, akinek válaszolni szeretnél.
Máris gyakorlom, köszi a figyelmeztetést. Pedig még bámészkodtam is, hogy nekem miért nem olyan a fejléc mint másoknak.
Ma megépítettem a Vf3-t müködik csak annyia gondom vele,h milyest elkezdem növelni a hangerőt iszonyatosan elkezd torzítani!!!A trimert akármerre tekerem mindig ugyan az van!valyon mi lehet a gond?
A hozzászólás módosítva: Dec 12, 2012
Mérd meg ilyenkor mennyire esik le a tápfeszültség. Ha trimmer tekergetéstől nem füstölt el egy garnitúra FET, akkor gyenge tápod van
Akkor a gyenge táptól torzít az egész?
Sikerült feszültségmérést végezned? Addig csak találgatás van.
Igen ma reggel rámértem a tápfeszültségre terhelés alatt és igen,nagyon ingadozott egésszen lement 13 voltig
Amugy azt gondoltam,h az a trafó amiről indítottam elég lesz neki,mert a forrasztóállomást is elvitte.Na mindegy ez ugyis csak próba volt a végleges trafó egy 160w-s kis hiperszil lesz azzal már gondolom 2 csatorna is vigan elmegy majd A hozzászólás módosítva: Dec 12, 2012
Ma átnéztem kicsit jobban a kapcsolást és megvan a hiba
Nem volt rendes érintkezés a bemenetnél és ez okozta a gerjedést.Mostmár tökéletesen üzemel a kis végfokom.A hangminőség valami csodálatos a Tda-at orba szájba alázza
Hello mindenkinek! Szeretnek epiteni egy vf3as vegfokot az egyszerusege miatt.. de mivel nincs itthon trafo, pc tapot alakitanam at, +-17v osra, es azzal kuldenem meg. Mit gondoltok zavarja a vegfokot a magasfreki?
A hozzászólás módosítva: Máj 30, 2013
Ha nem tévedek, ez az erősítő d osztályos. Ha igen akkor bocsánat.
Annyi lenne a kérdés ha d osztályos, akkor tx-es tápot át lehetne-e okkosítani 12 voltról 17-re, vagy 12 voltról járatni?(+-)
1 mV van kb egy ilyen tápba, én inkább az átalakítástól félek.
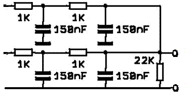
Sziasztok! Megint ÉN. a terv változott, eldöntöttem, építeni szeretnék egy vf6-ot, mivel nyákot nem találtam, a téma elején található vf3 nyákját alakítottam át, beraktam a 2 zenert, a hely szűke miatt állítva terveztem be, és a bemeneti ellenállást is beraktam, amit szintúgy állítva tervezek elhelyezni. ezt kérem nézzétek meg jó-e minden, bár elrontani szerintem ezt nem lehet, a másik, hogy szub-végfok lesz. ezért a bemenetre raktam egy szűrőt, ennek is csináltam külön panelt. ez jó lesz ide? a táp: na itt van egy kis gond mivel nem tudom hogy jó-e az elgondolásom. az ötlet, van egy szünetmentesem, melynek primer oldala 2*12v (én 1*24v-ként használom majd, anagyobb fesz miatt.) szekunder pedig 230v, mivel hálózati trafó, fordítva bekötve ugyanúgy működik, de mivel +-34v kell a végnek, arra jutottam, hogy egyutas egyenirányítás lesz(feszkétszerező) . puffernak ezt gondoltam 4*4700 + 470µF + 100µF + 100nF oldalanként , úgyvélem ez elég lesz a szép hanghoz. ÉS A KÉRDÉSEIM: ez az elgondolás jó? a végfoknak mekkora áramot állítsak be alapjáraton? a puffer mennyisége elég lesz ? mekkora teljesítménye lesz? ha jól gondolom, akkor 60w/4ohm 30w/8ohm. a fetek bírják a 4ohmos terhelést +-34V mellett? a tápba mekkora biztit tegyek? és végül a tervek amikből dolgoztam:
FEjlemények! új nyákot csináltam, ezúttal kisebb, ráterveztem a potmétert, igy annak a házával megoldódott a felfogatas, és csináltam a tápnak is, szerintem elég jó lett.. Véleményeket Várok! Üdv: Kiss Martin
Megpillantottam aszunetmentesben a trafot, vasmagkeresztmetszet negyzetevel szamolva 125wattos. Ez eleg egy drab vf6ra ugye?
az hogy 1mV ingadozás van egy ilyen pc tápban és ezt én még kiskondival stb szürném mert elég rossz lesz a kívánt eredmény.
A pc tap kimenete atalakitas nelkul tokeletges,
Sziasztok!
VF3-nál mi okozhatja azt, hogy a panel nem vesz fel áramot? Számtalanszor átnéztem már, minden a helyén van, kontaktusok rendben vannak, feteket, műv. erősítőt is cseréltem már(ne5534 és tl071 is volt benne). Király Tibor féle nyákra építettem, az élesztésnél is követtem az általa leírtakat, de nem folyik áram a tápágakban. (A táppal nincs gond, 120VA 2*12V toroid 10000µF pufferrel, stabil 16,5V-ot ad le) Van ötletetek, hogy mi lehet a gond? A hozzászólás módosítva: Júl 10, 2013
Szia! Mekkorák a gate-source feszültségek?
fogadjunk, hogy a a diódákat rosszul raktad be, vagy rosszak, esetleg a GNDt nem kötötted be a penelon véletlen? panelről kép?
A hozzászólás módosítva: Júl 10, 2013
|
Bejelentkezés
Hirdetés |




Amugy azt gondoltam









