Fórum témák
» Több friss téma |
Fórum » Hiraga erősitő
Témaindító: pcmaster90, idő: Máj 27, 2013
Témakörök:
A Hiraga-nál jól érvényesül a több(nagyobb)jobb elv....
Köszi , a nagy tesóval kapcsolatban kérdezném , ez egy önálló nagyobb teljesítményű panel lesz vagy esetleg hidalt változat?
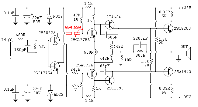
Önálló panel lesz.Eredeti Hiraga terv...a fetes végű. Bár az eredeti alkatrészekkel bajban vagyok,de igyekszem valami nagyon hasonlót összehozni.
hiraga 60w
Értem , sajnos ezek a félvezetők már nem léteznek a mi üzleteink polcain így lehet keresgélni .Tranzisztoros változatban nem gondolkodtál ilyen nagyobb testvér létrehozásán ?
Nem hogy ezek,de már a helyettesítőik sem léteznek....
![]() Ó dehogynem! De ha már nekifogok,akkor kipróbálom a feteket is....kiváncsi vagyok a hangjára. V-fet-et nem sikerült szereznem,de eredeti japó Hitachi power mos-fetet igen. Aztán majd meglátjuk. A hozzászólás módosítva: Jún 29, 2013
Letudom egy tartozásom, többen érdeklődtek hogyan lehet a nyugalmi áramot állítani.
Ez tuti működne így?
Nem kell félnem, hogy valamit ezzel elszúrok a panelen? Bocsi az értetlenkedésért
A másik kérdésem, hogy meg lehetne e oldani, hogy ha akarom akkor A osztályba üzemeljen de ha nincs rá szükségem akkor meg B be?
Ugyan azt tudom válaszolni ment az előbb. Technikai akadálya nincsen, értemét viszont nem látom.
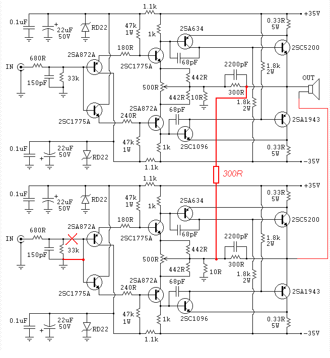
Tíz hídból kilenc így működik, minden erősítő meghajtható az invertáló bemenetéről. Nyugodtan próbáld ki, 1db ellenállás az alkatrészigénye Híd kapcsolásnál néhány erősítő paraméter javulni szokott, percről-percre optimistább vagyok az elgondolásoddal kapcsolatban.
Azért akarom ki próbálni mert egy barátom azt mondta, hogy hídalva minden erősítőnek szebbek a mély hangja és ő is azt mondta hogy javulnak a paraméterei
Ha a Hiraga-nak magában nem jó a mélye,akkor valami nem ok vele....
Vagy nem szereti a hangsugárzód.... Bár nekem pl a 4 Ohm-ot jobban kedvelte.....
Félre érted nincs a hangjával semmi bajom sőt imádom de ha lehet még rajta alakítani akkor miért ne?
Célszerű a másik ágban levő (240R) ellenállást is potira cserélni a beállítás idejére.
És természetesen üzemmeleg állapotban kell beállítani...
A valóságban nem a mély hangok változnak meg, hanem azonos hangerőhöz kisebb jelváltozásra kell az erősítőt kényszeríteni. A kisebb IM torzítástól a sávszélek élénkebbnek hatnak.
Az 500R trimmer könnyedén korrigál, nem vesződnék vele.
Könnyedén....ha a tranyók párba lettek válogatva.
Ha nem,akkor remekül lehet szívni vele.... Az a plusz egy-két forrasztás meg nem a világ vége.És jelentősen megkönnyíti az élesztést.
Természetesen...
Egyébként ezt a módszert,az eredeti leírás is javasolja.
Üdv!Köszönöm az elismerést.
A tápegység és a nyugalmi áram mértékének beállításával kapcsolatosan innen merítettem ötletet és információt.Bővebben: Link több helyen olvastam róla hogy a sok kondi jó ha van nos nem akartam abba a hibába esni hogy esetleg kevés legyen a kapacitás ezért is alkalmaztam ennyi kondenzátort.Kísérletezni meg nem volt kedvem vele hiszen így is rengeteg időm ment rá a erősítő elkészítésére és alkatrészek beszerzésére mivel nem mindig tudtam ezzel foglalkozni.Azok a kondik amúgy nem is olyan nagyok 47000 mikrósak és manapság ez nem olyan nagy kapacitás vannak 100000 mikrós kondik is, na azok már elég méretesek is. A hangzással kapcsolatban meg olvastam olyat is aki hallgatott több 30Wattos hiragát kevesebb és jóval több kondival a jóval több kondi az +/- áganként 500000 mikró rengeteg. ÉS az volt a véleménye hogy hallhatóan jobb volt nos ez szubjektív dolog mivel nekem és neked is kéne ezt hallani kinek mi tetszik ha lesz időd és kedved hozzá próbálgass kevesebbel és többel hallasz-e változást a hangján.Félvezetők A válogatás lamalas által publikált béta mérőjével oldottam meg.Bővebben: Link A végfok és a meghajtó tranzisztorokat így válogattam.Itt célszerű olyan áramot használni amin magát a tranzisztort is járatjuk majd a kapcsolásunkban. A kis jelű tranzisztorokat multiméteres mérővel válogattam oda megfelel az is.Más tranzisztorokkal szintén nem próbálgattam ezeket alkalmaztam a Quad 405nél is és ott is meg voltam velük elégedve.Itt megint csak próbálgatásba kísérletezésbe nem bonyolódtam bele időhiány miatt.Az ellenállásokat azért kellett módosítanom az eredetihez képest mert nem az eredeti félvezetőket alkalmaztam és paraméterekben változtak így a nyugalmi áram meg sem akart mozdulni 200mA ról felfelé.A nyugalmi áramot meg akkor állítom be ha már elérte az üzemi hőfokot addig csak körülbelüli értéket állítok.Ezután finomítok a két tápágban lévő potival úgy hogy az 500 ohm középállásban marad ahhoz hozzá sem nyúlok itt jön a 3. műszer mV állásban van és a kimeneti DC-t üzemi hőmérsékleten állítom be 0-ra. Tehát érthető az is ha hidegen ez a szint nem 0 érték persze itt nem arra kel gondolni hogy drasztikus az eltérés de nem 0 ez +/- 30-40 mV is lehet hidegen. HűtésÉn először 1A nyugalmival próbáltam nem vált be mivel a kivett teljesítményt amin számomra élvezhető a zene nem tudta biztosítani és nagyobb dinamikájú mélyeknél torzítás jelentkezett.Így 1.6A nyugalmival már ez nem fordul elő ugyan is itt az a jelenség áll fenn ha a műszerrel méred üzem közben az áramot és növeled a hangerőt a nyugalmi áram is csökken és természetesen a zene ütemében is változik. Ezt a bordát alkalmaztam oldalanként. A diagramon is látszik hogy 64V +/- és 1.6A áramnál 102.4Watt oldalanként a felvett teljesítmény nos ez disszipálódik oldalanként a bordákon ha megnézed az ábrán ez 0 fokon 35-40 fok körül van és ehhez még hozzá adódik a környezeti hőmérséklet ami (szobahőmérséklet) 20-30 fok is lehet.Konkrétan bordahőmérsékletet még nem mértem műszerrel majd fogok és meg írom mennyi is az annyi egy adott szobahőmérsékleten. Hát remélem tudtam segíteni ha még esetleg valamit ki hagytam írj és válaszolok!JA és egy jó tanács előfokot ha lehet ne használj és a poti logaritmikus legyen ne lineáris vagy próbáld ki és észre veszed
Szia,
nagyon szépen köszönöm az alapos, precíz és kimerítő válaszokat. ![]() Én is lamalas bétamérőjét szemeltem ki a mérésekhez. Mivel már megvannak, én a Toshiba végekkel fogom megépíteni. Vettem belőle egy-egy marékkal, majd összeválogatom őket bétára. Az előfokkal kapcsolatban: én csináltam magamnak egy komplett előfokot, optikai (Torx178-DIR9001-4xTDA1543) és két analóg bemenettel, bluetooth modullal, 6n3-as csöves előfokkal és a végén relés hangerőszabályzóval. Hasonlít Vicsys infrás szabályzójára, de ez teljesen saját fejlesztés. Oled kijelző, PIC vezérlés, távirányító. Még egyszer köszönöm, sok hasznos infót kaptam Tőled. Örülök, hogy ilyen aktív a topik ![]() üdv, dezső
Üdv! Nincs mit örülök hogy tudtam segíten.A Toshiba tranzisztorokkal kapcsolatban nem tudom hogy a PNP és NPN típusok közt milyen a béta szórás de annyit tudok mondani hogy nem biztos hogy könnyű dolgod lesz a végfok tranyók válogatásánál.Mivel nálam a kis jelű tranzisztorok és a maghajtó tranzisztorok szórása viszonylag elég jó volt itt azt értem hogy nagyon kevés darabból találtam párokat ellentétben a végfoktranzisztorokkal ugyan is náluk az NPN bétája 2x annyi volt mint a PNP nél ezért 40-40 darabot meg kellett vennem hogy nagyjából egyforma bétát találjak de még így sem az igazi elég nehézkes volt 2 párat össze hozni úgy hogy még ezek sem pontosak.Jó méricskélést talán te szerencsésebb leszel a Toshibákkal
Üdv.
Tudnátok nekem valamiféle kapcsolást ajánlani stabilizáláshoz? 2x40 volt egyen áramom van azt jó lenne vissza stabilizálni akár aktív áramkörrel 2x35 re... A nagy hiragához kellene és két 400 wattos trafó áll rendelkezésemre... A hozzászólás módosítva: Júl 28, 2013
Szia! Íme egy megoldás. A paneltervet a JLH témában adtam közre.
Köszönöm a kapcsit!
A kérdésem az lenne, hogy nem jelent a ic-nek problémát, hogy 40.1 voltról menne? Nagyon fontos lenne a bomba biztos üzemelése.
A 723 az csupán 37Volt ig megy de némi kis modozattal pillanatok alatt jó ez a kapcsolás ha megkéred reloop mestert berajzolja a + alkatrészt.
Az jó lenne meg egy nyák terv is kéne hogy minél előbb muzsikálhasson a hiragám
Az adatlap szerint 40V bemenő feszültség megengedett, és 50ms-nál rövidebb impulzusok elérhetik az 50V-ot.
A 40,1V-ot mekkora terhelő áram mellett mérted? |
Bejelentkezés
Hirdetés |











