Fórum témák
» Több friss téma |
Fórum » Elektromos kapásjelző
Témaindító: hohohorgász, idő: Nov 28, 2006
Témakörök:
Miért ne vált volna be. Nem az elektronikán múlik, hanem a mechanikán. A mellette lévő rajzot nem nézted?
Szia! De igen néztem azt is,arra kérdeztem hogy az optokapu az ami a második képen a nagy görgő alatt van? Na máris szétkapok én is egy egeret. Üdv!
Sziasztok! Itt melyik az opto? Köszönöm a választ!
És akkor ebből csak a baloldali rész kell? Ezt szeretném megépíteni. kép Üdv.
UI: gondolom kell a jobboldali kis fekete rész is de annak 3 lába van. A hozzászólás módosítva: Jún 28, 2013
Ez eddig gondolom így jó !?
Találtam egy képet. Gondolom az egérből a jobboldali fekete bigyó aminek három lába van valahogy így kéne bekötni?
Sziasztok! még mindig szeretném kérni a segítségeteket! Mindegy hogy a pirossal bekarikázott részt vagy a kékkel bekarikázott részt használom fel? ha jól látom ebben az egérben 3 kapu van? De a fekete részből még mindig nem tudom melyik két lábat kell bekötni a háromból. A válaszokat előre is köszönöm. Üdv!
Hello! Mérd meg. Ha egy lappal betakarod az optókat látni fogod melyik feszültsége megy fel. Három lába várhatóan azért van, mert egy dióda világít meg két érzékelőt. Ami a tárcsán 90fokos jelet generál, hogy tudható legyen a forgás iránya. Neked meg csak egy vevő kell. üdv!
A lényeg, hogy adott kapukhoz a hozzávaló tárcsát használd! Valamint ugyanabban a pozícióban álljon közöttük.
Az érzékelőnél 2 van egy tokban, és egyik lábuk közös. A hozzászólás módosítva: Jún 29, 2013
Sziasztok! Köszönöm a válaszokat,akkor a napokban ki is próbálom! Üdv!
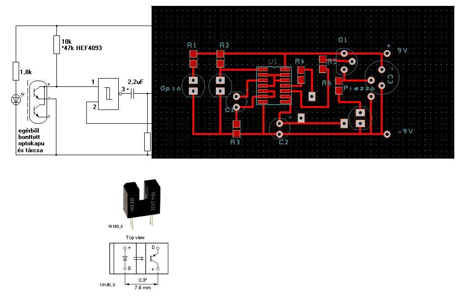
Sziasztok! Az este összedobtam ezt a kapcsolást. Nem akart működni. Felrakom róla a nyák tervet is,megnéznétek hogy jó e? (igaz csak ilyen próbapanelon próbáltam)-na meg nem tudom hogy a PC alaplapból kiszerelt kis buzzer jó e erre a célra mert azzal próbáltam,és amikor adtam neki a 9 V-ot akkor csak egy ilyen kis sercegés volt mint amikor kipróbáljuk egy elemmel a hangszórót hogy pattog e vagy sem. A led gondolom csak akkor villog-világít ha az opto is működik. Az optót külön ki lehet próbálni valahogy hogy működik e vagy sem? Úgy emlékszem az egérbe még működött. Ma megcsinálom rendes nyákra hátha valamit elszúrtam ,de addig is várom a válaszokat hogy mit ronthattam el. Köszönöm! Üdv.
Most jut eszembe. Látom hogy itt HEF4093-at ír, én CD 4093-al építettem meg.,van jelentősége?
Hello!
- Jó ez a nyák! A piezo viszont nem mert önrezgő kell. Vagy is ha feszt adsz neki sípolnia kellene. - Az első fokozat egy nem-újraindítható monostabil multi. Az opto ellenőrizhető. Ha az 1-es lábat méred. Ha átvilágít alacsony szintű a bemenet. Ha eltakarod magas. Minden alkalommal, ha elveszed az eltakarást, a 4-es lábon egy lefutó impulzusnak kell lenni. ennek ideje elég rövid 2,2u*51k=01sec. A 11-es lábon ennek invertáltja van, vagy is alapból L szint van, ha piszkálod az optót, H szintű impulzusok. - A poti meg a 100µF egy integráló kapcsolás. Az csak akkor "engedi tovább a jelet" ha az opto impulzusai gyorsan jönnek egymás után. (mert különben minden rezzenésre jelezne) - Ha a kondiban a feszültség magas lesz, a 10-es lábon alacsony. Az kinyitja a tranyót, a Led világít, a sippancs meg szól. A Diódára semmi szükség az áramkörben, rövidre lehet zárni. Viszont a teleppel párhuzamosan egy 47..100µF-os szűrőkoni nem ártana. IC típusa nem számít. üdv! A hozzászólás módosítva: Júl 2, 2013
Szia! Ezt a kaput is használhatom igaz? kapu Üdv!
Ha igen,akkor a rajzok alapján a nyákon a kapu jobboldali részének lábait meg kell fordítsam igaz? Üdv!
A hozzászólás módosítva: Júl 2, 2013
Hello! Használni használhatod, de én még ilyen idétlen jelölést nem láttam. A diódának van anódja és katódja a tranyónak kollektora és emittere. Erre mindenféle plusz-okat írnak oda, aminek értelmes semmi, de a hab a tortán, hogy E-vel a dióda katódját, és D-vel a tranyó emitterét jelölni.. Ha a nevét írná oda a tervező, azt sem hinném el!
üdv!
Szia! Okés köszönöm, a nyákon meg is fordítottam a tranyo állását . Vettem egyet,itt akezemben. Na meglátjuk be válik e vagy sem. Üdv!
Az egérben levőnek működnie kell. Próbáld le az infradiódát, világít-e? Akár a mobilod fényképező részével is megnézheted...ha világít, akkor a másik oldalt kell lepróbálni, ahogy Proli007 írta...aztán a logikai kapukat is lepróbálod...
Ezzel a vett infrakapuval az lehet majd a baj, hogy nem tudod, milyen osztású tárcsa kell hozzá.. az egérben levő kapu azért jó, mert rögtön van hozzá illő tárcsa is. Anno szívtam azzal, hogy több egeret bontottam egyszerre és nem akart jó lenni, ha én indítottam jó volt, a kapu is működött...aztán rájöttem, hogy összekevertem a tárcsát, és nem az volt hozzá, átcseréltem és jó lett egyből. A HEF és CD gyártmányok között van szórás, az elején az ellenállással lehet, hogy játszani kell, le kell mérni, hogy megfelelően billenjen! Jelöltem is, hogy nekem HEF-el mekkora kellett... A hozzászólás módosítva: Júl 2, 2013
Megcsináltam , de nem akar megszólalni.
a kaput is az egérnek a kapuját használtam fel. A dióda világít amint látszik az 1-es képen is.A tranzisztorját gondolom jól forrasztottam annak három lába van gondolom a középső a közös azt tettem E- GND-re a másik szélső lábát meg a R2IC 1-es lábára. (de fordítva is próbáltam. -úgy sem működik.
Hello! Nem működik - nem működik!
Nem sírdogálni kell, hanem mérni! De elsősorban azt megmondani, mi nem működik. Amit írtam, végig próbáltad? Az áramkörnek működni kell, ha a fototranyó helyét rövidre zárogatod. (De fürgén ám!) Az optokapu meg mérhető, ha méred a fototranyó kollektor-emitter feszültségét, mikor belevilágít, meg amikor eltakarod.. üdv!
Szia!Köszi a választ! a sírdogálást nem gondoltam komolyan
A fototranyó helyét rövidre zártam gyorsan ahogy írtad de nem történt semmi.
Akkor a 100µF plusz lábát, húzd fel a 9V-ra. A Led-nek égni kell.
Akkor húzd fel az 5-ös lábat a tápra, ekkor is égni kel a Led-nek.
Akkor tegyél egy Led-et a 2,2k és a poti közös pontja és a GND közé. (Anód az ellenállás felé ) Potit csavard jobbra maximumra. Ha most kiforrasztod a fototranyót, és összeérinted a helyét, akkor felkel villanjon a Led amit betettél.
Akkor ne vedd ki a Led-et, hanem tedd vissza a fototranyót. Ha eltakarod a rést, majd elveszed a takarót, a Led fel villan.
Ha nem, akkor mérj feszültséget a fototranyón eltakarva, és szabadon. Eltakarva 9V körül kel lenni, szabadon 0V körül. Remélem nem az a gondod, hogy a környezeti fény zavarja a fototranyót.. |
Bejelentkezés
Hirdetés |














üdv! 

a kaput is az egérnek a kapuját használtam fel. A dióda világít amint látszik az 1-es képen is.A tranzisztorját gondolom jól forrasztottam annak három lába van gondolom a középső a közös azt tettem E- GND-re a másik szélső lábát meg a R2IC 1-es lábára. (de fordítva is próbáltam. -úgy sem működik. 




A fototranyó helyét rövidre zártam gyorsan ahogy írtad de nem történt semmi. 