Fórum témák
» Több friss téma |
Mielőtt kérdezel, a következő két dolgot ellenőrizd!
I. A helyes tápfeszültségek megléte.
II. A kimeneten van-e egyenfeszültség.
Élesztés.
Nem tudom. Allitolag ennek az erositonek a terve, nem ellenoriztem.
Akkor jól sejtettem
Üdv! Megépitettem a következő kapcsolást, (tranzisztortokozásokra odafigyelve) de sajnos egyenfesz van (nem féltápfesz) a kimeneten és a Tip42c másodpercek alatt felforrósodik. http://www.thompdale.com/bash_amplifier/2-1/2-1_hf_amp_712x523.gif Van javaslatotok, egyáltalán működő kapcsolás lehet ez?
Szerinted érdemes lenne megépíteni ? Mert szeretnék építeni egy olyan végfokot ami ténylegesen le adja a 350W 8 ohmon .
Mindegyik leadja, ha megvan hozzá a tápfesz, ami +-90V környékén kell legyen hozzá nyugalomban.
Szia! De igen azok vannak benne. Az egyik oldal biztosítékát kivágta azt kicseréltem akkor meg a trafónál a folyto ellenállás elfüstölgött (68ohm) .
Most faragom a Crown XLS NYÁK-ját, az talán egyszerűbb és jobb is. Érzékeltetésül mellékelem hol tartok.
Írd már le légyszíves hogy ez hány wattos és milyen trafó kell hozzá?
Ez egy Castone CPA1200 trafójára lesz kötve, Koncsar kolléga unszolására készítem. A 8 ohm 350W kényelmesen kiballag belőle.
Csatlakozók a további panelekhez: Bővebben: Link
Sejtettem , nekem egy bajom van vele de baromira tetszik . Hogy drága bele a mj15024 .
Ugye én meg szeretném csinálni a 2 oldalt mert jelenleg 2 omitronic mély ládát hajtanák vele (max terhelhetőség 800w) . Azért is gondoltam a castone 1200b kapcsolási rajzra mert az olcsóbban jönne ki . A hozzászólás módosítva: Aug 3, 2013
Ebbe a NYÁK.-ba MJL21193/4 kerül majd - nem mint ha az olcsóbb lenne.
Nézd meg a +/-90V-os VF2-őt!
Ugyan annyiba kerül kb . A castoneba ilyen kell egy oldalra 8 darab MJE 15032
Igazából egy the t.amp e 800 szeretnék venni az felelne meg ár/érték kategóriába nekem .
A kapcsolási rajzát meg is találtam de az a gond hogy hozzá egy megfelelő nyák tervet még el készítem és egy jó trafót szerzek kb 10 év .
Sziasztok!Meg tudná valaki mondani hogy a mellékelt kapcsolási rajzon a kimeneten miért 200 volt van? Komparátor nem a tápfeszt kapcsolja a kimenetre?
Szia!
Ezt meg tudnád mutatni valami képformátumban is?
Ár/érték arányban a VF2-nél jobbat nem nagyon fogsz találni, vesd össze az IRFP és az MJ vagy MJE árát. Mondjuk azt sem érdemes 3-400W-nál nagyobbra megcsinálni, mert felette már olcsóbb és jobb a D osztály.
Ebben a teljesítménykategóriában különösen drága mulatság az amatőr építés, mert a trafó és végtranzisztorok megvásárlása után még bőven lehet rá költeni.
Kis szerencsével olcsón juthatsz hibás készülékhez, melynek reparálásában bizton számíthatsz a fórum támogatására.
Szia! Eltévedt az áram a dzsungelben amit rajzoltál.
Tina-ban az áramkörnek testet kell adni, de ezzel egy külön topic foglalkozik. A hozzászólás módosítva: Aug 3, 2013
Sejtettem , de az a baj hogy szerencse ami nekem nincs. Akkor veszek egyet használtan . Tekercs az éppen van itthon azzal nem lenne gond csak a többivel .
Sziasztok.
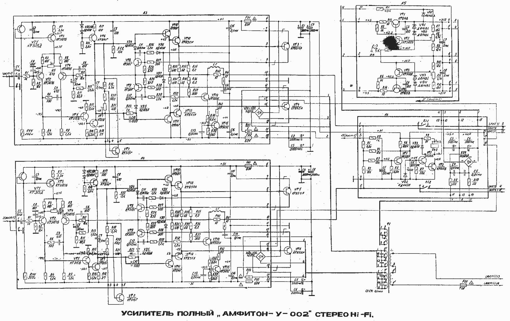
Hoztak nekem tegnap egy orosz erősítőt. Nagyon szép gyári állapotban van a gép javítva még nemvolt. Olyan problémám van vele, hogy ha húzom a hangerőt akkor egy idő után közbe lép a védelem és lekapcsolgatja a hangszórókat a kimenetről. Van két piros led amik gondolom a CLIP jelzők és mielőtt tiltana a védelem ezek már elég jól világitanak. Ha a loudnesst bekapcsolom akkor jóval elöbb mint amikor kikapcsolt állapotban van. Mellékelek egy képet róla (netes kép, de ugyanez az erősítőm van) és egy kapcsolási rajzot hátha tudtok mondani valamit nekem erre a dologra. 8 Ohm-os hangsugárzók vannak rákötve.
Egyenfesz van a kimeneten, ha tekered felfelé?
Szia! Mérjél rajta mielőbb nyugalmi áramot, és azokkal a trimmerekkel, amiket bekarikáztam, vedd vissza 20 mA alá, sőt, ha meg tudod nézni a keresztezési torzítás hol jelenik meg nála, azt hiszem, kevesebb is elég lehet neki. Inkább kevesebb legyen a nygalmi áram, mint több, mert egy ponton megindul a lavinaszerű melegedés, és a tranzisztorok megszaladnak.
Erre én azért nem gondoltam, mert egy idő után jelentkezik a hiba, tehát melegszik. (Sőt lehet, hogy felforr.)
|
Bejelentkezés
Hirdetés |















