Fórum témák

» Több friss téma
Fórum » Videoton RA 6363 és EA 6383 javítása
Lapozás: OK   56 / 124
(#) szabjan válasza Johnny0004 hozzászólására (») Júl 8, 2013 /
 
Ez nagyon valószínű, hogy a TDA 1062 cseréje lesz az FM tunerban. Közeli villám hatására ki tudnak fingani. Az újat azonnal foglalattal beszerelni. Esetleg a tuner erősítésszabályozása...
A hozzászólás módosítva: Júl 8, 2013
(#) Johnny0004 válasza szabjan hozzászólására (») Júl 16, 2013 /
 
Köszi.
(#) fecameca válasza Johnny0004 hozzászólására (») Júl 16, 2013 /
 
Egy másik topikban írtam, hogy nekem fólia szakadásom volt a tunerben. Valamelyik rezgőkör nem kapott emiatt hangolófeszültséget. Először át kell mérni alaposan, lehet, hogy nálad is az lesz, ha nem, akkor cserélj TDA 1062-t.
(#) fecameca válasza koczos1 hozzászólására (») Júl 16, 2013 /
 
Szia! Ilyen rádióban még ilyen hibával nem találkoztam. Én elővenném az oszcilloszkópomat. Amit egyébként igen ritkán használok. Találkoztam már olyan elektrolit kondenzátorokkal, amik meleg környezetben veszítették el teljesen a kapacitásukat. Először az elkókat cserélém ki, utána jönne az erősítők beállításainak mérése. Például nekem egy Philipsben volt valami ilyesmi, amikor a kondenzátorokból kifolyt elektrolit szanaszét mardosta az egész panelt. Csúnya munkát végzett.
A hozzászólás módosítva: Júl 16, 2013
(#) fecameca válasza Johnny0004 hozzászólására (») Júl 16, 2013 /
 
Bocs, de most jöttem rá, hogy éppen Te voltál az, akinek írtam. Ezek szerint nem lett jó.
(#) adamka199 hozzászólása Aug 28, 2013 /
 
Szisztok! Van egy videoton ra6363 s radioerositom, amiben az egyik csatornaban a tranzisztorok zarlatosak lettek. Olvasgattam hogy nem mindegy milyen alkatresszel potoljuk, igy teljesen tanacstalan vagyok. A ket tranyo a kovetkezo lenne:
T1819-1
1820.1
Ezek helyettesitesere keresek megfelelot. Valamint meg egy problemam van. A vegerosito panelen elegtek a "huzalellenallasok"
Nem tudom hogy vasarolhato meg ilyen, igy erre is helyettesitest keresek
Ezek ellenallasa 0.9-1ohm. Esetleg meg a panelen levo tranyokat is megvizsgaljam?

Segitsegetek, koszonom!
(#) Beringer 600 válasza adamka199 hozzászólására (») Aug 28, 2013 /
 
Heló! a T1819,és a 1820 helyére tökéletesen meg fele a Bd911/912.A huzal ellenállások helyett,pedig a 0.47 ohm,2w-os ellenállás.
A hozzászólás módosítva: Aug 28, 2013
(#) adamka199 válasza Beringer 600 hozzászólására (») Aug 28, 2013 /
 
Koszonom a gyors valaszt! Ez a gyartmanyu egyebkent hangminosegben is megegyezzik az eredetivel? Netan jobb/rosszabb valamelyest? Udv!
(#) Beringer 600 válasza adamka199 hozzászólására (») Aug 28, 2013 /
 
Én évek óta ezekkel a vég tranyókkal hajtottam,és semmivel nem volt se jobb,se rosszabb.
A hozzászólás módosítva: Aug 28, 2013
(#) Beringer 600 válasza adamka199 hozzászólására (») Aug 28, 2013 /
 
De ha a javításra adtad magad,akkor ajánlom,hogy az összes félvezetőt ki vett állapotban mérd meg,és ugyanígy a diódákkal is,mert más értéket fogsz mérni ha bent méred a panelban.Nekem is van 2db után gyártott panelom,ha érdekel meg mutathatom.Csak én már a bd-s tranyókat ki cseréltem MPSA92-re.Mikor össze raktam a panelokat,0.04v volt a kimeneten,fogtam kivettem az 1k8 ellenállást,és tettem helyére,2k2 trimmert,és így már belehetett lőni 0.00v-ra.
(#) Beringer 600 válasza adamka199 hozzászólására (») Aug 28, 2013 /
 
A félre értések el kerülése végett mondom,hogy csak azokat cseréltem MPSA92-re ami egymás mellett van 4db bc-s tranzisztor.Egyébként az MPSA-nak az E,C ellenkező oldalon van mint a BC-s tranyóknak.A B az mindkettőnél a középső láb.
A hozzászólás módosítva: Aug 28, 2013
(#) adamka199 válasza Beringer 600 hozzászólására (») Aug 28, 2013 /
 
Ertem, lehet erdekel a dolog mert az alkatresz ara az nagyon kedvezo.
Neharagudj, annyira nem vagyok hozzaerto, de ha jol ertettem, a 4db bc tranyot helyettesitem mpsa92-re, es a trimmer potival meg 0Voltot allitok be. Ha lennel kedves megmondanad nekem hogy az 1k8-as ellenallasra melyik van feliratozva, valamint hogy hol kell merjem a kozel 0volt feszultseget, nagyon megkoszonnem. Velemenyem szerint kart igy nem tudnek okozni benne. Valamint ilyenkor ezt a beavatkozast mindketto panelom elvegzem. Ajanlottad ezt a megoldast, de kivancsi lennek hogy mi jora szamithatok tole. Stabilabb mukodes, netan szebb hangzas, kivancsian varom! Udv!
(#) Beringer 600 válasza adamka199 hozzászólására (») Aug 28, 2013 /
 
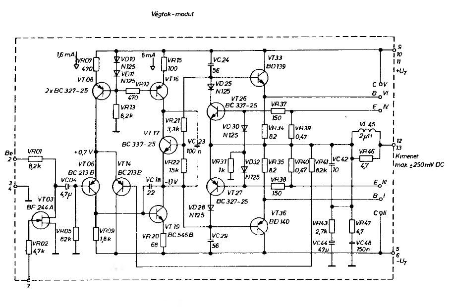
De a trimmeres megoldás csak akkor kell,ha nem 0.00v van a kimeneten.kimeneti DC-t úgy kell mérni,hogy be kapcsolod az erősítőt,a bemenetet rövidre zárod,a mérőt be állítod 20v-os mérés határra,és rá mérsz a kimenetre,hangszóró nélkül.és ha esetleg 0.01-0.02v nál nagyobb a kimeneti DC,akkor érdemes a 1,8k ohmos ellenállást kicserélni 2k2 trimmer-re és azon nagyon óvatos állítással belőni a 0.00v-ot.Az ellenállás szinkódja:barna.szürke piros.VR09 pozícíó szám.
A hozzászólás módosítva: Aug 28, 2013

RA6363S.JPG
    
(#) reloop válasza Beringer 600 hozzászólására (») Aug 28, 2013 /
 
Szia!
Idézet:
„én már a bd-s tranyókat ki cseréltem MPSA92-re”

Ezt hogyan kell érteni? Biztos ezt akartad írni?
(#) adamka199 válasza Beringer 600 hozzászólására (») Aug 28, 2013 /
 
Rendben, ezt ertem es meg is tudom csinalni. Jovo heten jarok boltban, majd jelentkezem a fejlemenyekkel! Koszonom az eddigi segitseget!
(#) Beringer 600 válasza adamka199 hozzászólására (») Aug 29, 2013 /
 
Bocsi,mellé ütöttem,BC--t akartam írni,nem BD-t.
(#) pauer98 hozzászólása Szept 24, 2013 /
 
Üdvözletem! A minap hozzám került egy Vidi EA6383S és meglepődésemre a 6363S em simán lepipálja. Szétszedtem és van az a gyanúm hogy a végfok piszkálva volt. Mind a 4
tranyó típusa:Morocco BD243C ill 244C a 6363ban más van. Jól gondolom hogy ez nem bele való? Ha igen akkor milyen kéne bele és mennyibe kerül? A másik ami "fura" hogy egy nagy átkötés van a szabályzó panel jobb teteje és a hangerőpanel középső csatlakozója között amúgy szól csak alulmarad a 6363mal szemben. Illetve a jobb oldal mintha erősebben szólna. Köszönöm a segítséget!
(#) pauer98 hozzászólása Szept 30, 2013 /
 
Nem azért, de eléggé kihaltnak tűnik a topik :/
(#) reloop válasza pauer98 hozzászólására (») Szept 30, 2013 /
 
Üdv! Kihalásról szó sincs, csak gondoltam önállóan rápillantasz a kapcsolási rajzára.
A leadott legnagyobb torzítás mentes teljesítmény a tápon múlik elsősorban, érdemes mérni mennyire esik le terhelés hatására.
(#) pauer98 válasza reloop hozzászólására (») Szept 30, 2013 /
 
Tudtam én! Igen akkor a BD243-44páros nem annyira megfelelő, nem baj csak tudjam milyen kell nem hiszem hogy olyan drága, holnap úgyis vennem kell bele ezt-azt. Hát az az igazság hogy 8-9en már eléggé torzít, vagy csak a hangfal (HS282) nem bírja, de majd DC2550A lesz rákötve ha fel lesz újítva. A táp kicsit búg de nem vészes. Sajnos 15évesen nincs sok tapasztalatom, nem tudom ezt hol mérjem nincsen csak egy multiméterem.
(#) reloop válasza pauer98 hozzászólására (») Szept 30, 2013 /
 
A tranzisztor cserétől nem lesz hangosabb! A BD243/244-nek karcsú a terhelhetősége, BD911/912 már jobb lenne.
A 4700µF 40V-os pufferkondenzátorokat megtalálod? Azok lábain tudsz tápfeszültséget mérni.
Ha búgást tapasztalsz, ezeket a kondenzátorokat nem ártana újakkal leváltani. Ettől várhatnál érdemi javulást.
Olvasgasd ezt a témát, meríthetsz belőle tapasztalatot. Itt a válaszmező fölött jobbra van egy kis nyilas négyzet, mely legördülő ablakot nyit meg. A nagyítóra kattints és a felső sorba a csillag elé írhatsz kereső szót, szóközzel válaszd el a csillagtól! Példa.
(#) pauer98 válasza reloop hozzászólására (») Szept 30, 2013 /
 
Köszi, meg lesz, holnap veszek is belőle. RA6363ban is ilyen van? Akkor oda is rakok annak sem ártana. Kb. mennyi kell? Most este már nem tudom szétszedni. Ha jól láttam a végfokon is szét van égve valami attól függetlenül szól az nem olyan fontos. Az átkötésre viszont még mindíg nem jöttem rá ami a szabályzó panel és a hangerő panel között van, de ha kiveszem akkor elkezd zúgni/sercegni a hang. Egyéb hogy felcseréltem a végfokokat most már szól rendendesen, de ha kiveszem a loudnesst akkor a bal kicsit hangosabb.
(#) pauer98 hozzászólása Szept 30, 2013 /
 
Hajaj ez nem olcsó mulatság, akkor holnap csak mérek egyenlőre nem veszek semmit. Sok kondit vettem már de ez nem holmi filléres dolog. Tranyókat viszont veszek ha van. Az egyetlen baj hogy lehet hogy bezár a bolt végleg és mehetek pestre majd egy 15forintos kondiért is......
A hozzászólás módosítva: Szept 30, 2013
(#) monsun hozzászólása Okt 1, 2013 /
 
Sziasztok!
Talán tud valaki segíteni: vettem egy 6363-ast, (nosztalgia, annó volt ilyen készülékem) de a balanszállító gomb el van törve. Hol tudnék ilyet beszerezni?
Előre is köszönöm
(#) pauer98 válasza monsun hozzászólására (») Okt 1, 2013 /
 
Szia! A gomb vagy maga a potméter tört el? Ha a gomb azt sajnos nehéz egyenként szerezni, nekem is más fajta az egyik :/
(#) pauer98 válasza reloop hozzászólására (») Okt 1, 2013 /
 
itt van pár kép ha segít esetleg, tranyókat nem vettem mert bezár a bolt de szerencsére csak költözik. Megmértem a puffereket 1986os gyártmányok, alapállapotban 36volt körül van, 9ig tekerve 33-31re esik vissza mind a kettő úgy hogy a kivezérlés jelző majdnem kiakad, tehát le van terhelve rendesen. Az átkötésre még várom a megoldást, a végfokon ott felül valami elégett de szól rendesen, nem tudom az mire jó.
A hozzászólás módosítva: Okt 1, 2013
(#) monsun válasza pauer98 hozzászólására (») Okt 1, 2013 /
 
A gomb belső műanyag része. Ha nem találok sehol, valahogy megpróbálom megjavítani, de az nem olyan mint az eredeti.
(#) reloop válasza pauer98 hozzászólására (») Okt 1, 2013 /
 
Ez a 10% tápesés teljesen elfogadható, sőt!
Ha úgy érzed, feltűnően hamarabb kezd torzítani mint a másik erősítő, akkor VR39 és/vagy VR40 értékének növekedésére gyanakszom, ettől ugyanis korábban lép be az áramkorlátozó.
Ennek vizsgálatához az áramkorlátozó kiiktatására nem szívesen buzdítalak, nem lehet olyan rossz azaz erősítő így sem.
A végtranzisztorok cseréjét is megfontolnám. 8 ohm terheléshez ezek is tökéletesen megfelelnek.
A pörkölt VR47 egy gerjedés eredménye. Ezt ki lehetne éppen cserélni.
Talán a 100 és 470µF elkók módszeres cseréje lendítene a búgás megszüntetésén, ezek elég hajlamosak a kiszáradásra. A szabályzó panelen vannak 100µF kondik melyek hatással vannak a csatornaerősítésre is.
A csatornák közötti különbség több okra vezethető vissza, kontakt hibától egész a potik együtt nem futásáig. Köss az erősítőre mono szinusz jelet és haladj végig párban a két csatorna erősítőfokozatain. Ahol eltérő AC feszültséget mérsz ott kell piszkálódni.
A kérdéses átkötést valaki valamikor azért rakhatta be, hogy csökkenjen a feszültségesés a két pont között. Biztosan oka volt rá
(#) pauer98 válasza reloop hozzászólására (») Okt 1, 2013 /
 
Amikor a VR47elégett akkor az az én hibám volt, a végtranyók nem voltak meghúzva és az előerősítö sem volt lecsavarozva. Csak úgy benne volt. Szerencsére a 800mA biztosíték rögtön kiment én meg lenyomtam az elosztót A végtranyók akkor maradnak, összemértem a 2 erősítőt egy bemenetről az egyik a jobb a másik a bal oldalt kapta. Most a 6363 8as hangerejét a 6383 6-7en hozta annyira nem vészesen torzít lehet hogy csak a végét járja a teljesítmény a kivezérlés jelző szerint is. Nem tudom te mire gondoltál de nem a hangfalak búgnak (csak ha maxra tekerem akkor se nagyon) hanem a trafó a 6363hoz képest, de őszintén nemérdekel hadd búgjon. A hangerő különbség 3as ig nem jön elő, és kb 6-7nél megint rendben van. Aközött a bal erősebb a kivez. jelző szerint. (mielőtt megvettem akkor is használtam, a balance poti állandóan bal3 nál volt a hangfalak miatt) A poti renden van amúgy. Ha jól látom ott ott az előerősítő alatt volt már kondi cserélve.
Köszi a segítséget!
A hozzászólás módosítva: Okt 1, 2013
(#) csubííí válasza pauer98 hozzászólására (») Okt 2, 2013 /
 
Nem csoda,hogy a hang-poti 8-9-es állásba már torzít,az már ezeknek sok. Ez egyik egy 30W-os erősítő a másik egy 25W-os. Az,hogy 100W-ig van a kijelzés (a simán) az nem jelenti,hogy annyi is lenne,azt esetleg ha felvillan szóval rövid időre lehetséges,folyamatos világításnál már bizony torz,nem bírja. Ha utána számolsz hálózati felvett teljesítményből (ami egyiknél 160W a másiknál 130w és két csatornára oszlik),akkor kiderül ezek nem nagy teljesítményűek. Két különböző típusú erősítőtől (egyik kisebb a másik nagyobb teljesítményű),hogy a fenébe várhatnánk el,hogy ugyanabban a poti állásban ugyanakkora hangerővel szóljon,nincs értelme az egésznek. A hangerő piti meg nem teljesen rátekerve adja le a teljes teljesítményét egyik erősítőnél sem,hanem már jóval előtte. Azért vannak így gyártva,hogy ha gyengébb a bemeneti jelforrás akkor is legyen tartalék a potin és lehessen ráadni hangot. Ami még fontos,a leadott teljesítményt azt úgy tudják,hogy minden hangszínszabályzó nulla állásban van és minden hangkiemelő kikapcsolva pl. Loudness. A felvetett átkötés (szabályzó modul és hangerő panel között) meg gyári! Igaz ezen a készüléken már nem a gyári kábelével van (az már cserélt) de ettől függetlenül az gyárilag olyan,a negatív megy ott át. Tudom,mert nekem volt 4db (amiből 2db-ot megtartottam 2 eladtam) és egyet meg ismerősnek javítottam és mindegyikben megvan a nevezett átkötés.
Következő: »»   56 / 124
Bejelentkezés

Belépés

Hirdetés
XDT.hu
Az oldalon sütiket használunk a helyes működéshez. Bővebb információt az adatvédelmi szabályzatban olvashatsz. Megértettem