Fórum témák

» Több friss téma
Fórum » Erősítő mindig és mindig
Mielőtt kérdezel, a következő két dolgot ellenőrizd! I. A helyes tápfeszültségek megléte. II. A kimeneten van-e egyenfeszültség. Élesztés.
Lapozás: OK   75 / 2567
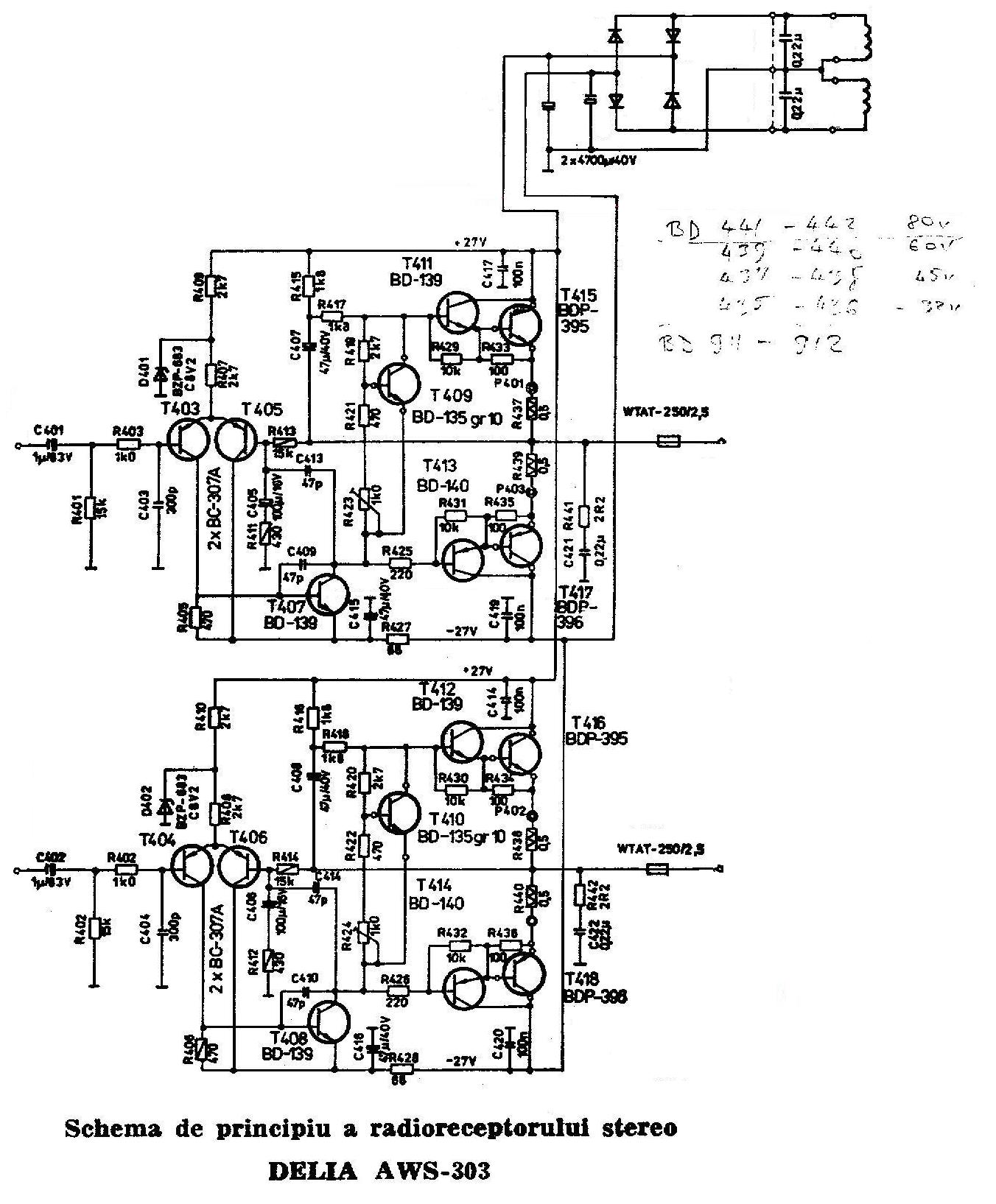
(#) derno válasza saca200 hozzászólására (») Nov 29, 2007 /
 
Ebben a témában benne van az új típus rajza:
Castone CPA400BV
(#) sound.man válasza saca200 hozzászólására (») Nov 29, 2007 /
 
Nah klikk itt van minden a régebbi típusról Reggelni kell hogy megnézd és letöltsd
(#) sound.man válasza sound.man hozzászólására (») Nov 29, 2007 /
 
Kössz hogy valaki feltörte a mail címem.... minden rajzot leszedek.... köszönjétek annak aki feltörte a mail címem
(#) valve válasza sound.man hozzászólására (») Nov 29, 2007 /
 
Mi tortenik itt? Milyen mail cimed volt??? Gyere privatba vagy menjunk at az OFF topicba,..
(#) finenet hozzászólása Nov 30, 2007 /
 
Sziasztok..lenne pár kérésem nyáklap tervre és hogy szerintetek melyik erősítő a legjobb, 3 hanszóróra egy sub(50/80w 8ohm) meg 2 3utas vieoton (30/45w 4ohm)

Előerősítőnek erre gondoltam

http://www.d-audio.hu/product_117/category_53/product_info.html

Erősítő

http://www.d-audio.hu/product_116/category_53/product_info.html
http://www.d-audio.hu/product_114/category_53/product_info.html
http://www.d-audio.hu/product_1024/category_53/product_info.html

Melyiket lenne a legérdemesebb megcsinálni?
(#) 0123456789 válasza finenet hozzászólására (») Nov 30, 2007 /
 
hello szerintem ezt-http://www.d-audio.hu/product_1024/category_53/product_info.html
(#) valve válasza finenet hozzászólására (») Nov 30, 2007 /
 
Szerintem ezek kozul a legjobb a TDA7294V -es, azt epitsd meg,.. Eloerosito pedig nemhiszem, hogy kellene,.. Nyaklapot is kapsz hozza, hasznald a forum keresojet, jobb felso-sarok! Es hasznalhattad volna topic nyitas elott is, hiszem mar tobb tucat ilyen tema van,.. Ezt a temat gondolom le fogjak zarni a modik, kis morrogas utan; :yes:

Udv; Imre,..
(#) puskas87 válasza finenet hozzászólására (») Nov 30, 2007 /
 
szia!
ez
(#) Mayan hozzászólása Dec 3, 2007 /
 
Sziasztok, találtam egy régi rádiótechnikában egy érdekes erősítőkapcsolást, arra gondoltam, meg kellene csinálni nagy teljesítményre, pl. 15-20w-ra, mert olyan egyszerű hogy csoda. 2n3055 / 2955 -re
gondoltam a végére és bd139-re meghajtónak.
Valaki tervezésben jártas emberke segítségét kérném aki megmondja hogy ez lehetséges-e, érdemes-e, és ha igen akkor milyen alkatrészértékekkel. Tranyós erősítőt még nem nagyon csináltam csak ic-st, azt elég sokat.

1.gif
    
(#) valve válasza Mayan hozzászólására (») Dec 3, 2007 /
 
Ez azszem az elmeleti megkozelitese a dolgoknak, ilyen erolkodot nem szoktak epitteni, ugy ertem ha mar hasznalni is akarod akkor meg par ellenallas meg tranyo-kondi is kell bele,.. Ez igy szinte nem erosit semmit,.. (nemhogy 10-20w -ot) Ha ebbol akarsz erolkodot akkor annyi alkatresszel kell megtodd, hogy jobb ha egy kesz kapcsirajzot epitessz meg, ami mar le van tesztelve, van nyakterv, stb-stb,..
(#) hapro válasza Mayan hozzászólására (») Dec 3, 2007 /
 
Szia!

Én a helyedben nem foglalkoznék vele. Létezik annyi jó kiforrott kapcsolás amik szintén egyszerűek, és megépíteni sem nagy kunszt.

Ezek csak a véleményeim. Szóval én nem foglalkoznék ezzel. De nem is vagyok jártas a végfokok tervezésében.

Nézz körül itt szerintem, elég sok értelmes kapcsolás van fenn.
http://sound.westhost.com/

üdv.:

Zoli
(#) lamalas válasza Mayan hozzászólására (») Dec 3, 2007 /
 
A helyzet az, hogy ennek a kapcsolasnak inkabb csak elmeleti jelentosege van, gyakorlati eleg keves. Mondhatjuk ugy is, hogy ez a kapcsolas az alapja az emitterkovetos kimeneti fokozatnak, de nem tobb. Szerintem is keressel valami olyan kapcsolast ami a gyakorlatban is jol bevalt es konnyen utanepitheto. A Radiotechnikakban eleg sok kapcsolas latott napvilagot az evek soran.
(#) Mayan válasza lamalas hozzászólására (») Dec 3, 2007 /
 
Na jó, értem... csak én ilyen egyszerű-kapcsolás-mániás vagyok, azért tetszett... nemrég mutattam itt az A osztályú topicban a 3 alkatrészes 1 tranyós erősítőmet, azt is eléggé lehurrogták... pedig jól szól.)) Egyébként most pont nem kell új erősítő csak ezt érdekességnek megcsináltam volna. Az egyszerű és kissé elvont kapcsolások izgatnak leginkább. Mint az 1 tranyós nagy teljesítményű végfok...
(#) lamalas válasza Mayan hozzászólására (») Dec 3, 2007 /
 
Idézet:
„...pedig jól szól”


A kerdes, hogy mihez kepest? Az ilyen egyszeru kapcsolasok tanulasra jok ... figyelni a munkapontot es jelalakokat, megnezni milyen alkatreszek hogyan valtoztatjak az erosito tulajdonsagait, hogy futnak meg hore a vegtranyok stb. stb. Zenehallgatasra alkalmas nagy teljesitmenyu vegfokot 1 tranyoval nem lehet csinalni, szerintem kar is ilyesmiben gondolkodni. Persze az is kerdes ki mit ert zenehallgatason es kinek milyen igenyei vannak...
(#) Mayan válasza lamalas hozzászólására (») Dec 3, 2007 /
 
Igazából azon csodálkozok hogy a triódás single ended végfokokat hogy felmisztifikálják, hogy az az isten, akkor miért ne lehetne ugyanazt megcsinálni tranyóval ? Gondoltam pl. arra hogy egy BU... tranyó, 300V, csöves kimenőtrafó, alapkapcsolás, mint a 3 alkatrészes kis egytranyós erősítőm. Az miért ne lehetne olyan mint csővel ? A csöves kapcsolások olyan egyszerűek. A múltkor csináltam egy EL84-el egy single ended kis erősítőt kimenő és bemenőtrafóval, vonalszintű jelről gyönyörűen szólt, ja meg persze a katódon 150ohm és 100uF. De így is csak pár alkatrész. Valahol olvastam hogy vannak ilyen egzotikus egytranyós erősítők amik úgy szólnak mint egy csöves. Na ez piszkálja a fantáziámat...
(#) Mayan válasza Mayan hozzászólására (») Dec 3, 2007 /
 
És ezekkel mit lehetne kezdeni ?
(#) Pafi válasza Mayan hozzászólására (») Dec 3, 2007 /
 
Az az egyik gond, hogy egy tranyó belseje borzasztóan pici, ezért nagyon gyorsan követi a hőmérséklete a teljesítményváltozásákat, és mivel minden paramétere hőmérsékletfüggő (pláne a bipoláris tranyónak!), ezért szanaszét modulálja a jelet (hacsak nem trükközünk). Egy cső hőmérséklete viszont eleve nagyon lassan változik, ráadásul a paramétereit a katód hőmérséklete befolyásolja, a disszipáció viszont az anódon lép fel, tehát a cső eredendően mentes a termikus eredetű torzításoktól.

A másik gond meg az, hogy a te 1-tranyós kapcsolásod úgy van "méretezve", hogy 0,1 W-ot sem ad le jelentős torzítás nélkül. A 3-tranyósnak meg nincs feszültségerősítése.

Talán egy rakás j-FET-tel, meg egy jól méretezett illesztő trafóval lehetne a csövesekhez hasonlót építeni.

Csatoltam egy szintén egyszerű kapcsolást (2 MOSFET, 2 ellenállás, plusz a táp). Ez 1 W-ot ad le kis torzítással, és van feszültségerősítése, nem fogyaszt túl sokat (trafófüggő, de 4 W körül), és nem ad egyenáramot a hangszóróra. A brummja is minimális.

CMOS_amp.gif
    
(#) Mayan válasza Pafi hozzászólására (») Dec 3, 2007 /
 
Köszi ez érdekes kapcsi, lehet hogy meg is csinálom.
Az egy tranyós kis erősítőt jó ideig használtam a munkahelyi gépemre kötve .mp3 hallgatásra és azért elég hangosan szólt, 1w szerintem megvolt, és nem hallottam torznak egyáltalán, sőt kifejezetten jónak tűnt, azért is csodálkozom hogy a profik szerint olyan gáz ez a kis cucc...
(#) Pafi válasza Mayan hozzászólására (») Dec 3, 2007 /
 
Ami a quick.gif-ben van, olyat már építettem, bár kicsit más méretezéssel (kisebb ellenállások), és a visszacsatoló ellenállást a kimenetre (de még az elkó előtt) kötve. Működött, használható. Csak épp egy TDA2030 jobb és egyszerűbb.
(#) Pafi válasza Mayan hozzászólására (») Dec 3, 2007 /
 
A fül becsapós. Normál zenehallgatáshoz 0,01 W is elég. Mérd le!
(#) valve hozzászólása Dec 3, 2007 /
 
Szerintetek ez az erolkodo lead 5.000W -ot?
(#) Mayan válasza Pafi hozzászólására (») Dec 3, 2007 /
 
Ezt a mosfet-est megcsinálnám de 1W nem sok, 5-10W kellene szerintem, R2 határozza meg a teljesítményt ?
Meg lehet csinálni nagyobb kimenő teljesítményre?
(#) lamalas válasza valve hozzászólására (») Dec 3, 2007 /
 
A 2 csatorna egyutt leadhat ekkora teljesitmenyt (tehat 2x2500W). Csak nem szabad figyelmen kivul hagyni, hogy 1 csatornahoz 20db vegtranyo kell, azaz a sztereohoz 40db
(#) valve válasza lamalas hozzászólására (») Dec 3, 2007 /
 
Sajat epitesu vegfokokbol, ill. aminek ilyen nagy a teljesitmenye soha nem szoktam sztereo -t epiteni,.. Az erdekes benne, hogy direkt a halozatra kapcsolodik es a bemenetnel a levalasztotrafon keresztul megy a szignal ;o))
Kotod be a hangszorot es agyoncsap a halozat
(#) szilva válasza valve hozzászólására (») Dec 3, 2007 /
 
A kimenetre 2 ohm / 2500W van írva, és lehet, hogy elkerülte a figyelmedet, de a végtranzisztoroknál 10x felirat van mind alul, mind felül. Azaz összesen 2x10 végtranyó + 2x2 meghajtó: elképzelhető, hogy leadja a 2500W-ot, csak telepítsd mellé Paksot tápegység gyanánt

Ja, és egy apróság: a kimenet nem elválasztott az erősáramű hálózattól! Nem tudom, ilyet szabad-e építeni egyáltalán.
(#) Müszi válasza Pafi hozzászólására (») Dec 3, 2007 /
 
Én biztos, hogy megcsinálom
Muszály egyébként shottky diódákat használni?
22mF az mikro farad akar lenni? A Tápfesz mekkora legyen?

Üdv.
(#) proli007 válasza szilva hozzászólására (») Dec 3, 2007 /
 
Agregátról lesz járatva, és a hangfalba lesz beépítve!

üdv! proli007
(#) Pafi válasza Müszi hozzászólására (») Dec 3, 2007 /
 
A tápfesz magától beáll kb. 8 V-ra. Neked a felvett áramot kell beállítani 0,4...0,9 A közé. Ehhez egy 230/6V 8 VA körüli trafó kell, ha schottkykat használsz. Sima diódákkal kb. 7 V-os trafó kell. 22 mF az 22 millifarád. (Lomexben 100 Ft. A 60 mF meg 4 db párhuzamos 15000 uF, szintén Lomexből. Bár 15 mF-dal is működik.)
(#) zoly15 hozzászólása Dec 3, 2007 /
 
hy mindenkinek!
valaki nem tudna adni olyan végfokról rajzot ami 32V-ról jár és 10-15W-os?

Szerk.: nem baj ha szimmetrikus táp kell neki
(#) valve válasza zoly15 hozzászólására (») Dec 3, 2007 /
 
Na itt van ket erolkodo;
Következő: »»   75 / 2567
Bejelentkezés

Belépés

Hirdetés
XDT.hu
Az oldalon sütiket használunk a helyes működéshez. Bővebb információt az adatvédelmi szabályzatban olvashatsz. Megértettem