Fórum témák
» Több friss téma |
Fórum » TV hiba, mi a megoldás?
Szia!
Érdekes szavakat használsz: habókás, ártogat. Azt nézd meg, hogy a vezérlő IC, ami a távirányító jeleit fogadja, az megkapja-e a tápfeszültségeit.
Ez a kép , amit feltettél , és szerintem hiányos is.
Nem ártana egy rajz , mert most így fejből nem tudom,de kapásból a C2907 hiányzik , az R3015 hiányzik , az R3908 gyanúsan rossz képet mutat mérni kellene , a 7903 tranzisztor is furcsa nincs e ott zárlat , az 5903 tekercs bal oldali bekötése gyanús .Első körben ennyi , és még nem is láttuk a többi részt miféle tv ez ? Lehet tudni valamit az előéletéről ? Honnan származik stb.
Szasztok!
Egy érdekes hibában szereném segítségeteket kérni: Kedves szomszédom a televízió bekapcsolásakor egy csattanára lett figyelmes, és onnan megszűnt működni a készülék. Az alaplapot kivéve egy különös dologra lettem figyelmes. A táp primer oldalán (vélhetőleg) 2db tantálkoni kidurrant. Ami miatt különös a dolog, hogy túlfeszre utal a jelenség, de a vitman bizti nem égett ki és elkok sem, ami túlfesz esetén indokolt volna. Mértem diódákat mind primer mind szekunder körben, nem szárlatos nem szakadt egy sem. Képet csatolok, adjatok tanácsot mire érdemes rámérnem. Ha panelban mérek, mennyire zavar be a mérésbe a környező alkatrészek. (Tanultam Tv video technikát, bár nagyon rég és kis tapasztalatom van benne, de nem teljesen vagyok laikus benne..) Mérésre csak egy multi méter áll rendelkezésemre, bár anno az elektro tanár azt mondta, bőven elég tv javításhoz... Annyit még elfelejtettem írni, hogy katódsugárcsöves tv. A hozzászólás módosítva: Szept 6, 2013
Szia!
Nem tantál, hanem kerámiakondenzátorok és az alkatrészeket (legalább a egyik lábbal) kiforrasztva kell mérni.
Azt a kondit kapásból cserélni kell a meghajtó tranzisztort ki kellene mérni . És ha csattant bár nem tudni mi , de az nem jó jel .Általában a sorkimenő szokott csattani , de az szokta magával vinni a processzort is .
Milyen tv ez egyébként ?
Típusát nem tudom, nem is kérdeztem. A sorkimenőn lehet ilyenkor felfedezni sérülést? Esetleg égés szagot...
Az egyértelmű, hogy a kondik csereszabatosak, mert szét vannak nyílva. Fura hogy más alkatrészen melegedés nyoma nem látszik, de a panel alján van egy kis kormolódás fsüt nyom. Sorvékfokon a panelben lehet zárlatot mérni? Két szélső lába között oda vissza zárlatot mérek, de még nem vetem ki. De kicsit gyanús...
A sorkimenőt azt nem lehet beépítetten mérni , és talán egy alkatrészt sem biztonságosan , mert sok mindent belemér ilyenkor a műszer .A sorkimenőn általában , ha csattan a felső részéből kifelé szokott átütni ahová éppen neki a legkönnyebb .Ennek persze égés, füst , és korom nyomai szoktak lenni. A sorkimenőt kivéve az adatlapja szerinti láb , és kivezetések ismeretében lehet kimérni az ere való készülékkel teszterrel stb.
Egye lehet tenni , hogy a tápot rendbe tenni kondenzátort kicserélni , meghajtó tranzisztorokat kimérni esetlegesen cserélni , ha rossz.És ha már csak a sorkimenő lesz hátra , akkor ennek a résznek a kiiktatásával indítható a tv , ha a többi egység jó lesz, akkor kép nem lesz , de viszont hang igen , innen már csak egy sorkimenő kell bele , és ennyi , de ez hosszú folyamat én röviden vázoltam a menetet . És még egyáltalán nem biztos , hogy rossz a sorkimenő , mert egyenlőre mért értékeket , és konkrétumokat nem tudunk. A hozzászólás módosítva: Szept 6, 2013
A kondit én vettem ki kimérni, csak nem tettem vissza, mielőtt fotóztam. Az ellenállás eredetileg hiányzik, a másik feketedett ellenállás annak ellenére ahogy kinéz, kimérve jó. A tranzisztort is kivettem kimérni, az is jó. A tekercset nem néztem, viszont igaz h. érdekes, mintaki kicsit meg lenne égve. Mit lehet azzal tenni?
Tvről annyit tudok, h. a felhasználó ki akarta lökni, mert ,,nem megy,, A Típus 21PT1653/58P
Valószínű trafós lesz, trafó nélkül ezen semmi sem működik
A tekercs ha zárlatos , vagy meg van égve , akkor azt csak cserélni lehet.
Üdv!
Holnap fogom piszkálni ezt a TV-t, mert nemrég értem haza egy másik TV szerelésből és már az akkufeszültségem alacsony. Holnap reggel közlöm hogy mi a helyzet!
Ok másik tv szerelésből hú nem vagy kispályás na mindegy jól van , majd holnap.
Sziasztok.
Segitenétek az "lcd tv probléma" topikban Köszönöm
Igen a másikból! A hétvégére még van 4 TV
Akkor holnap...
Sziasztok!
Csak annyi érdekelne hogy egy Orion T 2835S STX Silver televízióban a gyári STV9306A IC helyett miért nem jó az STV9306? Köszönöm.
Szia
Elnézést hogy csak most reagálok, de tegnapig nem volt időm foglalkozni a TV-vel Bővebben: Link. Tegnap szétszedtem és átnéztem. A függőleges eltérítő IC lábainál elég gyengék voltak a forrasztások, így átforrasztottam a lábait. A csíkok eltüntek. Örültem, hogy csak ennyi volt a baj. Aztán egy idő után újra becsíkozódott a képernyő, viszont most már nem olyan durván mint azelőtt. Ha kicsipogtatom az IC lábait műszerrel, akkor minden jónak tünik, nincs kontakt hiba. Egy fontos dolog: Ha valamivel (mondjuk a mérőzsinórral) megérintem az IC 4. lábát, akkor eltünnek a csíkok. Újra átforrasztottam azt a lábat meg a 7. lábat, hátha elsőre nem sikerült tökéletesen, de maradt a hiba. Csíkmentes a kép akár órákon keresztül is, aztán valamennyire becsíkozódik, megérintem a 4. lábat, csíkok eltünnek. Most például megy már kb 2 órája hibátlanul. Mi lehet a nyűgje? Talán így már könnyebb beazonosítani a hibát. (csatoltam a rajzát, mert amit a múltkor csatoltam nem ehhez a TV-hez való)
Azt nézd meg , hogy nem mászik e el az ic feszültsége , és azért jönnek elő a csíkok , illetve még kondenzátor hibára utaló jel is lehet ebben.
Az IC lábain lévő elkók valamelyike esetleg, vagy más tipusú kondi is okozhat ilyet?
Gondolom az IC feszültségét akkor mérjem, amikor becsíkozódik újra, igaz?
Igen akkor mérd .
És pirossal megjelöltem neked azokat az alkatrészeket , amiket fontos lenne kimérni . Kondenzátorokat , ellenállásokat ezeknél azt , hogy pl annyi e az értéke mint a rajzon , ha jócskán eltér , akkor cserélni kell.És hát a feszültség értékek , ami megint csak fontos , hogy lehetőleg pontos legyen.
Köszönöm.
Leellenőrzöm majd őket. A C604 C605 elkókat egyszer már cseréltem úgy egy éve. (akkor kép összeugrásos baja volt a TV-nek és kicseréltem az összes elkót az IC környékén) Az ellenállásokat lehet mérni a helyükön, ugye? (mármint nem kell kiforrasztani őket)
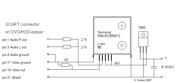
Sziasztok, már a múltkor kérdeztem, hogy lehet a Settopbox-ot olyan tv-hez kapcsolni améken nincsenek video bemenetek (SCART). Ajánlottátok az RF Modulátorokot de azok erre mi felénk elég drágák. És van olyan szerelő "ismerősöm" aki simán rak beléjük SCART-ot csak nem akarja megosztani,h hogy kel csinálni. Valaki tudja közületek?
Nem lehet mérni e helyükön legalább az egyik végét emeld ki a helyéről, úgy már lehet mérni.
Pl ha az R608 nem 22ohm , hanem mondjuk 30 , vagy még több , akkor cserélni kell .És a többinél is , ha már eltérések vannak cserélni kell .
Ez jó lesz neked .A modulátort bármelyik már nem használt videó magnóból ki tudod szedni.
Remélem estére már menni fog .
Köszönöm megnézem kell ilyennek itthon lenni.
Sziasztok! Volna nekem egy Dyras XE WS32TST 16:9 -es CRT Tv-m. Sajnos az egész kép tiszta kék. Át néztem a tv nyomtatott áramkörét. Van rajta egy integrált áramkör amibe csatlakozik a képcső végéről levő panel egyik vezetéke. Lehetséges hogy az a "chip" hibásodott meg? A segítségeteket előre is köszönöm.
|
Bejelentkezés
Hirdetés |










