Fórum témák
» Több friss téma |
Fórum » LED-es clip áramkör
Örömmel segítek. 68V tápfeszültséghez: R1-150k; R2-12k; R3-1,2k; D-1N4007.
Szia! Szeretnék egy kis segítéseget kérni. Megépítettem a kapcsolásod, de nem igazán akar működni 4 ohmmal terhelve, viszont terhelés nélkül jelez, bár szerintem akkor is későn. Amikor bekapcsolom az erősítőt akkor is jelez egy kis időre. Az erősítőmön +-17,23V tápfeszültséget mértem. Az ellenállásaim: R1= 30 kohm; R2= 2,5 kohm; R3= 740 ohm; Mi lehet a hiba?
Szia! Bekapcsolásnál fel kell villanni a LED-nek, ez a 100µF töltéséből származik.
Az erősítő topológiájából eredhet, hogy alacsony impedanciával terhelve viszonylag magas a maradék feszültsége. R3 értékét növeld 1k környékére.
Betettem egy 1,5kohm-os trimmert az R3 helyére, növeltem 1kohmra de változatlan a dolog sajnos.
Ellenőrizd a helyes polaritásokat. Tranzisztor lábain írd meg mekkora feszültségeket mérsz testhez képest. Jó lenne látni az erősítő kapcsolási rajzát is.
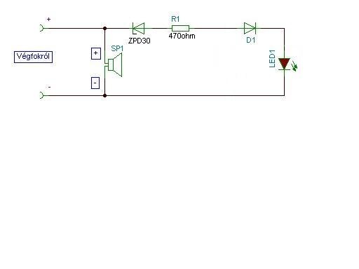
Lemértem, testhez képest C0= -12,09V; B0= -11,25V; E0= -12,19V; a mellékelt kapcsolású erősítőhöz szeretném elsősorban, de van egy Drakulám is és ahhoz is szeretnék egy ilyet.
Gondoltam, hogy valami speciális kapcsolás lesz
R3 1,5k-nál már illene bevillannia, ha szükséges növeld tovább. R2-t csökkenteni kéne, hogy R2+R3 3k körül legyen, ez határozza meg a LED fényerejét.Az erősítő szűk keresztmetszete itt nem a végtranzisztor szaturációja, hanem az IC mekkora amplitúdóval tudja előállítani a BD tranzisztorok vezérléséhez szükséges áramot.
Sikerült! Végül R2= 1,43 kohm; R3=2,4 kohm; trimmerrel sikerült beállítanom. Köszönöm a segítséged.
Örülök
A drakulánál is hasonlóan kell majd eljárnod.
Helló!
Szeretném ezt a clip jelzőt beépíteni az erősítőmbe,de nem igazán értettem meg a leírásodat.Mind a 3 oszlopba az erősítő feszültségét kell behelyettesíteni? vf2
Szia! Igen, a tápfeszültségtől függnek az ellenállás értékek. Hány voltos lesz a táp?
+/- 49V üresjáratban,ez terhelve akár 3-4voltot is eshet. ( kapcsolóüzemű táp)
A VF2 rendkívül jól kivezérelhető erősítő ezért R3-at a szokásosnál kisebbre célszerű méretezni. R1->100k; R2->9,1k; R3->470-680R.
Ugyanezeket az ellenállásokat írtam fel én is,az R3-at kivéve
![]() Köszönöm szépen a segítséget.
Hello!
Quad 405 höz szeretnék egy hasonló clipledes megoldást. 8 ohm terhelés +/-46 voltról megy. Kb 100W Ezekkel az értékű alkatrészekkel megcsinálhatom? Köszi Üdv, Zoli A hozzászólás módosítva: Dec 9, 2012
kimenetröl nem lehet tisztességes klipp áramkört müködtetni. az a cél hogy a 100% fölötti kivezérlést jelezze. de a végfokot csak 100% ig azaz tápfeszig lehet kihajtani. nyilvánvalo hogy tápfesz fölé lehetetlen. klipp áramkört vagy a bemenetröl, vagy a végfok elejéröl (ahol a visszacsatolo jel kivonodik a vezérlésböl) lehet meghajtani. egyébként ez egy teljesen felesleges áramkör. a tulvezérlést nem jelezni kell hanem megakadájozni a létrejöttét egy megfelelö áramkörrel. de ez egy másik topik témája lehetne.
A hozzászólás módosítva: Dec 9, 2012
Szia! A gyakorlatban hasznos információ a tényleges klippelés előtt 0,5-1dB-nél már beadni a jelzést. Ennek a résnek a kihasználását a fül alig (vagy egyáltalán nem) érzékeli, és ennél a kivezérlési szintnél már amúgy is katasztrofálisak szoktak lenni a harmonikus torzítás adatok.
Ez így elég nagy ökörségnek hangzik. Ha a hangsugárzók mögött álsz nem igazán hallod a klipelést, ha pedig a bemenetről veszed a jelet, akkor a tápfesz változására és a kimenet terhelésére sem ragálna, tehét egy 8ohm-ra belőtt klip jelzés esetén 4-en nem jelezne időben..
Az erősítő invertáló és neminvertáló bemenetének komparálása az tuti módszer a klippelés kimutatására. A Quad405 esetén be kéne mászni a T2 bázisához és emitteréhez, valamint az ott tapasztaltakat kellő bölcsességgel kiértékelni. No ennyit nem biztos, hogy megér
Reloop, gondoltam már ide írok vissza a saját témájába. Most R3-nak 1k van téve. Ha rakok 1,5k-t attól már nagyon érzékeny lenne?
Nagyon helyes, hogy a témájában kérdezel.
Kérlek add meg a tápfeszültséget és az R2-nek választott értéket, máris számolom
A teljes tápfeszültségem üresjáratban 69,8 . Sajnos még nem volt alkalmam teljes terhelés alatt lemérni, hogy mennyire esik vissza a táp. gondolom csak nem esik 65-67V alá. Most per pillanat: R1-100K , R2-10k , R3-1K
A hozzászólás módosítva: Szept 30, 2013
Amennyiben 8 ohm-mal terheled a hidat hajszálra a csúcsnál villan be a LED papírforma szerint. Az R3-at próbáld ki 1,2k-val, az már egy vastagabb hajszál
, 1,5k-val szépen, kellő előretartással fog jelezni, még bőven 1dB-en belül.
Igen 8 ohmos hangsugárzókkal terhelem panelenként. Hétvégen akkor kicserélem 1.5k ra, szeretem ha inkabb hamarabb bevillan, mert ugy szoktam mindig állítani hogy üssön be clipbe. Szeretem látni hogy az erősítő a teljesen ki van hajtva amit bír. Akkor 1.5k-val nyugodtan felvillanhat erőteljesen is.
Szia! Kicseréltem az ellenállást sőt még a diodat is kicseréltem. Működik is a clip detektor, amikor nincs rajta hangszoró. Kiprobáltam egyik ch rajtahagytam a másikon nem, és améken nem maradt hangszoró azon szépen bevillant a clip, de a másik oldalon semmi. Mi lehet a baj?
Alacsony a hangsugárzód impedanciája. Lehet 8 ohm van ráírva, de nagy a végfok maradékfeszültsége, ez alacsonyabb ellenállásra utal. Próbáld 2,2k-val.
Oke, kiprobalom. Hat lehet, mert hangvalton keresztul van meg parhuzamosan kotve egy egy magas sugarzo is.
Kipróbáltam 2k2-vel, akkor csak úgy müködött, hogy egyik oldalán volt hangszoró másikon nem, és améken volt az később lépett clipbe, de ha már 2 volt rajta akkor nem ment egyik sem. Felmentem vele 2k7 re, de ugyanaz a szitu. Lemértem a hangsugárzóm eredő egyenárami ellenállását, ami 6,1 ohm.(7-et mértem de 0.9 alapbol ha összeérintem a mérőzsinórt)
|
Bejelentkezés
Hirdetés |





R3 1,5k-nál már illene bevillannia, ha szükséges növeld tovább. R2-t csökkenteni kéne, hogy R2+R3 3k körül legyen, ez határozza meg a LED fényerejét.





