Fórum témák
» Több friss téma |
Fórum » TV hiba, mi a megoldás?
Arra holnap kerül sor, mert egész nap ráérek. Az LD01-nél nem sok az az eredmény? Vagy multiméter nem a legmegfelelőbb.
Tudom hogy ennyiből nem igazán lehet diagnózist felállítani de adnátok ötleteket?
Mi lehet az a kattogó hang? A hiba ehhez hasonló: Bővebben: Link Köszönöm
Sortranyó zárlat? Standby-ba rendesen világít a piros led és táv bekapcsra pedig ezt a hibát produkálja? Előzmény valami?
A kattogást valószínű, hogy a lemágnesező reléje okozza
Az alkatrészeket kell kimérni az összes kondenzátort, mindkét diódát és ha még van ellenállást, akkor azt is. A sortranzisztor ugyanilyen típusú volt? Mert most dióda nélküli van benne.
Standby-ba semmi hiba.Előzmény sincs, egyszer csak ilyen lett.PTC zárlat mitől lehet?Bár gondolom ennek nagyon sok alternatívája lehet.
stevepapa: Ismerősöm is ezt említette de mivel hogy Ő sem nagyon ért hozzá, ezen átsiklottam. Hogy tudnám biztosra megállapítani hogy mi lehet a bibi?
Szia!
A sortranzisztort vizsgáld meg, mert annak a zárlata okozhat ilyen túlterheléses, tápleállásos jelenséget.
Ok úgy néz ki azok az alkatrészek jók.
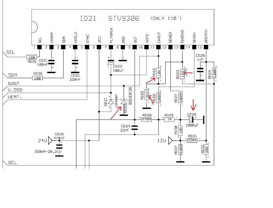
Irtad , hogy kicserélted az stv9306 os ic. Nem tudom , hogy kimérted e a körülötte lévő alkatrészek főleg , amiket megnyilaztam azok értékei lennének fontosak.És ha valamelyik nem fedi a valóságok pl RD22, RD25 értéke nem annyi , hanem eltérést mérsz ,akkor azokat cserélni kell. Az ic megkapja e rendesen azokat a tápfeszültségeket , amik meg vannak jelölve. Ha minden rendben lesz , akkor az a sejtésem , hogy a TDA 1771 ről érkező Vert sync jel, ami az stv9306 5 ös lábára megy túl vezérli az stv9306 os ic -t , és lehet , hogy a EW körben nincs is hiba , hanem a vertikális jel sok .Ez esetben a TDA1771 es ic környékét , és magát az ic - t is ellenőrizni kellene az adatlap szerinti adatok alapján. Szűkül a kör most már. A hozzászólás módosítva: Okt 4, 2013
Szégyellem magam de a képen bekarikáznád hogy melyik az a sortranzisztor?
Köszi
Ha jól sejtem, akkor a sortrafó melletti L-alakú lemezen lesz. Ez a rész a kép bal alsó szélén van.
Sziasztok!
Van egy Samsung CK7202N típusú tévénk, az alap baja az volt hogy nem lehetett stand by-ból fel ébreszteni csak villogót az előlapi zöld led. Miután bele néztem láttam hogy az R812 ellenállás eléget ezt gyorsan orvosoltam és ki cseréltem, nagy boldogság működig. Sajnos csak két hétig, de most más probléma jött elő. Ugyan úgy stand by-ban marad csak most a led sárágán villog, egy hosszú és egy rövid villanás. A Q802 tranzisztor is kormos volt, mivel közel volt az ellenálláshoz, de kiforrasztva -és jobb híján- multi méterrel kimérve jónak tűnt. Esetleg tudtok valami ötletet adni merre induljak? Köszi előre is.
Ilyen alakú alkatrészt keress: Bővebben: Link
Akkor nem is vagyok annyira hülye.
Ilyesmire gondoltam én is csak nem voltam biztos benne. Köszönöm szépen
Ilyen van most benne: ST2310FX. Ez a dióda nélküli. Most neki is látok mérni.
Cseréld ki diódásra, mert az egyszerű sortranzisztorral kisebbek lesznek a visszafutási (flyback) impulzusok, amelyeknek a nagysága meghatározza a sorméretet.
Eddig is ez volt benne és másodjára égett szét teljesen a kondenzátor. Egy évig bírta az újjal.
Sziasztok!
Van kv29ls30k tipusú sony trinitron tv-m. Egyszer csak nem tudtam bekapcsolni. A standby led nem világít. Kicseréltem a biztosítékot, és bekapcsoláskor egy pillanatra felvillant a standby led de utánna ki is aludt. viszont a biztosíték nincs kiégve! Mi lehet a probléma? Érdemes vele foglalkozni, vigyem szerelőhöz? Vagy esetleg borsos lehet a javítás költsége, és emiatt kuka? Nem szeretnék még tőle megválni. 12 éves, és még nem kellett soha szétszedni.
4,6k-sat kicseréltem 10k-ra és most másodpercenként többször függőlegesen ugrál a kép.
A hozzászólás módosítva: Okt 4, 2013
sziasztok.van egy projektoros toshiba tv.a konvergencia ic most voltak cserélve,a lényeg az ,hogy a piros kereszt csak fel és le mozog,jobbra balra nem.mi lehet a hiba.
a segitséget elöre is köszönöm
Az hogy a rajta lévő érték alapján nem 4,6nak, hanem 10nek kellene lennie.
Egy ellenállásnak nem csökken az ellenállása a használódástól, hanem növekszik, tehát valamit elnéztél.
Pedig kivettem a panelből és úgy mértem.
A másik probléma meg az, hogy így még rosszabb lett. A szervizmenüben milyen geometriai beállítást tudtál módosítani?
Egyébként jó helyen jársz most már.És a kicserélt 4,6 k ohm os alkatrészt is jól tetted , hogy kicserélted 10 k ohm ra .De Kadaristnak igaza van ezek után meg kellene nézni a szervíz menüt , mert lehet épp emiatt a rossz ellenállás miatt viszont el lett állítva.
A hozzászólás módosítva: Okt 5, 2013
Sziasztok! kaptam egy GOLDSTAR CKT-9902 modellű tévét, a sasszé száma pedig 111-F30A-1. A probléma az vele hogy mikor be állítok egy csatornát szépen hogy tiszta legyen a kép is és a hang is, egy olyan 3-másodperc múlva az a csatorna elkezd sisteregni, és a kép is rosszabbodik egyre jobban!, egyszóval nem memorizálja a be táplált csatornát. Szerintetek hol lehet a probléma?. A processzor tuner lábát végig követem, és abban az áramkörben az összes kondenzátort már le cseréltem, de eredménytelenül!, úgyszintén a jungle-ban is, ott az integrált áramkort is le cseréltem, de nem ott van a baj.
A tuner AFC áramkörét nézd át.És azt , hogy nem e mászik el a feszültség.Tipikus elhangolódási jelenség egyébként.
|
Bejelentkezés
Hirdetés |









