Fórum témák
» Több friss téma |
Fórum » RIAA korrektor
Témaindító: Ghost Rider, idő: Aug 25, 2006
Sziasztok!
A kövekező riaa korrektorhoz érdekelne hogy a táp trafó megvalósítása hogy kéne kinézzen. Ez a kd-mester féle tl074-es korrektor . Középen leágazásos trafó kéne, vagy meg lehetne oldani dupla szekunderessel is ha sorbakötném a két szekunder tekercset és a szekunderek összekapcsolásánál lenne a föld pont?? Mellékelek két képet hogy mire gondolok. Gondolom sima egy szekunderes trafóval ez a kapcsolás nem működik.
Szia! A két tápegységrészt a pufferek után kösd össze: Bővebben: Link
Köszi Reloop!
Erről a kapcsolásról kinek mi a véleménye ? Én megépítettem (életem első riaa-ja) , működik de nincs viszonyítási alapom többihez mivel ez az első . Elég gerjedékeny lett annyi szent, lehetne valamivel javítani ezen a kapcsoláson?
Tedd bele egy fém /lehetőleg vas/ dobozba. A trafót pedig külön dobozba építsd. Próbáld meg a RIAA áramkört, trafóktól és hálózati kábelektől távol elhelyezni és nem lesz vele gond.
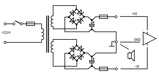
Szia! Működni fog két szekunderrel is, de működnie kell egy szekunderről is ha a graetz-hidat feszültség kétszerezőként üzemelteted. Javaslom, hogy építsd meg a kapcsolást úgy, ahogy ott a nyákterven is látod.....
Megépítettem a tl074-et , ahogy a képen van . Egy szekunderről működik mind a két csatorna (ami számomra érdekes) mert a hármas sorkapocsra csak az egyik +15 volt tápfeszt adtam rá és a földet, a másik csatornán is megjelenik a -12V . Így is szól mind a két csatorna, csak valamiért a táp zajos, annak ellenére hogy a kapcsolás stabilizált feszt csinál. Ez lehet azért mert sima egy szekunderes tápom van? Valamint azt jól látom? ,hogy a test nincs egyenirányítva és ez miért van így?
A másik kapcsolással kapcsolatban Le-Pacific MM Riaa, amikor megépítettem a rajz szerint enyhén túvezéreltnek hallatszott a kapcsolás és gerjedt is. A 2sk170-es fetek source (groundba vezető lábára) tettem 10ohmos ellenállásokat mind a 4 fetre, így most kevesebbet erősít de nem gerjed és sokkal stabilabban működik (és tetszik a hangja is) . Ezzel a tettemmel mit befolyásoltam? ÉS melyik ellenállások értékén kéne változtatni hogy a kapcsolással a legkisebb torzítást érjem el? A bemenő 100K-s ellenállás helyett 47K-st használok .
Szia!
Mint mondtam, lehetséges ez a fajta megoldás, hogy a graetzet feszültség kétszerezőként használod. Ilyenkor viszont a periódus 1-1 félhulláma kevesebbszer kerül a diódákra másodpercenként. Erre célszerű minél nagyobb puffer kondenzátort használni, hogy az 1-1 "kimaradt" félperiódus alatt legalább a puffer normálisan tartsa a feszültségét. Abban a FET-es előfokban a 100K-s ellenállás a bemeneti impedancia, nem feszültségosztásra szolgál. Ahhoz, hogy az erősítése lecsökkenjen, az egész visszacsatolást meg kéne változtatnod. Viszont ha így megfelel, akkor hagyd így.
Köszönöm a reakciót , így már kicsit tisztábban látom a világot
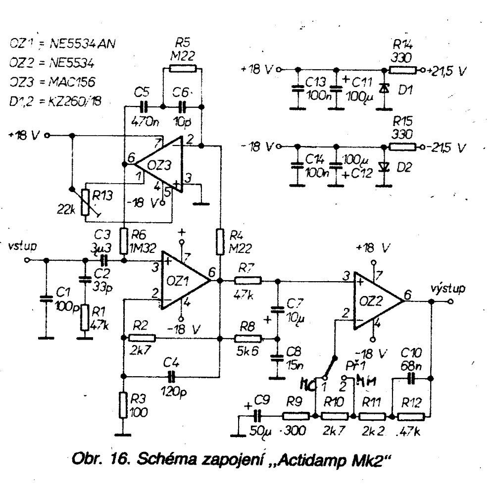
Akit esetleg érdekel, közzéteszem itt is az ActidAmp MKII új nyáktervét. Annyiban más az előzőleg felrakottól, hogy egy fokkal rendezettebb, és a stabilizált tápja is rákerült a panelra cakkon-pakk. Sokak dicsérik, Moszkvainál ennek a nagy tesója MK IV lett az etalon. Remélhetőleg ez sem marad el nagyon tőle... IC-k cserélgetésével akár még jobb is lehet.
Építés közben érdemes figyelni a kapcsolási rajzot. Az MK IV-ben elég sok hiba volt, főleg a tápban voltak fordított polaritással feltüntetett kondenzátorok! A hozzászólás módosítva: Máj 21, 2013
Üdv.
Megépítettem a CHZ féle 4 csöves egyik oldalát. A brummot kb 10 perc alatt sikerült majdnem kiűzni. csodálkoztam is magamon De úgy érzem, mintha a magas hangok torzak lennének. hiány az nincs belőlük, csak valahogy reszelősek. A megadott értékektől alig tértem el néhány helyen, azt is csak azért mert nem volt a boltban más. Egy dolog maradt ki, az a bemeneten lévő 100p-s kondi, mert abból még csak közelítő érték sem volt. Van valakinek ötlete? Üdv.
Csak egy kérdés , milyen tápról kisérletezel vele ?
Szerintem a 2x100 ohm az EZ anódjai elé felesleges, a szűrőelkókkal én 1-1 100nF-okat kötnék párhuzamosan.
2 trafóm van ilyen feszültség értékekkel, ennek kisebb volt az ellenállása, ezért tettem be védőellenállásként. Sok vizet nem zavar szerintem.
Az említett kondik még beépítésre várnak, de mitől lehet ilyen reszelős hangja a szerkezetnek? Idézet: „A megadott értékektől alig tértem el néhány helyen” Nem mindegy, hogy hol térél el, ha a korrekciós hálózat tagjaiban van változás, akkor ne várj minőséget. Ezeket az alkatrészeket válogatni kell, 1% kon belül kéne tartani.
Azon belül azthiszem pont nem. Pl 330k helyett az anódkörben 340k, vagy 100ohm helyett 102. De tény és való, hogy az ellenállások 5%-os tűréssel rendelkeznek. 2w-os cuccokkal szoktam építkezni. Azthiszem megyek és beszerzek pár új alkatrészt.
Kondenzátorok válogatása is fontos, C3, C4, az R11,R5,R6 szintén.
Van valakinek tapasztalata/véleménye a mellékelt LM358-as korrektorról, érdemes megépíteni?
A hozzászólás módosítva: Okt 8, 2013
Sajnos így rajzból nehéz megmondani, hogy milyen lehet. Annyi biztos, hogy vannak ennél jobbak és jobban bevált rajzok amik nem sokkal bonyolultabbak és többen is tanusíthatják róla, hogy nagyon jó.
Azóta megépítettem, hát semmi különleges. Tudja azt, amilyen az orion se 1025-é volt. Igaz "csak" egy Sony LP lejátszóm van. De működik szépen. A nyákot módosítottam itthon is kapható alkatrész méretekre.
Én megépítettem a pár hozzászólással fentebb említett REVOX B250-es erősítő korrektorát, az Pl. nagyon tetszik, utána vissza váltottam a HFM1 módosított korrektorra, mert azt viszont úgy érzem, hogy nem múlja felül.
Ergo: A HFM1-et módosítva ajánlom még figyelmedbe. Nem egy drága korrektor, teljesen tranzisztoros. Ha igényt tartasz rá, akkor holnap felteszem a módosított verziónak a rajzát és a NYÁK tervét.
Szívesen megépíteném azt is, köszönöm. Egy hozzá jól illeszkedő hangszedő típust is ajánlanál? És még egy kérdés: a tű nyomást hogyan lehet mérni?Van ugyan 0,01g-os mérlegem, de nem fér alá...
A hozzászólás módosítva: Okt 19, 2013
Én nem szoktam méregetni. Egyszerűen beszerelem a hangszedőt, majd úgy tekerem a karon az ellensúlyt, hogy a kar a hangszedővel benne vízszintesen megálljon, lebegjen a levegőbe. Ekkor bekalibrálom a hátsó elforgatható tárcsát nullára, utána pedig feltekerem 2 grammra a tűnyomást. Hangszedőként Ortofon OMB-5E hangszedőt használok. De szépen szól vele az MC Crypt KCL-01 hangszedőm is. Mondhatni még szebben is, mint az Ortofon.
A hozzászólás módosítva: Okt 29, 2013
Üdv!
Van egy lemezjátszóm (Dual CS410) amit szertnék Line bemenetre kötni pontosabban egy ilyenre: http://genius.hu/?menu=950&poz=02&cikkcim=V%E1s%E1rt%E9r&am...000003 Sajnos elég halk, de ez így is van rendjén ha jól gondolom. Megoldható lenne úgy, hogy valamit közékötök, hogy rendesen működjön? Ha jól tudom az impedenciát kéne lecsökkenteni. A hangszórót nem szeretném szétszedni mert máshoz is használom. Köszönöm a segítséget!
Így végigolvasva a témát már ok minden elnézést az előző hozzászólásért.
Tehát: Valaki ajánlana egy kapcsolást? A legegyszerűbbet ha lehet, és jöjjön ki 1000forintból lehetőleg.
A képekre keresve több verziót is találsz. Válaszd a legszimpatikusabbat.
A hozzászólás módosítva: Nov 9, 2013
http://www.hobbielektronika.hu/cikkek/riaa_korrektor.html?pg=4 ez milyen? Elég egyszerűnek tűnik. Ha stereo-t szeretnék akkor kettő kell igaz?
Jó lehet ez is. A kapcsolás csak egy csatornáról szól, tehát duplázni kell, de a NYÁK-ról készült képen már sztereóban van.
|
Bejelentkezés
Hirdetés |








ÉS melyik ellenállások értékén kéne változtatni hogy a kapcsolással a legkisebb torzítást érjem el? A bemenő 100K-s ellenállás helyett 47K-st használok .









