Fórum témák

» Több friss téma
Fórum » Zselés akkumulátor töltése
Lapozás: OK   24 / 51
(#) 1984white válasza Proci_85 hozzászólására (») Nov 16, 2013 /
 
Márkátlan kínai x*r. A szám nincs rajta csak ez: 12V7AH
(#) BEMcorp válasza 1984white hozzászólására (») Nov 16, 2013 /
 
Szerintem ha két évet kibírt az akksi a ups-edben, örülj neki.
Nem fog többet. Nekem jópár éve vannak UPS-eim, és 1,5-2évente cserélni kell az akksikat, pedig nincsenek agyonhasználva (értsd: nem sokat járnak akksiról).
A hozzászólás módosítva: Nov 16, 2013
(#) Proci_85 válasza 1984white hozzászólására (») Nov 16, 2013 /
 
A fedlapon a műanyagba van ütve mindegyiknek a gyártási dátuma. Nagyon ritka, ha valamelyiken nincs. Kb fél centi magas számsor, beleégetve a műanyagba.
(#) 1984white válasza Proci_85 hozzászólására (») Nov 16, 2013 /
 
CP101027 szám van az alján. Ez lehet?
(#) 1984white válasza Proci_85 hozzászólására (») Nov 17, 2013 /
 
Az előbbi számot kérdezted?
(#) 1984white válasza 1984white hozzászólására (») Nov 18, 2013 /
 
Szerintetek melyik "jobb" minőségű akku az utángyártottak között?
(SLA power , Nexus stb)
(#) proli007 hozzászólása Nov 23, 2013 / 6
 
Hello! A választék színesítése céljából, még egy töltőrajzot készítettem. Vállalkozó kedvű kollégák, remélem elkészítik és hasznát veszik. Néhány mondatban leírom miképpen működik..
- A töltőáramot az LM 317 a szokásos áramgenerátoros üzemmódban állandó értéken tartja. Jelenleg ez 1A. Ezen töltés alatt a piros Led jelez.
- A zőld Led, csak a hálózat bekapcsolt állapotát jelzi. Hálózat nélküli állapot nem károsítja a készüléket, a töltő áramfelvétele ekkor kb. 1mA körül van.
- A töltési végfeszültséget, a TL431 figyeli. Ezt a feszültséget a P1 potival lehet beállítani. Ha az aski feszültsége eléri a végfeszültséget, a TL431 állandó értéken tartja a feszültséget. Ezért a töltőáram a maximális értékről el kezd csökkenni.
- Ha az áram csökkenése kb. a felére esett, akkor Q2 tranzisztor zárni kezd, és ezzel a Q3 is zár. A Q3 megváltoztatja a TL referencia osztóját, így a kimeneti feszültség csökkenni fog. A folyamat önmagát gerjeszti, mert a csökkenő kimeneti feszültség még kisebb töltőáramot fog megengedni. Így viszonylag határozottan lezárnak a tranyók, és a töltő a csepptöltési puffer feszültségre áll át. Ezt a piros Led kialvása jelzi.
- Az aksi feszültsége lassan lecsökken a pufferfeszültségre, és így ismét áramot fog felvenni. De csak annyit, ami az önkisütési áramának pótlására elegendő. Vagy is a töltőáram egy része ismét visszatér, de ez után folyamatosan csökken. Miközben az aksi feszültsége a pufferfeszültségen állandósul. Ezt a feszültséget a P2 potival lehet beállítani. (De elsőként mindig a töltési végfeszültséget kell beállítani P1-el!)
- A feszültségek beállítása egyszerű és akksi nélkül végezzük el. A nyomógombot nyomva tartva, a P1 potival beállítjuk a töltési végfeszültséget, jellemzően 14,2..14,5V értéket. Majd a nyomógombot elengedve, beállítjuk P2-vel a csepptöltési pufferüzem feszültségét. Jellemzően ez 13,6..13,8V-ra adódik. Ez után, a töltő használható.
- Ha a töltőáramot meg szeretnénk változtatni, akkor annak értékét Imax=Uref/R4 alapján megváltoztathatjuk. Jelen esetben az Imax=1,2V/1,2ohm=1A.
- Az 1ohm-os shunt ellenálláson egy műszer van. Szerintem egy magnó kivezérlésjelző bőven megteszi. R9 ellenállás értékét azért nem írtam be, mert ennek értéke a műszer alapérzékenységétől fog függni. Beállítani úgy kell, hogy a műszer az előtét ellenállással 1,2V feszültségre térjen ki maximális állásra. Én ne áram, csak %-os (vagy semmilyen) skálát gondoltam hozzá. Mert nemmérés, csak a műszernek tájékoztatás szerepe van. Hogy a töltőáram a maximálishoz képest épp hol tart.
- Tekintve, hogy a töltő nem kaphat fordított feszültséget, a kimeneten egy biztot és diódát helyeztem el. Fordított polaritású rákapcsolás esetén a bizti kimegy. De szerintem csepp odafigyeléssel ez elkerülhető.
- A töltőnek van még egy lehetséges üzemmódja, ami egyszerűen a P2 potival beállítható. Ha a csepptöltési feszültséget nem a pufferfeszültségre állítjuk, hanem a feltöltött aksi kapocsfeszültsége alá, akkor töltés után gyakorlatilag a töltő kikapcsolja a töltőáramot, és ha az aski a beállított feszültséghatár alá csökken, ismét bekapcsolja a töltést és töltési végfeszültségig tölti. Hogy ez mennyire használható,mennyire nem , azt majd elmeséli az, aki megépítette.
- Ha töltés az akis ráhelyezésekor nem indulna el, akkor azt a nyomógomb megnyomásával elindítható, vagy a töltés automatikus lekapcsolása után újraindítható.
- Nincs akadálya annak sem, hogy az áramkörrel 6V-os aksit töltsünk, mindössze az R7 ellenállást kell 3,9kohm-ra cserélni, és a töltési paramétereket újra beállítani. A trafó feszültségét ekkor célszerű csökkenteni 9V-ra, hogy a hőtermelés kisebb legyen. Az LM317-et, számításaim szerint kb. 5K/W- hőátadású hűtőbordára célszerű szerelni.
- Én ugyan kezdőknek, nyomtatott áramkört is terveztem hozzá, de gondolom ügyesebb kezűek, ennél jobban sikerült áramkört is tudnak belőle fabrikálni.

Szerintem egy viszonylag egyszerű,és még is kompakt kis töltőt sikerült ezzel a módszerrel építeni. Jó szerelgetést kívánok. üdv!
A hozzászólás módosítva: Nov 23, 2013
(#) nooorbi hozzászólása Nov 23, 2013 /
 
Sziasztok!
6V-os zselés aksihoz szeretnék csinálni egy töltőt. 500mA maximum töltőáram elég lenne, fő feladata csak a csepptöltés lenne(de azért jó lenne ha szükség esetén tudna többet)
Tudtok ajánlani valami kapcsolást hozzá?

Van egy 18V 1A-es tápegységem. Ha esetleg ilyen tápellátással egyszerűbb lenne megcsinálni.
(#) Remci válasza proli007 hozzászólására (») Nov 24, 2013 /
 
Szia!

Köszönjük a fáradozást. Én biztos megépítem, van 2db 12v/18Ah-ás aksim, amihez jól fog jönni. Úgy is csak nyáron használom őket, így ezzel a töltővel télen legalább karban tudom tartani. Viszont a töltő áramot fel tudom tornászni kb. 2A-ra? Akkor csak az 1,2 ohm-os ellenállást kell 0,6 ohm-osra cserélnem, igaz?
(#) proli007 válasza Remci hozzászólására (») Nov 24, 2013 /
 
Hello! Gondoltam, hogy az lesz az első kérdés, hogyan lehet 10A-ra átalakítani..
Jelen kapcsolásban hiába teszel 0,6ohm-ot, ha az LM 317 csak 1,5A-t tud. Akkor LM338k-t kell használni. üdv!
(#) Remci válasza proli007 hozzászólására (») Nov 24, 2013 /
 
Szia! Nem kell 10A, arra már ott a másik töltő . Csak gondoltam meg csinálom ezt is, mert ezen van csepptöltés funkció, a másikon meg nincs, és arra gondoltam hogy ezt rajta hagyhatnám a 18Ah-ás aksin tovább is. Tudom hogy az LM317 1,5A-t tud, nem is tudom mért kérdeztem a 2A-t ( elragadott a hevület ) Végül is elég az 1A is, majd időben tovább tart a feltöltés.
(#) mikrokapcsolo hozzászólása Nov 28, 2013 /
 
Sziasztok!
Kölcsön kértem egy 12V 7Ah akkut, csak kicsit már kevés benne a feszültség, 12,2V. Szeretnék hozzá összedobni egy ideiglenes töltőt stand-by üzemre. Van itthon LM317, azzal fesz.gen üzemben elvileg lehet örökkévalóságig is tölteni.
Ezeket az akkukat ugye, C/10 árammal kell tölteni. Ami nem világos számomra, ha egy sima feszültséggenerátorral töltöm, akkor az áramot mi szabályozza az IC maximumáról (1,5A-ről) a kívánt értékre?
Az lenne a kérdésem, hogy mivel csökkentsem a kezdeti áramot, mert összedugtam próbapanelon a töltőt, és kezdetben 1,2A-el kezdte tölteni, de csak egy percig hagytam rajta, nehogy baja legyen a kölcsön akkunak. Kellene egy áramkorlát, vagy valami. Izzóim nincsenek, amivel tudnák próbálkozni, gondolkoztam esetleg tranzisztorral felépített áramkorláton is, de inkább rákérdezek, mielőtt valamit tönkreteszek.
Előre is köszönöm.
(#) pucuka válasza mikrokapcsolo hozzászólására (») Nov 28, 2013 /
 
Ha sokszor kell töltani, akkor két LM317 ből megépítheted. Az egyikkel beállítod a feszültség korlátot, a másikkal áramgenerárorként a max töltőáramot.
De ha gyorsan szeretnál eredményre jutni, akkor egy labortápról (ha van) is feltöltheted, csak egy soros diódán keresztül tedd, szintén beállítva a szükséges áramértékeket.
Ha ez sincs, akkor egy 14 - 15 V os táppal (dugasztáp9 is feltültheted, csak rakj sorba az akkuval egy 12 V 5W izzót, és figyeld mikor éri el az akku a 14,4 V ot.
Az izzós módszert mindíg használhatod áramkorlátozásra.
A hozzászólás módosítva: Nov 28, 2013
(#) mikrokapcsolo válasza pucuka hozzászólására (») Nov 28, 2013 /
 
Köszönöm.
Van labortápom, 2 LM317 sorban, áram, majd fesz. generátor üzemben. Akkor ha erről töltöm, 13,8V-on, rajta hagyhatom bármeddig, ugye? Illetve, később veszek egy akkut, mert majd még fog kelleni, és nem akarom minid elkérni, viszont mivel keveset lesz használva, ha csinálok egy ilyen 317 párosból álló töltőt, rajta hagyhatom akár egész évben, folyamatosan is, hogy ne menjen tönkre állásában? Elvileg a riasztókban is így van.
(#) pucuka válasza mikrokapcsolo hozzászólására (») Nov 28, 2013 /
 
Igen, ez a 13,6 V -os töltés az a szünetmentes pufferüzem. Nem lesz 100 % -ra feltöltve, de az akku sem megy tönkre.
(#) mikrokapcsolo válasza pucuka hozzászólására (») Nov 28, 2013 /
 
Rendben köszönöm a segítséget. Tehát, bármikor lekaphatom, és használhatom, ha kell.
(#) mikrokapcsolo válasza mikrokapcsolo hozzászólására (») Nov 30, 2013 /
 
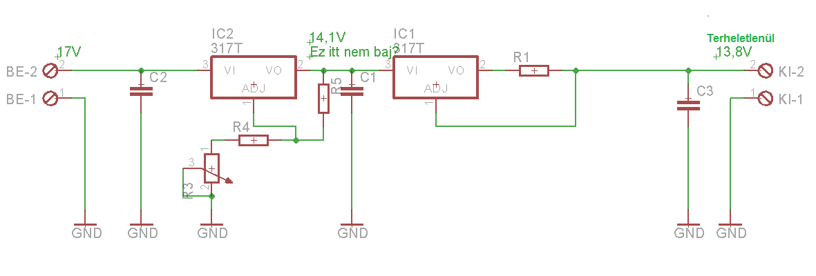
Összedobtam a töltőmet próbanyákon. Bemenet: 17V -> 317 cv módban, potival lehet szabályozni -> 317 cc módban ~677mA-re állítva fixen -> kimenet:akkura. Próbának rövidre zártam a kimenetet, kb.677mA meg is jelent. Ezek után a kimeneten terhelés nélkül belőttem 13,85V-ot, majd ráadtam az akkura is a delejt. Kezdetben 12,41V volt az akkuban, 65mA-rel kezdte tölteni. 15 percig folyamatosan mértem, figyeltem. A legutolsó mérés, 12,51V lett, itt már csak 44-45mA-t húzott. Viszont a kimeneten üresen, ugye 13,85V van, de az első 317 után 14,1V. Ez nem baj? Tehát mindegy, hogy mi van előtte, ha a kimenet stimmel? És akkor ezzel hagyhatom puffer üzemen töltve 0/24 órában, igaz?
(#) mikrokapcsolo válasza mikrokapcsolo hozzászólására (») Nov 30, 2013 /
 
Valaki? Fel kellene töltenem az akkut, mert holnap kell, csak nem tudom, hogy jó-e ez így?
(#) pucuka válasza mikrokapcsolo hozzászólására (») Nov 30, 2013 /
 
Ne rinyákolj. Tegyél rá akármilyen 14,4 V tápot egy 12 V/5 W izzón keresztül, és várd meg hogy feltöltődjön. Kicsit lehet siettetni, hogy megemeled a tápfeszt 1 V -al, de akkor mérj, és sűrűn nézz rá a műszerre.
(#) mikrokapcsolo válasza pucuka hozzászólására (») Nov 30, 2013 /
 
Bocsánat. Csak azt szerettem volna tudni, hogy az jó-e amit összeraktam, azzal tölthetem-e, mert éjszakára rajta hagynám, ha nem gond. (Írtam az első hsz.emben, hogy nincsenek semmilyen izzóim.)
(#) pucuka válasza mikrokapcsolo hozzászólására (») Nov 30, 2013 /
 
Izzó csak az áramkorlát miatt kell. Ha nincs, akkor semmi esetre sem hagyhatod felügyelet nélkül, mérni kell a töltőáramot, és a feszültséget állandóan utána kell állítani. Ehhez felügyelet kell. Töltsd nappal, és sűrűn nézz rá, Nemigazán értettem a fabrikált töltődön mért értékeket, de ha egyik sem haladja meg a megengedhető értékeket, és ha a töltőfeszültség stabilra van állítva, a töltőáram be van állítva a két egymást követő fokozatban, akkor jónak kell lennie. Az is természetes, hogy az áramgenerátor 14 V -os bemeneti feszültségnél nem tudja biztosítani a beállított töltő áramot. Ehhez komolyabb töltő elektronikát kellene építeni.
Mindenesetre első bekapcsolásnál mérjél egyidőben feszültséget és töltőáramot is, az akkumlátoron. Ha megfelel, akkor a későbbiekben nem szükséges.
(#) mikrokapcsolo válasza pucuka hozzászólására (») Nov 30, 2013 /
 
Elsőnek mértem a fesz, áramot, 65mA és 12,41V ment az akkura. Amit írtam, valahogy így alakulnak a feszültségek(rajz). Megy a töltés, nem is azzal van a baj, hanem, hogy ugye úgy állítottam a kimenetet, hogy a multimétert rátettem a kimenetre, majd addig tekertem potit, míg 13,85V lett ott, viszont a két ic között a fesz pedig 14,1V lett. De gondolom, ez nem baj, mert a második ic-n is esik valamekkora feszültség. Egyébként minden rendben vele. Csak biztosra akartam menni, mert kölcsön akku, nem akarom kinyírni, a sajátommal bátrabban bánnék.
Szerk: Az, hogyha megcserélem a két ic-t, számít valamit?
A hozzászólás módosítva: Nov 30, 2013

akku.png
    
(#) proli007 válasza mikrokapcsolo hozzászólására (») Nov 30, 2013 /
 
Hello! Ezt olvastad?.. üdv!
(#) mikrokapcsolo válasza proli007 hozzászólására (») Nov 30, 2013 /
 
Mostmár igen. Tehát ez "csak-csak" üzemmód azért még megfelelne, ha megcserélem őket? Tönkretenni nem szeretném az akkut, de feltölteni pedig igen.
(#) proli007 válasza mikrokapcsolo hozzászólására (») Nov 30, 2013 /
 
Tönkretenni nem fogod, de ha kiszámolod, akkor láthatod, hogy 17V semmire sem elég a két IC-nek. Mert egy IC minimális ki-bementi feszültség különbsége 2V. Plusz az ellenálláson eső feszültség, ami 1,2V. Az összesen 5,2V. Ha ezt levonod a 17-ből, marad 11,8V. Vagy is maximum 11,8V aksifeszültségen tudna folyni a beállított 667mA áram. Akkor meg már résg rossz az aksi. Felette meg csökken mint látható. De ha a kettő IC-t megcseréled, legalább értelme lesz a dolognak. üdv!
(#) mikrokapcsolo válasza proli007 hozzászólására (») Nov 30, 2013 /
 
Rendben. Le tudom cserélni egy másik trafóra, az ~24V, az már biztos jó lesz. Köszönöm a segítséget.
(#) bokor28 hozzászólása Dec 10, 2013 /
 
Sziasztok!

uc3906 alapú töltőt már többször megépítettem (RT 2004/1,2; Vicsys; saját átrajzolás ezek alapján) Egyszer működött (Vicsys) azóta nem tudom rendesen összerakni.

A jelenlegi próbálkozásom a RT2004-es változat: 24V 500mA kapcsolóüzemű tápról ellátva, Rs O,47Ohm 5w (Rt a 24,3 volthoz módosítva)

Hiba:
- 300mA töltőárammal felviszi az akkut 13,63 voltra
- töltőfesz elkezd csökkenni, majd tizedes változásokkal jojózik 13,6 volt körül
- töltőáram elkezd csökkenni 10mA-ig
Elektronika sima töltést jelez (bulk charge). Több akkun próbálva ugyanezt játssza.
Megépítési hiba, vagy más lehet?

Egy dologra nem kaptam egyértelmű választ:
Én ahányszor megépítettem, a zöld led (csepptöltés) mindig ég.
Bekapcsoláskor alap: piros-zöld
Bulk charge: piros-sárga-zöld
OC: piros-sárga-sárga-zöld
Float: piros-zöld
Kell égnie, vagy nálam a hiba?

Köszönettel, I
(#) bokor28 hozzászólása Dec 11, 2013 /
 
Sziasztok!

Megépítettem proli007 által küldött kapcsolást: http://www.hobbielektronika.hu/forum/topic_post_1537114.html#1537114

Tökéletesen működik.

Nagyon köszönöm, kiváló kapcsolás, nagy segítség volt.
4 hektikus - azaz használhatatlan - uc3906 összerakás után igazi felüdülés. (Kép csatolva. Én készültem, tanár úr, kérem!)
(Nem hangsúlyozom ki, hogy a kivitelezéseim amatőr/hobbi szinten vannak.)

üdv, I
(#) proli007 válasza bokor28 hozzászólására (») Dec 11, 2013 /
 
Hello! Akkor most már én is tudom legalább, hogy működik.. Amúgy a sorkapcsot, a helyére tettem volna, és két dióda helyére meg átkötést tennék. Lehet akkor a három kondi is elférne a panelen kis ügyeskedéssel. De az alkarészeket, miért tetted ilyen toronymagasra? Le lehet azokat ültetni alacsonyra is. üdv!
(#) bokor28 válasza proli007 hozzászólására (») Dec 12, 2013 /
 
Egy kis rendezgetést még el fog viselni, a dobozoláskor átalakítom.
Alkatrészt majd végsőbe lejjebb forrasztom, ideiglenesnél csak beledobom, hogy újra lehessen hasznosítani. Nem mindig jön össze elsőre...


Egy érdekes kérdés felmerült. Multiméter árammérőt (max.10A álláson) az akkuval sorba kapcsolva próbáltam.
Nem működött így jól.
A feszültség felment a beállított felső értékig, ott lekapcsolt a töltés, feszültség leesett alsó beállított alá, majd visszakapcsolt a teljes áramú töltés. Mindezt 5 másodperces ciklusokban ismételgetve a végtelenségig. Mondjuk az elején a soros árammérő jelenléte nélkül állítottam be a végpontokat...
Következő: »»   24 / 51
Bejelentkezés

Belépés

Hirdetés
XDT.hu
Az oldalon sütiket használunk a helyes működéshez. Bővebb információt az adatvédelmi szabályzatban olvashatsz. Megértettem