Fórum témák

» Több friss téma
Fórum » TV hiba, mi a megoldás?
Lapozás: OK   908 / 1282
(#) szaszaa01 hozzászólása Dec 22, 2013 /
 
Sziasztok!
Egy kis segítséget szeretnék kérni. Kaptam egy Samsung CW-28D83N típusú tv-t. Annyi problémája van, hogy bekapcsoláskor elállítódnak rajt a színek. Ha visszaállítjuk, akkor egy darabig jól üzemel, aztán kis idő múlva, menet közben, ismét elmennek róla a színek.
Tudtok segíteni, hogy mi lehet a baja, illetve, hogy merre felé induljak el hibakeresés tekintetében.
Előre is köszi a segítséget.
Üdv.: Szabi
(#) kislacikahu válasza szaszaa01 hozzászólására (») Dec 22, 2013 /
 
Hali!

Csatolj egy fotót a meghibásodásról amikor elmennek a szinek...

"A népnek látnyivaló köll!"
(#) mineral válasza kislacikahu hozzászólására (») Dec 23, 2013 /
 
"A népnek látnyivaló köll!" Nekem pont van látnyivalóm!

Sziasztok!
Nekem is van egy Samsung tv-m. A pontos típusát nem tudom per pillanat. De hasonló problémával küzd. Bekapcsolás után 20-30 másodpercig szép képe van. És utána az alábbi hibát produkálja. Egy TV-szerelő ismerősöm a kép láttán rögtön képcsőhibát kiáltott.
Valóban csőhibás lenne?
Előre is köszönöm a segítséget.
A hozzászólás módosítva: Dec 23, 2013
(#) Swedhart válasza HurKaa hozzászólására (») Dec 23, 2013 /
 
Szia ezzel a típussal sürün volt az a hiba hogy elfüstölt az eltérítő tekercs és az is ilyet produkáll .
Nézd meg van e rajta feketedés illetve nem melegszik-e nagyon.
Ha ez nem akkor az EW rész környékét kell átnézni.
A táp feszültsége megvan?
(#) Swedhart válasza mineral hozzászólására (») Dec 23, 2013 /
 
Szia a szín kihajtás feszültségeit meg kellene mérni.
Második lépésként a G2 feszültségét 4-600v közt megvan-e
De akár a fűtő köri ellenállás is lehet hibás.
(#) kislacikahu válasza mineral hozzászólására (») Dec 23, 2013 /
 
Hali!

A képcső emisszió szegény ez azt jelenti, hogy regenerálni kell, - van speciális regeneráló készülék, amivel 5 perc alatt vissza tudjuk állítani az emissziót!

A kiinduló elekron sugár utjába báriumoxid lerakódás történt évek alatt! A regeneráló letisztítja, és újra gyönyörű a kép!

Ebben az esetben a képen látható túlvezérlés, -a vörös szín katód emissziója csökkent!
A hozzászólás módosítva: Dec 23, 2013
(#) BarnaPili válasza kislacikahu hozzászólására (») Dec 23, 2013 /
 
Ha emlékeim nem csalnak,ez a gép így reagálja le a képcsőgyengülést,de nem kell mindjárt rugatni a képcsövet.Nem tesz jót az élettartamának sajnos(tapasztalat).A szervizmenüben beállítva a gép újra normális képet tud produkálni.
(#) BarnaPili válasza HurKaa hozzászólására (») Dec 23, 2013 /
 
Nézd át az EW fokozatot töviről hegyire.Lehet hogy a képeltérítő IC-t is cserélned kell,továbbáz EW tekercset.Az előttem író kollégának igaza van,sokszor megég benne az eltérítő tekercs,de akkor nem is indul el.Ne szedd le első körben.
(#) atti35 hozzászólása Dec 23, 2013 /
 
Sziasztok! Van egy Singer SM5197 tipusú TV. A múltkor elég tág fogalmat adtam meg a hibájáról tudom, nem is érkezett rá válasz. A gond az volt vele hogy se kép se hang. Pár eldurrant elkó, sortranyó, és szakadt ellenállás cseréje után annyit értem el, hogy fülsüketítő sípolásba kezdett a sorkimenő trafó, persze a sortranyót újra haza küldte. Tovább kutakodván találtam egy zárlatos zéner diódát is, csere után éledt a műszer de csak egy fényes fehér csík van középen vízszintesen. Itt elakadtam így hozzátok fordulok segítségért merre tovább? Válaszokat előre is köszönöm.
(#) soos csaba hozzászólása Dec 23, 2013 /
 
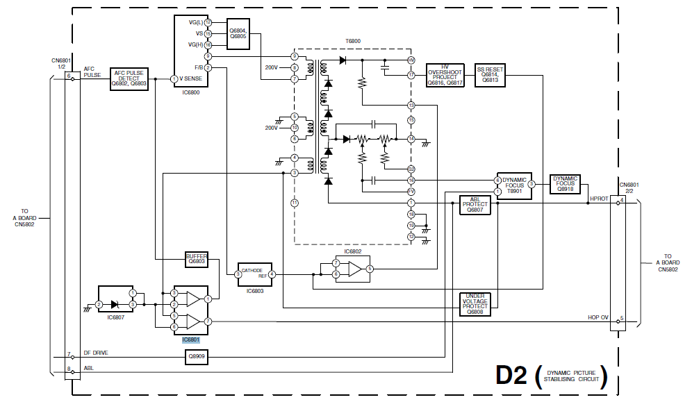
Sziasztok! Szűkségem lenne a SONY KV-32FX66B típusú tévé rajzára, mert nem lelem sehol se a világ hálón. A tévé STAND BY LED-je be kapcsoláskor 3-mat villog vár egy kicsit és megint villog. Annyira rá jöttem hogy a sorvégfok panelen az IC 6801-es integrált áramkörrel kapcsolatban lévő D6806-os zenner diódának az egyik lábát ha ki forrasztom a panelból a tévé el indul, csak nincs magasfeszültség természetesen!. A zenner dióda az jó már le is cseréltem én az IC6801-es IC-re gyanakszom. Valamiért le tilt a táp, és a sorvégfok panelen lehet a hiba.
A hozzászólás módosítva: Dec 23, 2013
(#) Swedhart válasza atti35 hozzászólására (») Dec 23, 2013 /
 
Szia a függő eltérítő ic-n nézd meg van-e táp fesz ha nincs miért nincs . Ott keresd a hibát.
(#) kadarist válasza soos csaba hozzászólására (») Dec 23, 2013 /
 
Keresd így: Chassis AE-6B
(#) atti35 válasza Swedhart hozzászólására (») Dec 23, 2013 /
 
Köszi. Megnézem.
(#) eyess válasza atti35 hozzászólására (») Dec 23, 2013 /
 
Biztos , hogy meg fogod találni .Ide méret miatt nem fér fel , csak részletek.
(#) reddot válasza soos csaba hozzászólására (») Dec 23, 2013 /
 
Szevasz!
Nekem egy GRUNDIG TV csinált hasonlót. Annak az eredeti baja villámcsapás volt, de mikor eljutottam odáig, hogy bekapcsoljam, hasonlóan viselkedett.
A memória IC is meg volt nyúvadva. Csere után jó lett. Hozzá tartozik még, hogy ha a szervíz menüben olyan értéket állítottam be, amit nem szeretett, akkor sem engedte bekapcsolni a készüléket. Ekkor kivettem a memóriát, kitöröltem és visszatettem. Ekkor a proci alapbeállításokkal elindította a TV-t ugyanúgy, mint amikor az újat beletettem. Ezután a szervízleírás szerint beállítottam az értékeket a kiépítésnek megfelelően. Így jó lett.
De mindez csak egy tipp!
Egyébként dokut itt találsz: Bővebben: Link
Sok sikert!
(#) soos csaba hozzászólása Dec 23, 2013 /
 
Sziasztok! Köszönöm a segítségeteket!
(#) soos csaba válasza reddot hozzászólására (») Dec 23, 2013 /
 
Sajnos nem leltem rá a rajzra most sem!, reddot a linked valamiért nem töltődik be!. kadarist nem lelek rá úgy sem hogy Chassis AE-6B. Más ötlet hogy hol keresem?.
(#) reddot válasza soos csaba hozzászólására (») Dec 23, 2013 /
 
Bocsi! Akkor marad a regisztrálás ide: Bővebben: Link
Ha regisztráltál és beléptél, akkor szerintem működni fog a link.
(#) kadarist válasza soos csaba hozzászólására (») Dec 23, 2013 /
 
Felülről az első PDF: Bővebben: Link
(#) BarnaPili válasza soos csaba hozzászólására (») Dec 23, 2013 /
 
(#) kadarist válasza reddot hozzászólására (») Dec 23, 2013 /
 
Nem kell regisztrálni, anélkül is letölthetsz.
(#) zolika60 válasza soos csaba hozzászólására (») Dec 23, 2013 /
 
Meg kell várni, amíg a get manual felirat alul megjelenik és arra kell kattintani. Ez eltarthat néhány tíz másodpercig.
(#) soos csaba hozzászólása Dec 23, 2013 /
 
Probléma van kollégák!, egyik rajz sem stimmel a panelommal, teszek fel egy pár képet hogy hogy is néz ki a panel (sorvégfok rész). A rajzok amiket ajánltatok, és le töltöttem azok pedig kapcsolás szerint se stimmelnek és pozíciószám sem stimmel. Be kellene azonosítani nekem az IC 6801-est, mert képtelenség be azonosítani hogy mi is van rá írva, és szerintem az lehet a hibás alkatrész!.
(#) reddot válasza soos csaba hozzászólására (») Dec 23, 2013 /
 
Szevasz!
Abban a doksiban, amit javasoltam ezt találtam. A többit rád bízom!
Egyébként, a Te általad megadott típus alapján kerestük ki.
(#) atti35 hozzászólása Dec 23, 2013 /
 
Sziasztok! Nem tudom, hogy ez e a függőleges eltérítő ic. De ha ez akkor 8.3V körüli tápfeszt mérek rajt. Bocs még kezdő vagyok, de szerintem az is maradok.

DSC_0054.jpg
    
(#) kadarist válasza atti35 hozzászólására (») Dec 23, 2013 /
 
Nem az. A keresett IC a hűtőbordához van csavarozva.
(#) Swedhart válasza atti35 hozzászólására (») Dec 23, 2013 /
 
Szia igen az ami az l alaku hütö bordára van csavarozva kb 20v körül kell a tápnak lenni és valami ellenálláson keresztül kapja.
(#) atti35 hozzászólása Dec 23, 2013 /
 
Értem, azt is mértem csak nem tudtam eldönteni melyik az. A hűtőbordára csavarozotton 35V körül mértem. Ezek szerint tápot kapja, csak kampec neki. Csere?
(#) eyess válasza atti35 hozzászólására (») Dec 23, 2013 /
 
Az nem biztos , azt is meg kellene nézni , hogy ad e ki valamit nem csak azt , hogy a tápot megkapja.
(#) atti35 válasza eyess hozzászólására (») Dec 23, 2013 /
 
Rendben. Nézem.
Következő: »»   908 / 1282
Bejelentkezés

Belépés

Hirdetés
XDT.hu
Az oldalon sütiket használunk a helyes működéshez. Bővebb információt az adatvédelmi szabályzatban olvashatsz. Megértettem