Fórum témák
» Több friss téma |
Fórum » Inverteres hegesztőtrafó
Mentségemre hogy kb másfél éve tekertem a trafót stb. most fogtam neki befejezni, a másik oldal meg hogy nem ez az első inverterem ahol számít a tekercselés iránya.
Kicsi gond még mindig van ez az áram kihajlás teljes zárlatnál, ugyanis 2% alá nem megy a kitöltés ez azt jelenti hogy amikor zárom rövidre a kimenetet 5V DC átlag alatt elkezd növekedni a kimeneti áram, de szerintem ez ellen nincs mit tenni mert az áramváltó utáni RC szűrő időállandója 300ns, az UC3845 IC "Propagation Delay (Current Sense Input to Output) " 105-300ns katalógus szerint a kettő összege pont kiadja a minimális kitöltést, elkészítettem a leragadás védő áramkört azzal a változattal mikor az IC kimenete és a 3. lábat kapcsolja 2kOhm ellenállással így le megy az áram szépen, azt hiszem a problémát meg kell oldják a lassú IGBT-k. Mivel a dobozban még van hely lehet beépítek egy PFC-t ez lehet csak egy a graetz és a puffer közötti fojtó tekercs lesz, bár tanulásból egy aktív PFC elkészítése sem lenne rossz, meg így a hálózatot kevésbé terheli illetve kisebb megszakítóval is lehet használni. Érdekes hogy a gyári gépekben általában nincs ilyen pedig ha jól tudom egy bizonyos teljesítmény felett kell használni, lásd a pc tápok passzív (nagy sárga vas fojtó) vagy aktívat is tartalmaznak legtöbbször.
Pontosan.
Érdekes, ha a szembe fordított beépített U magos 15 menetes ferrit fojtóval sorba bekötök egy nagyobb vasmagos fojtót akkor megszűnik rövidzárban az áramkihajlás.
Régen láttam egy inverteres argon hegesztőt abban egy nagy hiperszil vas fojtó volt berakva igaz abban az áramszabályozás SG3525 IC-vel volt megoldva azt hiszem átlag áramra szabályzott ezért is kellett a nagy induktivitás.
Persze, mert lesz pluszban a kimeneten ohmos ellenállás, amin le tudnak épülni a felesleges energiák. A vezérlővel nem tudsz mit csinálni, ha az egyszer bekapcsolt, akkor x ns-ig bekapcsolva is marad. Ha ilyenkor a kimeneten rövidzár van, akkor jó nagy áram folyik a primer körben is. Ezért jobb ha alacsonyabb frekvencián megy a gép, mert akkor ugyanarra az időtartamra kevesebb ilyen bekapcsolás esik, vagyis kevésbé kínozza az IGBT-ket.
Ki tudnám-e egészíteni úgy a gépet hogy CO val is tudjak hegeszteni?
Ezt úgy gondolom hogy Uref 8.láb és a 2. láb közé berakok egy optocsatolót meg egy ellenállást sorba, az opto másik felére egy tl431 és egy poti segítségével beállítom a kimeneti feszültséget 14-30V közé az áram szabályzó attól még benne van ilyenkor feltekerve maximumra (innentől már akkutöltő is lehetne), a CO rész egy másik dobozban lenne több 10000µF kondenzátorral ahonnan a feszültséget mérem és vasmagos fojtóval ami beállítja az áram dinamikus viselkedését. Van egy CO-m még 11 éve készítettem egy 1mázsás 500A trafó van benne de nem tudom kihasználni mert 1mm huzalnál vastagabb még nem kellett meg amúgy is csak egy 180A pisztolyom van meg az egészet meg sem tudom mozdítani plusz kell neki a 400V úgyhogy hobbi hegesztésre nem igazán jó de a CO-t jobban szeretem mint a pálcásat.
Nos,ezt még itt senki sem próbálta,konkrét megoldást nem fogsz találni.Ha megoldod és jó lesz,ne adj isten publikálod és megosztod itt a fórumon,azt mindenki nagy örömmel venné.
Ez az elrendezés nem CO-hoz való, arra hidas megoldást kell csinálni. Ha ennek a feszültségét letekered, vagyis lecsökkented annyira a kitöltési tényezőt hogy 20-30V körüli feszültséged legyen, akkor nem lesz kimenőáram. Szikrázni fog, talán még meg is melegíti az előtolt huzalt, de normálisan nem fog leolvadni.
Ezzel a kéttranyós nyitóüzemű megoldással az a baj, hogy nagyon kicsi a trafó áttétele, alig több mint 3. A primer feszültség harmada (kb. 90V) van jelen a kimeneten, csúcsfeszültség formájában. Ha mondjuk ebből akarsz 180A-t a CO-hoz, akkor 60A fog folyni a primer oldalon, amihez kell két marék IGBT, és hálózati automata is. Megpróbálhatod hogy csinálsz egy 1:10-es áttételű trafót hozzá, azzal talán működne. De sokkal egyszerűbb a híd, mert annak 2db szekunder tekercse van a kétutas egyenirányítás miatt. Ha azzal csinálsz 30V-ot, a két szekunderrel (ami ugye 60V) még mindig be lehet gyújtani a pálcát is, tehát némi kiegészítéssel a vezérlésben lesz egy CO-d, amivel tudsz pálcával is hegeszteni. Ebben az esetben természetesen a pálcás (ív) hegesztés is 30V-ról történik, a 60V-os feszültség csak az ívgyújtást szolgálja, annak az árama néhány A-re korlátozva van. Készült már ilyen gép itt a fórumon félhidas kivitelben, abból elleshetsz ezt azt a CO-hoz is.
Volt már szó az elektródás+ CO ról itt is, csak nem építette meg senki, de lehet, hogy neki állok, mert megvan hozzá a pisztoly, tolómotor minden nézd a rajzot, csatolom!
A hozzászólás módosítva: Jan 5, 2014
Ugyanúgy forward mint a Maci, a trafó áttétele is 18/6 csak feszültség szabályzó van benne, bár szerintem csak kellene még benne kondenzátor meg külön fojtó a CO-hoz.
CO -érdekes kérdés.
Esetleg valakinek gyári inverteres gép rajza, mint a TIG 200? Persze a mikrokontrollerest nehéz lesz után építeni... A neten szinte semmit nem lehet találni erről sem. Egyedül a samopal.su ac-dc-ti-mig-mma gépet láttam eddig.
miért kellene bele kondi? más co gépekben sincs. Lehet, hogy neki durálom magam az építésnek előbb utóbb.
Fojtó az 50 Hz-es hálózati CO2-es gépekbe kell, kondi meg abból is csak az egyfázisúhoz. Ami fojtó az inverteresbe kell, az általában benne is van. De nem akkora, mint az 50 Hz-eseknél.
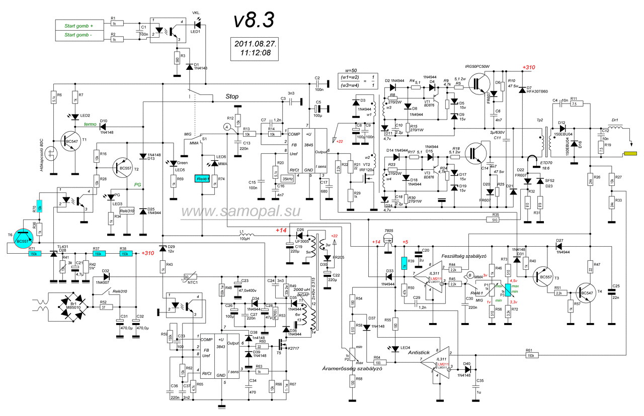
Erről a rajzról még hiányzik valami. A Start gomb + - Start gomb - környékéről.
Az én co masinám egyfázisú 230v-os gép volt Praktiker 150 és nincs benne kondi, igaz már eladtam, mert csak kasznizni volt jó, így nem tudom lefotózni.
Idézet: „Erről a rajzról még hiányzik valami. A Start gomb + - Start gomb - környékéről.” Igen de ki lehet fundálni! Engem inkább a diódák izgatnak, hogy kaphatók-e meg milyen tipusok lehetnek mert soknál nincs megadva.
Néhány egyfázisút hoztak már hozzám javítani. Elpukkant benne a kondi, onnantól csak fröcsögött, durrogott, csak rondán lehetett vele hegeszteni. A kondi cseréje után finoman duruzsolva szépen hegeszt. Persze olyan minőséget nem lehet elvárni tőle, mint a 3fázisútól, de lényegesen jobb, mint kondi nélkül.
Rendben van túl tárgyaltuk! Minden esetre azért foglalkoztat ez a rajz, kíváncsi lennék, hogy működne-e!? A segédtápját nem értem igazán, mert van benne a szekunder oldali rész, ami egy 5+3menetből álló tekercs a 14V és 22V kimenetel ez érthető, viszont a primer oldalon van egy 6 menetes tekercs rész és van 2x40menetes ebből egy ott van a rajzon,de hol a másik 40menetes vagy 2 szállal tekercselték? ezt nem tudom. meg persze a számozott diódák amik nincsenek ellátva típusszámmal erre is csak gondolni tudok, hogy valamilyen gyors diódák lehetnek amik általában a kapcsolóüzemű tápokban van.
Ez a segédtáp kiváltható lenne egy trafós táppal is? Elég nehéz lehet megtervezni (most magamra gondolok elsősorban),hogy a hegesztő által kisugárzott zavar ne kavarjon be a segédtáp lelkivilágába.
(ezt egy működő,rendszeresen használt Maci utánépítőjeként írom)
Az 5 és a 3 menetes tekercsek sorban vannak, a vezérlés alacsonyabb feszről jár, a gate trafó meghajtása meg magasabbról. A 6 menet szintén szekunder (segéd) tekercs, erről van visszatáplálva a segédtáp miután elindult. A 2x40 menet meg gondolom a belső és a külső félprimer, tehát a primer menetszám 80. Mert ugye ezt úgy kell megtekerni, hogy a primer ketté van osztva, és közé vannak betekerve a szekunderek. Sehol sem látok olyan diódát ami mellé ne lenne típus odaírva.
Igen, ha elő tud állítani kb. 14, 17, és 22V-ot.
Nem kell ez a túlkomplikált rajz, ha van egy kész Maci hegesztő akkor a fesz szabályzó részt egy másik panelon hozzá lehet rakni, pl a gate meghajtás sem kell ilyen bonyolult, így nem kell a 22V sem, a 14V lehet onnan ahol eddig volt, tehát ami hozzá kell tenni az az LM311 köré épült komparátor, a be kikapcsolás is mehet az 1. lábra adott alacsony szintre diódázva, az átkapcsolás is megoldható, ennyi!
Szerintem minden gond nélkül ki lehet váltani trafósra!
Értem oké! Diódák pl. D33, D37 meg a kapcsi tápban az összes. Nincs típus jelzés.
Itt vannak fotók róla, meg panel terv is. Bár nekem nem tetszik inkább terveznék magamnak egy másikat, így jobban meg is érti az ember az összerakásnál meg persze az alkatrészek miatt sem árt, ha ahhoz van tervezve amid van.
Универсальный сварочный инвертор. Часть 3. (схема+конструкция)
Akárhogy nézegetem, minden dióda mellett ott találtam a típusjelzést. LED egyértelmű, Zenerek mellett meg a feszültség.
Idézet: „D33, D37” D33 - 1N4944, D37 - 1N4148.
Üdvözletem, GYSMI 133 típusú hegesztőben a hűtőbordán található "Primaire 64080 ind 7.0" számú panelt keresek.
Ez jó hír nekem! Tedd csak ide azt a rajzot, mert akkor nekem másik rajzom van. Nézd meg pár h.sz al korábban tettem fel hasonlítsd össze. Itt pl a kapcsi tápban egy diódának sincs típus jelzése. Köszi!
Idézet: „Nem kell ez a túlkomplikált rajz, ha van egy kész Maci hegesztő akkor a fesz szabályzó részt egy másik panelon hozzá lehet rakni, pl a gate meghajtás sem kell ilyen bonyolult, így nem kell a 22V sem, a 14V lehet onnan ahol eddig volt, tehát ami hozzá kell tenni az az LM311 köré épült komparátor, a be kikapcsolás is mehet az 1. lábra adott alacsony szintre diódázva, az átkapcsolás is megoldható, ennyi!” Na ja! Te ezt már meg építetted, tesztelted, így bár ki neki is állhat, mert működik. Vagy? Ha nem akkor ne írj egyszerre ilyen biztosat, mert ha én nem is , de vannak akik ezt készpénznek veszik és neki durálják magukat az építésnek és lehet, hogy sok pénzük bánja. Előbb építs. Egyébként a rajz nem komplikált sőt inkább egyszerű. Láttunk már ennél bonyolultabbat is és ültettük át panelra. A hozzászólás módosítva: Jan 7, 2014
Nem szoktam semmit ész nélkül utánépíteni, nem tűnt fel senkinek hogy ebben csak 1 pár IGBT van az ilyen kaliberű rajzokban meg min.2 darab.
Lehet igazad van mert a Maci-t sem másoltam le rengeteg módosítás van benne de a kezdeti sikertelenség a figyelmetlenségből adódhatott. |
Bejelentkezés
Hirdetés |





Egyébként a rajz nem komplikált sőt inkább egyszerű. Láttunk már ennél bonyolultabbat is és ültettük át panelra. 



