Fórum témák
» Több friss téma |
Mielőtt kérdezel, a következő két dolgot ellenőrizd!
I. A helyes tápfeszültségek megléte.
II. A kimeneten van-e egyenfeszültség.
Élesztés.
Hello!
Találkozott már valaki a TDA7376B jelű erősítő IC clip ledjének bekötésével? A mellékletben ott van a kapcsi rajz. a 10-es láb-ról jönne le a jel, csak nem tudom, hogy hogyan képes meghajtani egy ledet, ha alapból a pozitív tápágra van kötve 22kohmmal? esetleg amikor torzít, akkor földet kapcsol a 10-es láb, és így egy "alulról" rákötött ledd világítana. A 22k meg melegedne? Vagy hogyis van ez? Köszi!
Frissítettem az egytranyós oldalamat az újabb infókkal, leszedtem a hülyeségeket és hibás dolgokat:
http://pet.dote.hu/~bihari/
Na itt a legújabb erősítőm, most ez szól az asztalon, és jó ! Bár a hatásfok kisebb, de így már egyáltalán nincs dc a hangszórón és a bemenet is le van választva. Ez már megépíthető bármekkora tápfeszültségre és nyugalmi áramra, csak a megfelelő tranyót, ízzót és bázisnyitó ellenállást kell kiválasztani.
Ezt még nem próbáltam mosfettel, de valószínűleg még jobb lesz.
Ja és olyan ízzót kell választani hogy csak vörösen ízzon a szál, és akkor tök jó csöves fílingje van sötétben - és a hangja is olyan, kellemesen sima, csöves jellegű hang.
Ezt megépítette már valaki?
Nekem csak erős búgás jön ki belőle :no: Volt egy kis zárlat a tápnál a test és a - között, lehet, hogy emiatt meghalt volna az ic ? Ja és csak 9 voltot kap szimetrikusan az ic, de elvileg ez elég kéne legyen neki, nem? Szerintetek mi lehet a baj?
Na megtaláltam a hibát, zárlat volt megint az ic két lába között csak nem látszott
![]() Mostmár működik de túl sokat csendesít. Ez természetes vagy már megfáradt vajon az ic? Vagy a kis tápfesz miatt van?
Sztetek ki lehetne a tranyókat cserélni valami jobban kapható típusokra?
Kigyűjtöttem őket: 1N914, BC303, BC107, BC300. Kérdésem, hogy kicserélhető e így: 1N914 --> 1N4148 BC107-->BC547C BC303, BC300 ezket nemtudom egyedül. ha 4 ohmmal akarom használni mennyire csökkentsem a tápfeszt? Előre is kössz
Udv,
a BC303-300-as paros mondjuk MPSA42 (NPN) es MPSA92 (PNP) parral tudod helyettesiteni. A BD249/250 paros helyett inkabb TIP35/36-ot hasznalj, azokat talan lehet kapni eredetiben is. 4ohmos terheleshez menj le a tapfesszel mondjuk kb. 2x25V-ig, ekkor biztonsagosan hasznalhato lesz az erosito teljes kivezerlesnel is a fenti felvezetokkel es 4ohmon kb. 60W koruli teljesitmenyt lehet kivenni belole.
A többi érték amit én kitaláltam az jó így? ( diódára és a BC107-re gondolok )
Természetesen TIP tranyókkal építeném. Köszönöm a válaszodat
Igen, a tobbi felvezeto helyettesitheto azokkal amiket irtal.
A 2uH-s tekercset mekkora átmérőre és hány menetet kell tekerni?
A diff. erősítő két bc tranyóját össze lehet ragasztani? Ha igen mért előnyös ez?
Ez a kapcsolás ugye egy Rádiotechnikában volt? Mintha nekem meglenne leírással meg nyáktervel... Kíváncsi vagyok milyen lesz
Ha megépítetted majd szólj
Jaja ez tuti egy Rádiotechnika évkönyvből való.Aszem 1980 vagy körülöte valahogy.
Nem olyan vészes a tekercsinduktivitás.
25menetet rátekersz 0,8-as CuZ-ból egy 10mm-es fúrószárra oszt kész. A 10ohm 2W-os ellenállatot meg a közepébe. A tranyókat meg a hőkompenzált eggyütfutás miatt szokták összeragasztani.
hali!
erősítőt szeretnék csinálni 2db 4ohmos hangszórómhoz körülbelül 50 wattosat. 12 voltról szeretném működtetni. csak nem találtam hozzá kapcsolási és nyákrajzot. segítségeteket előre is köszönöm
Helló
Ezért új témát nyitni? Van már megszámlálhatatlan erősítős topic. Miért nem tudtad oda feltenni a kérdésedet? Na mind1 itt egy rajz nyáktervvel mindennel, remélem jó lesz. Bővebben: Link Remélem legközelebb először használod a keresőt és ha nem találsz semmit akkor nyitsz új témát.
sziasztok még uj vagyok itt és csak kérdezni szeretnék valamilyen zenei hangot kelto áramkornek vagy "zenedobznak" valaki nemtudja esetleg a bekotési rajzot és a kapcsolási rajzot és az alkatrészeket???
igazán megkoszonném de ha lehet akkor inkább Ic-s legyen(vagy ha nem az akkor sincs semmi baj) Koszielore is
Udv,
Mire gondolsz egeszen pontosan zenei hangot kelto aramkoron? Mivel erositos topikba irtal esetleg valamilyen erositore tudok gondolni, de lehet h. vmi mas erdekel? Pontosits legyszi es akkor jobban tudnank segiteni.
Hello
Adott egy ilyen erősítő. 4csatornás. Ha hidalom és kétcsatornásat csinálok bellőle akkor 16ohmos lesz az illesztés. Esetleg van valami megoldás hogy 8ohmos hangfalat hídba rálehessen kötni? Esetleg valaki ismeri az erősítőt hogy bírná-e?
hello.segitséget szeretnék kérni.van egy quad 405 100wattos mono erölködöm.ehhez egy táp :plusz minusz 50voltos(51 pontosan).viszont ez a cucc mono,és nekem meg sztereo kéne,és kisebb.viszont a tápot meg szeretném tartani.tehát egy egyszerü sztereo végfokot szeretnék,hangszinek nélkül.(a quadom a szfehérvári giantsound cég terméke,én dobáltam össze,az öszes alkatrészt hozzá ott vettem,150va a toroidja,talán 2db 4700-as elko, a többit pontosan nem tudom.elég combos ,egyböl le is gyilkolt egy sony magasugárzót.de elsösorban az érdekel hogy egy dvd lejátszorol hallgatott elektronikus (house trance stb)zenéhez milyen végfok lenne jo,erre a tápfeszre?(+/- 50volt vagyis 51..esetleg készen vkinek?feltétlen sztereo és no hangszin(mint egy dj végfok)válaszotokat várom.köszönettel:g
Hello
Egyszerű rendelsz még egy quad modul és lesz egy közös tápjuk de rakj még be pluszba 4700µF-ot de inkább nagyobbat, és lesz egy sztereo erősítőd.Mivel 150VA-es a trafod kb 2*40W fog szolni..
Szia!
Még egy quad modul szerintem is, viszont trafót cserélnék a helyedben, vagy nagyon sok puffer kondit raknék bele. Mert ha felhangosítod, akkor ha nincs benne valamilyen védelmed, akkor az elégtelen tápegység miatt DC lesz a kimeneten amikor torzít a végfok...na és az fogja kinyírni a magasd, amire utánna nem lehetsz büszke. Szóval ha ekkora trafó marad akkor mindenképpen valami dc figyelős hangfal védelmet kéne beéíptened a végfokodba, ha nem akarod véletlenül kinyírni a hangszóróidat. 2 QUAD 405-höz minimum 300W-os trafót tennék, de ha nem spórolok akkor talán 500W is a békesség kedvéért. üdv.: Zoli
Sztem ehez még kéne pár dolgot tudni (pl. hány W...etc)
Hali!
Ha már új téma van nyitva, akkor hadd bővítsük kicsit Én is kezdő vagyok, és én is erősítőket szerelek. Azt szeretném ha volna végre egy házi gyártmányú min.40W -os erősítőm. És ez 2N3055-el lenne a legjobb nekem. Ha van valakinek olyan kapcsolása, amit meg is csinált, és jól működött, az lécci ossza meg velem is. Én ezeket találtam. ÜDV
ok.ezen eldolkodok.de nekem valahogy nem szimpatikus ez a quad hangja.kevés mély a többi nagyon meggyözö tartományhoz képest és apro belecicegések a magas hangoknál.lehet hogy kábelezés probléma,utánanézek...egyébként sok végfokom volt már,nekem eddig talán egy soundking sk 400-as hangja volt a leglágyabb,de a quad az más kategoria.de lehet hogy csak ezzel a panel-konstrukcioval lehet a gond,mivel sokféleképpen lehet épiteni.pl urbán ur is kinál vmit.ez nem ide tartozik...asszem a magassugárzot azért nyirta ki mert nem fémházba lett rakva,ezért a tervezö(k.j.)tanácsát megfogadva nem lett testelve csak a két kondi közé a panel,de ez szerintem kevés volt.kimeneti dc t kapott,vszinü.nem jellemzö rám a hangszoro gyilkolás.és van hangszoro védö áramkör benne,de ez gyakorlatilag nem jelent ebben az esetben semmit.én fogtam és a hálozati földet rávezettem a hütöbordára,azota nincs ilyen probléma.azért köszi a válaszokat.
franc vegyen akkora trafot ilyen kis teljesitményhez(relativ) sztem.meg nem akarok még egy ilyen panelt mert nem tetszik.kondi az nekem is gyanus volt elsöre.meg van valami szögaluminium vezetékezés,annak utánanézek majd....ja és a d-audio-tol rendelt már vki vmi erölködö-panelt?és hol érdemes ilyet venni.kezdésnek.?
Szia!
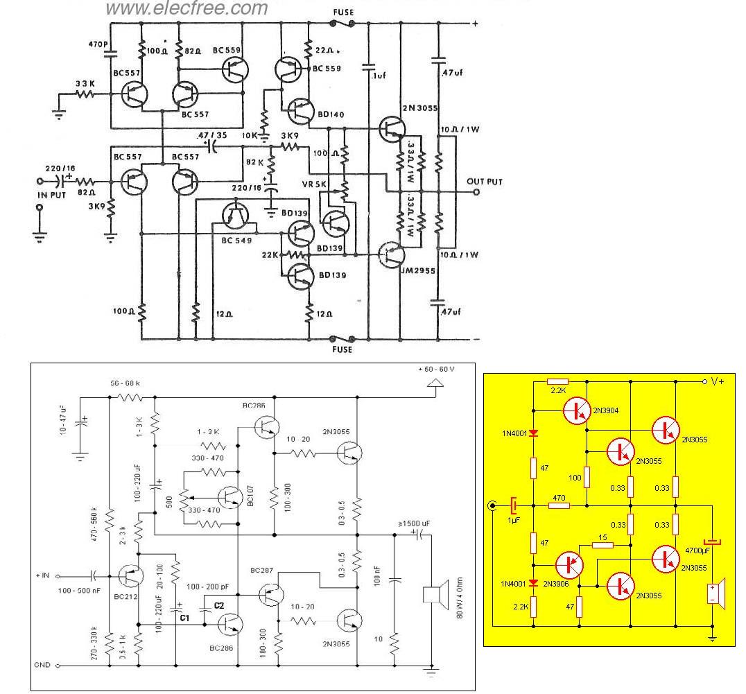
A feltett képen látható sárga alapú kapcsolás asszem egy A-osztályú végfok, de semmi infót nem tudok róla, csak valahol láttam már oszt kész...Mit szólnál egy 2N3055-tel épített QUAD-hoz alacsonyabb tápfeszről mint +-50V. Az minimum 40W... Mondjuk +-36-40 Voltról. Kb 40-50W lesz. Nem egy hűű de bonyolult erősítő, bár ha ez az első erősítőd, akkor talán ne ilyet készíts, mondjuk nekem a legelső próbálkozásom pont egy ilyen volt....Persze ha már készítettél bármit is akkor nyugodtan belevághatnál. Esteleg nézz itt körbe ha a QUAD nem szimpatikus.http://sound.westhost.com/ üdv.: Zoli
Sziasztok!
Annak aki meg kiserletezik az egytranyos "csoda" erositovel, ime egy kis szamolas amit korabban igertem. 2N3055-el epitettem meg a kapcsolast. Ket munkapontban probaltam ki az erositot. A tapfeszultseg stabil 5V, a felhasznalt hangszoro egy regi csoves radiobol kiszedett 6ohmos hangszoro volt aminek a DC ellenallasa kb. 5ohm. A jelolesek a csatolt abran talalhatoak. 1.eset: Rb = 5.6kohm. Ekkor Ic = 62mA, Uce = 4.69V, Ub = 0.618V. A bazisaramot a kovetkezokepp lehet szamolni: mivel a bazisaram teljes egeszeben atfolyik az Rb bazisellenallason ezert a rajta eso feszultseg es az ellenallas hanyada adja a rajta atfolyo aramot. A rajta eso feszultseg pedig egyenlo az Uce-Ub kulonbseggel, azaz 4.69V-0.618V=4.072V. Ebbol Ib=4.072V/5600ohm = 727uA. Az egyenaramu aramerositesi tenyezo ebbol kiszamolhato: B = Ic/Ib=62mA/0.727mA=85.3 Mivel az Uc feszultseg 4.69V a tapfeszultseg pedig 5V, igy az erosito kivezerelhetosege igen alacsony, azaz hamar elkezd hatarolni az erosito meghozza a pozitiv felperiodusban (ami a bemeneten a negativ felperiodust jelenti, hisz a foldelt emitteres alapkapcsolas fazist fordit). Az idealis az lenne, ha az Uce feszultseg a tapfeszultseg fele lenne, azaz 2.5V, ekkor lehetne a legnagyobb hasznos jelet "kiszedni" az erositobol. Ez azonban azt jelentene, hogy a hangszoron is 2.5V feszultseg esne ami mar kisse sokanak tunik egy atlagos kisteljesitmenyu hangszoro szamara. 2. eset: Rb=1.2kohm. Ekkor Ic = 260mA, Uce = 3.66V, Ub = 0.661V. Lathato, hogy a bazisellenallas csokkentesevel a tranzisztor jobban kinyitott (Ube megnovekedett), magasabb lett a kollektoraram is es ha kiszamoljuk akkor a beta is mas erteku lett (B=104). Jol latszik, hogy a tranzisztorok betaja (sokminden mas mellett) fugg a kollektorarmtol is! Egyebkent az erosito kivezerelhetosege megnott hisz a kollektorfeszultseg valamelyest lecsokkent. Vegezetul csatoltam meg ket kepet is amit oszcilloszkoppal keszitettem. Jol lathato, hogy a szep szinusz bemenojelbol milyen torz kimenojel keletkezik ha nem megfelelo a kivezerelhetoseg.
Üdv mindenkinek!
Lenne egy kis problémám.Szerváltam egy Technics su-v660-as erősítőt.Mint általában a technics-ek ez is hibrid végfokkal jött ki. Szóval az eredeti végfok kiment és egy stk 401-140 típusú végfokot tettek a helyére,de sajnos most ez is elhalálozott.Én amúgy sem barátkozom az IC-s erősítőkkel ezért szeretnék a végfok helyére egy tranyósat .Csak nem tudom eldönteni milyen legyen.Gondoltam pl a quad-ra is,de nincs túl sok hely a dobozban.Tápfeszt 52v-ot egyenfesz..A trafója egy 690w-os OFC(oxigen free copper) trafó.Kérdésem ki mit tenne bele a helyemben? |
Bejelentkezés
Hirdetés |









Ha megépítetted majd szólj 



Szóval az eredeti végfok kiment és egy stk 401-140 típusú végfokot tettek a helyére,de sajnos most ez is elhalálozott.Én amúgy sem barátkozom az IC-s erősítőkkel ezért szeretnék a végfok helyére egy tranyósat
.Csak nem tudom eldönteni milyen legyen.Gondoltam pl a quad-ra is,de nincs túl sok hely a dobozban.Tápfeszt 52v-ot egyenfesz..A trafója egy 690w-os OFC(oxigen free copper) trafó.Kérdésem ki mit tenne bele a helyemben? 



