Fórum témák
» Több friss téma |
- Ez a felület kizárólag, az elektronikában kezdők kérdéseinek van fenntartva és nem elfelejtve, hogy hobbielektronika a fórumunk!
- Ami tehát azt jelenti, hogy a nagymama bevásárlását nem itt beszéljük meg, ill. ez nem üzenőfal! - Kerülendő az olyan kérdés, amit egy másik meglévő (több mint 17000 van), témában kellene kitárgyalni! - És végül büntetés terhe mellett kerülendő az MSN és egyéb szleng, a magyar helyesírás mellőzése, beleértve a mondateleji nagybetűket is!
Sziasztok
Segítséget szeretnék kérni kaptam egy új gépet és most raktam össze hallgatok zenét fejhallgatóval és utána ugyanazt a zenét sima fülessel. A probléma az az hogy ugyanaz a zene másik - másik fülemben kezd ( vagyis a fejhallgatón az R feliratún kezd, a fülesen meg a jobban. Most a gép összeszerelésénél dugtam rossz helyre a csatit vagy még régen mikor a fejhalgatóm csatija tönkrement felcseréltem az L és R-t ?
Felcserélted az L és R-t......
Hát akkor holnap megcserélem.
Sziasztok!
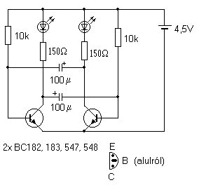
Lenne egy kérdésem. Van egy astabil multivibrátorom de nem billeg csak az egyik LED világít állandóan. Az eredeti a képen az én verzióm pedig a Splan-os.Az ellenállás értékek miatt?
Sziasztok!
Van 2db különböző kapcsoló üzemű tápegységem, az egyik 12 V, a másik 24 V-os. Egy próba erejéig szükségem lenne 36 V-ra. Sorba köthetem ezeket? Nem lesz baja egyiknek sem?
Sziasztok!
Van nekem egy Bosch PTS 10-es asztali körfűrészem, sajnos ez még nem rendelkezik lágyindítással és a fordulatszámot sem lehet állítani, viszont van egy 2000 W-os Samsung teljesítmény szabályzós porszívóm ami motorhibás, viszont az elektronikája jó. Gondolom már össze is állt, hogy mire is gondoltam ... szóval megoldható a dolog?
Ahogy olvastam jónak tűnik mert kímélné a frontokat a felüláteresztő, bár ha jól gondolom akkor a mély hangszórók teljesítmény nem lenne igénybe véve és azzal szerintem nagyot esne a hangerő hiába lenne egy 100W os mély csatorna. Bár ha tévedek akkor javíts ki.
De ha szűrőt csak a sub részére építenék bele az úgy még jó lenne, nem lenne az az igazi 2.1 stílus de megfelelne szerintem. TDA7294-es sub résznek megfelel gondolom. Valamint az aluláteresző a sztereo jelből már mono-t alakít ugye?
Amennyiben az is(nem ismerem) univerzális(kommutátoros) motor, teljesítményben megegyezik (vagy kisebb), akkor persze.
Sziasztok!Van egy 5V AC adapter. Az 5V AC-ból szeretnék 5V DC-t csinálni.Milyen alkatrészek kellenek és mit hova kötni? Köszönöm a válaszokat.
A hozzászólás módosítva: Jan 11, 2014
Mekkora terhelésre szeretnéd használni?
Udv!
Lenne ket kerdesem. A nyaklapokon amit TV-kbol, laptopbol, vagy egyeb elektronikus gepezetekbol kiszedek mit jelent a "94V-0" felirat? A masik kerdesem az, hogy Egy nagyteljesitmenyu LED-nel, vagy egy tranzisztornal a homennyiseg amit termel az veszteseg?
Ezt építettem meg egy morzsaporszívóhoz, Bővebben: Link 3,7V-5000mA-es Akkut vettem bele. Most vettem észre,hogy a M.porszívónak a töltője 5V AC 140mA-es. Ebből kéne Dc-t csinálni. A töltőt kipróbáltam laptopról ott tölti most rendesen.
A hozzászólás módosítva: Jan 11, 2014
Milyen tápegységekről van szó? Földelt a hálózati csatlakozója? Mert ha igen, akkor nagy valószínűséggel a szekunder oldat is leföldelték, és ha összekötöd őket akkor előfordulhat, hogy zárlat lesz a vége.
Szia!
A kereső szerint az éghetőségi osztálybasorolás jelzése. A hozzászólás módosítva: Jan 11, 2014
Sziasztok. Tudja valaki, hogy mi a különbség, vagy vagy-e különbség ilyen, és ilyen kondi között? Nem a kapacitására gondolok. Mindkettő polieszter kondenzátor, kérdés van-e mégis köztük valami különbség a kinézetén kívül? (Vannak ahol jobb ha fólia kondenzátort használunk kerámia helyett; ilyesmi különbségre gondolok)
Ha elég a 140mA, akkor gréc, 5V-os stabkocka (sallangokkal). Lehet, hogy LDO kell.
A hozzászólás módosítva: Jan 11, 2014
Sziasztok!
Fordított polaritás ellen szeretnék egyszerű védelmet építeni. Lényeg, hogy normál helyzetben ne fogasszon, és ne vegye vissza a tápfeszültséget (mintha ott sem lenne). Ha a védelem közbelép, ne okozzon tüzet...és a táp se égjen le És még csak véletlenül se károsítsa a rákötött fogyasztót a fordított polaritás.Rajzoltam egy ábrát, én így képzelném el a dolgot. Kérdésem: jó ez így? Milyen dióda és biztosíték kell? (A többi adat a képen) Köszi! A hozzászólás módosítva: Jan 11, 2014
Ilyesmi? Bővebben: Link Elég egy ilyen? (sallangok)?
Szia!
Olyan dióda kell, amely a elviseli a zárlati áramot a biztosíték kioldási ideje alatt. Tehát brutál nagy áramút válassz.
Hello! A kapcsolás jó, de ha tényleg 50V-50A lesz, akkor spéci bizti (amit az autós erősítőknél használnak), és kajakos 100A-es dióda kell bele. Különben belepusztul, mikor kiveri a biztit. üdv!
Ennek a tizede is elég, akármilyen kis diódákból 4 db. (2-2db., áganként legyenek egyformák), ami az áramot elbírja; feszültségre még a Ge diódák is tudnak ennyit. Jobb is a Ge, vagy Schottky, hogy az 5V-ból minél kevesebb essen rajtuk, így is LDO stab. kellhet. Sallangok: Egy puffer; 300µF körül, egy-egy 100nF-os a stab. ki-bemenetére, kimenetre 10-20uF. Bár, ahogy láttam, van a töltő bemenetén, az is elég.
Hello! Kicsit próbálgass. Vedd ki a két kondit, és akkor mind két Led-nek világítania kell.
- Zárd rövidre a traynó kollektor-emitterét, akkor teljes fénnyel kell égni a Led-nek. - Ha a tranyóval is világít, akkor zárd rövidre a bázis-emittert, és ki kel aludnia. - Ha ez is jó, tedd vissza a kondit és ellenőrizd, hova van kötve, és a polaritás is jó legyen. Ekkor már mennie-kell. Néha az is gond, hogy a nagy béta miatt, túl sok a bázisáram, és teljesen nyitva van, nem tud elindulni. De ekkor általában mind két Led világít. Ekkor bázisellenállást növelni kell. üdv!
Helló. Olyan kérdésem lenne hogy ezen a kapcsoláson meik a kondenzátorok + illetve - ága a feszültség sokszorozó részben? Elnézést a hülye kérdésért de nem jövök rá.
Az 'üres' téglalapos oldala (jobb oldal) a pozitív. De a diódák irányából is következik.
Köszönöm a választ. Most épül és nem tudtam hogyan tegyem be.
Sziasztok, megcsináltam ezt: Pctáp átalakítás
És a gnd meg a +12V közé akarnék betenni az autós h4es égőt terhelésnek, egy ügye 55w. egy 4,6A-t igényelne ha jól számolok. A táp elvileg 8A-t bír. De ha rákötöm nem világit hanem "Megdöglik" a táp. Mért van ez? Hogy lehetne világításra bírni az izzót? 5 Volttal világit...bár ott 22A-t tud.... A hozzászólás módosítva: Jan 11, 2014
|
Bejelentkezés
Hirdetés |






... szóval megoldható a dolog? 








