Fórum témák
» Több friss téma |
Igen,az lenne a legegyszerűbb, de nincs olyan trafóm, aminek a kapcsain +-15V lenne. A legnagyobb is csak +-8,6V, ahogy a képen is látni, ha még pufferelem 4700µF-al, úgy gondolom akkor sem lenne belőle +-15Vsak hogy működik-e, ahogy az utóbbi bejegyzésben mellékeltem kapcsolás?
Jogos, nem figyeltem, milyen feszültségűek a trafók. Persze, működik az stab. IC nélkül is, csak úgy sok lesz a kimenő feszültség, kb 2 x 20 V.
Ha van 2db teljesen egyforma trafód akkor sorba kötöd a szekunderüket, teszel rá egy graetz-et (nem kell kettő) meg 2db kondit és kész. Ekkora áramra nem kell akkora kondi, pár száz µF is bőven elég.
Nekem van 2x15 voltos trafóm es szimetrikus tápot szeretnek ugy hogy kb +-20v legyen ez megoldható?
Valami egyszerü rajz kéne A hozzászólás módosítva: Nov 10, 2013
Azt a hangszínszabályozót teljes lelki nyugalommal kipróbálhatod teleppel is.
A +-15V csak egy névleges érték működik az +-9V-al is. Az ic-nek használj TL062-t az alacsony tápfesznél is jól működik.ha sztereo ha mono akkor TL061-et A hangszínszabályozó egyébklnt több mint 40-éves Először Sípos Gyula HiFi erősítők építése című könyvében láttam.Még a szkennelt kép is abból való! S kb 35 éve építettem először. De ha megcsinálod azt a tápot amit az előző hsz-emben közzé tettem ahhoz teljesen jók a különböző feszültségű trafóid is. A hozzászólás módosítva: Nov 10, 2013
Nekem van1x30v és 2x15 voltos trafóm es szimetrikus tápot szeretnek ugy hogy kb +-20v legyen ez megoldható?
Valami egyszerü rajz kéne
15v*gyök2=15*1,41=21,15
Tehát pufferelve hozzávetőleg +-21V tápod lesz Persze ez terhelésre csökken de azt nem írtad mekkora áramigényed van. A kalkuláció egy nagyon hözzávetőleges kalkuláció inkább becslés. Mi lenne ha ráakasztanál egy egyenirányítót és két puffer elkót és megmérnéd?
Ha nem kell stabilnak lennie, akkor dobj össze egy ilyet. Mindkét oldala állítható, és áramkorlátos. Nyilván nem kell ekkora FET, mert nem fogsz vele zárlatban több tíz W-ot elfűteni.
Hát annyira nem értek hozzá de láttam konnyeb bekotest is ahol csak 2 vagy 4 kondenzátor kell
Ezt a bekötést mondom csak nem tudom milyen értéküt tegyek oda ha kb -+20volt legyen max 22 A hozzászólás módosítva: Nov 12, 2013
Én úgy tudom,hogy amit mérsz feszültséget az egyenirányítás után azt szorozd be gyök2-vel és megkapok egy kb. 4700µF-os kondival a pufferelt feszültséget.
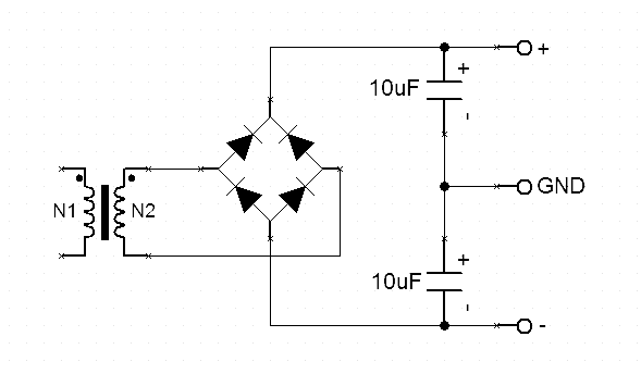
Helló!Ez a kapcsolás nem jó!Testen csak addig fog lenni áram,míg a kondi fel nem töltődik.Három szálas trafó kell hozzá,és a GND-t a trafó középső (közös) pontjára kell kötni.
És ez így jólenne?
csak nemtudom hogy mekkora értékü kondit tegyek a kérdöjel helyére,hogy kb+-18V - +-22V-ot kapjak. Egy erösitöhoz kellene aminek a maximum feszültsege +-22V ugy hogy inkabb legyen kissebb. A hozzászólás módosítva: Nov 16, 2013
A kondenzátor értékétől nem függ a pufferelt feszültség nagysága.
Ha oda 4700-10000mikrofarados elkót teszel akkor a kimenő feszütséged 15*gyök2=15*1,41=21,15V lesz,névlegesen. ettől terhelve egy picit kisebb de próbáld ki kérlek mert ez a faék szintű kapcsolás meddig tart összedrótozni, és megmérni? Vagy addig fogod ezt kérdezgetni ameddig valaki azt nem mondja hogy igen ez 18-22v ig jó? S majd csak akkor mered összedrótozni? s ha csak 20,45 volt lesz akkor kérdezed majd hogy mi lehet a hiba, mert xy azt írta hogy jó lesz? Kicsit több kreatívitást kollega. A hozzászólás módosítva: Nov 16, 2013
Sziasztok : )) A napokban találtam egy szimmetrikus táp kapcs. rajzot és készítettem hozzá egy nyáktervet. Egy nagy segítséget szeretnék kérni. Át tudná nézni nekem valaki hogy ez működne esetleg és ha igen akkor mennyire lehetne megterhelni, mennyi áramot tudna kipréselni magából maximum?? Nagyon köszönöm!!!
Ilyen vékony fóliasávokkal nemsokat. Hibás tervezés.
Sziasztok!
Olyan problémám akadt, hogy trafóból egy 2x50VAC-s áll épp rendelkezésemre, ami egyenirányítva ~70v, de puffer kondenzátorom csak 63v ( 22000µF ). Szerintetek az járható út, hogy egy áteresztő tranzisztoros stabilizátorral kihoznék egyenirányítás és minimális puffer ( 4x2200µF ) után szimmetrikusan 60v-ot, majd erre kötném a 2x 63v 22mF kondikat ? ( erősítő amit ideiglenesen használnék, amíg nem lesznek ideillőbb kondijaim durván 2x200 watt / 4ohm )
Sziasztok
Azt szeretném kérdezni hogy nem lehetne egy sima adapterből szimmetrikus tápegységet létrehozni ? Lenne egy adapterem, amire igaz az van ráírva hogy 30V 400mA 12W de lemértem terheletlen állapotba 46V körül adott le. Nekem körülbelül +- 24Vra lenne szükségem. Meg lehet így oldani ? vagy mindenképp trafó kell hozzá ?
Ha leterheled 30V lesz, abból nem lehet +-24V kihozni.
Minél kevésbé terheled a trafót, annál kevésbé esik a feszültség. A névleges 12W-os terhelésnél áll be a kb. 30V-os feszültség. Mennyire szeretnéd terhelni?
Tda7294 erősítőhöz kéne. És +- 24V környékén adná le az 50W/4ohm ot ami kéne nekem. És akkor van itthon nekem egy trafóm, holnap megnézem hogy mekkora, mert csak rátaláltam és láttam hogy 4 kivezetése van és hogy 24V volt ráirva viszont a többi adatot nem néztem.
Holnap leírom milyen. Elnézést ha összevissza az írásom, fáradt vagyok
Szia
Mint irod az erősítőd az 200W/4ohm itt az áramod 7A mivel 2 csatornád van, márt 14A beszélünk. Ha a áteresztő tranzisztort választod, akkor 70V -akarsz 60V. Ez 11V 14A folyatsz át, ami 154W ( a 11V a szerény számitásom alapján jött ki, mert, a 70V az 70,7V és kerekitettem. ) Neked kell keresni, olyan tranzisztort, ami elvisel ~100V ot és 15A és 160W os Én kettőből raknám ki, aminek az ára ~500Ft kell hozzá hűtőborda ami a két darab ~4000Ft környékén van, mert 1,2K/W ost néztem. Összesern 4500Ftnél tartünk, és nincs mi vezérelje a tranzisztorokat. Ha veszel egy 10 000µF/100V os kondenzátort az 1500Ft egy kicsit kissebb, a meghibásodás is. Szerintem áldozz rá, annál is inkább mert ~3000Ft marad a zsebedbe csak a pozítív oldalon. üdv. A hozzászólás módosítva: Jan 18, 2014
Ezekből az adatokból nem teljesen jövök ki, és hogy akkor ebből a trafóból lehetne e szimmetrikus tápot csinálni és mennyi V-ot és W-ot tudna leadni ?
Bővebben: Link Szóval ezt át kellene tekerni, de akkor is kb 2*30W-os tda-hoz jó.
Inkább párhuzamos stabilizátorral húznám le 60V-ra... Ez - nem számoltam, sok dologtól függ - üresjárásban 1-2A-t jelenthet, viszont teljes terhelés felé közeledve ez a stabilizátor "kilép" mint fogyasztó (amikor már a valódi terhelés miatt is 60V alá esik a puffer).
Mindenképp TDA7294-et akarok, de akkor megpróbálok egy erősebbet keresni vagy pedig akkor át tekerem ha úgy tényleg jó lesz. Ez hogy brummos lesz ez mit jelent ?
Szia
"Ez hogy brummos lesz ez mit jelent ? " Bővebben: Link A zöld, az terhelés nélkül, a jelalak. A pirosnál, márt van terhelve, és láthatod, hogy a zöldnél a majdnem egyenes vonal márt fürészre hasonlít, ami a hagszoroba is jelenkezni fog. Azt hogy lüktetőegyen lesz. A kondenzátor nem tud olyan hosszu ideig tárolni a töltést. Ez függ a terheléstől, is. De egyutas egyenirányitást, ne csinálj, 100Wnak. Talán 1...3W nak megfelel. Ha nagy kondenzátort raksz akkor bekapcsoláskor húzza meg a hálózatot. (Sima izzós világítás elhalványúl, egy pillanatra, az erősítő bekapcsolásakor. ) Ez márt 10 000µF jelenkezhet, illetve ezért használják a lágyindítót. üdv. |
Bejelentkezés
Hirdetés |

















