Fórum témák
» Több friss téma |
Fórum » Kapcsolóüzemű tápegység
Témaindító: Rendszer, idő: Feb 18, 2006
Témakörök:
Csatolhattál volna róluk valami képet is, így látatlanban gondolom valami félhidas rezonáns csoda lehet. Ezek bizony horpadnak rendesen, de ennyire azért nem kellene neki.
Nem voltál túl igényes, de kellően körültekintő sem. Nekem a saját készítésű rezonáns hidam 1kW környékén esik kb. 2-3%-ot.
Kedves Ge Lee!
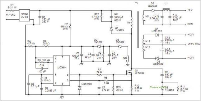
Köszönöm a gyors reagálást! Amennyire tudtam lerajzoltam a kapcsolási rajzát. Nem foglalkoztam effélékkel, ezért lécci nézd el ha hibáztam! A félvezetőről nem találtam semmit, ezért nem is rajzoltam semmit. A diac-ról lehet, hogy csak én hiszem hogy az... Üdv: Gyula ps. tudod túl sokba került ahhoz, hogy csak kidobjam, és vegyek trafókat...
Ez egy Skori féle önrezgő rezonáns táp, a működéséről bővebben itt olvashatsz.
Tulajdonképpen egy izmos kompaktfénycső előtét, rezonáns működésre beállítva. Hiányoznak a zavarszűrő elemei, és az NTC helyett is egy ellenállás van berakva, ránézésre is kontár munka. Nem tudom mennyit adtál érte, de mivel a trafó és a graetz is kibontható egy rossz PC tápból, a ferritgyűrű egy rossz kompaktfénycsőből, igazából a fetek, a diódák és a kondik kerülnek csak "sokba", összvissz 1-2ezer Ft-ba. Ez a mennyiségű primer puffer max. 150-200W-ra elég, 500-ra nem. Gondolom a rezonáns működés sincs jól beállítva (az SF diódákkal párhuzamos kondik, illetve a trafó szórási induktivitása és a trafóval soros induktivitás soros eredője állítja be). Ha túl nagy a soros (szórási) induktivitás akkor még az is elképzelhető hogy már korlátoz a rezonáns kör, ezért nem terhelhető a táp. A beállításhoz mindenképpen szkópra van szükség, anélkül nem megy. A 230V-os kapcsitápos topikba kellett volna írnod, az jobban pörög, többen tudnak segíteni.
Ez tulajdonképp a 300 W-ra célzott táp lenne.
Vastagon többet fizettem érte.... Ezért is nem szeretném kidobni. Mivel egy erősítőbe szántam még annak is örülnék ha 150 W-ot tudna belibbenés nélkül. Akkor próbálkozok vele.. Max lesz belőle veszélyes hulladék. És maradok a trafóknál. Köszönet: Gyula
Üdv!
Egy hegesztő segédtápjával van problémám. Üzem közben ha a ventilátor is rá van kötve le esik a feszültség 22-röl 19.7 voltra, ha lekapcsolom a főkapcsolóval megy minden amíg az uc3845 az alsó küszöb feszültséget el nem éri, akkor billen egyet és pulzálva áll le míg a puffer ki nem ürül. Ventilátor jó k.b. 400ma vesz fel, ez nélkül billenés meg van de szépen le kapcsol. Mi lehet a hiba? A hozzászólás módosítva: Feb 1, 2014
Szia!
A különféle primer és szekunder oldali elektrolitkondenzátorok közül biztosan jó mindegyik?
Szia!
Már ki cseréltem mindent. A fet source lábán 1.8 ohm helyet már 1 ohmost raktam így ventilátorral 20.8 volt van de a lekapcsoláskor továbbra is pulzál.
Szia!
Ma méregetem a vezérlés 280mA a ventilátor 440mA. Próbáltam csak a ventilátorral elindítani pulzálva áll le. Azután csak az alaplapot, raktam még egy 100 µF-os kondít a szekundere akkor az is pulzálva állt le.
Sziasztok!
Smps tápban sg6841dz pwm ic 3. lábán van 3.4V többi lábán semmi nem mérhető. ic 7. lábának áramköre rendben van. Puffer kondi + lába ic 7 lába között mérhető 305V. Mi okozhatja, hogy nincs meg a táp a 7 es lábon? Köszönöm Tamás
A 6841 előszeretettel hal meg úgy, hogy a HV áramgenerátora elhasal, vagy zárlattal, vagy csak szakadással. Ha a + táp és a 3-as láb közötti ellenállás nincs megnyúlva, akkor tuti ez a baj, cseréld ki az IC-t. Olykor a 7-es láb és a test között alakul ki pár kOhm-os "zárlat", ekkor sem tud már megindulni. Volt olyan, hogy kényszerből, azonnali megoldásként, egy ilyen hibával küszködő IC-t a 7-es lábra kötött, fix ellenállással indítottam meg, ez azóta is így működik, csak elszór némi veszteséget az ellenálláson. A korrekt megoldás a csere ettől függetlenül.
Ic-t már cseréltem. 7 láb és test között (puffer kondi negatív láb) 53 ohm mérhető.
Kapcsolóüzemű táphoz trafót keresnék.
Paraméterek Szekunder fesz:25-30V szekunder áram: 3-6 A. Lehet ilyet valahol beszerezni?
Nem. A középponthoz képest ~Vin nagyságú feszültség indukálódik a csapolástól felfelé eső tekercsen, amikor az alsó tranzisztor nyit.
Ott a hiba.. IC-t szedd ki, mert az is gyanús, ha ott még zárlat van, de a segédtáp egyenrányító dióda, meg a puffere főleg.
Tehát
Puffer kondi 100uf/400v esr: 0.42ohm, Dióda nem zárlatos értéke 0.542V Esetleg valami más hiba okozhat ilyet?
Akkor keress tovább, ott van a zárlat.. IC-t kivetted? Nem a 100 µF-os érdekes, hanem a pártíz mikrós a dióda után.
Üdv!
Legyen szíves valaki meg válaszolni ennek a segéd táp hiba lehetőséget. Ezt a tápot már valaki javította. Kikapcsolásnál a pulzálás 330mA felet csinálja. Már arra gyanítok hogy esetleg más uc típusú ic raktak bele a snubber körben az is érdekes számomra hogy a dióda és az ellenállás közt levő kondenzátor földre van kapcsolva. Mért van ez így, vagy esetleg más uc-vel próbálkozzak, például uc3844 vagy uc3843 mi történne akkor?
Tehát ventilátor nélkül jól működik a táp? Lehet, hogy cserélve lett a ventilátor, amely nagyobb a kelleténél.
A ventilátor eredeti, már próbáltam másikkal is a venti jó.
Mint írtam a vezérlés 280mA és ha megterhelem még 50mA fölött akkor már csinálja. Szerintem nem adja le a megfelelő teljesítményt.
Csökkentsd tovább a source-köri ellenállást. Ha a snubber gyári megoldás, akkor azzal nem lehet gond. A különféle UC-típusok között a működési és tiltási küszöbfeszültségek közt van különbség, tehát még ez is okozhat gondot.
0.8ohm alatt sípol a trafó 1.8 felett csökken a feszültség 1ohm-on 22v 1,8-on 21,3v
Ez venti nélkül mérve ventilátorral 1,8ohm-on gyári érték lemegy 19.8voltra . A hozzászólás módosítva: Feb 4, 2014
Cseréld ki az UC-t, mert lehet, hogy a belső szabályzóköre ment tönkre. Ha minden tápalkatrész jó, akkor csak erre lehet gondolni.
Nem változik a feszültség, csak a védelmi szintek.
Én nem láttam az adatlapban ilyen kitételt, de lehet, hogy így van.
Az a PWM-kivezérelhetőség maximumát adja meg, aminek itt nincs köze a kitöltési tényező változásához.
Raktam bele uc3843-at elindul minden rá van kapcsolva most a feszültség 20.5v, leállításkor trafó egy másodpercig zizeg de nem pulzál.
Igen kivettem. 22µF/50V esr: 1 ohm.
Nincs zárlat mérések alapján. |
Bejelentkezés
Hirdetés |













