Fórum témák

» Több friss téma
Fórum » Kapcsolóüzemű tápegység
 
Témaindító: Rendszer, idő: Feb 18, 2006
Témakörök:
Lapozás: OK   42 / 124
(#) Ge Lee válasza augustin hozzászólására (») Jan 29, 2014 /
 
Csatolhattál volna róluk valami képet is, így látatlanban gondolom valami félhidas rezonáns csoda lehet. Ezek bizony horpadnak rendesen, de ennyire azért nem kellene neki.
Nem voltál túl igényes, de kellően körültekintő sem. Nekem a saját készítésű rezonáns hidam 1kW környékén esik kb. 2-3%-ot.
(#) augustin válasza Ge Lee hozzászólására (») Jan 29, 2014 /
 
Kedves Ge Lee!
Köszönöm a gyors reagálást!
Amennyire tudtam lerajzoltam a kapcsolási rajzát.
Nem foglalkoztam effélékkel, ezért lécci nézd el ha hibáztam!
A félvezetőről nem találtam semmit, ezért nem is rajzoltam semmit.
A diac-ról lehet, hogy csak én hiszem hogy az...
Üdv: Gyula

ps. tudod túl sokba került ahhoz, hogy csak kidobjam, és vegyek trafókat...
(#) Ge Lee válasza augustin hozzászólására (») Jan 29, 2014 /
 
Ez egy Skori féle önrezgő rezonáns táp, a működéséről bővebben itt olvashatsz.
Tulajdonképpen egy izmos kompaktfénycső előtét, rezonáns működésre beállítva.
Hiányoznak a zavarszűrő elemei, és az NTC helyett is egy ellenállás van berakva, ránézésre is kontár munka. Nem tudom mennyit adtál érte, de mivel a trafó és a graetz is kibontható egy rossz PC tápból, a ferritgyűrű egy rossz kompaktfénycsőből, igazából a fetek, a diódák és a kondik kerülnek csak "sokba", összvissz 1-2ezer Ft-ba.
Ez a mennyiségű primer puffer max. 150-200W-ra elég, 500-ra nem. Gondolom a rezonáns működés sincs jól beállítva (az SF diódákkal párhuzamos kondik, illetve a trafó szórási induktivitása és a trafóval soros induktivitás soros eredője állítja be). Ha túl nagy a soros (szórási) induktivitás akkor még az is elképzelhető hogy már korlátoz a rezonáns kör, ezért nem terhelhető a táp.
A beállításhoz mindenképpen szkópra van szükség, anélkül nem megy. A 230V-os kapcsitápos topikba kellett volna írnod, az jobban pörög, többen tudnak segíteni.
(#) augustin hozzászólása Jan 29, 2014 /
 
Ez tulajdonképp a 300 W-ra célzott táp lenne.
Vastagon többet fizettem érte....
Ezért is nem szeretném kidobni.
Mivel egy erősítőbe szántam még annak is örülnék ha 150 W-ot tudna belibbenés nélkül.

Akkor próbálkozok vele..
Max lesz belőle veszélyes hulladék.
És maradok a trafóknál.

Köszönet: Gyula
(#) csinga hozzászólása Feb 1, 2014 /
 
Üdv!
Egy hegesztő segédtápjával van problémám.
Üzem közben ha a ventilátor is rá van kötve le esik a feszültség 22-röl 19.7 voltra, ha lekapcsolom a főkapcsolóval megy minden amíg az uc3845 az alsó küszöb feszültséget el nem éri, akkor billen egyet és pulzálva áll le míg a puffer ki nem ürül.
Ventilátor jó k.b. 400ma vesz fel, ez nélkül billenés meg van de szépen le kapcsol.
Mi lehet a hiba?
A hozzászólás módosítva: Feb 1, 2014
(#) kadarist válasza csinga hozzászólására (») Feb 1, 2014 /
 
Szia!
A különféle primer és szekunder oldali elektrolitkondenzátorok közül biztosan jó mindegyik?
(#) csinga válasza kadarist hozzászólására (») Feb 1, 2014 /
 
Szia!
Már ki cseréltem mindent.
A fet source lábán 1.8 ohm helyet már 1 ohmost raktam így ventilátorral 20.8 volt van de a lekapcsoláskor továbbra is pulzál.
(#) csinga válasza kadarist hozzászólására (») Feb 2, 2014 /
 
Szia!
Ma méregetem a vezérlés 280mA a ventilátor 440mA.
Próbáltam csak a ventilátorral elindítani pulzálva áll le.
Azután csak az alaplapot, raktam még egy 100 µF-os kondít a szekundere akkor az is pulzálva állt le.
(#) pcb12 hozzászólása Feb 3, 2014 /
 
Sziasztok!
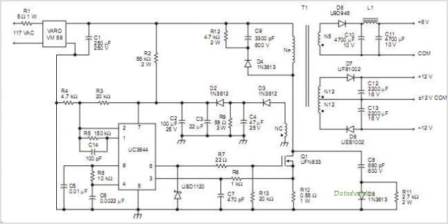
Smps tápban sg6841dz pwm ic 3. lábán van 3.4V többi lábán semmi nem mérhető.
ic 7. lábának áramköre rendben van.
Puffer kondi + lába ic 7 lába között mérhető 305V.

Mi okozhatja, hogy nincs meg a táp a 7 es lábon?

Köszönöm Tamás
(#) didyman válasza pcb12 hozzászólására (») Feb 3, 2014 /
 
A 6841 előszeretettel hal meg úgy, hogy a HV áramgenerátora elhasal, vagy zárlattal, vagy csak szakadással. Ha a + táp és a 3-as láb közötti ellenállás nincs megnyúlva, akkor tuti ez a baj, cseréld ki az IC-t. Olykor a 7-es láb és a test között alakul ki pár kOhm-os "zárlat", ekkor sem tud már megindulni. Volt olyan, hogy kényszerből, azonnali megoldásként, egy ilyen hibával küszködő IC-t a 7-es lábra kötött, fix ellenállással indítottam meg, ez azóta is így működik, csak elszór némi veszteséget az ellenálláson. A korrekt megoldás a csere ettől függetlenül.
(#) pcb12 válasza didyman hozzászólására (») Feb 3, 2014 /
 
Ic-t már cseréltem. 7 láb és test között (puffer kondi negatív láb) 53 ohm mérhető.
(#) pcb12 hozzászólása Feb 3, 2014 /
 
Kapcsolóüzemű táphoz trafót keresnék.
Paraméterek Szekunder fesz:25-30V
szekunder áram: 3-6 A.

Lehet ilyet valahol beszerezni?
(#) didyman válasza Pepu hozzászólására (») Feb 3, 2014 /
 
Nem. A középponthoz képest ~Vin nagyságú feszültség indukálódik a csapolástól felfelé eső tekercsen, amikor az alsó tranzisztor nyit.
(#) didyman válasza pcb12 hozzászólására (») Feb 3, 2014 / 1
 
Ott a hiba.. IC-t szedd ki, mert az is gyanús, ha ott még zárlat van, de a segédtáp egyenrányító dióda, meg a puffere főleg.
(#) pcb12 válasza didyman hozzászólására (») Feb 4, 2014 /
 
Tehát
Puffer kondi 100uf/400v esr: 0.42ohm,
Dióda nem zárlatos értéke 0.542V

Esetleg valami más hiba okozhat ilyet?
(#) didyman válasza pcb12 hozzászólására (») Feb 4, 2014 /
 
Akkor keress tovább, ott van a zárlat.. IC-t kivetted? Nem a 100 µF-os érdekes, hanem a pártíz mikrós a dióda után.
(#) csinga válasza csinga hozzászólására (») Feb 4, 2014 /
 
Üdv!
Legyen szíves valaki meg válaszolni ennek a segéd táp hiba lehetőséget.
Ezt a tápot már valaki javította.
Kikapcsolásnál a pulzálás 330mA felet csinálja.
Már arra gyanítok hogy esetleg más uc típusú ic raktak bele a snubber körben az is érdekes számomra hogy a dióda és az ellenállás közt levő kondenzátor földre van kapcsolva.
Mért van ez így, vagy esetleg más uc-vel próbálkozzak, például uc3844 vagy uc3843 mi történne akkor?
(#) kadarist válasza csinga hozzászólására (») Feb 4, 2014 /
 
Tehát ventilátor nélkül jól működik a táp? Lehet, hogy cserélve lett a ventilátor, amely nagyobb a kelleténél.
(#) csinga válasza kadarist hozzászólására (») Feb 4, 2014 /
 
A ventilátor eredeti, már próbáltam másikkal is a venti jó.
Mint írtam a vezérlés 280mA és ha megterhelem még 50mA fölött akkor már csinálja.
Szerintem nem adja le a megfelelő teljesítményt.
(#) kadarist válasza csinga hozzászólására (») Feb 4, 2014 /
 
Csökkentsd tovább a source-köri ellenállást. Ha a snubber gyári megoldás, akkor azzal nem lehet gond. A különféle UC-típusok között a működési és tiltási küszöbfeszültségek közt van különbség, tehát még ez is okozhat gondot.
(#) csinga válasza kadarist hozzászólására (») Feb 4, 2014 /
 
0.8ohm alatt sípol a trafó 1.8 felett csökken a feszültség 1ohm-on 22v 1,8-on 21,3v
Ez venti nélkül mérve ventilátorral 1,8ohm-on gyári érték lemegy 19.8voltra .
A hozzászólás módosítva: Feb 4, 2014
(#) kadarist válasza csinga hozzászólására (») Feb 4, 2014 /
 
Cseréld ki az UC-t, mert lehet, hogy a belső szabályzóköre ment tönkre. Ha minden tápalkatrész jó, akkor csak erre lehet gondolni.
(#) csinga válasza kadarist hozzászólására (») Feb 4, 2014 /
 
uc3845 cseréltem de hiba fent áll, uc3844 most rendeltem annak küszöbfeszültsége 10-16volt
Ha azt raknám bele mennyire emelné meg a szekunder feszültséget?
Az uc3843 nagyobb kitöltésű, mi történne?
(#) kadarist válasza csinga hozzászólására (») Feb 4, 2014 /
 
Nem változik a feszültség, csak a védelmi szintek.
(#) csinga válasza kadarist hozzászólására (») Feb 4, 2014 /
 
Ha uc3845 helyett rakok uc3843-mat, értelmezéseim szerint az egyikkel kevesebb ideig van nyitva fet a másikkal tovább.
És ha uc3843 rakok mi történne?
(#) kadarist válasza csinga hozzászólására (») Feb 4, 2014 /
 
Én nem láttam az adatlapban ilyen kitételt, de lehet, hogy így van.
(#) csinga válasza kadarist hozzászólására (») Feb 4, 2014 /
 
UC3842 and UC3844 have UVLO thresholds of 16V (on)
and 10V (off). The UC3843 and UC3845 are 8.5V(on) and
7.9V (off). The UC3842 and UC3843 can operate within
100% duty cycle. The UC3844 and UC3845 can operate
with 50% duty cycle.
(#) kadarist válasza csinga hozzászólására (») Feb 4, 2014 /
 
Az a PWM-kivezérelhetőség maximumát adja meg, aminek itt nincs köze a kitöltési tényező változásához.
(#) csinga válasza kadarist hozzászólására (») Feb 4, 2014 /
 
Raktam bele uc3843-at elindul minden rá van kapcsolva most a feszültség 20.5v, leállításkor trafó egy másodpercig zizeg de nem pulzál.
(#) pcb12 válasza didyman hozzászólására (») Feb 4, 2014 /
 
Igen kivettem. 22µF/50V esr: 1 ohm.
Nincs zárlat mérések alapján.
Következő: »»   42 / 124
Bejelentkezés

Belépés

Hirdetés
XDT.hu
Az oldalon sütiket használunk a helyes működéshez. Bővebb információt az adatvédelmi szabályzatban olvashatsz. Megértettem