Fórum témák
» Több friss téma |
Fórum » Rendezvény-hangosítás (PA) hangtechnikái
Témaindító: sound.man, idő: Nov 25, 2007
Témakörök:
A dj börzén nézelődj! Nemrég láttam tamp 1050-est ötvenért ,az teljesítményben is megfelel.
Hali!
Nem fogsz a T.amp ban csalódni. Nekem csak ezek vannak.
Köszönöm mindkettőtök segítségét.
Hát akkor szerintem ez lesz majd. Viszont a tamp1050-es az nekem már szerintem sok lenne. Lehet elég lenne a Tamp TA600 is.
Arra gondolj, hogy nem kell fejlesztened a közeljövőben, ha nagyobbat veszed.
Nem buksz a majdani eladás, ismételt vételen, műszakilag is jobb a nagyobb, hiszen ésszel hajtva nem torzít a vége felé akkorát, mint a kisebb tesó, s ezzel kíméli is a hangsugárzódat.
Végül is ebben igazad van.
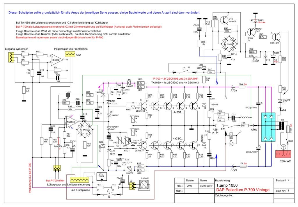
Amúgy ezek a végfokok bírják azt amit ráírnak ?Amúgy itt a T-amp fórumban olvastam hogy kicsit alul van méretezve ez az erősítő trafó és puffer szempontjából is. Erről mit tudtok nekem mondani? A puffer az annyira nem gond mert ha adott a hely azt megtudom toldani egy kicsit. Idézet onnan : "A leggyengébb láncszem egyébként is az a rendszerben 4x4700uF+800VA trafó.... "Lágyindító hiánya. "koppanásgátló noku gondolom."
Ahogy a képet nézem, van oldalanként védelmi relé a panelokon. Lágyindítást nem látok. A 4700-at, ha gondolod cserélheted nagyobbra.
A lágyindító nem koppanásgátló. A 800W-os toroid eléggé jól megtud rángatni egy 10A -es kismegszakítót indulásnál, utána már menni fog. Szerintem ez olcsón pótolható.
A koppanásgátló és DC védelem nélkül nem tudnám elképzelni használatban.
Ezt én is nagyon jól tudom hogy a lágyindító az nem koppanásgátló. Biztos félre olvastad.
Nem tudom mi is lehet ebben az erősítőben. Idézet: „"Lágyindító hiánya. "koppanásgátló noku gondolom."”
De ezzel én nem azt akartam mondani hogy a lágyindító egyenlő lenne a koppanásgátló. Amúgy ezt csak idéztem a T-amp fórumból akik ezt mondták hogy ezek nem találhatóak az erősítőben.
Szia! Átfutottam a rajzaikat. DC védelem, koppanásgátló van mindegyikben, a nagyobb teljesítményűek természetesen rendelkeznek lágyindítóval. Bővebben: Link Bővebben: Link
Szia! A T.Amp 1050 is tartalmaz lágyindítót. Itt az áramútban 2db párhuzamos (4-4 Ohm) NTC van, majd ezt 1-2 mp múlva áthidalja egy relé.
Nekem van ppa800-as sívám. T-amp is volt. Silverblade nem volt. E800-as t-amp-om volt abból ki jönnek a dolgok, de az nem való topra, TA600 az jóval kevesebbet tud mint az E800 sőt szerintem a TA1050 is. Síva még nem volt akcióba de ami nálam van PPA800 topon meghallgattuk nem volt vészes talán kicsit a teteje ami kevesebb, de egy EQ-val meg lehet oldani, E800-nak még ennyi közép magasa sincs és mégis használják topra. Nálam az eminence nem bírta amit ráírtak tiszta jellel sem, és nem azt mondom, hogy rossza hangszóró de az RMS teljesítményeket szerintem nem bírja mivel az RMS az szinusz és nem zene.
Az EMINENCE adatlapok annyiban legalább korrektek, hogy lehet belőlük számolni mindenfélét, és ha valaki tüzetesebben megnézi itt is kiderül, hogy minél nagyobb a doboz általában amibe tesszük, annál kevésbé terhelhető mélyben, mert eléri hamarabb a maximális kitérést. Szerencsére vennek ajánlott doboztervek is és azok tanulmányozásával rögtön feltünhet, hogy mire kell vigyázni. Még mindig a normálisabb gyártók közt van. A ráírt rms teljesítményt inkább csak néhány száz Hz felett tudhatja természetesen. (lásd. Sipos) Kevés gyártó adja meg a frekvencia függvényében a terhelhetőséget.. pl itt ott JBL, meg számolni lehet ha kicsit nehézkesen is az eminenceket is.
Még most sem azt írtam, hogy rossz hangszórók ezt már nem tudom elmagyarázni jobban, hogy nem azt mondtam, kérlek értsd meg. A tapasztalataimat mondtam el, megfelelően csillapított ládába volt, limiterrel fogva a szett. Ott van pl az eminence beta 15. 2" lengő van benne nem túl vastag dróttal. Érzékeny használható hangszóró de.. 300W RMS-t nem hiszem, hogy kibírna, mert ugye az RMS szinusz és nem zene. Ha megnézed még az omega pro 18-at 800W RMS és 1600W programba. Aztán nézd meg mekkora a hűtése a hangszórónak. Ekkora teljesítménynél már komoly a hőveszteség és nincs úgy kialakítva a hűtése mint egy hasonló kategóriájú RCF-nek. Viszont az biztos, hogy árkategóriájába nem rossz, és az omega pro 18 400-500W szinuszig biztosan tartósan is használható, ami már nem rossz szerintem.
Ebben egyetértünk ilyen módon
omega prora én is azt szoktam mondani, pedig 4 collos lengője van, hogy kb 500W A lengő mérete is eléggé fontos nálam is megitélés szempontjából meg persze a hütés kialakítás is. Volt olyan hangszóró, hogy megégette a kezem egy rendes koncert után a mágnes
Sziasztok! Van 1 nagy problámám!
Ha néha egyből hozzáérek a keverőhoz ami az asztalon van akkor elkezd 1 imulzusnyit recsegni a hangszóróm Sajnos a házban nincs védőföld vezeték. Az erősítőt én csináltam a hangfalaimhoz, és a dobozra GND van kötve. Kitaláltam azt hogyha nincs védőföld akkor a keverő GND csavaros csatlakozására kötök egy rézhuzalt, amit rákötök a központi fűtés vezetékére, enyhűlt a probélma de nem múlt el teljesen. Mit tehetek? Nem szeretném tönkreverni a hangfalaimat mert sokba kerültek?
Sziasztok!
Volt-e már valakinek dolga olyan usb hosszabbítóval aminek cat5-ös utp-n volt összekötve a két vége? Azért kérdezem, mert a feladatom, hogy egy raktárhelyből van egy terem helység hangosítva, itt van egy laptop, egy keverő, meg a végfok. A következő kérés érkezett: kintről kell egy másik laptopról, amiről vetítenek is projektorral, hogy a hangja ki legyen hangosítva a terembe. A laptop és a keverő 50m-re vannak. Kint van valamilyen légtechnikai mérőmű ami a gépre logol dolgokat, hőmérsékletet, stb. és az usb-n egy ilyen toldóval van bekötve. Ha én megfordítom, azaz az adó és vevő dobozt felcserélem, és a kinti gépről bejövök ide, ahol a keverőn van usb bemenet, amit hangkarinak lát a gép és ki/be tud küldeni rá jelet, arra rákötöm, akkor az nem lesz ócska minőségű? Földhurok elvileg nem lehet, mert a hosszabbító galvanikusan leválasztja az usb-t nem? Van valakinek ilyesmivel tapasztalata?
Szia!
Elég sokféle minőségi színvonal van jelen a piacon ilyen usb extenderekből. Nekem alapvetően jó tapasztalatom van velük, bár leginkább nyomtatóknak hosszabbítottam ilyenekkel usb-t. Szerintem nagy eséllyel működni fog a dolog. Majd jelezz vissza, kíváncsi vagyok.
Húúú, ezt majd légyszíves mégegyszer, de kicsit egyszerűbben felvázolni. Különös tekintettel a hangkapcsolatra, mert ha jól értem akkor erre vonatkozna a kérdés lényege...
Hol van beiktatva utp kábel? az usb hangkariba? vagy ? Mert a laptop-usb hangkártya-erősítő kacsolatot nem nagyon érdekli a külső eszköz mérőműve és egyebek. Viszont az usb hangkártya-erősítő közti kapcsolat lehet zajos a két eszköz galvanikus kapcsolata miatt. Erre viszont vannak megoldások.
Visszajelzés: Beszereztem a megfelelő hiányzó láncszemet, egy usb A B kábelt, majd pénteken ki is próbáltam. Az első probléma ott volt, hogy ismeretlen eszközként látta a laptopom a pultot. Kezdtem kétségbe esni, majd kipróbáltam egy usb-s egérrel. Az egér fel-fel villant, ebből gondoltam, hogy kevés a táp 50m vezetéken át. Ezután vettem észre egy kis takaró fedelet az egyik (anya) végén, ami egy dc tápcsatit takart. Itt megtámogattam egy 5V-os adapterrel, majd láss csodát, az egér szépen világított, és még kattintottam is vele. Ezután visszakötöttem a keverőre, és azzal is működött. A hangja is jó volt, hál' istennek a földhurokkal sem volt gondom, élesben majd hétfőn fog vizsgázni, de nem lesz vele gond. (Ezt gyorsan lekopogom)
Szpisti: A dolog úgy néz ki, hogy lehet kapni ilyen kütyüt (mellesleg most nézem, pont ilyen van ott is ) és ez ugye egy usb toldó, amit "bármeddig" tudsz toldani. Van egy keverőpult (Allen&Heath ZED sixty 10fx, ha érdekel) és ezen keresztül van bekötve 2 URH miki, egy helyi laptop, és egy cd dekk, ebből pedig a termet meghajtó erősítők. A kérés az volt, ugye, hogy a termemből tudjanak hangot adni az eseménynek. Onnan bevinni a keverőig a vonal jelet iszonyatos zavar lett volna. Erre jött az öletem, miszerint a keverőn van egy usb csati, ami egy hangkártya tulajdonképpen, mert ki tudom választani, hogy a main meg a record közül mit küldök ré, amit pedig valamilyen programmal fel tudok venni, vagy, amit most kihasználok, egy külön csatornára lehet küldeni hangot. Az usb toldás történik ethernet kábelen, ami ki volt húzva egy kézi mérőberendezéshez, ami adatokat küldött a helyi laptophoz. Ezt most kiiktattam, és az usb toldó adó és vevő végét felcseréltem, hogy hogy kint legyen az apa vége, bent az anya végén pedig a pult "lóg". Remélem így érthető volt.
Köszönöm a részletes leírást.
Ha az az usb Cat5 extender leválaszt galvanikusan tényleg, akkor elvileg lehet szerencséd. De azért kicsit szkeptikus vagyok még mindig ![]() Szurkolok Neked, és kíváncsi vagyok a tapasztalatokra. Hasonló hangosítási és projektorozási kérdések nálunk is felmerültek, de azokat direkt kábelezéssel sikerült megoldani.
Sziasztok!
Olyan kérdésem lenne, hogy a grafikus eq-mat inzert kábellel szeretném rákötni a keverőre, de az eq be és kimenete a jack-en is szimmetrikus. Tudtommal a szimmetrikus kimenet negatívját nem szabad rövidre zárni, de az inzert kábel azon része mono jack. Az is kérdésem lenne, hogy hallottam olyanról, hogy a mikrofonoknál a gnd-t érdemes kikötni, vagy ez csak kondenzátor mikrofonoknál van? A mikrofon vagy a keverő felőli részén kell ezt megtenni? Sokszor látom azt is, hogy a földhurok elkerülése végett a gnd-t megszakítják a kimenetnél. Ezt lehet alkalmazni mindegyik eszköznél? A hozzászólás módosítva: Feb 24, 2014
Nos, a kábel ötösre vizsgázott, volt egy kis nehézség az elején, mert ugye az én windowsos laptopommal azonnal indult, de a vetítés egy mac gépről ment, Azokat eleve nem ismerem, és az azt kezelő hölgyemény sem állt a helyzet magaslatán vele, úgyhogy kb 20 percbe telt mire felfogta a gép, hogy amit én most beledugtam az inkább egy kimenet mintsem egy ismeretlen eszköz. Nem szeretem az eppölt... Ezt leszámítva minden hibátlanul működött, semmi zavar nem volt.
Összegzésképpen, ha a keverőn van ilyen bemeneti lehetőség, vagy esetleg egy usb hangkari amit már rá lehet kötni a keverőre, és több méterről kell zenét lejátszani, nagyon érdemes beszerezni egy ilyen kábelt hozzá.
eppöl ügyben is egyetértek
Köszi hogy megosztottad a problémát, és a kivitelezést is mellé. Számomra legalábbis hasznos volt, magamtól eszembe nem jutott volna hasonló megoldás hang ügyben. Pedig használok én is usb meg fw keverőt és hangkártyát is.
Sziasztok ! Azt szeretném kérdezni ,hogy rendelkezünk egy Dynacord Dsp 260 rendszer processzorral meg egy pioneer djm900 nexus keverővel. Nos a gond az ,hogy szeretnénk digitális kapcsolatot létesíteni a kettő közt , viszont a keverő S/Pdif szabványú a processzor meg AES szabványú. Valakinek nincs-e véletlen valami ötlete , esetleg egy rajza amivel meglehetne oldani a szint illetve az impedancia illesztést a kettő közt . Annyit tudok a dologról ,hogy normál OPA-val való szintillesztés nem hozott sok sikert.
Válaszotokat köszönöm! Dávid
Szimmetrikus jelnél .. Ha szimmetrikus KIMENET és aszimmetrikust szeretnél, akkor a negatívot nem kötöd be. Ha a BEMENETED szimmetrikus és a jel aszimmetrikus akkor testre kötöd a negatívot. Nem a kimenetnél szakítják meg a testet szerintem, hanem inkább az eszköz földelését szokták megszakítani, a hálózatnál. Ja és még valami. Ha szimmetrikus kimeneted van ami JACK, abba ne dugj bele csakis stereo jack-et, mert ha mono jack-nél a negatívot rövidre zárod.
Kicsit konkrétabb leszek.
Dbx 231-es EQ-t szeretnék inzert kábellel összekötni a keverővel a keverővel. Az EQ-n a jack be és kimenet szimmetrikus, viszont az inzert kábelnek az a fele mono jack. Ezek szerint így nem lehet összekötni? Olyan inzert kábelt még nem láttam, aminek az a fele sztereo és a ring nincs bekötve. A keverő leírásában a 13. oldalon az alsó képen a gnd-t megszakítják. Erre gondoltam a másik kérdésemben. Több manual-ban is láttam ezt az ajánlást. Bővebben: Link |
Bejelentkezés
Hirdetés |





Amúgy ezek a végfokok bírják azt amit ráírnak ?
Sajnos a házban nincs védőföld vezeték. Az erősítőt én csináltam a hangfalaimhoz, és a dobozra GND van kötve. Kitaláltam azt hogyha nincs védőföld akkor a keverő GND csavaros csatlakozására kötök egy rézhuzalt, amit rákötök a központi fűtés vezetékére, enyhűlt a probélma de nem múlt el teljesen. Mit tehetek? Nem szeretném tönkreverni a hangfalaimat mert sokba kerültek? 




