Fórum témák
» Több friss téma |
Fórum » Inverteres hegesztőtrafó
csak hogy teljes legyen a dolog visszaraktam a 100ohmot a helyére és meg is döglött a pwm ic
úgy érzem felfüggesztem a dolgot egy darabig
megvan a ludas bár későn egyenlőre pwm ic nélkül maradtam
Az egyik igbt-m valamiért vezetet így a hidamon fojt 240 ma áram vezérlés nélkül. sajnos ismét egy hét mire lesz új alkatrész
Érdekes dolgok történnek ott.
Ha 100 ohm van sorba a kimenettel akkor ott zárlat esetén sem tud 150mA-nél nagyobb áram folyni, azt meg az IC kimenete kacagva elbírja. De hogy mondjak mást is, direktben is meg tudja az IC hajtani a gate trafót, kipróbáltam. A tranyók biztos ami biztos alapon lettek berakva, hogy ha bármi gond lenne az IC akkor se menjen tönkre, mert 1-2 tranyót csak könnyebb pótolni a fiókból mint egy pwm vezérlőt. Hozzáteszem nekem eddig egyet sem sikerült tönkretenni belőle, de mástól sem hallottam még ilyet.
A trafó méretezéséhez nem muszáj az UCC-re várni, meg lehet hajtani egy 494-el is. A különbség annyi, hogy annak emitter vagy kollektor kimenete van, az UCC-nek pedig elvileg komplementer fetes, tehát máshova kell és más értékű ellenállást rakni.
Nem tudom mi okozhatta a problémát az IC nél kerítettem még egy SMD változatot az is meghalt a 100Ohm nál a vicc tényleg az hogy a 24ohm nál nagyobb áram fojt a kimeneten még is bírta. már cseréltem BD tranyókat is hátha az a ludas már csak a tápfeszre tudok gondolni.valami tüske lenne és az nyírná ki? amikor nagyobb áram folyt a kimeneten lehet jobban leeset a fesz és azért bírta?ez már csak mind találgatás . minden esetre rendelek 2 IC t hátha azzal majd addig míg megérkezik átnézem a meghajtó áramkört.még annyi hogy az igbt-k helyett 10NF os kondik voltak beforrasztva akkor is eltünt a pwm jel mindaddig míg a 2 db 100ohmot nem cseréltem 24 ohm-osra.
Na megnézem van e belőle aszem találok valamelyik tápban.
Van jelentősége hogy ucc 2808 vagy ucc3808 ?
Igen. A 38xx nem működik 0 Co alatt, a 28xx pedig akár -40 fokig is. Ezzel csak annyi baj van hogy a nagykerek általában a 28xx-ből nem tartanak DIL tokot csak SMD-t.
Meg ugye az sem mindegy hogy a -1 vagy a -2 jelölésűt veszed meg. A -2 jelölésű már 4V körüli tápfesszel is működik ami ide nagyon nem jó (egyéb kiegészítő áramkör nélkül), ezért a -1 jelölésűt kell megvenni, ami leáll ha 8,3V körülinél kevesebb tápfeszt kap. De ezek a dolgok le lettek már néhányszor írva, és az IC adatlapjában is megtalálhatóak. Még mindig nem tetszenek olvasni. A hozzászólás módosítva: Márc 13, 2014
Szerintem nekem a -2 es verzió volt benne
és ezért okozott galibát. igazad van nem olvastam most vissza. Bocs hétfő kedd magasságába lesz IC-m majd akkor fojtatom Az ic két lába közé nem érdemes egy zenert beforrasztanom? Vcc és GND közé?
még annyit akartam kérdezni hogy a szabályzó potméternél melyik megoldással kössem be?
Most jelenleg az eredeti rajzon szereplő 100 ohm potméterrel megvalósított kapcsolás van kialakítva de még elég könnyen átalakítható arra a megoldásra amit nem rég raktál fel egy 4,7 kohm potival
"Az ic két lába közé nem érdemes egy zenert beforrasztanom? Vcc és GND közé?" Semmiképp.
- Az nem okoz galibát egészen addig, amíg hegesztés közben nem megy el az áram.
- Az IC-ben van belső zéner (adatlap!), tehát nem kell rá kívülről még egy. Egyébként meg van, az állítja elő a segédtápot az áteresztőtranyóval együtt. - A poti bekötése az építők fantáziájára van bízva, mint ahogy az egész kapcsolás is.
Volt párszor itt téma az inverteres co gép. Van 5db ilyen gépem. Teljesen új mindegyik, nem tartalmaz mikrokontrollert. MMA módban hegeszt tökéletesen 180A-el, áramot lehet szabályozni, de nem mindegyiknél. Co módban nem működik jól, van amelyik hegeszt, de van amelyik nem. Vezérlés egy részéről van gyári rajzom. Akit érdekelnek a gépek keressen privátban.
Készen van a 2. inverteres hegesztőm deszka modellen (az 1. már nem tudom hol van mert apu elvitte kipróbálni de nem hozta még vissza).
Eddig működik mint pálcás hegesztő, E55 főtrafóval, 11A vesz fel, körülbelül 90A re állítottam be az áramot. A lényeg hogy a poti helyett az áram szabályzó egy PIC18F452 , mivel lehet ezt építem tovább AWI hegesztőnek, ha lúd akkor legyen kövér váltakozó áramú lenne, a továbbépítésben beépítek a kimenetre egy 150A-es IGBT hidas modult, meg megcsinálom az optocsatolós híd meghajtót amit szintén a PIC kapcsolgat. Láttam kapcsolásokat IR IC-vel de nem tudom azok jók-e mert úgy olvastam hogy a híd kapcsolóelemeit nem szabad holtidővel váltani kell átfedés, zárlat nem lesz mert ott van a fojtó meg az áramgenerátoros szabályozás. Tudna valaki abban segíteni hogy a legprofibb gyári awi gépeknek milyen funkciói vannak, milyen beállítási lehetőségek szám szerint mer akkor tudnám a szoftver írását folytatni a PIC-ben, még csak a leragadás védelem, áram szabályozás, bekapcsolási szekvencia van készen.
Szia!
A legprofibbak már szoftver vezérlésűek, programozhatóak, a gyári algoritmusok mellett szinte minden elméletben létező paraméter beállítható, egyéni beállításokat is lehet csinálni, elmenteni, memóriakártyán tárolni, stb. Használtan venni is horror költség, nemhogy még építeni ![]() Ha saját célra szánod csinálj hozzá pl: egy masszív árampedált, impulzus üzemmódot 0,5-20Hz -ig alapáram és impulzus áram beállítással, HF gyújtást, elő-utógáz szabályzót 1-10sec -ig, meg amit még szükségesnek tartasz.
Konkrétan milyen IGBT-ket használsz az AC hídhoz?
Frekiszabályzós lesz az AC mód, pl 10-100 Hz? Hogy érted az "átfedést"? Csak négyszögben fog menni, vagy egyéb hullámformákkal is? Megfordult a fejemben hogy az MMA gépemhez csinálnék egy AC TIG egységet külön dobozban, de nem tudom mi sülne ki belőle. A hozzászólás módosítva: Márc 16, 2014
Alu hegesztéséhez 40A számolnak miliméterenként (anyag vastagság) ,ez 6 mm-es anyagig igaz,utánna elő szokták melegíteni.Bassmester jól leírta milyen funkciók állíthatók egy komolyabb gépen ,napi szinten használok TIG-et ,ami álltalam elengedhetetlen funkció,gáz elő -utó futás,balansz,na meg persze áram erősség állítás,a többi dolog jó hogy van a gépen,de szerintem egy házi gépet teljesen felesleges ,persze attól függ mire szeretnéd használni.Az IR -ic kapcsolással én is szemezek,de nekem túlbonyolult a vezérlése ,sok álltalam későbbiekben nem használt funkcióval.Nekem elég volna ha csak a balanszot lehetne állítani,ha van valami ötleted szivesen venném.
Szia! A balanszot a gyakorlatban milyen tartományban kell állítgatni?
Ez ugye a félhullámok amplitúdó arányát jelenti?
A gépen fel van tüntetve a wolfram vastagság 1.6-tól 4 mm -ig,ezzel gyakorlatilag az ívet húzod szét ,illetve össze.Hogy , félhullámok amplitudóját állítja e nem tudom.A középső pot. állítható
Az igbt IFS150B12......, 1200V/150A, még így is a vezetési vesztesége 100A nél több mint 300 W ami hűtőborda szempontjából sem kicsi.
Négyszög jel, egy gyári gép adatlapja alapján a balansz -50% +30% tartomány, az átfedés hogy amikor az alsó igbt kikapcsol nem késleltetve kapcsol be a felső. Sajnos már most vannak gondok a gyújtás szikrájától lefagy a proci (sejtettem) most építem a gyújtást egy pc táp dobozába mint árnyékolás, ilyen gépbe jobb a cmos IC-vel felépített logika. A balanszos négyszög jelet frekvencia változtatással akár egy cd4093 ic-vel is könnyen megoldható. A hozzászólás módosítva: Márc 16, 2014
Megy a gyújtás AC módban koppintósan is,egyedűl sarok varatoknál problémás,ha csak ez a gond. Megrajzoldád nekem, ha megkérlek pontosan hogy nézne ki a vezérlés CD 4093-al? Kösz!
Rajzoltam is egyet de csak akkor teszem fel ha valaki szimulátoron ki tudja próbálni.
IR IC helyett egyszerűbb fet meghajtó optocsatoló, ekkor a felső oldali igbt-hez kell lebegő táp, ez lehet hagyományos transzformátor de lehet egy mini flyback konverter több szekunder tekerccsel. Előnye hogy szatikusan is kapcsolható így kimenetre dc-t lehet rakni akár polaritás váltással is.
3V esik az igbt-n a 100A-es bekapcsoláskor? Akkor az 30 mOhm -os. Keresni kell helyette egy megfelelőbb eszközt.
A 3 V az 2x1,5V mivel H híd így egyszerre kettő van vezetésben, így már nem is olyan rossz, ugyanezt 6x4=24 darab mezei IRFP250 FET-tel tudnám megoldani.
A hozzászólás módosítva: Márc 16, 2014
Mekkora feszültség tűrésű fetek kellenek egy ilyen hídhoz?
Nem elég egy kicsivel a max üresjárati fezültség fölé méretezni? Ha 100V elég, akkor pl az IRFP 4468 ütős lenne.
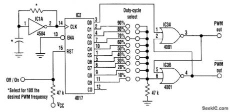
Találtam egy kapcsolást lerajzolva a neten amivel lehet változtatni a frekvenciát az R* ellenállással sorba kötött potival lehet változtatni, illetve 10% lépésben a kitöltés változtatható ellenütemű kimenettel.
Nem tudom lehet vannak ott nagy tüskék is. Az előbbiekben erre utaltam hogy ha holtidővel van kapcsolva a hídág akkor a fojtón megszakad az áram ez miatt egy feszültség lökés keletkezik rajta.
A balansz szabályozást hogy oldanád meg?
Ehhez a pozitív és negatív félhullámok arányát kéne változtatni a híd kimenetén. Én csak úgy tudom elképzelni, hogy külön-külön a két félhídba bekapcsoláskor "beleszaggatunk" mondjuk 1-2 kHz -es pwm-mel, mindig csak az egyik félhullám kitöltését módosítva. Jó lenne oszcilloszkóppal vallatóra fogni egy komolyabb gépet...
A pwm jel kitöltésének az 50%-tól való eltérését hívják balance-nak, ez a rajz bizonyítja.
Viszont máshol olvastam hogy a polaritás váltáskor kell gyújtó impulzust adni, ellenben kialudna az ív? |
Bejelentkezés
Hirdetés |




Ha 100 ohm van sorba a kimenettel akkor ott zárlat esetén sem tud 150mA-nél nagyobb áram folyni, azt meg az IC kimenete kacagva elbírja. De hogy mondjak mást is, direktben is meg tudja az IC hajtani a gate trafót, kipróbáltam. A tranyók biztos ami biztos alapon lettek berakva, hogy ha bármi gond lenne az IC akkor se menjen tönkre, mert 1-2 tranyót csak könnyebb pótolni a fiókból mint egy pwm vezérlőt. Hozzáteszem nekem eddig egyet sem sikerült tönkretenni belőle, de mástól sem hallottam még ilyet.















