Fórum témák

» Több friss téma
Fórum » Erősítő mindig és mindig
Mielőtt kérdezel, a következő két dolgot ellenőrizd! I. A helyes tápfeszültségek megléte. II. A kimeneten van-e egyenfeszültség. Élesztés.
Lapozás: OK   1523 / 2574
(#) kolbika hozzászólása Márc 19, 2014 /
 
Sziasztok!Nézzetek rá erre a kapcsolásra legyetek szívesek! Szeretném megépíteni.A kérdés érdeme e és jó lesz e.

Köszönöm!
(#) szamóca válasza elektros90 hozzászólására (») Márc 20, 2014 /
 
Pszichoamplifikált egyéneknél a minél márkásabb, szebb, drágább.
Itt le is írják mi kell neked.
(#) Mayan hozzászólása Márc 20, 2014 / 1
 
Sziasztok, ez itt a legújabb építésem, a Graham Dicker féle digi-125. Az eredeti az Electronics Today International című magazinban jelent meg, 1989 májusában. A diyaudio fórumban van topicja, az ott olvasott infók alapján módosítottam és építettem meg. Műszakilag itt-ott kifogásolható, de semmi probléma nincs vele sem nekem sem másoknak. A hangja nagyon tiszta, teres, dinamikus, nagyon jó mélyekkel és finom, szép középtartománnyal. Meglepően jó tehát, főleg az egyszerűségéhez képest. Az építésnél be kell tartani pár szabályt és akkor nem lesz semmi zaj vagy gerjedés. A nyugalmi áram nekem így 24mA csatornánként, és 5mA-t nő bemelegedve. Amúgy a B és az AB osztály határán működik.
A hozzászólás módosítva: Márc 20, 2014
(#) elektros90 válasza szamóca hozzászólására (») Márc 20, 2014 /
 
Igen, ilyesmit már olvastam, csak a biztosítékról...
"Az arany szálas biztosíték a legjobb, mert gyorsabb az áram. Kábelnak is legjobb minőségűnek kell lenni, mert a biztosíték előtt és után lassítja az áramot. Amit természetesen hallani is... A legjobb hangminőséget akkor érhetnénk el, ha közvetlenül az erőműből táplálnánk."
Eme szöveget egy cseh fórum hozzászóllásból idéztem. Némi igazság tartalma lehet az elejének, de nem ebben a formában. Senki se vegye komolyan!
(#) kolbika hozzászólása Márc 20, 2014 /
 
Kérlek segítsetek!

Van pár alkatrészem szétszórva. Néhány műveleti erősítő, kondenzátor halmok,ellenállás kupacok.És egy 2x12V 16vA trafó.Szeretnék valamilyen erősítőt összehozni velük.Van valakinek egy jó kapcsolási rajza?Tudom tág így egy kicsit a dolog, de előre is köszönöm!
(#) pjg válasza kolbika hozzászólására (») Márc 20, 2014 /
 
(#) kolbika válasza pjg hozzászólására (») Márc 20, 2014 /
 
Átolvasom közönöm!
(#) rehakpeter16 hozzászólása Márc 21, 2014 /
 
Végre kész lett az erőssítőm.
Szerintetek hogy fest ?
(#) blasz válasza rehakpeter16 hozzászólására (») Márc 21, 2014 /
 
Szia és mi a lelke az erősítődnek?
(#) rehakpeter16 válasza rehakpeter16 hozzászólására (») Márc 21, 2014 /
 
Ja és így fest működés közben
Bővebben: Link
(#) rehakpeter16 válasza blasz hozzászólására (») Márc 21, 2014 /
 
TDA 7250
(#) blasz válasza rehakpeter16 hozzászólására (») Márc 21, 2014 / 3
 
Mint a karácsonyfa,de jó
(#) pjg válasza rehakpeter16 hozzászólására (») Márc 21, 2014 /
 
Hogy szól?
(#) rehakpeter16 válasza blasz hozzászólására (») Márc 21, 2014 /
 
Már csak a díszek kellenek rá
meg a tetejére a csillag
(#) blasz válasza rehakpeter16 hozzászólására (») Márc 21, 2014 /
 
Nem rosszból mondtam,csak nekem már sok a fény.
(#) rehakpeter16 válasza pjg hozzászólására (») Márc 21, 2014 /
 
szép tiszta hangja van , igaz ebben szerepet játszik a pioneer hangszóró is
(#) rehakpeter16 válasza blasz hozzászólására (») Márc 21, 2014 /
 
Én sem bántásnak szántam

Én szeretem a ritmusra villogó/"mozgó" effekteket
(#) blasz válasza rehakpeter16 hozzászólására (») Márc 21, 2014 /
 
Semmi baj nincs ezzel,ki mit szeret...
(#) Robi1989 hozzászólása Márc 21, 2014 /
 
Sziasztok!erol mi a velemenyetek?
(#) cruisher hozzászólása Márc 21, 2014 /
 
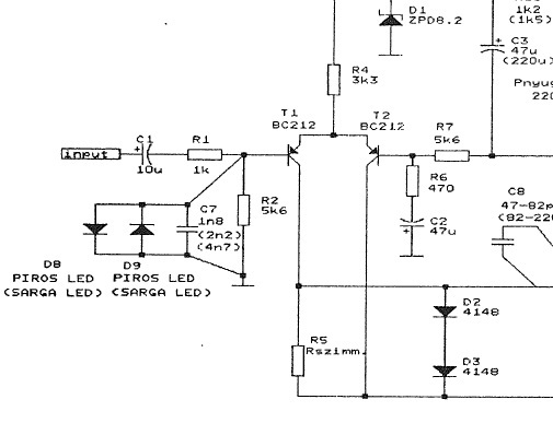
Sziasztok!

Csatoltam egy rajzot amin egy végfok bemeneti része van kivágva. Egy érdekes megoldást látni rajta, mégpedig hogy R2 ellenállással párhuzamosan van kötve egy kondi és 2 szembe fordított led. Mi célt szolgálhat ez a két led?
(#) pjg válasza cruisher hozzászólására (») Márc 21, 2014 / 1
 
A bemenő feszültséget korlátozza a LED nyitófeszültség szintjére. Kb. 2V-ra.
(#) Alkotó válasza rehakpeter16 hozzászólására (») Márc 21, 2014 /
 
Nekem ez küllemében túlzás. A belsejéről nem látok fotót, pedig az sokkal izgalmasabb.
(#) reloop válasza Robi1989 hozzászólására (») Márc 21, 2014 /
 
Szia! Elvi hibát nem látok benne, valamilyen szinten biztos működik.
(#) Tiggey válasza Robi1989 hozzászólására (») Márc 21, 2014 /
 
Üdv! Az előttem megszólaló szaki szerint életképes, én meg csak annyit fűznék hozzá, hogy nem nagy költségvetésű az egész, egy próbát megér. Lehet az egyszerűségében van a "nagyszerű"-sége.
(#) reloop válasza Tiggey hozzászólására (») Márc 21, 2014 /
 
Szia! A végfok standard kvázi-komplementer kapcsolás, azzal nincs is baj. Bosszantó, hogy a szerző a csillagpontos testkialakítás szabályaira fittyet hány. Ezzel a grafikai megjelenéssel közölt kapcsolások némelyike elég problémás ilyen szempontból, tárgyaltuk már.
(#) kolbika hozzászólása Márc 22, 2014 /
 
Sziasztok!Nézzetek rá erre a kapcsolásra legyetek szívesek! Szeretném megépíteni.A kérdés érdeme e és jó lesz e.

Köszönöm!
(#) Beringer 600 válasza Robi1989 hozzászólására (») Márc 22, 2014 /
 
Szia!
Hát ennek a kapcsolásnak a végfok részét már össze raktam,de nem igazán vált be.
Eléggé sérülékeny,és nem szép a hangja.
(#) Beringer 600 válasza Robi1989 hozzászólására (») Márc 22, 2014 /
 
Inkább ezt ajánlom,de van ennek ilyen változata is.
A hozzászólás módosítva: Márc 22, 2014
(#) Robi1989 válasza Tiggey hozzászólására (») Márc 22, 2014 /
 
Az a lenyeg keves penz es egyszeru ugygondolom a jovo heten nekilatok az alkatreszek beszerzesenek!
(#) Robi1989 válasza Beringer 600 hozzászólására (») Márc 22, 2014 /
 
Mijen gondok voltak melegszik nagyon?Ez is tetszik es ez sem draga
Következő: »»   1523 / 2574
Bejelentkezés

Belépés

Hirdetés
XDT.hu
Az oldalon sütiket használunk a helyes működéshez. Bővebb információt az adatvédelmi szabályzatban olvashatsz. Megértettem