Fórum témák
» Több friss téma |
Amit leírtam tanulóként írtam, nem építettem hasonlót. Infókat gyűjtök a működésről és az általam megépített kütyű működését és a tapasztaltakat megszeretném osztani Veletek. Minden hozzászólást szivesen fogadok. Köszönöm.
A hozzászólás módosítva: Ápr 22, 2014
Idézet: „Amit leírtam tanulóként írtam, nem építettem hasonlót.” Ezzel semmi gond,támogatom,ha valaki új irányvonalakat próbál követni,szükséges lehet a továbbgondolás,újítás,új elképzelések bevezetése. A legyengülést más dolgok is előidézhetik,rossz érintkezések,korrodált csatlakozók,és hasonlók.A páraképződés is hatással van a készülékre,főleg a belsejében.Szerintem olvasd át a fórumot,rengeteg infót találsz az áramköri megvalósításra és a gyakorlati kivitelre is,jókat is meg kevésbé jókat is láthatsz.
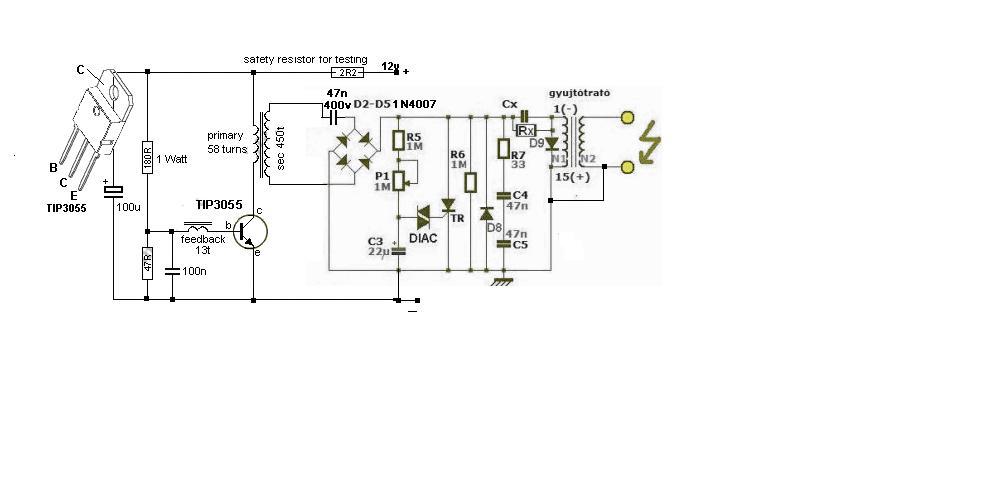
Helo.Azt szeretném megkérdezni,hogy az alábbi kapcsolásban a gyújtó tekercsel (primer)párhuzamosan lévő diodának mi a szerepe??köszönömkapcsolás
Szia! Lehet, hogy a trafó visszarugásait fogja meg.
Szia.Köszi .Annyit vettem észre bekötésekor mintha*levágta* volna a szikrát egy BY500 próbáltam.
Szia! Szerintem jól látod. Én ezzel az inverteres kapcsolással nem békülök egyenlőre ki. Ja amit feltettél az nem inverteres, de gondolom innen jött. Hatásfoka nem tetszik, de ez csak egy dolog. Van benne egy kiszáradásra itélhető kondi is a működés idejéből adódóan. Mielött bárki lehurrogna, egy kis megértést kérnék. Csak agyalok rajta én is, hogy lehetne költséghatékonyan és energiatakarékosan építeni egy más kapcsolást. A fórumon fentlévő kapcsolások biztos jól működenek, ne tessék engem, illetve újító szándékomat félreérteni. Ha rosszat írtam, akkor majd a modikkal töröltetni fogom.
Szép estét. A hozzászólás módosítva: Ápr 23, 2014
Sziasztok. Egy ideje használom már ezt a kapcsolást. Teljesen jól működik csak jó lenne kiegészíteni egy impulzust jelző ledel. Hogyan és hová köthetem a ledet, hogy jól működjön. Segítséget előre is köszönöm.
Üdv!
Megcsináltam az Oldman féle kapcsolást. Nagyon jól működik, egyszerűen megépíthető, olcsó és megbízható villanypásztor áramkör. Annyi a plusz benne, hogy raktam visszajelző LED-et a betápra és az impulzusra, hogy lássa az üzemeltető, ahogy "dolgozik" a masina. Rakok fel pár képet, hátha valaki kedvet kap az utánépítéshez. Ha kell fel tudom rakni a NYÁK-tervet is .lay formátumban.
Szia! Szerintem a Diac és a Tirisztor Gate-je között kellene levenni azt a 30 pár VDC-t és egy ellenálláson keresztül a GND-re kötni egy LED-et. Csatolom a gondolatom.
Szia.Szép munka ,gratulálok.
Szia. Köszönöm! Nem volt időm rá megcsinálni annyira precízen, mert csak egy estém volt rá, de igyekeztem azért.
Szia mindenki .
Kettő típusból hoztam egyet össze a tanácsotokat szeretném kérni ,benne.C x hez ha 20 uf kondít rakok mekkora a távolság amit letudok keríteni .Köszönöm a segítséget..
Szia .
Köszönöm a választ és ilyenkor mi a teendő a kb 20km pásztort szeretnék csinálni..
Szia! Olyan engem is érdekelne! Az itteni rajzok ilyet nem tudnak!
Sajnos a kocsi trafóval nem jó kb 500 métert tudta kicsalni! Ha valaki megmondaná hogy mint lehetne nagyobb trafót csinálni esetleg paraméterek is lennének jó lenne! Sok tekercselő ismerősöm van.
Ezeket a sorokat a fórumról mentettem le, de még nem csináltam meg: "fogsz egy 20-30mm átmérőjű csövet
megtöltöd sima mezei vashuzallal, de úgy rendesen hogy az utolsókat már úgy kelljen beleverni az egész legyen 8-10cm hosszú vágj egy másikat azt hagyd üresen, és fogasd be pl két müa pezsgősdugót átlukasztva egy menetes szárral a fúrógépbe, ha van tekercselőd akkor pesze inkább abba 1mm es zománcozott huzalból ~ 300menetet tekerj fel majd megfeleő szigetelő papírral, vagy ha nicns akkor szigetelelő szalagot vagy cellukxot legalább 2-3 rétegben rátekersz, ez a szekunder ebből jön majd a nagyfesz, a primer amire a kondit fogod sütögetni ami 400V ra van feltöltve meg szépen valami jó vastag huzalból mundjuk a villanyászok által hsznált 1-2.5mm2 es müa szigetelősű huzalból teker 6-10menetet , ez a tekersz a másik közepére essen! ezután a már megtömött csövet odailleszted a másikhoz és ha szerencséd van 1 mozdulattal áttolod a vasakat a megtekertbe, a tekercseket rögzíted és mehet a buli legalább is én így tekertem meg, és igen izom szikra jött ki belölle, nem nagy de az elég ütős volt, mondjuk majd jövőhéten jön meg a tesztpanel, akkor fogom folymatos üzemben kipróbálni".
Hát lehet nem vagyok most túlságosan képben vagy már hulla fáradt de ez nem világos nekem teljesen!
Gondolom ez a kisebb igényű home made verzió leírása
Szia! Tudsz feltenni képet, hogy mekkora szikrát ad?
Zosza a Tiéd is érdekelne, már a szikra nagysága. Köszi.
Szia! Nem tudom sajnos megmondani neked, mert én csak a "belét" csináltam meg, a tulaj akasztotta rá magának a gyújtótrafót. Lada trafó van rajta és azt mondta, hogy kb 200m-es kerítésen, fél erősségen és impulzuson, szerencsétlen kutya nyüszítve kúszott el. Ebből következtetek, hogy elég jó.
Szervusztok .Próbálok megjavítani egy Villanypásztort.
Típusa : AHV 2005 Magyar gyártmány de sajnos nem indul el az oszcillátora. De a tranzisztor az nagyon melegszik már egy tönkre is ment.Kicseréltem az összes félvezetőt benne. A benne levő hálózati transzformátor leégett így került már hozzám. Ezért külső tápról próbálom, de több Ampert vesz fel. Ha beindulna az oszcillátor akkor valószínű az áramfelvétel is helyre billenne. A tranzisztor TIP 122 re cseréltem Kb 100szor csatlakoztattam és csak egyszer volt hajlandó elindulni az oszcillátor akkor 340 Voltra töltötte fel a kondenzátort Ha valakinek van valami ötlete hogy miért lett ilyen instabil az indulása az oszcillátornak . Ahogy olvasgattam a netet úgy látom hogy sokaknak éget már le a transzformátora mert nem indul el az oszcillátor.A kapcsolási rajzot csak valószínűsítem hogy erről van szó mivel összehasonlítottam a panellal és úgy találtam hogy egyezik . Nem akarom át alakítani így szeretném feléleszteni mivel MAGYAR termék . Minden esetre köszönöm előre is a válaszokat .
Szia .
Nézd meg C2=100nF kondenzátort , de ha nem ő a hunyó, akkor valószínűleg leégett a TR2 transzformátor L1-es primer tekercse, de az L2-L3 se biztos hogy megúszta. Szóval lehet hogy újra kell tekercselni az egész fazékmagot .
Szia.Nincs ősszecserélve a L2 tekercs végei? esetleg egy próbát megérne.
Sajnos nem ismerem ennek az oszcillátorok lelkivilágát de ha bekapcsolja az ember akkor annak azonnal menni kell ! Nem szabad ilyen hazárdot beépíteni mint potenciómétert mert első dolga a delikvensnek hogy elcsavarja .A tekercselés nem okoz problémát csak tudjam szétszedni .Van mindenem ami kelhet hozzá.
Kösz a választ.
A tekercsvég gondolom jól van mivel eredetinek tűnik a forrasztás és így működhetett amíg el nem romlott.De már semmi sem biztos .Üzembiztosnak kell hogy legyen hiszen a gyártója sokat készít belőle állítólag . De megpróbálom azt is azért mielőtt szétszedném a fazékmagot.
Köszönöm a hozzászólásodat . |
Bejelentkezés
Hirdetés |



















