Fórum témák

» Több friss téma
Fórum » Erősítő mindig és mindig
Mielőtt kérdezel, a következő két dolgot ellenőrizd! I. A helyes tápfeszültségek megléte. II. A kimeneten van-e egyenfeszültség. Élesztés.
Lapozás: OK   1535 / 2575
(#) reloop válasza Robi85 hozzászólására (») Ápr 20, 2014 /
 
Hangszóró előtétnek 100 ohm-ot szoktam használni, de lehet kicsit nagyobb is ha csak olyan van kéznél.
Szkóp hiányában kénytelen vagy valahogy tanulmányozni a működést. Ezt is feldobhatod a gépedre, a semmitől ez is több. A vizsgált jelet ne feledd leosztani a hangkártya tűréshatáráig!
A hozzászólás módosítva: Ápr 20, 2014
(#) Robi85 válasza reloop hozzászólására (») Ápr 20, 2014 /
 
Rendben. Ma már nemhiszem, hogy foglalkozom vele, de holnap megfogom nézni ezeket a dolgokat amiket írtál. Addig is ittvan két kép az erősítőről.
(#) djkoko hozzászólása Ápr 22, 2014 /
 
Sziasztok! Belevágnék egy új projectbe, nelson pass f5-öt szeretnék építeni. A mellékelt rajzhoz lenne valakinek nyákrajza, esetleg működési, építési tapasztalat?
Köszönöm!
(#) Robi85 válasza reloop hozzászólására (») Ápr 22, 2014 /
 
Üdv Reloop.

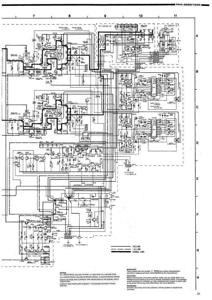
Jólett az erősítő, de nem írom le mivolt a hiba mert ez elég nagy baki volt. Viszont lenne egy ujabb kérdésem, mégpedig az, hogy az erősítőm kimenetét ráköthetem e a gyári erősítő védelmi részére? Az R609 és R610-en figyeli a kimenetet ha jól értelmezem a kapcsolási rajzot. Ide kötném az erősítőm kimeneteit ezekre az ellenállásokra. Lenne valami baj eből, vagy hazsnálható? Minden más ami a gyári végfokhoz vezetett elvan távolitva és kivan szedve az összes felesleges alkatrész. Ez egy Denon PMA-925R erősítő.
(#) pilka hozzászólása Ápr 22, 2014 /
 
Hello(!)
segitségeteket szeretném kérni(.)
irtam anno,a forumba(,) hogy van egy technics erősitőm (, és)
az egyik stk0029 végfok ment ki(.)
azota várom az alkatrész ,most meg is jött(.)
Beforrasztottam a helyére de a bal csatorna még mindig nem szol(.)
esetleg ötlet?

Kérnénk elolvasását, betartását. Mod.
A hozzászólás módosítva: Ápr 22, 2014
(#) szamóca válasza pilka hozzászólására (») Ápr 22, 2014 / 1
 
Mielőtt beforrasztottad, mérésekkel meggyőződtél a passzív elemek jóságáról, és persze a bemeneti jelszint, és a tápfeszültség is rendben volt. Ezután beforrasztottad az IC-t, és mikor láttad hogy nem működik, méréssel ellenőrizted a kimeneten az egyenfeszültséget, ami természetesen 100mV alatt volt, ezért nem említed.
(#) zolika1980 hozzászólása Ápr 22, 2014 /
 
Nem feltétlenül ebbe a témakörbe tartozik, de *

Mod, Tényleg nem, töröltem is!
A hozzászólás módosítva: Ápr 22, 2014
(#) szamóca válasza zolika1980 hozzászólására (») Ápr 22, 2014 /
 
Pedig lett volna egy jó GIF imídzsem. (Azért beteszem. )

át szás.gif
    
(#) reloop válasza Robi85 hozzászólására (») Ápr 23, 2014 /
 
Szia! A mellékelt rajzodnak sajnos nem elég részletes a felbontása, könnyen elérhető service manualt pedig nem találtam, így nem sokat mondnak a hivatkozott pozíciószámok. Pár voltos egyenfeszültséggel, mindkét polaritással ellenőrizd le a védelem működőképességét. Ha ez rendben nyugodtan ráköthetsz.
(#) Robi85 válasza reloop hozzászólására (») Ápr 23, 2014 /
 
Hazaértem akkor megpróbálom felrakni a Service manualt.
(#) Robi85 válasza reloop hozzászólására (») Ápr 24, 2014 /
 
Denon PMA-725/925r

Csak így tudtam mert nagyobb mint 5mb. 36. oldalon van a 925-nek a rajza.
(#) szikorapéter válasza Robi85 hozzászólására (») Ápr 24, 2014 /
 
Nekem 4-5 hónapja hoztak egy Denon-t javításra,de abban a végtranzisztorok voltak zárlatosak. Viszont egy dologra megtanított. A védelmet az erősítőben semmiképpen sem szabad áthidalni! Saját káromon tanultam meg miután a 200W-os hangládámat leégette az egyenáram ami az erősítő kimenetére kiült,mivel én rövidrezártam a védelmi áramkörét. Csak egy jó tanács,hogy másnak ettől ne fájjon a feje.
(#) Robi85 válasza szikorapéter hozzászólására (») Ápr 24, 2014 /
 
Igen tudom, de az enyém nem javitás alatt van hanem átépités alatt. A hangszín, bemenet választás és a védelmi rész ami megmarad benne.
(#) reloop válasza Robi85 hozzászólására (») Ápr 24, 2014 /
 
Szia! Így már látom, valóban R609 és R610 a DC figyelő bemenete. Azért ajánlott a működését ellenőrizni.
(#) Robi85 válasza reloop hozzászólására (») Ápr 24, 2014 /
 
Rendben. Mindenképpen ellenőrizni fogom a végleges forma előtt.
(#) levaitamas válasza szikorapéter hozzászólására (») Ápr 24, 2014 /
 
Reloop erre az esetre írná a soros 100Ohm-ot a kimenetre.
(#) lukacsp válasza szikorapéter hozzászólására (») Ápr 24, 2014 /
 
Egy 100W-os műterhelésnek való huzalellenállás kb. 1200 Ft: Huzalellenállás

Ha erősítők javításával foglalkozol, akár hobbi szinten is, akkor venni kell egy-két ilyet.
(#) brugo hozzászólása Ápr 24, 2014 /
 
Szervusztok,
kaptam egy DENON PMA - 320 -as erősitőt defektesen meg van szakadva a trafó primér tekercse az egész trafó egy fekete árnyékolópléhcsőbe van beöntve nem tudom megállapítani hogy hány wattos és a szekunderbe mekkora feszkó kéne. Tudnátok-e segíteni esetleg egy teljes tervrajz is jól jönne.
(#) norbi0325 hozzászólása Ápr 24, 2014 /
 
Sziasztok egy kis segítségre lenne szükségem :
Adott egy autós erősítő
2 evvel ezelőtt kivettem belőlük a végfokokat ( az összeset ) 4 db A1695 ,, 4 dbC4468
dőközben eltűntek.( ne kérdezzetek ) ..
Ezt onnan tudom ,hogy egy pár amit összepántoltam ,megkerült.....
Most
megrendeltem 4 párat ,csak bajban vagyok ,mert hüe fejemmel nem jelöltem meg melyik hol volt ..
Ehhez kellene segítség ...
szakzsargonnal ne bombázzatok ,meg olyannal hogy szkóppal ezt, mérd azt mérd ...
Csak egy multiméterem van ! .
Rakok fel nagy felbontású képeket hogy könnyebben tudjatok segíteni )
Előre is köszönöm !

KÉP1
KÉP2
KÉP3
KÉP4

A lapon vannak feliratok
q7a
q7c
q8a
q8c

Az A jelölheti az A1695-öt ?????
(#) Tiggey válasza norbi0325 hozzászólására (») Ápr 24, 2014 /
 
Ahova a pozitív tápfesz megy, oda kell az NPN, ahova a negatív tápfesz megy, oda a PNP tranziztor. A szekunder oldalon a pufferkondik polaritásából le tudod követni, mi hova megy. Még műszer se kell hozzá.
(#) reloop válasza norbi0325 hozzászólására (») Ápr 24, 2014 /
 
Szia! A pozíciójelben lévő szám mutat azonos típusra. Ez jól látszik a forrasztási oldalon, a kollektorok összeköttetéséből.
(#) djkoko hozzászólása Ápr 25, 2014 /
 
Sziasztok! Egy JVC átépítésem lenne, 75v szimmetrikus tápról megy. Olyan végfok kapcsolást keresek ami elbír ekkora feszültséget és jó minőségű. Nem kell brutál teljesítmény, csak jó hang.
Köszönöm!
(#) reloop válasza djkoko hozzászólására (») Ápr 25, 2014 /
 
Szia! Mit jelent a 75v, ±75V-ot? A tápfeszültség alapvetően meghatározza az erősítő teljesítményét, innen már csak a terhelő impedancián múlik. Például 8 ohm-on már jóval 200W felett jön ki belőle. Biztos, hogy erre van szükséged? A tápegység mennyivel terhelhető?
(#) djkoko válasza reloop hozzászólására (») Ápr 25, 2014 /
 
Szia! Igen +-75volt. Ez egy jvc ax-a572 halott végfokkal, ebbe kellene másikat építenem. Egy Bando 300 W trafó van benne gyors diódákkal 2x10000 kondikkal.
A hozzászólás módosítva: Ápr 25, 2014
(#) reloop válasza djkoko hozzászólására (») Ápr 25, 2014 /
 
A régi végfok milyen jellegű volt? Reménytelen a javítása? A trafó nagyon karcsú, ha nem 15 ohm vagy nagyobb hangszórót kötsz rá, megsül majd szegény ha meghajtod.
Sajnos nem találok kapcsolási rajzot a JVC-ről.
A hozzászólás módosítva: Ápr 25, 2014
(#) Szpisti válasza reloop hozzászólására (») Ápr 25, 2014 /
 
Nehéz elhinni azt a +/-75V tápfeszt, mikor azt írják róla hogy 80W 8 Ohmon, 120W 4 Ohmon...
Nem lehet hogy összesen 75V ?
De pl. az STK4221 2x65V-on működik és 2x80W...
A hozzászólás módosítva: Ápr 25, 2014
(#) djkoko válasza reloop hozzászólására (») Ápr 25, 2014 /
 
Ez egy tranzisztoros, és csak másik tranyós vagy fetes jöhet szóba. Töltök majd fel róla képet. A tulaj nem kívánja megmenteni mivel a hangja sem volt olyan jó, főleg amióta nála van a ks jlh-m.
(#) djkoko válasza djkoko hozzászólására (») Ápr 25, 2014 /
 
Nem a legjobb képek
(#) reloop válasza djkoko hozzászólására (») Ápr 25, 2014 /
 
Láttam megismerkedtél a VF2-vel, haladj tovább azon az úton.
(#) norbi0325 válasza Tiggey hozzászólására (») Ápr 25, 2014 /
 
Akkor így fogom beforrasztani !
Nagyon köszönöm a válaszokat (reloop-nak ) is !
Következő: »»   1535 / 2575
Bejelentkezés

Belépés

Hirdetés
XDT.hu
Az oldalon sütiket használunk a helyes működéshez. Bővebb információt az adatvédelmi szabályzatban olvashatsz. Megértettem