Fórum témák
» Több friss téma |
Fórum » TDA1557Q
Így már értem. Az R1, R2 elhagyható, feleslegesen osztja le a jelet. Csatolónak a 10µF picit erős 680nF-ot szoktam ajánlani. A csatoló feltöltődéséig kár bekapcsolni az IC-t, itt a helyes rajz, az R 10-100k, a C 47-220µF attól függően mekkora késleltetést szeretnél.
Szerk.: szerintem csak elrajzolta a kolléga az R3 helyét. A hozzászólás módosítva: Feb 24, 2014
Sziasztok!
Szeretnék én is egy hasonlót építeni, mint amit az előző hozzászólásokban. Valaki meg tudná osztani a nyáktervet? Ugyan most elkezdtem barátkozni a tervezővel, de azt írták, hogy érzékeny a csillagpontra, így nem szeretnék kíréletezni. Köszönöm!
Szia! Nem valami fényes a felhozatal.
Először is google keresés TDA1557 pcb -re! Abból ki tudsz indulni. Menet közben szívesen segítek, legalább lesz egy jó terv, neked pedig gyűlik egy kis tapasztalat.
Szia!
Köszönöm! Erős induló alapot képez, ha számítható segítségre. Egyszer mindenféleképpen meg kell tanulni. Miért ne most? ![]() Tudnál mondani pár szót a csillagpont kialakításáról? Nem találtam sehol a kezdőknek szánt magyarázatot.
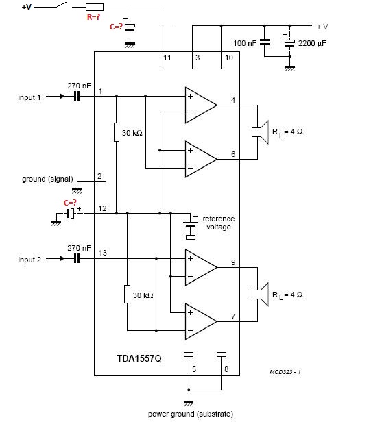
A nyomtatott áramkörben el kell helyezni egy tápszűrő kondenzátort (470µF-4700uF). Ennek negatív lábára kell érkezzen a külső tápfeszültség. Egy másik ágon, de követlen a kondi lábról hozva lehet tovább vinni a többi csatlakozási pont felé. Illusztrálom.
Hát sikerült valamifélét alkotnom, de nyomtatással egyelőre nem tudok megbírkózni.
Valamiért teljesen más képet kapok mikor pdf-be mentem Sprint Layout-ból.
Oszd meg velünk a .LAY fájt, vagy a JPG-be exportáltat.
Nem lett egy szép darab, de ez az első.
Alakul ez.
Írtam rá pozíciószámot és értéket a mellékelt rajz alapján. Persze nyugodtan alakíthatsz rajta. A 12-esről levettem a by-pass-t, de akár maradhat is. Áttettem felülnézetbe, mert így szokás tervezni. Első feladat: a tápcsatlakozóról jövő két vezetősáv először a C3-mal, majd a C4-gyel találkozzon! A C4 forrszeméről (!) vigyél vezetést a bemeneti földnek, IC 2-es lábnak és ettől külön ágon IC 5,8 teljesítmény földnek.
Elméletileg ezek megvannak.
A C4 forrszeme azért fontos számunkra, mert még ennek a kapacitásnak a szűrés során kialakuló árama (ami számunkra zaj) feszültséget ejt a hozzá futó vezetősávban. Ezt ne adjuk hozzá a bemenő jelhez!
A 220µF koppanás mentesítő kondenzátor szerencsére nem igényel kényeztetést, mert csak a bekapcsolás pillanatában van egy kis feladata. Némi finomításnak nem tudtam ellenállni, de a végső arculat kialakítását Rád bízom.
Oh látom sikerült a felkiáltójele részt félrenéznem.
Akkor ez így már akár maratható is lenne?
Akár maratni is lehetne, remélem nincs benne elkötés, mert főleg az elvi részére koncentráltam.
A gyakorlatban először be kell szerezni az alkatrészeket, és meggyőződni arról, hogy a lábtávolságok és a külső kontúrok igényelnek-e esetleg módosítást. A túl sok szabadon maradó hely sem szerencsés, mert a NYÁK pazarláson kívül feleslegesen ad okot a vezetősávokon létrejövő veszteség megtűrésére. Ilyenkor normál nyomtatóval, minden réteget engedélyezve ki szoktam printelni, és rápróbálom valamennyi alkatrészt. Az esetek többségében találok még igazítani valót ![]() Szerk.: Tégy a réz oldalra feliratot! Ez lehet informatív is. A maratás utáni olvashatóság megvéd attól, hogy helytelen tükörképet készíts. Ej, de sokan szenvedtek már ettől! A hozzászólás módosítva: Máj 8, 2014
Holnap rá is próbálgatom a dolgokat, bár elviekben méreteknek megfelelő alkatrészek kerültek a tervbe.
Még egy logo-t szeretnék majd rá, ha találok valahol némi instrukciót a világhálon az elkészítésére. Nagyon köszönöm a segítséget. Végre sikerült megismerkednem kicsit a nyákkészítéssel.
A TDA1557 lábak között központosítottam a vezetősávokat a kellő hézag érdekében, és adtam rá kényelmes papucsot
Most már Te jössz! A hozzászólás módosítva: Máj 8, 2014
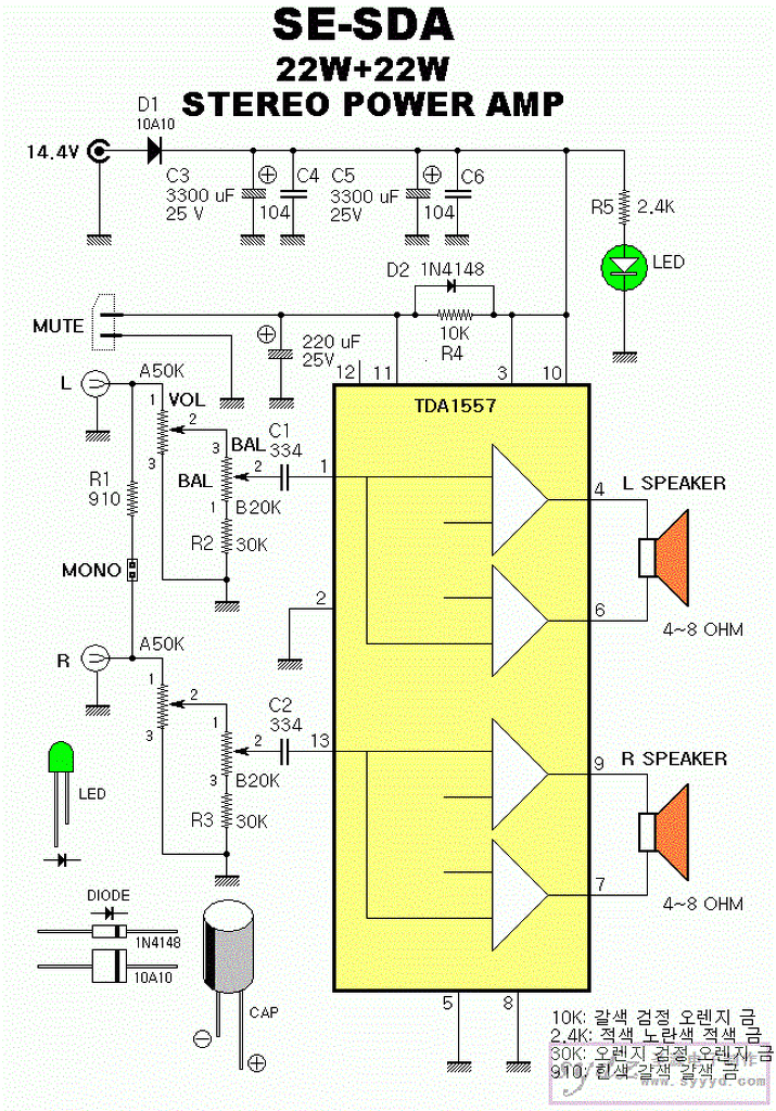
Még annyit szeretnék kérdezni, hog a bemenő elet le kell oszatni? Mivel hordozható lesz, így mindig valami külsö forrásból fog jelet kapni és úgy is azon történik majd a hangerő szabályzása.
Egy 50k (47k) logaritmikus sztereó potit mindenkép tennék az elejére, a bemenet szabadon hagyása több mint veszélyes.
Találtam itthon egy sztereo potit, bár nem 50k, hanem 100k.
Beraktam a nyákba a potit. Remélem jól.
Sajnos amit találtam poti lineáris. (B100k)
Megoldható lenne fix ellenllás betenni? (esetleg csak ideiglenesen) A hozzászólás módosítva: Máj 9, 2014
Megépítettem a kapcsolás, de tesztelni még nem tudtam.
űHolnp majd kipróbálom, bár a hangszórót ne nagyon merem rátenni.
Szia! A potenciométert nem jól, illetve nem a megszokott módon rajzoltad be. Az óramutatóval ellentétes irányban ütközésig tekerve kéne a csúszkának a testhez érnie.
A lineáris potinak is megvan a trükkje! A csúszka és a test közé egy olyan értékű ellenállást kell kötni mely hatoda a potiénak. Ez esetedben 15k. Nem tudom aktuális-e még ennek a megvalósítása. Az élesztésnél tégy 10 ohm-os ellenállást a tápágba, akkor a zárlat nem végzi ki a végtranyókat. A kimenet párok között mérj egyenfeszültséget! Ez 10-20mV szokott lenni. Ha több mint 200mV állj le, megbeszéljük mi a teendő. Ha eddig sikeresen eljutottál a hangszórót 100 ohm soros ellenálláson keresztül kösd a kimenetre, így az szélsőséges esetben sem sérül, viszont a meghallgatáshoz elegendő hangerőd lesz.
Terveket majd módosítom, de a panel egyelőre már így marad. Esetleg holnap kiveszem a panelből és vezetékekkel helyre lesz rakva.
Köszönöm az instrukciókat. Remélem szükségtelennek bizonyulnak majd az óvintézkedések.
Tökéletesen működik
![]() Nagyon köszönöm a sok segítséget.
Szeretnék egy olyan rajzot kapni bárkitől itt a fórumon, amelyen ez az IC (TDA1557) nem az általános sztereo üzemmódban van ábrázolva s felhasználva, hanem a tokban levő 2 db IC csupán egy hangszórót hajtana meg (valami booster-kapcsolás, vagy mi neki a hivatalos szakmai neve).
Mivel nekem csupán 1 db. monó erősítőre lenne szükségem, amely ebben a tokban található 2 darabnak a hídba-kapcsolásából jönne ki. A tápfesz pedig - lehetne mondjuk 12 V 5 A ... Gondolom a teljesítménye meg - lenne olyan 35-40 W. Előre is köszönet.
Hídba nem lehet kötni mivel már a sztereó változat alapból hídba van kötve mivel ez az IC 4 csatornás.
A gyári adatlap sajnos nem minden esetben ad meg mindenféle extraflancos dolgokat.
Éppen nézegettem a TDA2004-et. Amely szakirodalmilag egy 2x10 W sztereo erősítő lenne. De az nem írja le sehol sem, mi lenne olyankor, ha a tokban levő két erősítőt buszterbe kötöm, azaz - én egy mono erősítőt szeretnék, de kissé nagyobb tudással? Még csak nem is tesz rá semmiféle említést! Pedig többoldalas az ismertető. Bővebben: Link
Szia!
Ha a gyári adatlapok nem is részesítik előnyben a hidalt kapcsolást, azért lehet lelni olyat: Bővebben: Link. Egyébként ha kifejezetten hidalt erősítőt szeretnél építeni, akkor válaszd a TDA2005-öt, aminek van külön topikja. A hozzászólás módosítva: Jan 13, 2015
|
Bejelentkezés
Hirdetés |













